Wednesday, June 10th, 2020 AT 12:34 PM
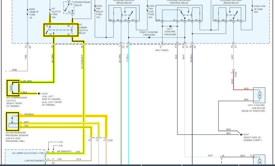
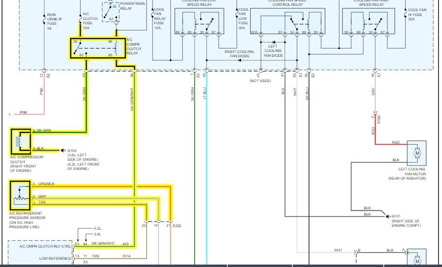
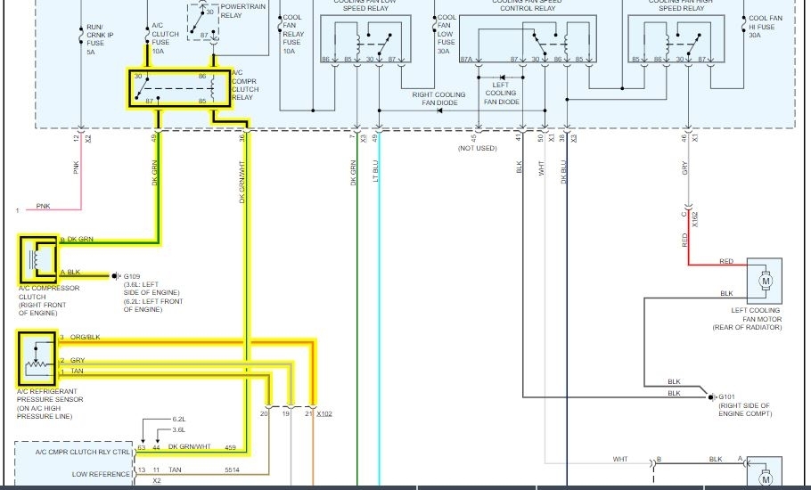
I went to a mechanic and had my compressor replaced but the A/C still blows hot. He said it’s a bad wiring, I’m skeptical? What should I do?




