Thursday, June 24th, 2021 AT 12:28 PM
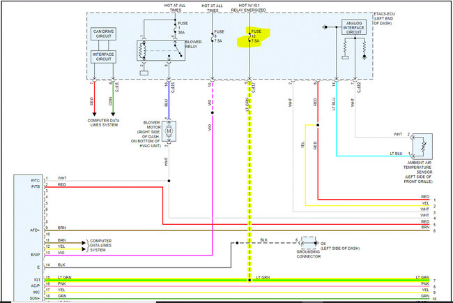
Hi, I started my car in the morning and realized the A/C fan wasn't working. If I turn on the air-conditioning the compressor engages and I can feel some cold by the vents. Fan does not work on any speed. I tested the blower fan with jumpers and it works. I tested the relays with jumpers and a multimeter and they seem to work as well. The fuse looks okay and I put a new resistor in but it didn't work. Any ideas? I will check the voltages on connectors next.










