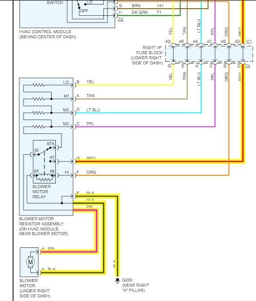
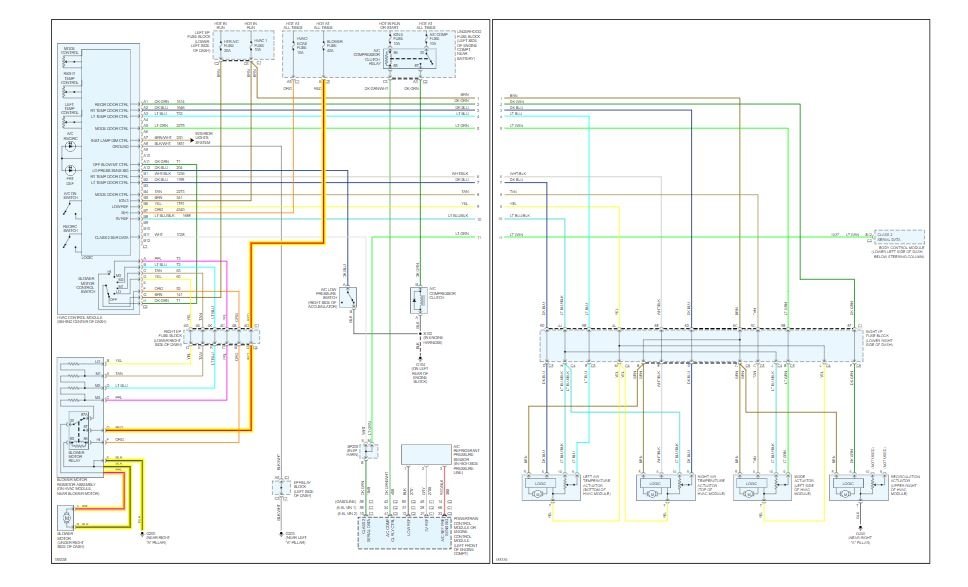
Saturday, June 8th, 2019 AT 10:11 PM
I have the truck listed above Southern Comfort and my air turns on and off but it wont blow. It will blow the air from you driving but nothing when you stop.





