A/C blower motor fan wont work

Tiny
RONNIE G
  • MEMBER
  • 2002 CHEVROLET AVALANCHE
  • 180,000 MILES
New blower fan module, new blower fan motor. Still wont work
Monday, May 28th, 2012 AT 10:27 PM

3 Replies

Tiny
RONNIE G
  • MEMBER
  • 4 POSTS
I did get a reply about how to check voltage on module. I forgot to tell you sometimes when I turn the A/C on it will work but will only work for 10 or 15 minutes then quit. I checked the voltage on the incoming wires to module. With A/C on high I got 0 voltage.
Was this
answer
helpful?
Yes
No
Monday, May 28th, 2012 AT 10:30 PM
Tiny
RASMATAZ
  • MECHANIC
  • 75,992 POSTS
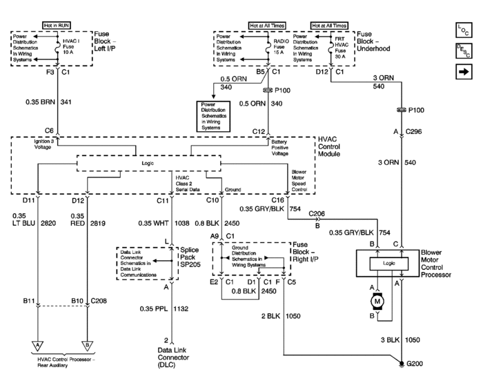
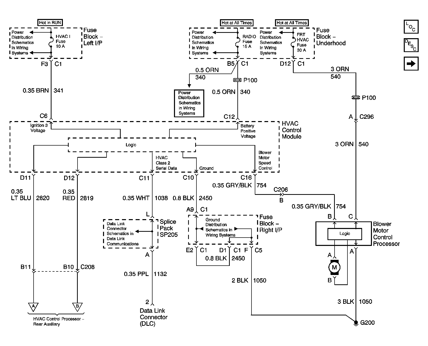
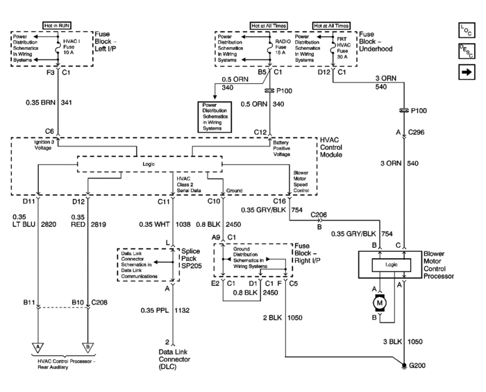
Check front HVAC fuse 30amp, HVAC control module, the blower control processor and ground point G200
Was this
answer
helpful?
Yes
No
Monday, May 28th, 2012 AT 10:35 PM
Tiny
RASMATAZ
  • MECHANIC
  • 75,992 POSTS
Also see below
Was this
answer
helpful?
Yes
No
Monday, May 28th, 2012 AT 10:37 PM

Please login or register to post a reply.