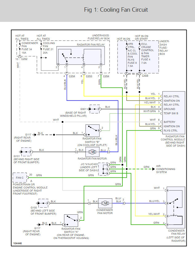
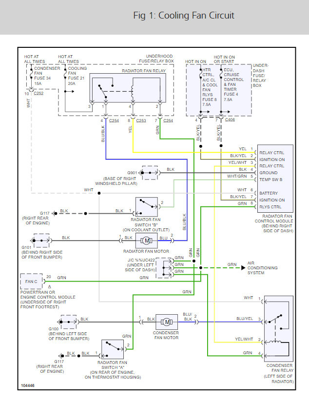
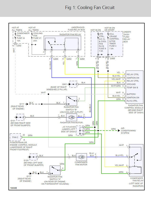
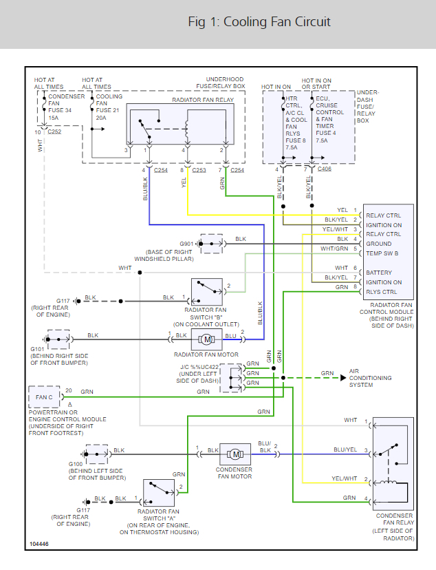
My A/C air stopped blowing cold. The passenger side fan comes on, but the drivers side fan does not before and after the ac is turned on. It is my understanding that both fans should come on at some point. When is that?
Upon further inspection, I noticed a disconnected wiring harness hanging down, but the middle of the disconnected wire that was stuck in the plastic clip of the larger wiring harness. The two wiring harnesses in question are located to the passenger side of the radiator fan cover. The main wire separates into one disconnected small round gray wiring harness and one larger square gray connected wiring harness. I wires did not have any tape or plastic coil protection; so, taped the the (white, red, gray) wiring with black electrical tape. I could see where the small round gray harness plugs in at. Where does the gray smaller wiring harness in the attached photo plug in at and what is the name of the wire and what it goes to?
What is the most likely possibility for the air to only blow room temperature air and stop blowing cold air?
MD
Sunday, July 28th, 2019 AT 5:55 PM










