Upon acceleration the A/C goes to defrost

Tiny
MBFOR99
  • MEMBER
  • 2000 FORD F-250
  • 5.4L
  • V8
  • 4WD
  • AUTOMATIC
  • 100,000 MILES
Upon acceleration ac goes to defrost and then come back to panel. Any suggestions?
Sunday, March 20th, 2022 AT 6:12 AM

4 Replies

Tiny
STEVE W.
  • MECHANIC
  • 15,697 POSTS
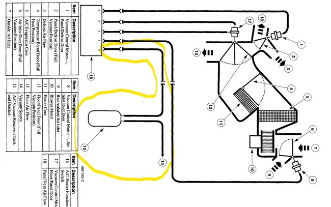
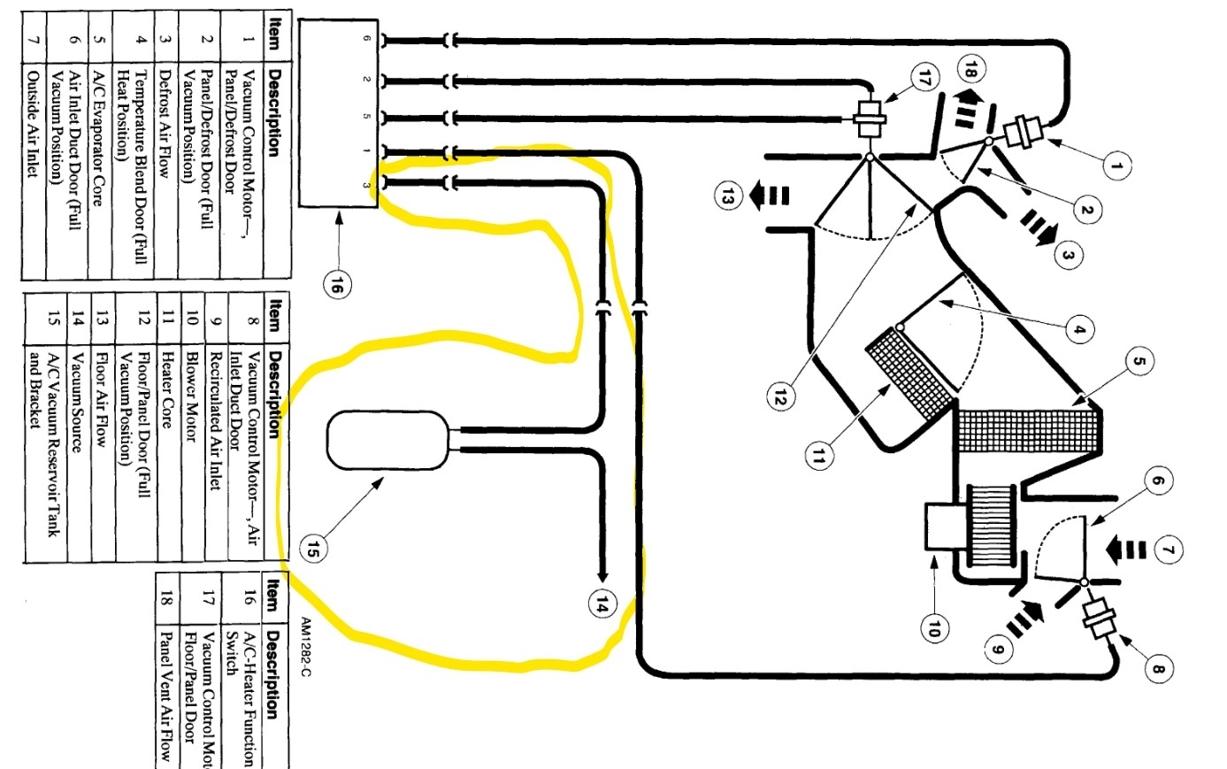
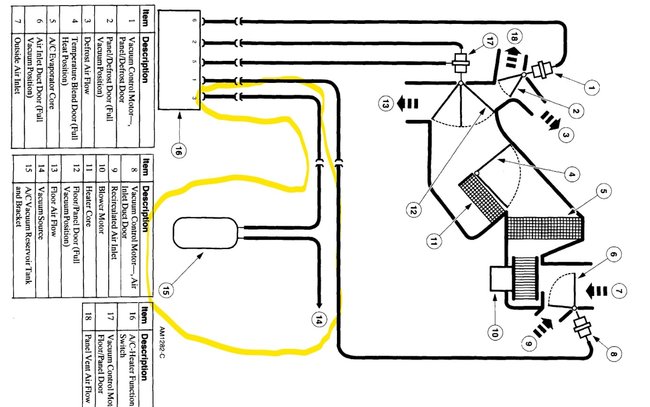
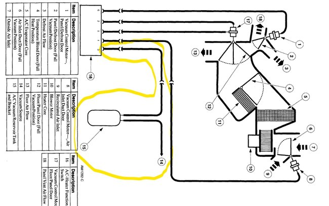
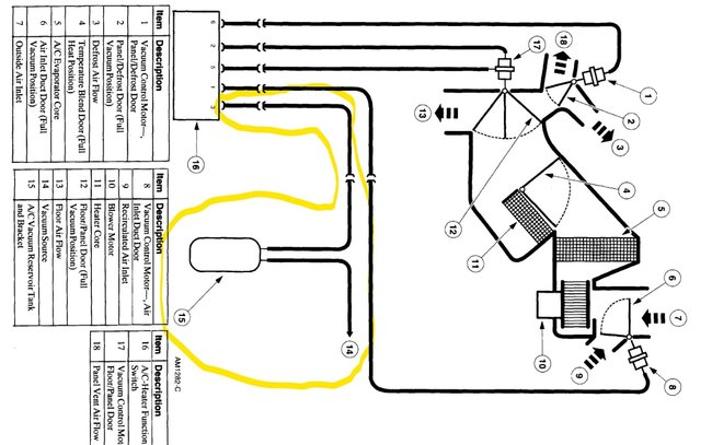
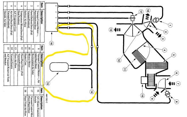
Classic sign of a bad vacuum check valve. The HVAC controls are vacuum powered on that truck. The sudden opening of the throttle drops the vacuum in the system, and it switches to the default mode of defrost. There is a vacuum tank under the hood that is supposed to hold a reserve vacuum to stop this, it sounds like the check valve is bad or there is a leak in the line that is bleeding the vacuum off rapidly. To find the problem the fastest way you can go to the vacuum tank and use a hand vacuum pump like a mityvac that you can get as a loaner tool. Connect it in place of the line coming from the intake manifold. Pump it until you have a vacuum, Stop and watch the gauge, if it holds the issue is the valve as the mityvac is acting as a valve. If it still leaks off, then look for a cracked line or failed tank.
If it is just a failed check valve, which is part of the tank, you can simply add a replacement in the line to the tank. They are easy to install, just cut the line and install the valve, you can usually find them on the Help rack at a parts store.
Was this
answer
helpful?
Yes
No
Sunday, March 20th, 2022 AT 6:51 AM
Tiny
MBFOR99
  • MEMBER
  • 46 POSTS
Okay, thanks a lot. I will try this out and let you know the outcome.
Was this
answer
helpful?
Yes
No
Sunday, March 20th, 2022 AT 7:08 AM
Tiny
STEVE W.
  • MECHANIC
  • 15,697 POSTS
If you have trouble finding the leak you can use a starting spray or carburetor cleaner and spray it along the vacuum lines, if it's a leak the engine will rev up.
Was this
answer
helpful?
Yes
No
Sunday, March 20th, 2022 AT 5:01 PM
Tiny
MBFOR99
  • MEMBER
  • 46 POSTS
Okay, thank you.
Was this
answer
helpful?
Yes
No
Sunday, March 20th, 2022 AT 6:10 PM

Please login or register to post a reply.