Mechanics said that the speed sensors for the ABS need to be replaced because it was causing the ABS light to come on

Tiny
BEN LOCKYER
  • MEMBER
  • 2003 CHEVROLET TRAILBLAZER
  • 4.2L
  • 6 CYL
  • 2WD
  • AUTOMATIC
  • 165,000 MILES
The vehicle listed above is an EXT rear wheel drive. Mechanics said that the speed sensors for the ABS need to be replaced because it was causing the ABS light to come on and the speedometer to be off buy a couple miles per hour. I know how to replace the front ones, but I need to figure out where the other speed sensors are. I called and talked to Chevrolet and they said that there are two, an input and an output on the transmission. Where exactly are they and what do they look like so I know what part to buy. I read that there's a possibility that transmission fluid will leak when you replace the sensors, so I want to know what to buy so I'm not losing fluid trying to pull one out and try to match it up. And if I do replace these two sensors and the ABS wheel speed sensors on the front wheel hubs, will it fix my problem?
Friday, December 4th, 2020 AT 6:33 AM

9 Replies

Tiny
ASEMASTER6371
  • MECHANIC
  • 52,796 POSTS
Good morning,

The vehicle speed sensor for the speedometer is on the output of the transfer case. I attached a picture for you of the sensor.

This has nothing to do with your ABS issue. That is completely different issue.

https://www.2carpros.com/articles/abs-warning-light-on-easy-repair-guide

https://www.2carpros.com/articles/abs-wheel-speed-sensor-test

https://www.2carpros.com/articles/how-to-replace-an-abs-wheel-speed-sensor

I attached the location of the sensors for you. Follow the guide for testing for a failure.

If the light is on, there is a fault code stored and I need to know those codes so I can help narrow the area of failure.

Roy

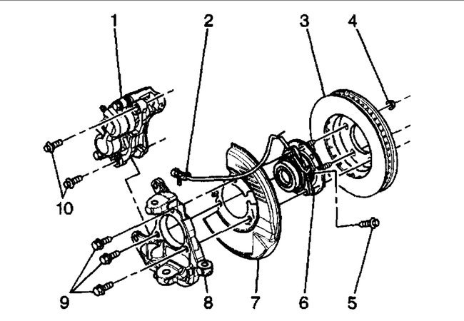
Wheel Speed Sensor Replacement

Removal Procedure

Caution: Refer to Brake Dust Caution in Service Precautions.

imageOpen In New TabZoom/Print

1. Raise the vehicle.
2. Remove tire and wheel.
3. Remove brake caliper.
4. Remove the hub and rotor.
5. Remove wheel speed sensor mounting clip on the control arm.
6. Remove wheel speed sensor mounting clip on the frame rail.
7. Disconnect the wheel speed sensor electrical connector (2).
8. Remove the sensor mounting screw (5).

Important: The wheel speed sensor mounts into a bore that leads to the center of the sealed bearing. Use caution when cleaning or working around the bore. Do not contaminate the lubricant inside the sealed bearing. Failure to do so can lead to premature bearing failure.

Notice: Carefully remove the sensor by pulling it straight out of the bore. DO NOT use a screwdriver, or other device. Prying will cause the sensor body to break off in the bore.

Notice: Do not attempt to remove the stainless steel shim from the bearing assembly. The shim is permanently attached. If the shim is damaged or bent, replace the bearing assembly. Failure to comply will result in diminished sensor and ABS performance.

9. Remove wheel speed sensor from hub and bearing assembly.

Was this
answer
helpful?
Yes
No
Wednesday, February 24th, 2021 AT 7:37 PM
Tiny
BEN LOCKYER
  • MEMBER
  • 5 POSTS
I will get the codes soon, but my vehicle is a rear wheel drive and doesn't have a transfer case.
Was this
answer
helpful?
Yes
No
Wednesday, February 24th, 2021 AT 7:37 PM
Tiny
ASEMASTER6371
  • MECHANIC
  • 52,796 POSTS
Let me know the codes when you get them.

Roy
Was this
answer
helpful?
Yes
No
-1
Wednesday, February 24th, 2021 AT 7:37 PM
Tiny
BEN LOCKYER
  • MEMBER
  • 5 POSTS
The codes are:
C0222
C0237
C0291
C0223
C0221
Was this
answer
helpful?
Yes
No
Wednesday, February 24th, 2021 AT 7:37 PM
Tiny
ASEMASTER6371
  • MECHANIC
  • 52,796 POSTS
Okay, I attached the description and the flow charts for you to follow for the codes. They are mostly related to the sensor themselves and you will need to check all the sensors.

Roy

Circuit Description
As the wheel spins, the wheel speed sensor produces an AC signal. The EBCM uses the frequency of the AC signal to calculate the wheel speed.

Conditions for Running the DTC
C0221 and C0225
The ignition is ON.

C0222, C0223, C0226 and C0227
The vehicle speed is greater than 32 km/h (20 mph) when the brake is applied or 19 km/h (12 mph) when the brake is released.

Conditions for Setting the DTC
C0221 and C0225
The EBCM detects an open or shorted wheel speed sensor or wheel speed sensor circuit for 500 milliseconds.

C0222 and C0226
The corresponding wheel speed sensor signal is less than 6 km/h (4 mph) for 5 seconds, or 120 seconds in order to set both DTCs.

C0223 and C0227
The EBCM detects an erratic signal from the corresponding wheel speed sensor for 105 milliseconds.

Action Taken When the DTC Sets
C0221, C0225
If equipped, the following actions occur:
The EBCM disables the ABS/TCS.
The ABS indicator turns ON.
The TRACTION OFF indicator turns ON.
The DTC displays the SERVICE BRAKE SYSTEM message.

C0222, C0223, C0226, and C0227
If equipped, the following actions occur:
The EBCM disables the ABS/TCS and may disable DRP. The ABS indicator turns ON.
The TRACTION OFF indicator turns ON.
The red Brake warning indicator may turn ON.
The DTC displays the SERVICE BRAKE SYSTEM message.

Conditions for Clearing the DTC
Repair the condition responsible for setting the DTC.
Use a scan tool in order to clear the DTC.
After the DTC is cleared and the ignition is ON, the ABS indicator may remain ON until the EBCM completes a power-up self-test. This test concludes when the vehicle reaches a speed greater than 13 km/h (8 mph) and the wheel speeds are verified by the EBCM.

Diagnostic Aids
Operating the vehicle on extremely rough terrain can set DTC C0223, C0227 or C0229 even if the system is functioning normally.
Thoroughly inspect connections or circuitry that may cause an intermittent malfunction.
If the customer's concern is that the ABS indicator is on only during humid conditions such as rain, snow or vehicle wash, thoroughly inspect the wheel speed sensor circuits for signs of water intrusion. Use the following procedure in order to help isolate the problem area:

1. Spray the suspected area with a 5 percent salt water solution.
2. Drive the vehicle at a speed greater than 19 km/h (12 mph) for at least 30 seconds. Repair or replace the suspect harness if the DTC sets.

Test Description
The numbers below refer to the step numbers on the diagnostic table.
3. Measure the resistance of the wheel speed sensor in order to determine if the sensor has a valid resistance value.
4. Ensures that the wheel speed sensor is generating a valid AC voltage output.

DTC C0235-C0237, C035-C037 or P0609

Circuit Description
The PCM converts the data from the vehicle speed sensor to a 128k pulses/mile signal. The EBCM uses the vehicle speed signal from the PCM in order to calculate the rear wheel speed.

Conditions for Running the DTC

C0235
The ignition is ON.

C0236 and C0237
The ignition is ON.
The vehicle speed is greater than 32 km/h (20 mph) when the brake is applied or 19 km/h (12 mph) when the brake is released.

P1504
The ignition is ON.
The vehicle is not moving.

Conditions for Setting the DTC

C0235
The EBCM detects low voltage or the vehicle speed signal circuit for 500 milliseconds.

C0236
The rear wheel speed signal is less than 6 km/h (4 mph) for 5 seconds, or 120 seconds in order to set multiple missing sensor signal DTCs.

C0237
The EBCM detects an erratic rear wheel speed signal for 105 milliseconds

P1504
The PCM detects low voltage on the vehicle speed signal circuit for 45 seconds

Action Taken When the DTC Sets
If equipped, the following actions occur:
The EBCM disables the ABS/TCS/DRP.
The ABS indicator turns ON.
The TRACTION OFF indicator turns ON
The red brake warning indicator turns ON.

Conditions for Clearing the DTC
Repair the condition responsible for setting the DTC.
Use a scan tool in order to clear the DTC.
After the DTC is cleared and the ignition is ON, the ABS indicator may remain ON until the EBCM completes a power-up self-test. This test concludes when the vehicle reaches a speed greater than 13 km/h (8 mph) and the wheel speeds are verified by the EBCM.

Diagnostic Aids
Thoroughly inspect connections or circuitry that may cause an intermittent malfunction. Refer to Testing for Electrical Intermittents, Testing for Intermittent and Poor Connections, Wiring Repairs and Connector Repairs in Wiring Systems.

Test Description
The numbers below refer to the step numbers on the diagnostic table.
3. This step tests for a voltage signal from the PCM.
4. This step tests for a missing or erratic vehicle speed signal from the PCM. An assistant may be required to perform this test
Was this
answer
helpful?
Yes
No
Wednesday, February 24th, 2021 AT 7:37 PM
Tiny
BEN LOCKYER
  • MEMBER
  • 5 POSTS
So I know the locations of the front wheel speed sensors on the wheels. Where are the others?
Was this
answer
helpful?
Yes
No
Wednesday, February 24th, 2021 AT 7:37 PM
Tiny
ASEMASTER6371
  • MECHANIC
  • 52,796 POSTS
There is no ABS rear wheel speed sensor they use the VSS (vehicle speed sensor) which is in the transmission (rear) this means the speedometer would not work either.

Look on the out shaft by where the driveshaft goes into the transmission. The rear sensor is that sensor along with the vehicle speed sensor. It has 2 jobs.

I attached a picture for you of the location of the sensor.

Roy
Was this
answer
helpful?
Yes
No
Wednesday, February 24th, 2021 AT 7:37 PM
Tiny
BEN LOCKYER
  • MEMBER
  • 5 POSTS
I replaced the ABS wheel speed sensors and reset the check engine light. ABS light no longer comes on but the speedometer still shows 3-5 MPH faster than what i'm actually going. Any ideas as to why? Drove it around for a while and the check engine light didn't come back on.
Was this
answer
helpful?
Yes
No
Wednesday, February 24th, 2021 AT 7:37 PM
Tiny
ASEMASTER6371
  • MECHANIC
  • 52,796 POSTS
Okay, if the speedometer is not accurate, then that is something to do with tire size and what is programmed into the ABS module and the ECM.

It will have to be calibrated either by the dealer or a speedometer shop.

Roy
Was this
answer
helpful?
Yes
No
Wednesday, February 24th, 2021 AT 7:37 PM

Please login or register to post a reply.