Monday, October 21st, 2024 AT 1:22 PM
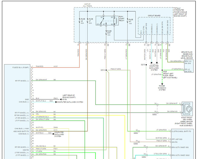
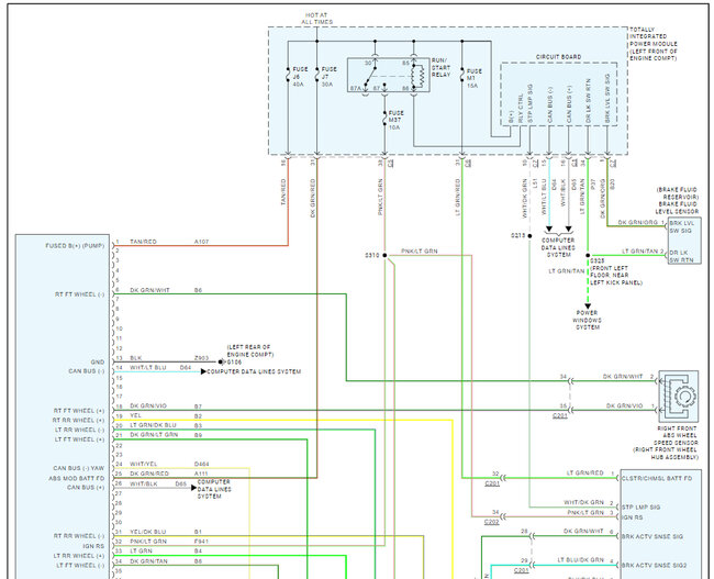
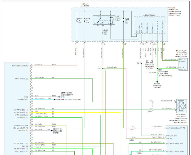
So I got the code for why my ABS and traction control lights were on. It came back with code c1035 rear ABS speed sensor. So, I took the old one off, put the new one on and I can’t get the wire harness to click back on. Every time I think it's on I tug on it and it just comes off even with the lock down. What is going on? What could make it so I can’t get it back on? Mind you I don’t have a lift or have the jeep on jack stands so there is very little room, but I don’t see why it won’t go on, please help me.






