ABS light will not turn off

2010 JEEP COMPASS
234,137 MILES • 2.4L • 4 CYL • 2WD • AUTOMATIC
Avatar
STEPHEN WHITE
  • MEMBER
  • 1 POST
My ABS light won’t shut off. I have hooked my computer up and it says ABS Pump motor supply low voltage.
Jun 24, 2021 at 5:03 PM
Advertisement
Avatar
JACOBANDNICKOLAS
  • CAR REPAIR CONTRIBUTOR
  • 110,190 POSTS
Hi,

I'm not sure which code you got, but I suspect it is C2116. Is that correct? If it is, this could be as simple as a fuse or require a lot of checking.

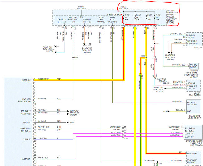
To get you started, the first two pics below are the wiring schematics for the ABS. In pic one, I circled the fuses I need you to check. They are in the power distribution box under the hood. In addition to checking the fuse itself, conform there is power to and from it. Here is a link you may find helpful:

https://www.2carpros.com/articles/how-to-check-a-car-fuse

For some reason, I can't locate a pic of the fuse locations in the box. My manual just identifies what they are for. Sorry about that.

Now, if the brake lights work, skip fuse 3, but the others need checked.

Starting with pic 3, the diagnostics for this issue are included. Here is a link you may find helpful if you decide to perform the diagnostics:

https://www.2carpros.com/articles/how-to-check-wiring

I hope this helps. Let me know what you find or if you have other questions. Also, if I determined the wrong code I mentioned, let me know.

Take care,

Joe

See pics below.

Jun 24, 2021 at 11:26 PM
Advertisement
Repair Safety Notice: This information is for general instructional purposes only. Vehicle repair can be dangerous. Verify all information, follow manufacturer service procedures, use proper tools and safety equipment, and consult a qualified repair shop when needed.