I have a problem with ABS lights on with park

Tiny
JEREMY9806
  • MEMBER
  • 1999 DODGE RAM
  • 201,000 MILES
Hi, I have the truck listed above 2500 Cummins 24v 4wd. I have a problem with ABS lights on with park. I have changed all the master cylinder and the combination valves, the fluid, the front hub with wheel speed sensor, and today I have changed the rear wheel speed sensor ! It worked about 10km and the lights came again! I have tested with ohmmeter and I found bad rear wheel speed sensor which was new and good (tested before put it ). So I don't understand! Maybe the rear wheel speed sensor would be too tight, because I have seen the old sensor had a mark, or a short, but I don't know how to test short. Could you help me please?

I have not scan tool, and in my country all the scanners not arrive to read my ABS code. Thank you for your help.
Sunday, September 1st, 2019 AT 12:31 PM

7 Replies

Tiny
KEN L
  • MASTER CERTIFIED MECHANIC
  • 55,266 POSTS
If you use a voltmeter you can test the sensor here is a guide to help you and a video so show you how to get the codes:

https://www.2carpros.com/articles/abs-wheel-speed-sensor-test

and

https://youtu.be/rTtAnsOlZU4

Please run down these guides and report back.

Was this
answer
helpful?
Yes
No
+1
Monday, March 1st, 2021 AT 12:41 PM
Tiny
JEREMY9806
  • MEMBER
  • 5 POSTS
Yes I have done the ohmmeter test before, and my rear ABS sensor works perfectly because was new, but I don't understand why about 10 minutes later the lights are come again. I have stop the trucks and controlled again all the sensor, and I have found 0 ohms on the rear sensor which was new. So what thing could break these rear sensor suddenly, maybe the ring inside the axle?
The scan tool that you are speaking is it able to read my dodge ram 98.5 ABS code, because I know there are any scan lmodel does not read the Dodge ABS code.
Thank you for your help.
Was this
answer
helpful?
Yes
No
Monday, March 1st, 2021 AT 12:41 PM
Tiny
KEN L
  • MASTER CERTIFIED MECHANIC
  • 55,266 POSTS
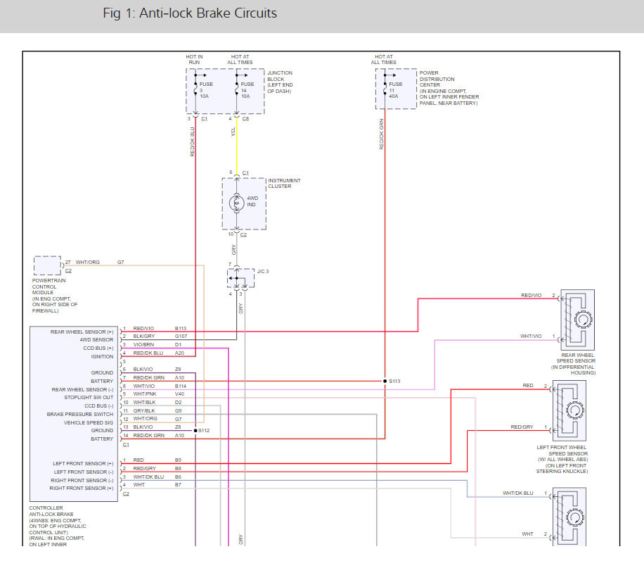
Are you using an OEM sensor? I don't think the reluctor ring can cause the sensor to go out unless contact is made. is the end of the sensor damaged? Lets check the wiring between the sensor and ABS controller. here is a guide and the ABS wiring diagrams so you can see what to test and how the system works:

https://www.2carpros.com/articles/how-to-check-wiring

Check out the diagrams (below). Please let us know what happens.
Was this
answer
helpful?
Yes
No
+1
Monday, March 1st, 2021 AT 12:41 PM
Tiny
JEREMY9806
  • MEMBER
  • 5 POSTS
Hi, I read that the store code can be displayed by grounding the RWAL diagnostic connector and counting the flashes on the indicator lamp? But which connector is? Is it the ABS module connector, or the data link connector inside the truck? And which number wire is it because there is no diagram or image of this connector.
Thank you for your help
Was this
answer
helpful?
Yes
No
Monday, March 1st, 2021 AT 12:41 PM
Tiny
JEREMY9806
  • MEMBER
  • 5 POSTS
And I imagine to put a wire inside the connector to a ground?
Thank you so much.
Was this
answer
helpful?
Yes
No
Monday, March 1st, 2021 AT 12:41 PM
Tiny
JEREMY9806
  • MEMBER
  • 5 POSTS
If I look the wiring diagram there are 2 grounds in the abs module connector pin N6 and pin N 13 and when we look the data link pin on the second diagram we have 2 wire and the pin 11 and 3 on the data link. So I don't know what to ground and do I turn on the truck to make this?
Thank you in advance

I hope its the good diagram for my truck 98.5, I don't want to explode something
Was this
answer
helpful?
Yes
No
Monday, March 1st, 2021 AT 12:41 PM
Tiny
KEN L
  • MASTER CERTIFIED MECHANIC
  • 55,266 POSTS
These are the only diagrams they offer so it should be good. The ABS connector is the ALDL for the truck same please you get engine comes from. If the fuses are good and grounds/sensor are good the controller is bad. Did you get a chance to do a scan? Here is a video of the job being done on a similar car with instructions below to show you how on your car:

https://youtu.be/lUotkKXG9dY

Check out the diagrams (below). Please let us know what happens.
Was this
answer
helpful?
Yes
No
Monday, March 1st, 2021 AT 12:41 PM

Please login or register to post a reply.