Saturday, October 15th, 2022 AT 8:36 PM
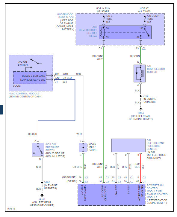
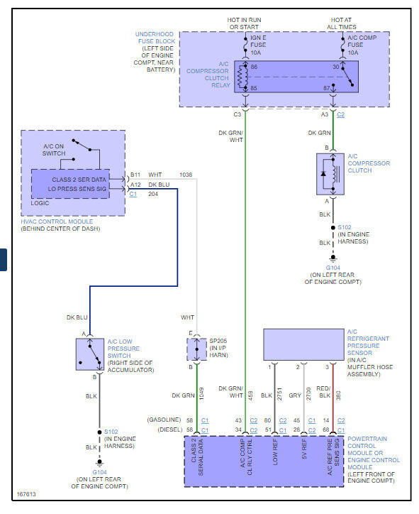
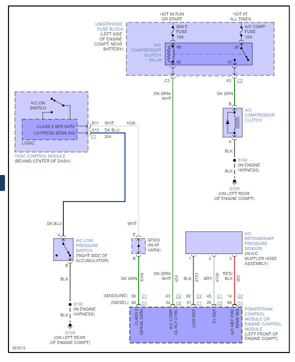
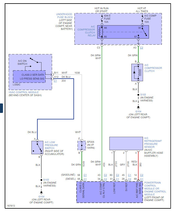
A/C System is fully charged. I have five volts at the blue wire for the low-pressure switch and a good ground. When plugged in I have ground on both sides. High Pressure switch five volts on gray ground on black and.4 on red when plugged in. A/C request says Granted. Fuses and relays are good. I jump the relay and the compressor clicks on. I have both powers at relay on and ground from compressor side but no ground from PCM.








