Saturday, July 8th, 2017 AT 5:43 AM
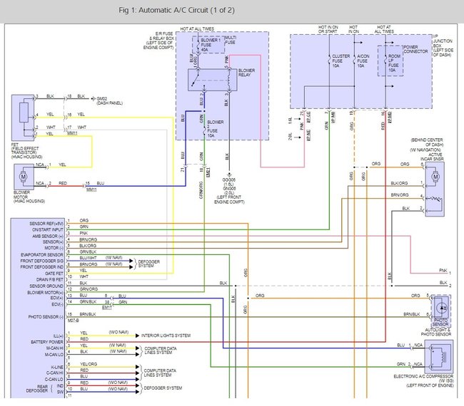
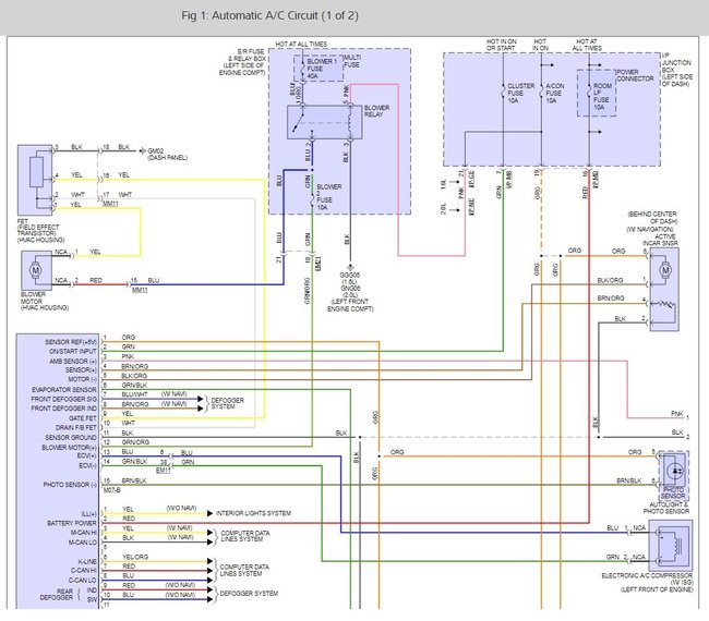
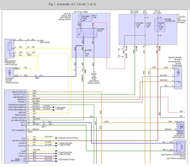
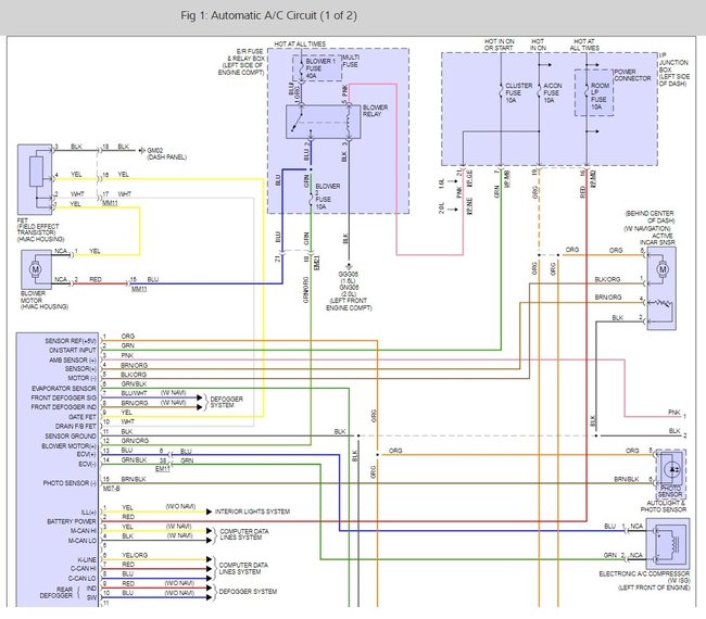
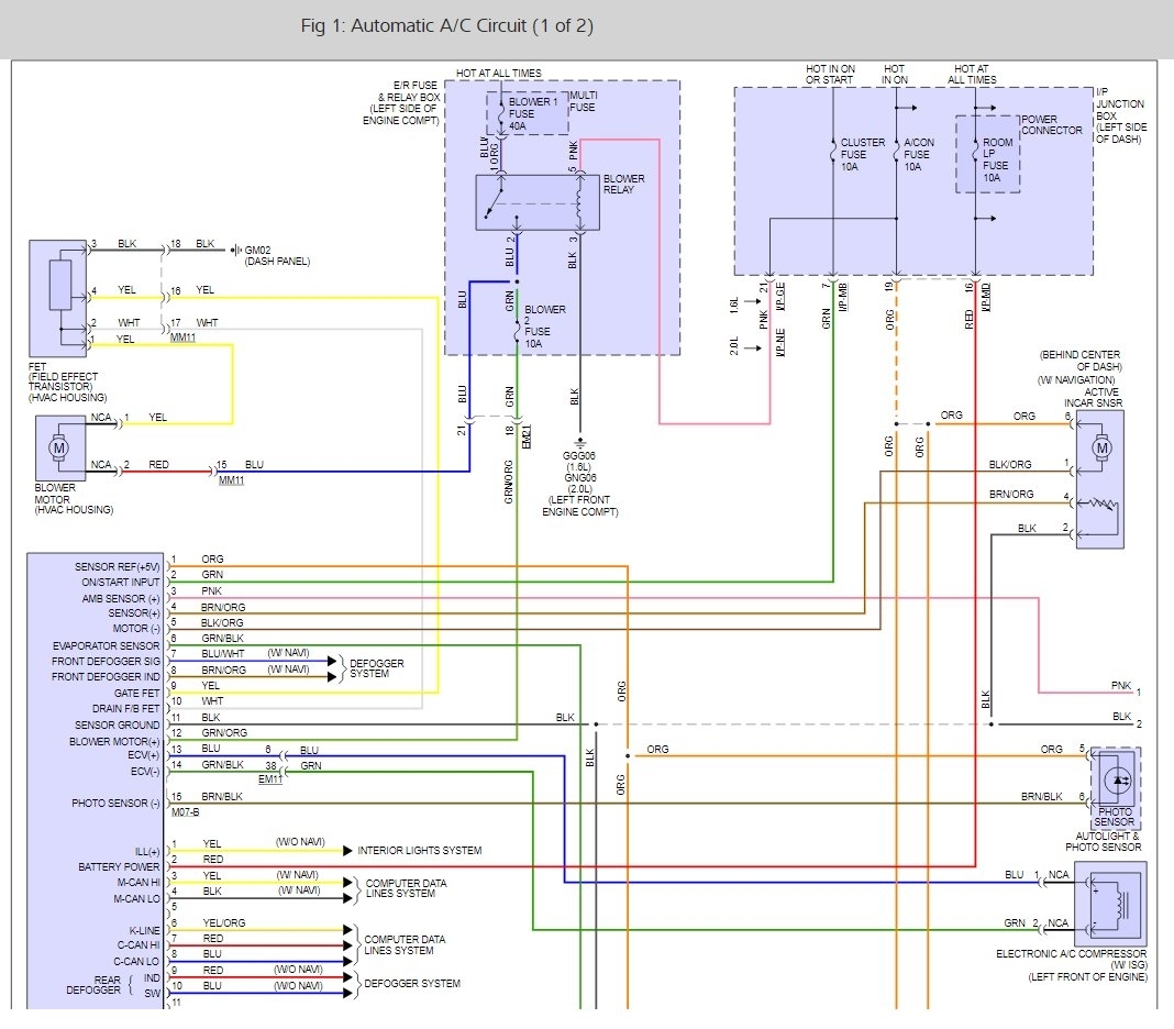
No air is coming out of the vents. The compressor is working, but there is no air. I changed the blower motor, still nothing. I thought it could be the resistor, bought a new one put it on and still nothing. I do not know what else it could be. The fuses are fine but the blower just does not turn on.






