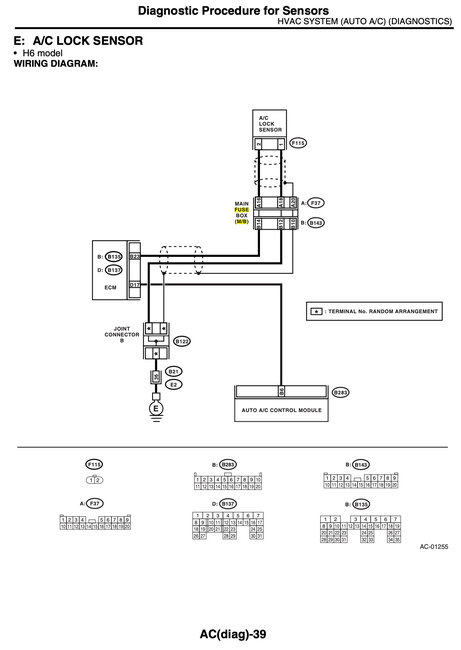
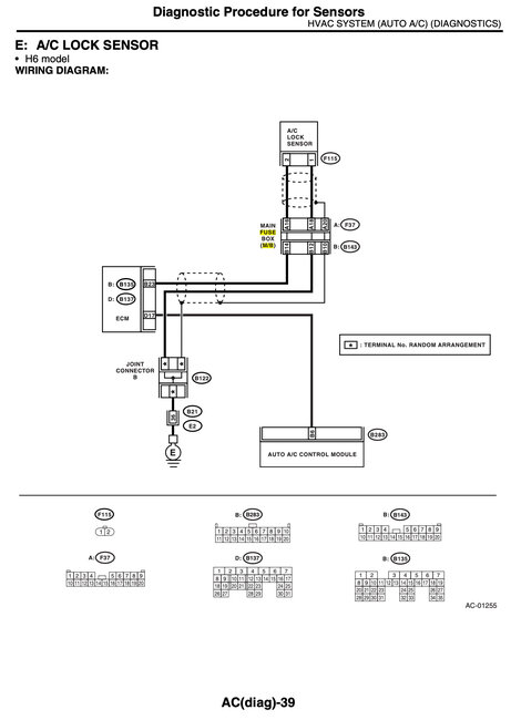
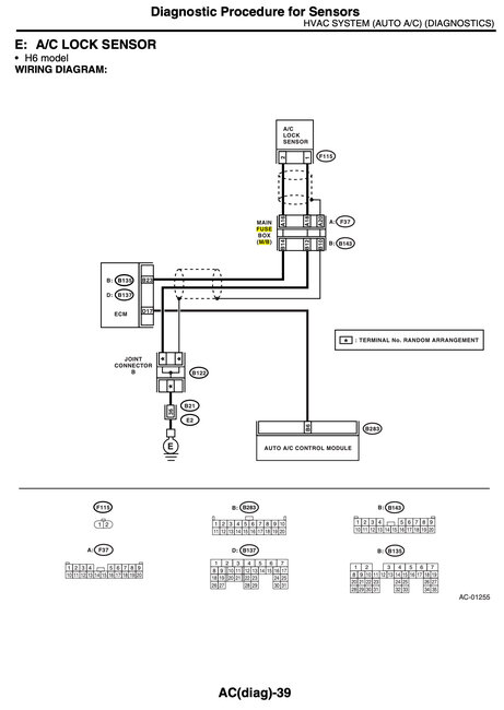
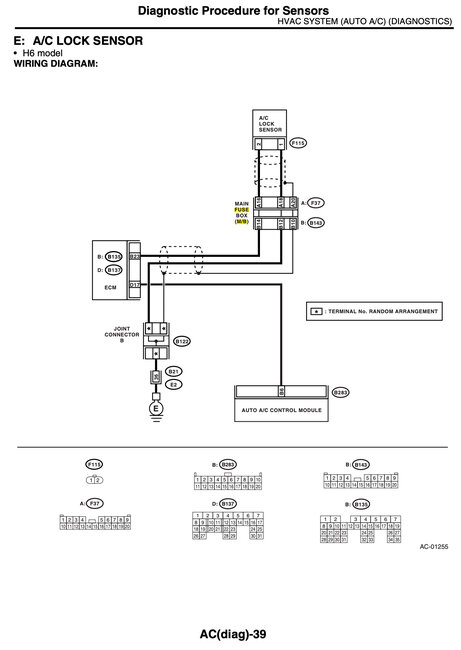
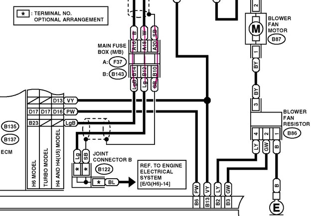
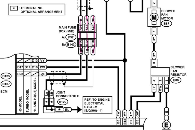
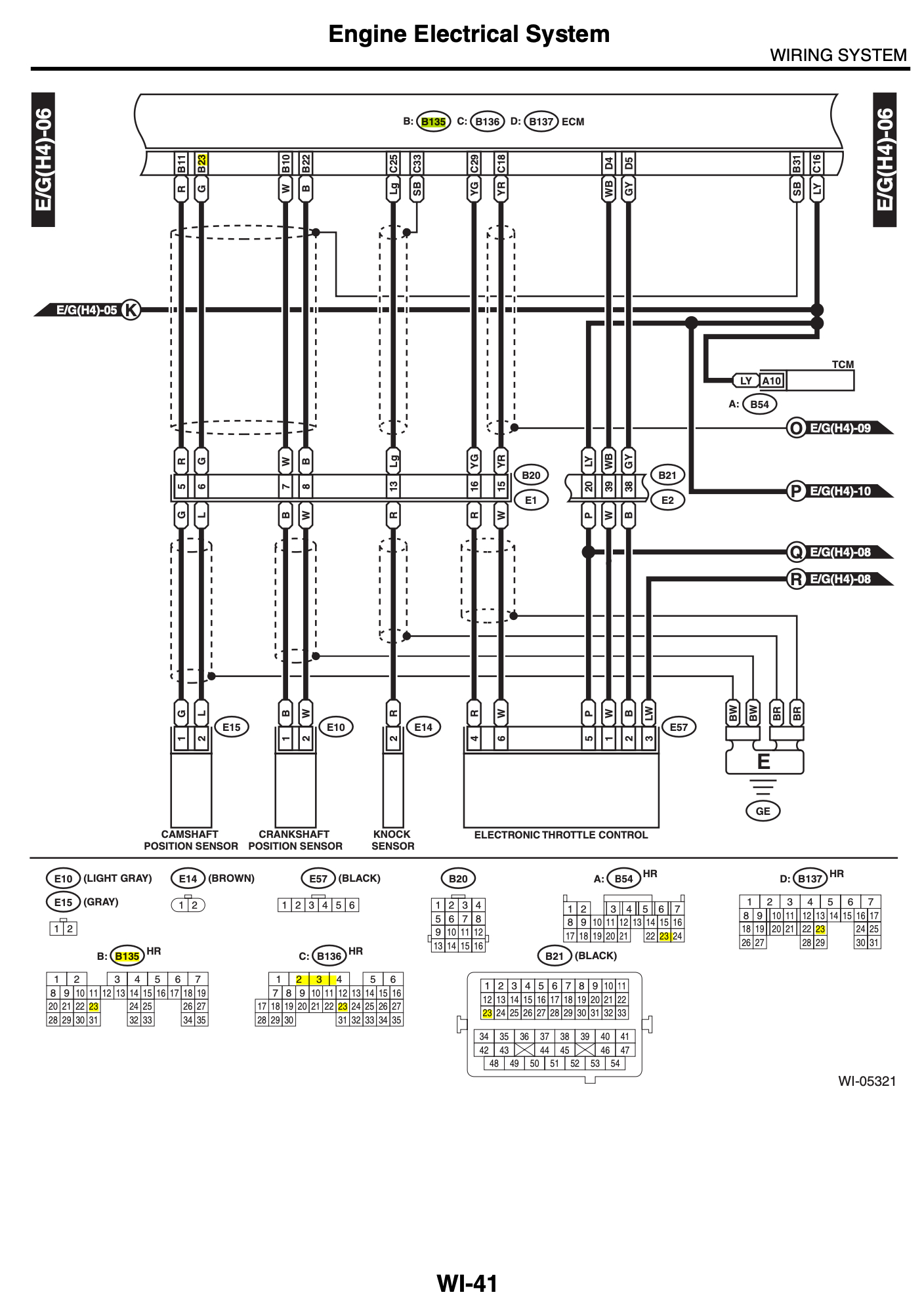
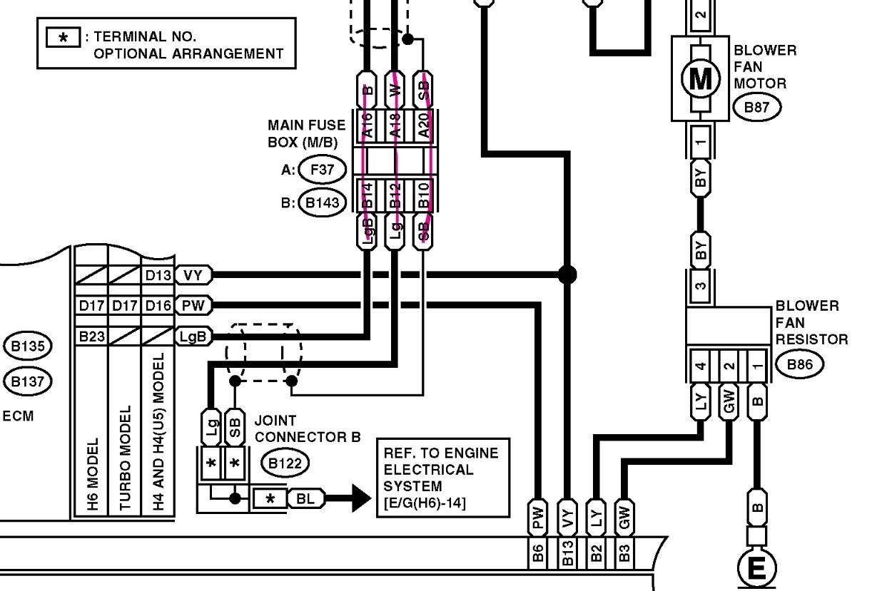
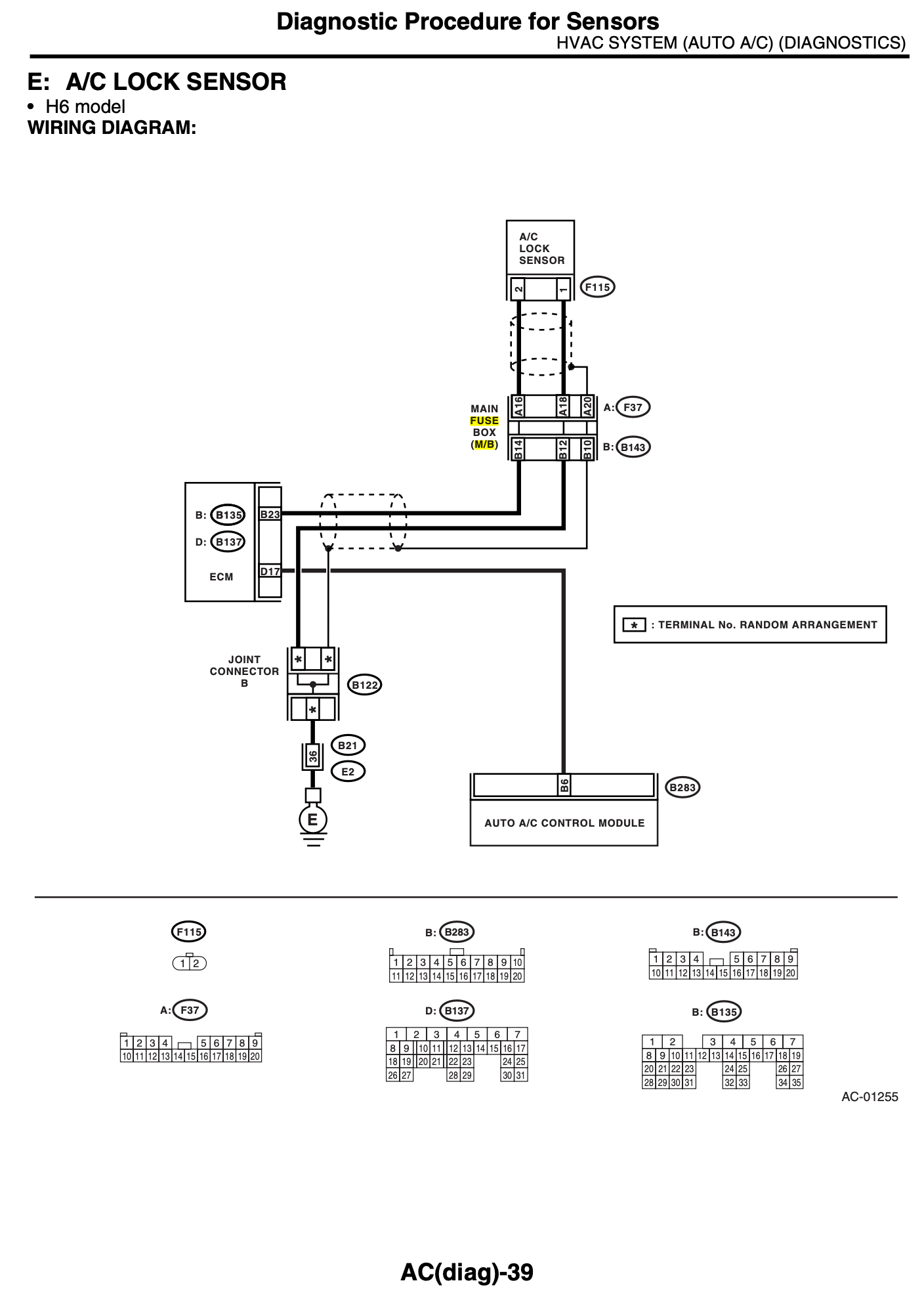
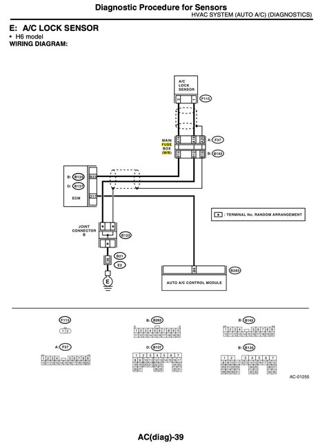
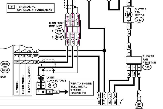
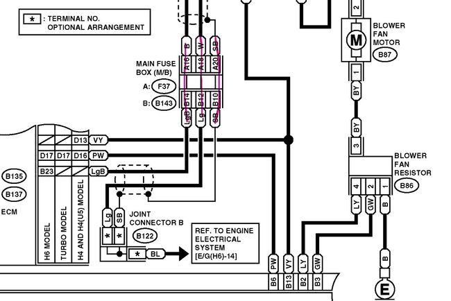
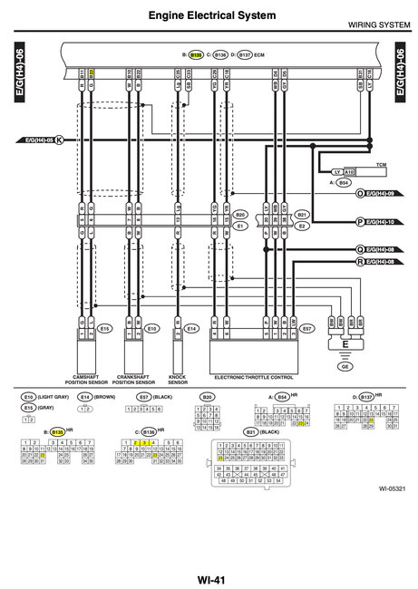
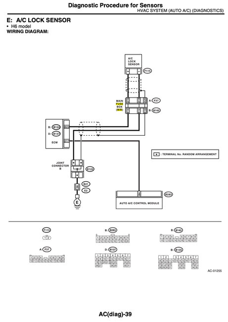
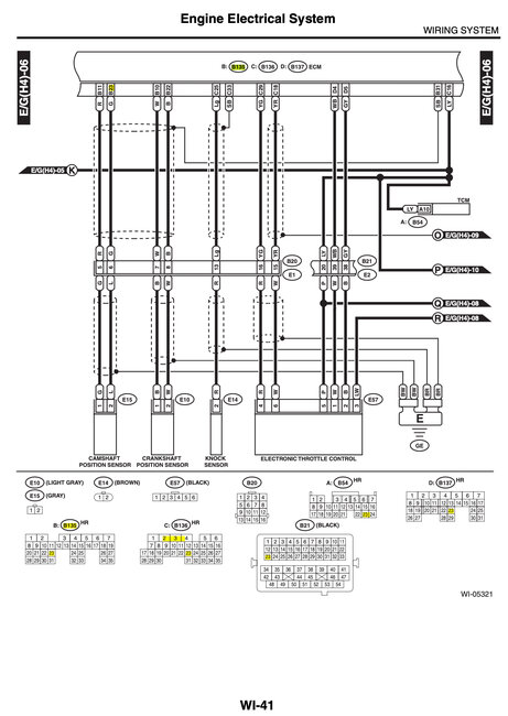
I've attached the terminal assignments for the AC Control Module
A few items I'm noticing after previous tests:
1. Interior Temp Sensor power supply shows 3.5v (should be approx. 5v) - (B282) 5 to 15
2. Evap Sensor power supply shows 3.5v (should be approx. 5v) - (B282) 13 to 15
*Could this be an issue?
**Is it worth looking at the (i3/B38) 11 connector for a short?
Versus:
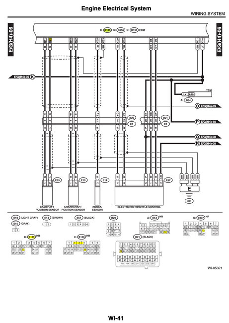
3. Mode Door and Air Mix actuators showing 5v (B282) 8 to 15
4. Mode Door actuator power supply cuts out: 10v down to 0.5v
(B283) 7 to Chassis GND & (B283) 17 to Chassis GND
5. Air Mix actuators power supply cuts out: 10v down to 0.5v
(B283) 8 to Chassis GND & (B283) 18 to Chassis GND - Passenger Side
(B283) 9 to Chassis GND & (B283) 19 to Chassis GND - Driver's Side
*Is this normal operation?
Was this helpful?
Yes
No
Wednesday, May 10th, 2023 AT 6:47 AM











