I have a problem with A/C compressor clutch not engaging. A/C button turns on normally when you push it but the compressor does not engage.
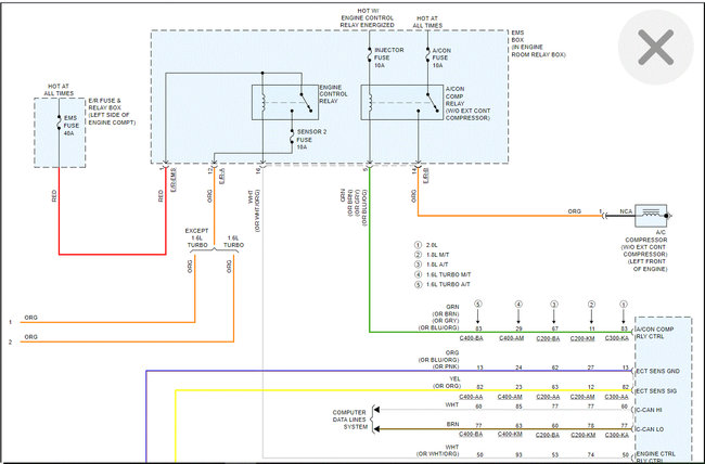
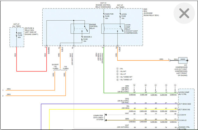
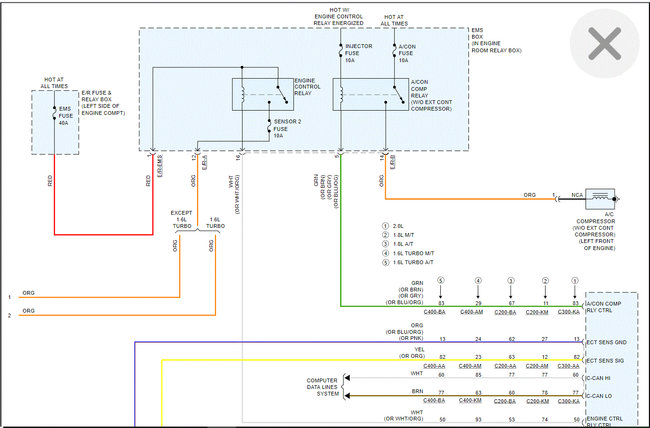
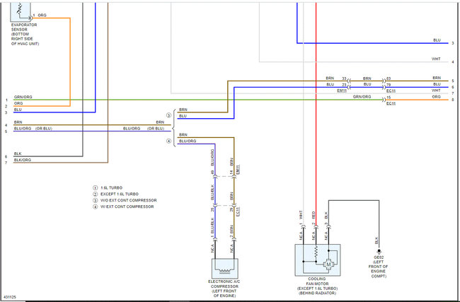
I did some measuring and discovered that A/C clutch relay under the bonnet does not turn on. I've checked the relay itself and it does work. I discovered that one of the relay coil contact is constant 12V and the other, which should be GND to engage the relay, is 3V all the time, no matter of the A/C button state. So I assume something is wrong with the circuitry that controls the A/C relay. Probably bad transistor or something.
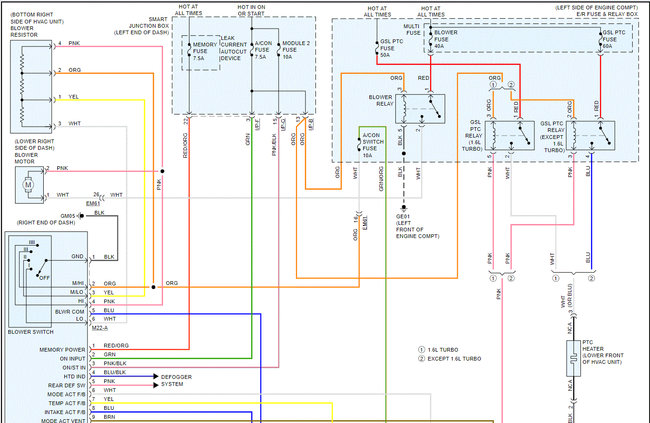
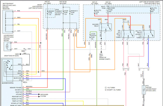
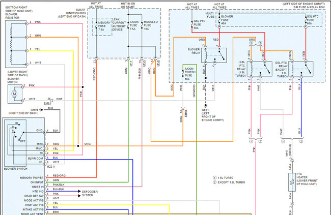
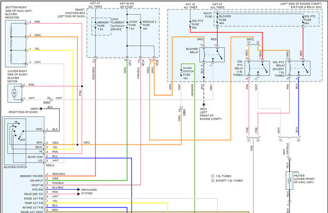
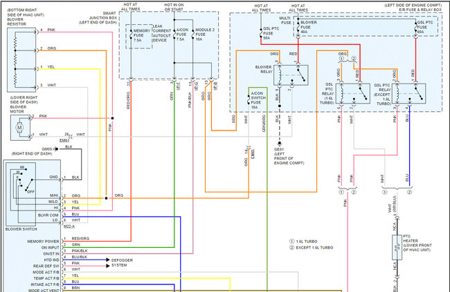
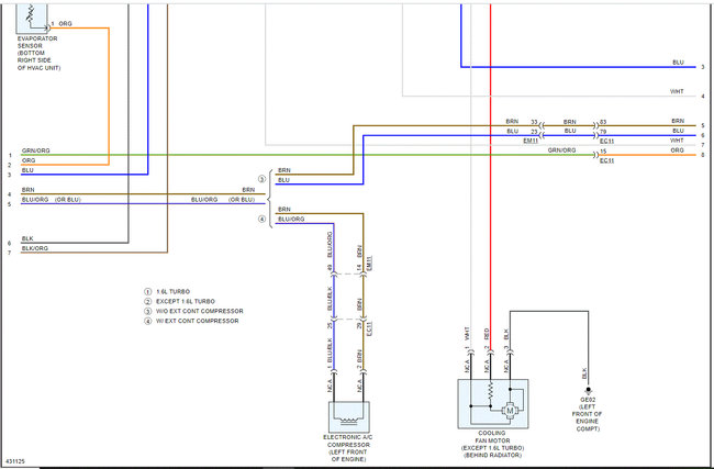
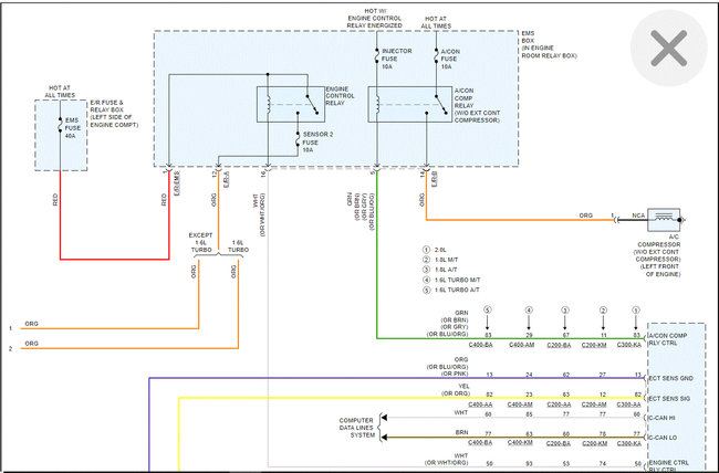
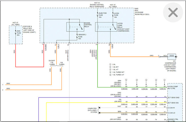
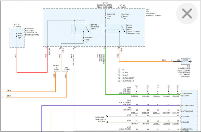
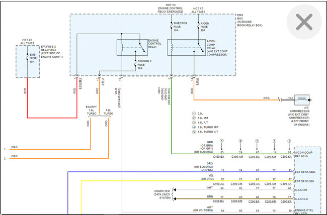
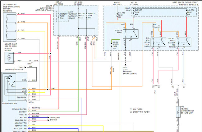
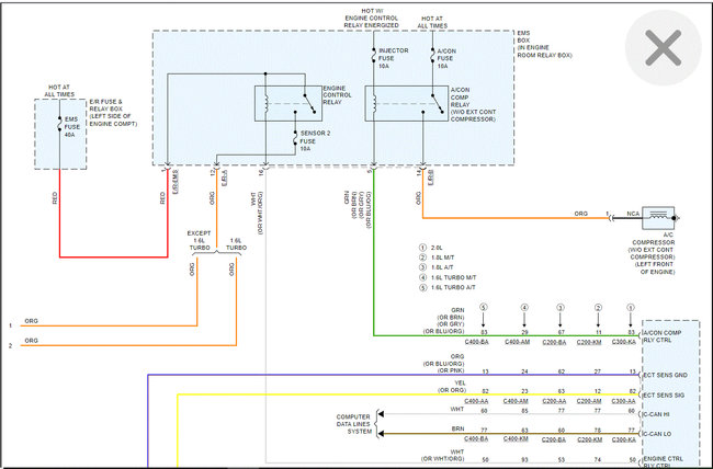
Do you perhaps have a wiring diagram for this? I would like to know where this relay wire is connected to, to which control module.
I am an electrical engineer so my goal is to repair it myself. The car is Kia Ceed 2014.
Your help is much appreciated.
Thank you!
Best regards,
Matic
Monday, April 5th, 2021 AT 12:29 PM







