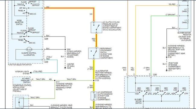
Friday, June 7th, 2019 AT 3:35 PM
A/C not working. Vacuum was replaced. System pressure is good, no leaks. So with clutch not engaging. What could it be a switch or relay?



