Saturday, May 13th, 2023 AT 5:47 PM
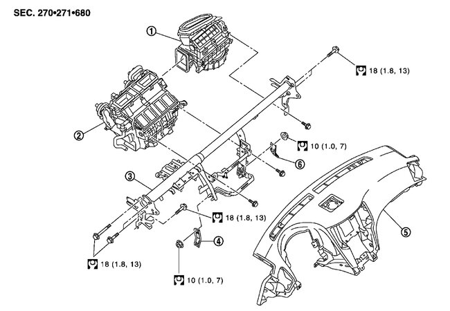
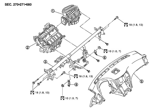
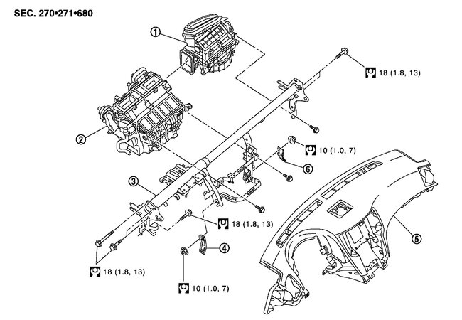
I was having problems with my A/C only blowing through the bottom vents at the feet. I have replaced all actuators and still only blows at bottom vents. What's the next step I should take into solving this problem?





