A/C door piece for selection

Tiny
ONTHEROCKS2U
  • MEMBER
  • 1997 PONTIAC GRAND PRIX
  • 3.8L
  • V6
  • 2WD
  • AUTOMATIC
  • 120,000 MILES
I have it all a part (for the most part) I should see the old door activator motor but all I see is a vacuum thing that might move the actual door. It's that possible?
Saturday, July 11th, 2020 AT 2:38 PM

10 Replies

Tiny
STEVE W.
  • MECHANIC
  • 15,704 POSTS
That car uses vacuum controlled doors as well as electric. The electric motors are used in the automatic dual temperature controls and move the left and right blend doors. If you have manual controlled heat and A/C there is only a single motor that controls both sides with the rest vacuum controlled.
Was this
answer
helpful?
Yes
No
Saturday, July 11th, 2020 AT 6:41 PM
Tiny
ONTHEROCKS2U
  • MEMBER
  • 9 POSTS
Okay, thank yes this help. Now I just got to find the darn thing. Can't see it to replace it. Grrrr
Was this
answer
helpful?
Yes
No
Sunday, July 12th, 2020 AT 4:53 AM
Tiny
STEVE W.
  • MECHANIC
  • 15,704 POSTS
It is on the front side of the HVAC case, you need to pull the dash out to get to it, then in a manual A/C car it will be on the left hand side if you have the dual zone there will be one on each side. What is the actual problem you are having? The electrical motors only control temperature. Defrost-vents-floor control is vacuum as is the recirculate.
Was this
answer
helpful?
Yes
No
+1
Sunday, July 12th, 2020 AT 7:19 PM
Tiny
ONTHEROCKS2U
  • MEMBER
  • 9 POSTS
Yes just a single control. The air is not going to selected location. Just can't seem to find said motor to replace with new in hanf.
Was this
answer
helpful?
Yes
No
Monday, July 13th, 2020 AT 3:31 AM
Tiny
STEVE W.
  • MECHANIC
  • 15,704 POSTS
Okay, if you mean that you select the dash vents and the air doesn't go there, that is a vacuum unit, not electric. Same if you mean you select floor or defrost and those both don't work, I say both because they are separate doors but the vacuum actuator for them is a single part that moves a linkage to move the two doors.
The electric units only control hot and cold air temperatures.
The one you have in your picture is the recirculate door actuator.

The one that selects the vents is the bi-level actuator, it should be visible if you remove the panel over the drivers foot well and look up onto the side of the HVAC case under the dash.

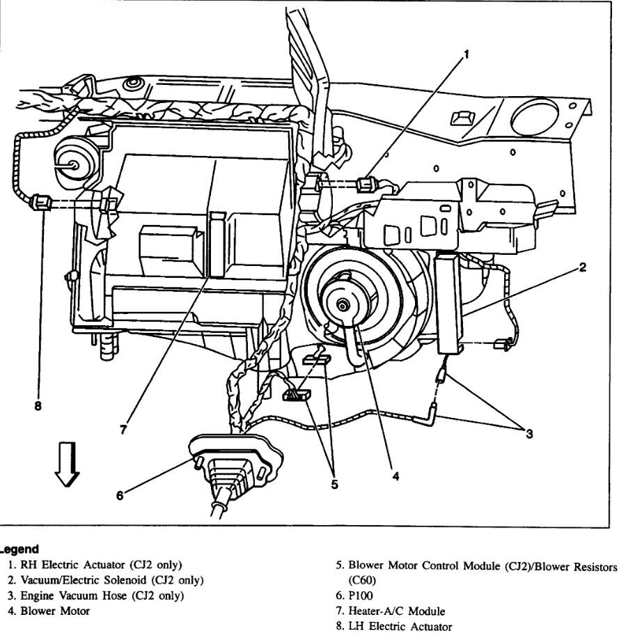
This is all the service info shows on it:

1. Left side instrument panel insulator.
2. Instrument panel steering column opening filler.
3. Instrument panel driver knee bolster bracket.
4. Aspirator duct from inside air temperature sensor and reposition.
5. Cut tie strap that is on the back side of the mode valve vacuum actuator.
6. Vacuum lines from mode valve vacuum actuator.
7. Mode valve from module, by unsnapping case joint.

In the image below you should not have items 1 and 2 but the rest should be there.
Was this
answer
helpful?
Yes
No
+1
Monday, July 13th, 2020 AT 5:53 AM
Tiny
ONTHEROCKS2U
  • MEMBER
  • 9 POSTS
Yes, that's is it. It does blow cold and hot just not in the right places on dash. Darn bought the wrong part then. Glad to know now it's vacuum.
Was this
answer
helpful?
Yes
No
Monday, July 13th, 2020 AT 12:36 PM
Tiny
ONTHEROCKS2U
  • MEMBER
  • 9 POSTS
So this part of problem. Thank you will keep you updated.
Was this
answer
helpful?
Yes
No
Monday, July 13th, 2020 AT 6:13 PM
Tiny
STEVE W.
  • MECHANIC
  • 15,704 POSTS
That one is the heat/defrost control, at least the hoses are the correct color. It should have linkage to move the door at the bottom and top of the HVAC to operate either defrost or floor airflow. There should be another unit with blue and brown hoses that opens the dash vents and a third that has just an orange line which operates the recirculate door.
Was this
answer
helpful?
Yes
No
+1
Monday, July 13th, 2020 AT 8:03 PM
Tiny
ONTHEROCKS2U
  • MEMBER
  • 9 POSTS
Fixed it! I did find the temperature thing, and that was not it. It had to be the selector or vacuum and it was a vacuum line came disconnected that was under washer fluid holder.

Thanks for all your help. And the cool thing is I learned a few new things.
Was this
answer
helpful?
Yes
No
Wednesday, July 29th, 2020 AT 3:24 PM
Tiny
STEVE W.
  • MECHANIC
  • 15,704 POSTS
Great job. Yeah there are times that it takes 30 seconds to do the repair and 2 days to hunt down the problem. Thank you for using 2CarPros.
Was this
answer
helpful?
Yes
No
+1
Wednesday, July 29th, 2020 AT 5:40 PM

Please login or register to post a reply.