Where is the A/C compressor relay located?

Tiny
JOHNLEHNE
  • MEMBER
  • 2007 NISSAN MURANO
  • 3.5L
  • 6 CYL
  • 4WD
  • AUTOMATIC
  • 254,000 MILES
Hello, I am trying to find the location of the A/C relay for my vehicle listed above, any ideas? My compressor has been tested but the clutch is not engaging when on and the blower motor fan is working fine so I am thinking it is the relay.
Monday, August 2nd, 2021 AT 8:19 PM

3 Replies

Tiny
JACOBANDNICKOLAS
  • MECHANIC
  • 110,192 POSTS
Hi,

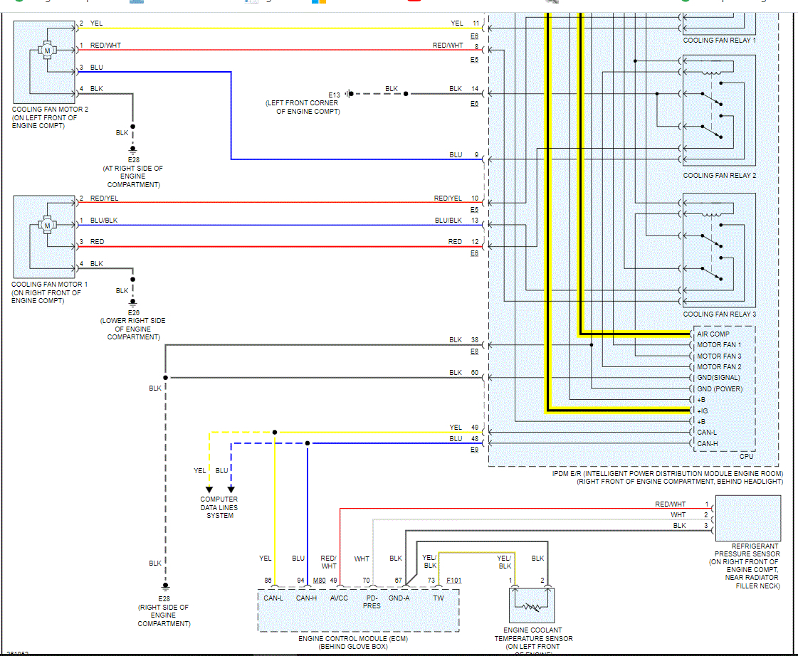
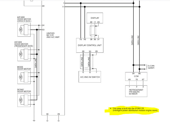
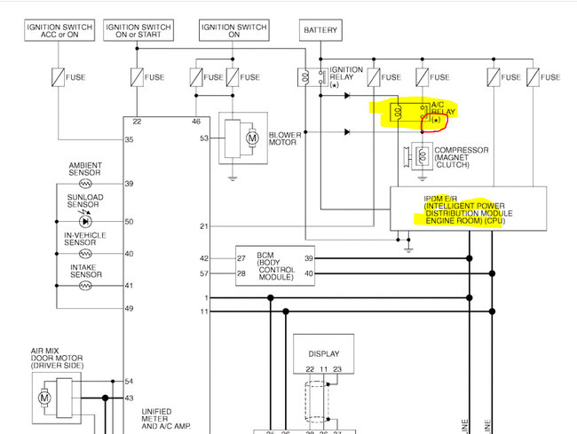
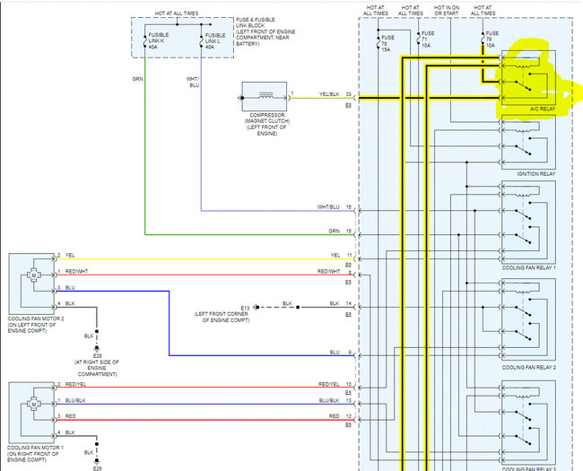
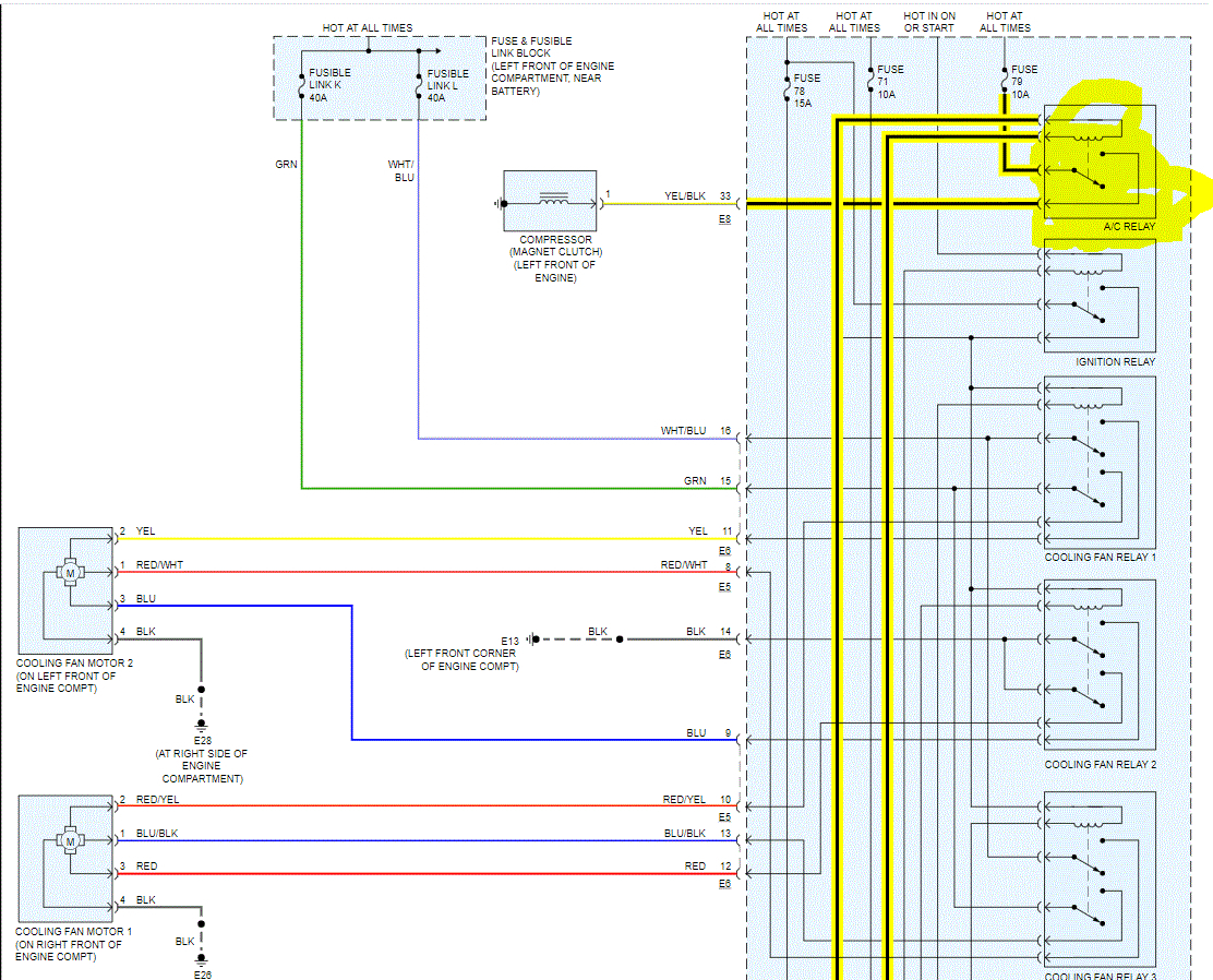
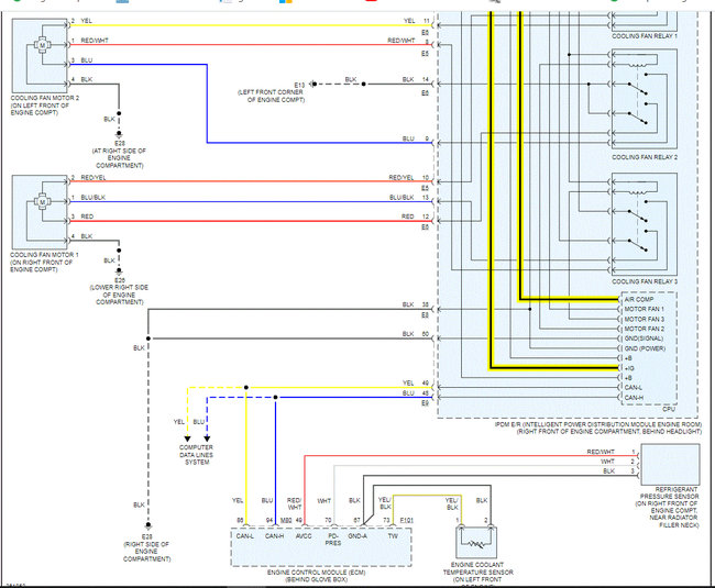
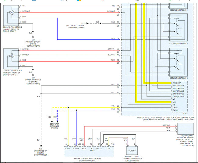
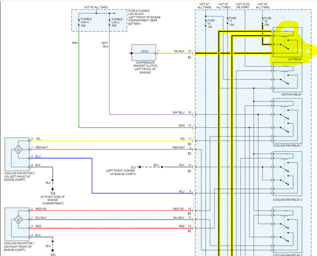
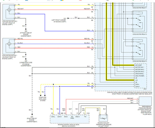
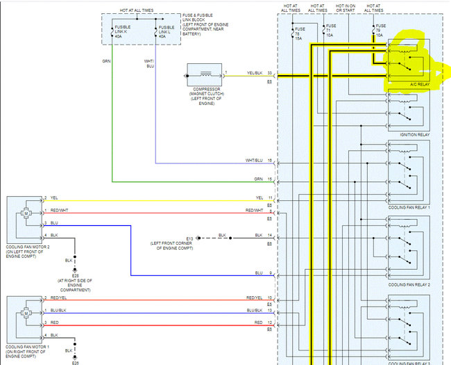
It's located in the IPDM (intelligent power distribution module) under the hood, front, passenger side. See pic 1 below.

Additionally, note there is a fuse that powers the relay. It is fuse 79. Check the fuse and confirm there is power to and from it. Here is a link to help:

https://www.2carpros.com/articles/how-to-check-a-car-fuse

As far as the relay, here is a link that explains how to test one.

https://www.2carpros.com/articles/how-to-check-an-electrical-relay-and-wiring-control-circuit

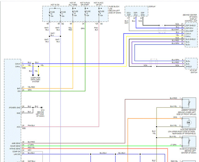
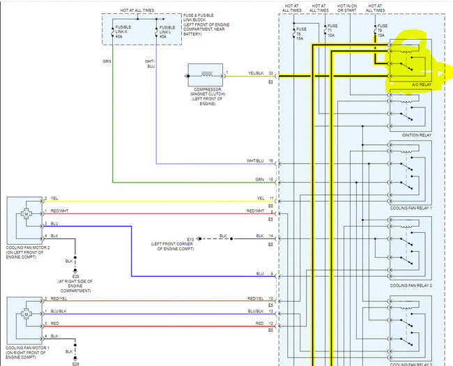
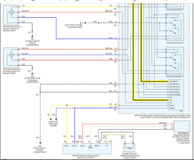
I also attached the entire wiring schematic for the A/C system. There were two pages. I had to cut each one in half to make them readable for you. I did overlap them so you can follow from one to the next. I also highlighted the relay, fuse, and wires related to the relay.

I hope this helps. Let me know what you find or if you have other questions.

Take care,

Joe

See pics below.

Was this
answer
helpful?
Yes
No
+1
Monday, August 2nd, 2021 AT 10:08 PM
Tiny
JOHNLEHNE
  • MEMBER
  • 2 POSTS
Hi Joe,

Thank you for your information, it is helpful. I am able to follow your schematic to a point I see where you have highlighted the relay but still having trouble identifying which relay is for the A/C compressor? The fuse is getting power and the fuse is good. I had also gotten some information that it is actually located inside of the IPDM unit and is non-serviceable? Can I send you a pic of the IPDM so you can point out which one it is? Thanks again for the help!
Was this
answer
helpful?
Yes
No
-1
Wednesday, August 4th, 2021 AT 6:13 PM
Tiny
JACOBANDNICKOLAS
  • MECHANIC
  • 110,192 POSTS
Hi,

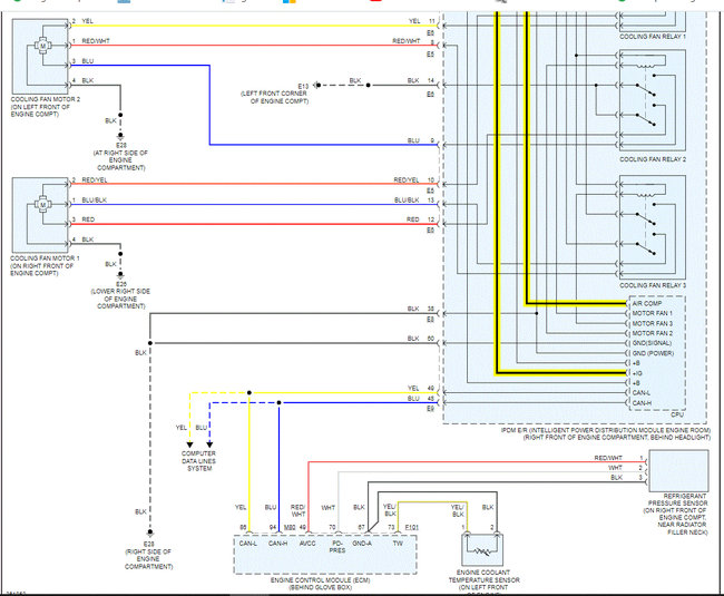
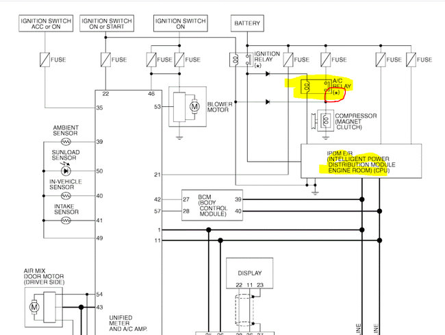
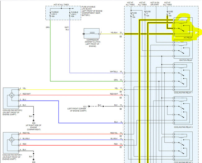
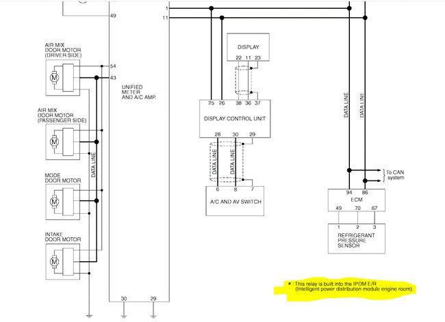
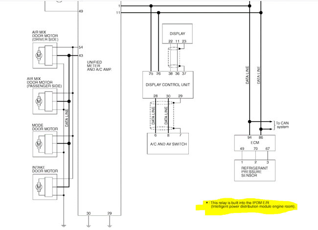
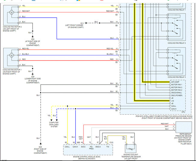
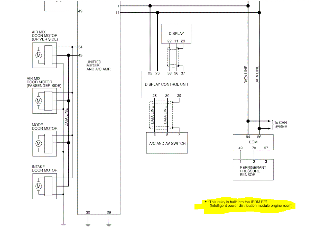
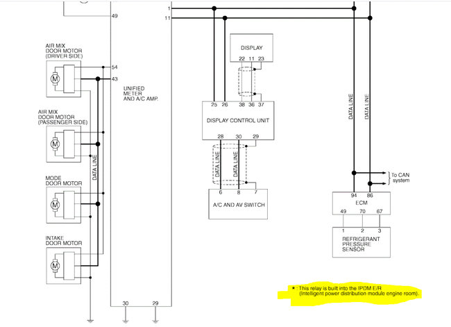
I pulled up the manufacturer's schematic related to the relay. It is built into the IPDM and non-serviceable.

I attached the schematics below and highlighted the info.

I reread your original post. Are you sure the compressor clutch isn't bad? Have you checked to see if there is power to it? The compressor receives power via a yellow wire with a black tracer. Have you checked that?

Also, you mentioned the compressor was tested. Did they happen to tell you the high and low pressure readings?

Is the check engine light staying on when the engine is running because there are different things that will turn the compressor off if there is a fault. For example, if there is a misfire, it will shut the compressor down.

Let me know.

Joe

See pics below.
Was this
answer
helpful?
Yes
No
+1
Wednesday, August 4th, 2021 AT 9:47 PM

Please login or register to post a reply.