Saturday, July 22nd, 2023 AT 10:40 AM
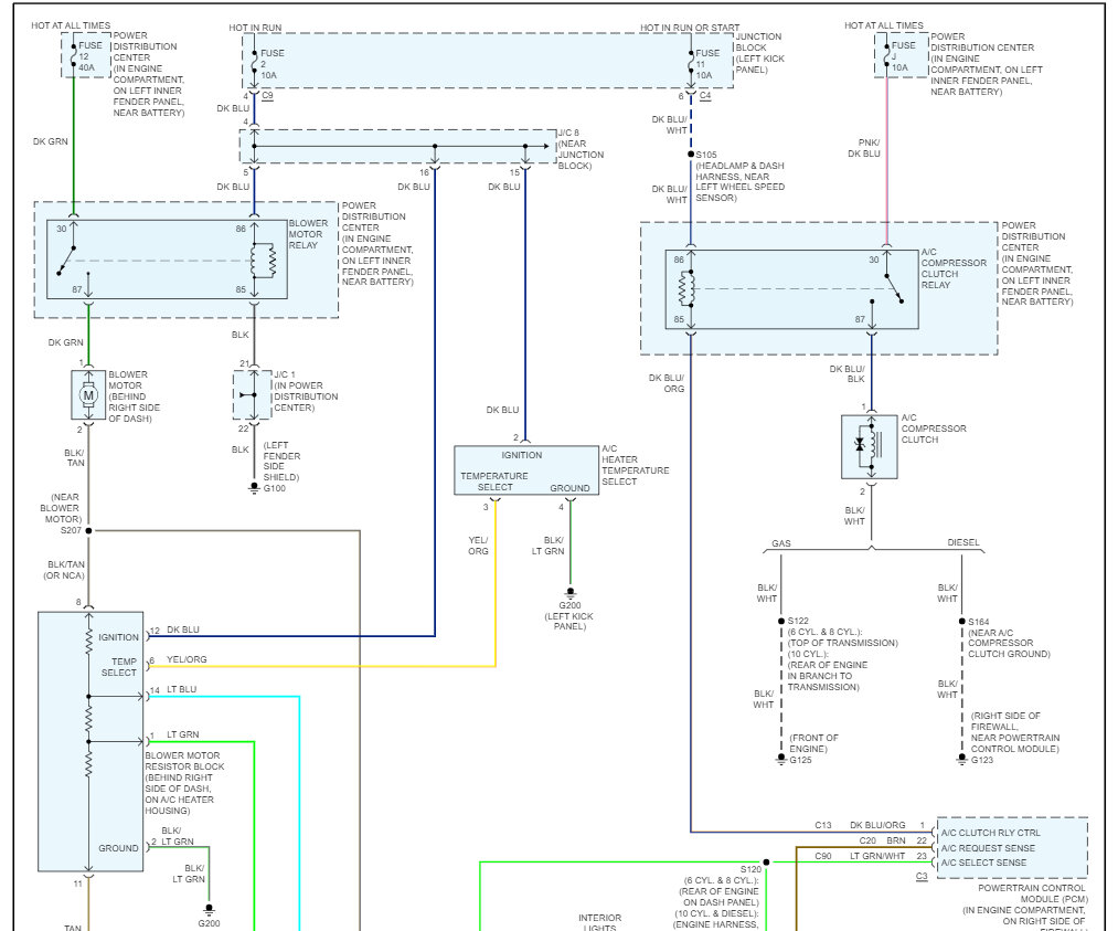
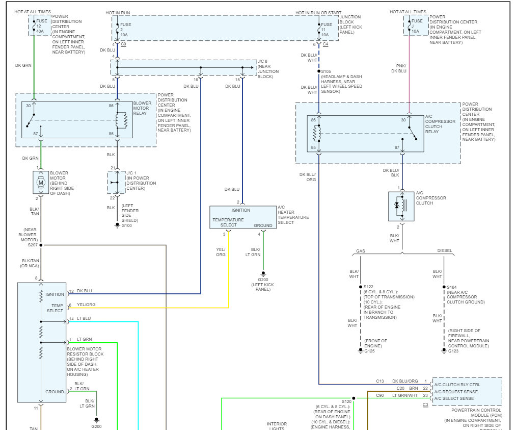
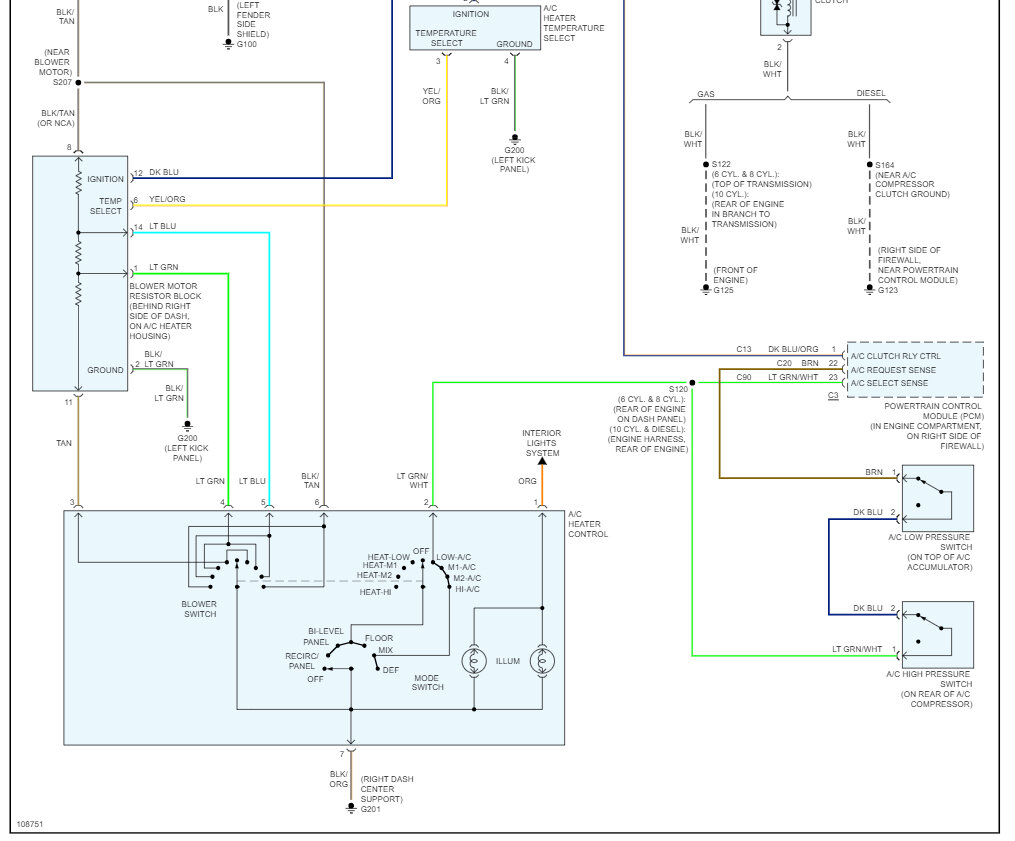
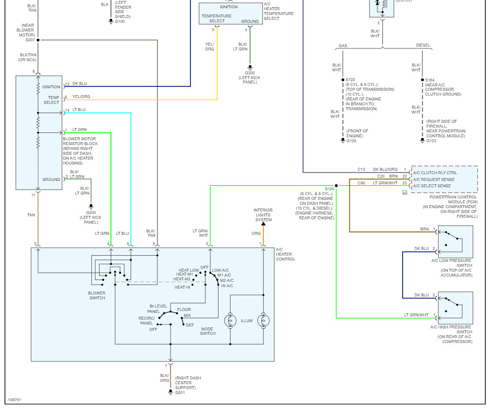
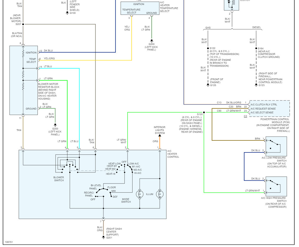
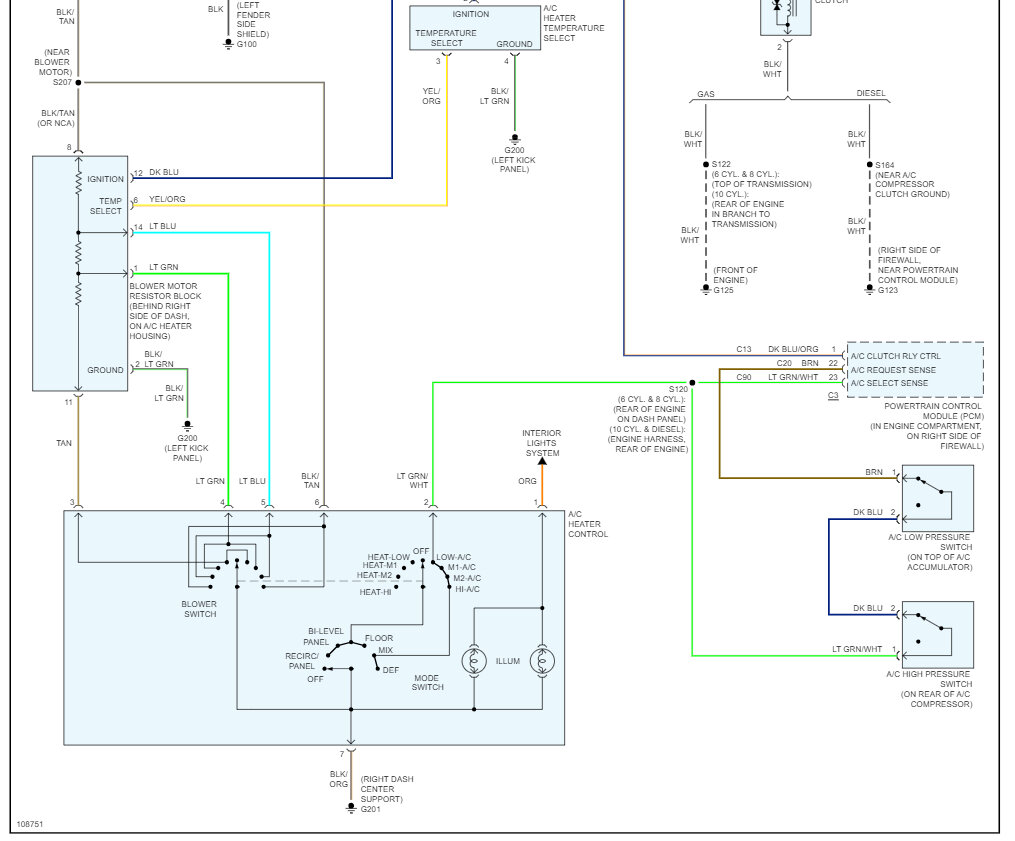
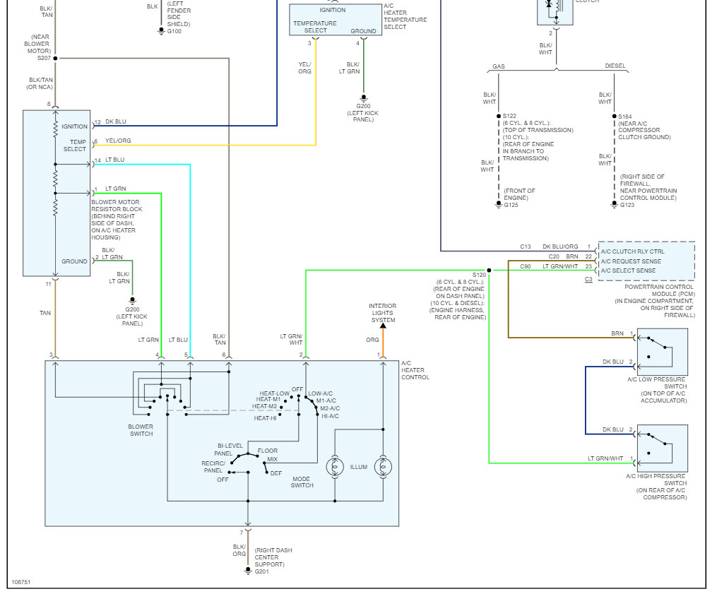
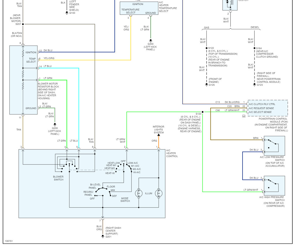
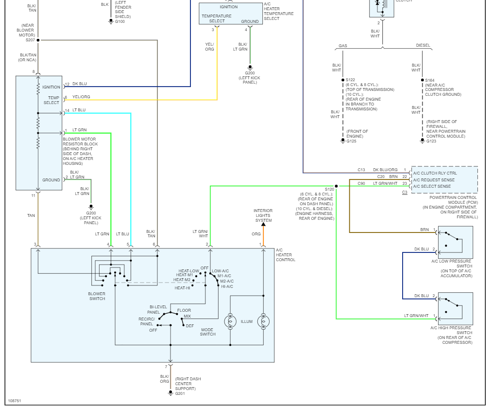
A/C compressor will not engage the clutch. The system is full. I do not have power going to the compressor, only ground. The A/C relay does not click, tried the horn relay and still nothing. Tried jumping 86 and 87 and nothing happens still. I also noticed that both 86 and 85 are grounded and I'm pretty sure 86 is supposed to be power.





