Friday, June 17th, 2022 AT 6:37 PM
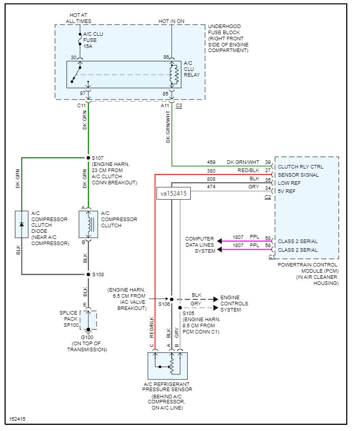
Okay so, I had to replace my condenser. A/C hasn't worked since the end of last summer simply because I haven't felt like fooling with it until now, to be honest. Well, I got it in today and got everything tight and right. I went to charge the system with a DIY can of A/C PRO, and the clutch absolutely would not spring to life. So, I swapped out relays to see if that may be the problem and it still didn't work. I ended up making a little jump wire and got the clutch to work, but that is the only way it will work. So, my question is, what is not commanding the clutch to come on? Is it a pressure switch? Or is it something in the ECM or BCM not commanding it on? I seriously have to get the A/C working in this car, it's my wife's car and my 4-year-old daughter has to ride in it sometimes and our heat index has been 110 the last 3 days in a row! Please help!






