A/C clutch stopped working?

Tiny
CFRUSH1
  • MEMBER
  • 2003 LINCOLN TOWN CAR
  • 4.6L
  • V8
  • 2WD
  • AUTOMATIC
  • 79,000 MILES
A/C clutch just quit cycling and does not engage.
The compressor spins by hand.

Is there a way I can check it?

Thank you,
Charlie
Thursday, October 5th, 2023 AT 2:19 PM

5 Replies

Tiny
JACOBANDNICKOLAS
  • MECHANIC
  • 110,192 POSTS
Hi,

There could be a couple of different causes. First, if the system is low on Freon, the compressor won't engage. Also, have you checked to see if there is power to the compressor clutch when the system is requested?

Here is what I suggest: First, confirm there is adequate freon in the system.

Here is a link that explains how to add freon:

https://www.2carpros.com/articles/air-conditioner-how-to-add-freon

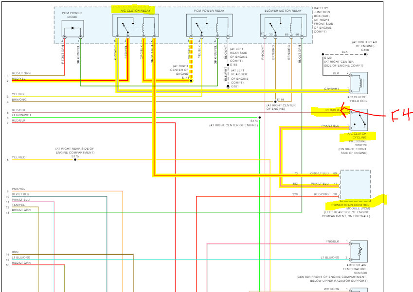
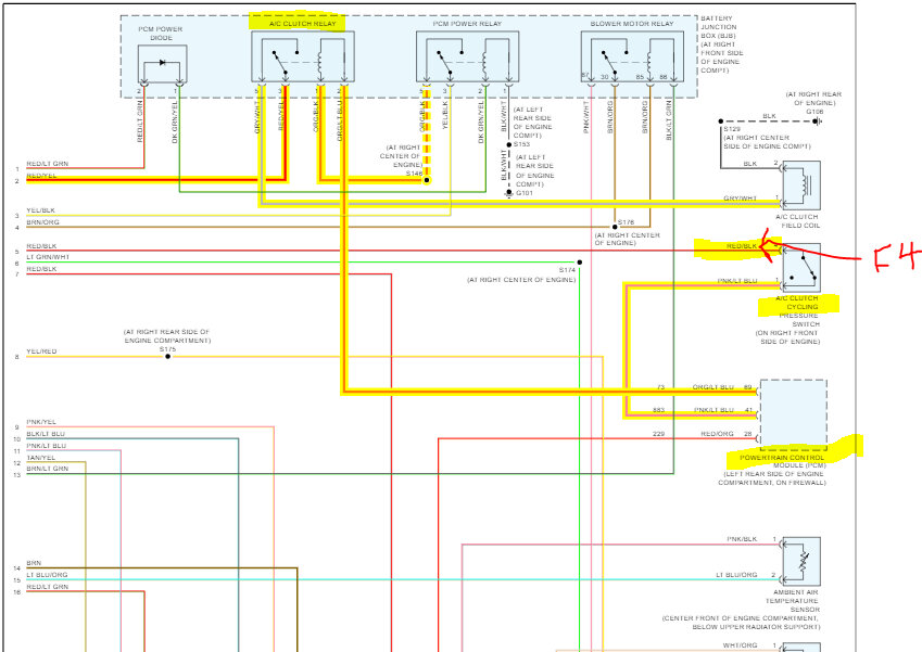
If you find that is not the issue, I attached a wiring schematic below showing the HVAC circuits. I highlighted the relevant wiring.

Conform both fuses 6 and 14 are good in the central junction box in the vehicle. Check for power to and from the fuses as well.

Here is a link you may find helpful:

https://www.2carpros.com/articles/how-to-check-a-car-fuse

If the fuses are good, go to the compressor and locate the gray wire with a white tracer. With the A/C turned on, very carefully check to see if that wire has power.

Let me know what you find.

Take care,

joe

See pics below. Note: In pic 3 below, by accident, I wrote F4. I meant to say F6 (fuse 6).
Was this
answer
helpful?
Yes
No
Thursday, October 5th, 2023 AT 6:48 PM
Tiny
CFRUSH1
  • MEMBER
  • 73 POSTS
Hi Joe,

The clutch engages now and I did not do anything.
This has happenned off and on during the summer.

Maybe a loose connection?

Thank you,
Charlie
Was this
answer
helpful?
Yes
No
Friday, October 6th, 2023 AT 11:20 AM
Tiny
CFRUSH1
  • MEMBER
  • 73 POSTS
Hi Joe,

Just went to the store A/C was working when I was on my way.
After shopping it was not working again. 100 degrees outside.

Any ideas?
Thanks, Charlie
Was this
answer
helpful?
Yes
No
Friday, October 6th, 2023 AT 3:42 PM
Tiny
JACOBANDNICKOLAS
  • MECHANIC
  • 110,192 POSTS
Hi,

Certainly, Charlie, it could be a connection issue. Have you had a chance to see if everything is tight, free of corrosion, and not damaged? Also, if possible, switch the compressor relay with a different one in the box having the same part number to see if it changes things.

On the other hand, we may simply have a clutch/coil that is weak and affected by the heat. If possible, check the gray wire with a white tracer at the compressor clutch to see if there is power present when you have the A/C on, and the compressor isn't engaging.

Also, if the temperatures are that high, the low and high pressures are going to be high as well. If the system was overcharged or PAG oil was added, that can prevent it from working as well. Considering it worked when you first drove it and not on the way home leads me to think it may be heat-related. In that case, we need to check both the high and low-pressure sides of the system to see where we are.

To check pressures, you will need an A/C manifold gauge set. I believe most parts stores will lend one to you.

Let me know what you find as far as power to the unit. Just be very careful when you do this. Keep away from the belt. If needed disconnect the gray/white wire and add a jumper wire so that you can access it without danger.

Take care,

Joe

See pic below.
Was this
answer
helpful?
Yes
No
Friday, October 6th, 2023 AT 8:40 PM
Tiny
CFRUSH1
  • MEMBER
  • 73 POSTS
Thank you, Joe,

I will let you know what happens.

Charlie
Was this
answer
helpful?
Yes
No
Friday, October 6th, 2023 AT 8:50 PM

Please login or register to post a reply.