A/C blower is not working?

Tiny
MAKANAKI007
  • MEMBER
  • 2011 TOYOTA CAMRY
  • 1.2L
  • 4 CYL
  • 2WD
  • AUTOMATIC
  • 55 MILES
I have checked all the fuses and the power is good. I checked the positive and the negative lights in the blower is active but not working.
Thursday, June 29th, 2023 AT 11:52 PM

3 Replies

Tiny
KEN L
  • MASTER CERTIFIED MECHANIC
  • 55,512 POSTS
Blower is active but not working. so, you can hear the blower working and there is no air coming from the vents? If so, it sounds like the mode actuator is not working.

Here is a guide to help and instructions on how to fix the problem in the images below:

https://www.2carpros.com/articles/low-or-no-air-flow-from-vents

Check out the images (below). Let us know what happens and please upload pictures or videos of the problem so we can see what's going on.
Was this
answer
helpful?
Yes
No
Friday, June 30th, 2023 AT 12:26 PM
Tiny
MAKANAKI007
  • MEMBER
  • 2 POSTS
The blower is not working.
Was this
answer
helpful?
Yes
No
Friday, June 30th, 2023 AT 12:31 PM
Tiny
KEN L
  • MASTER CERTIFIED MECHANIC
  • 55,512 POSTS
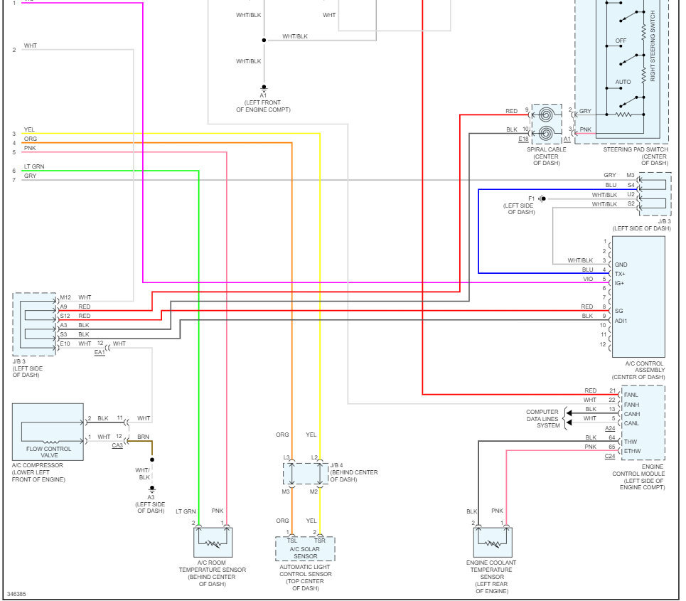
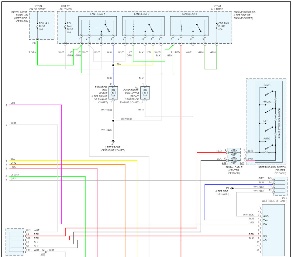
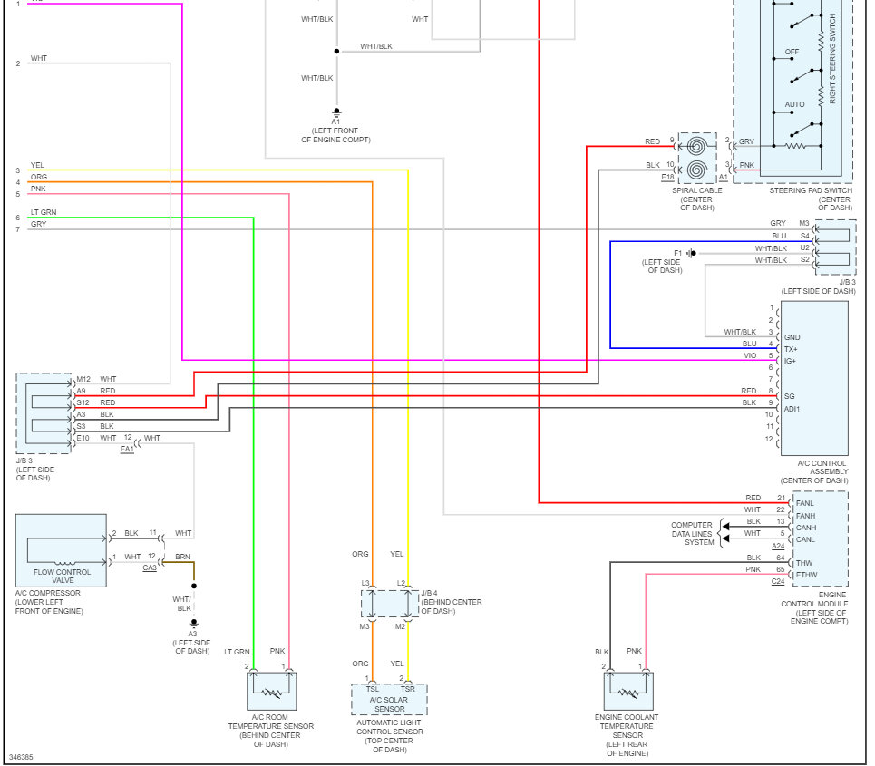
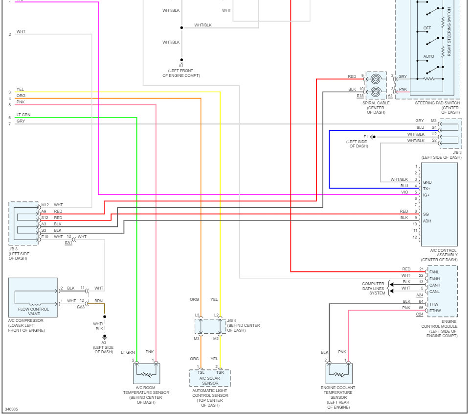
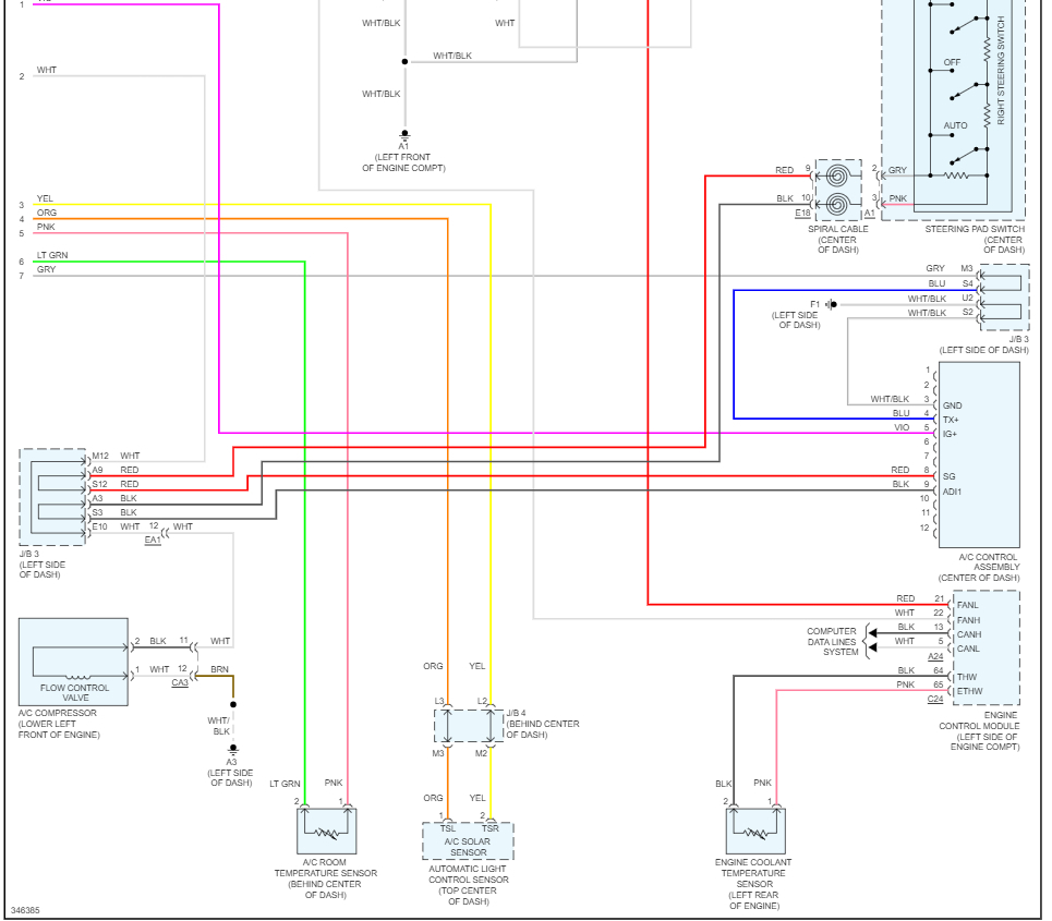
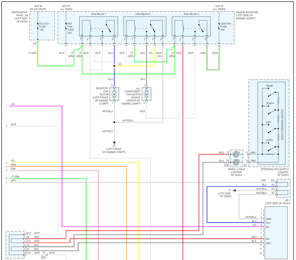
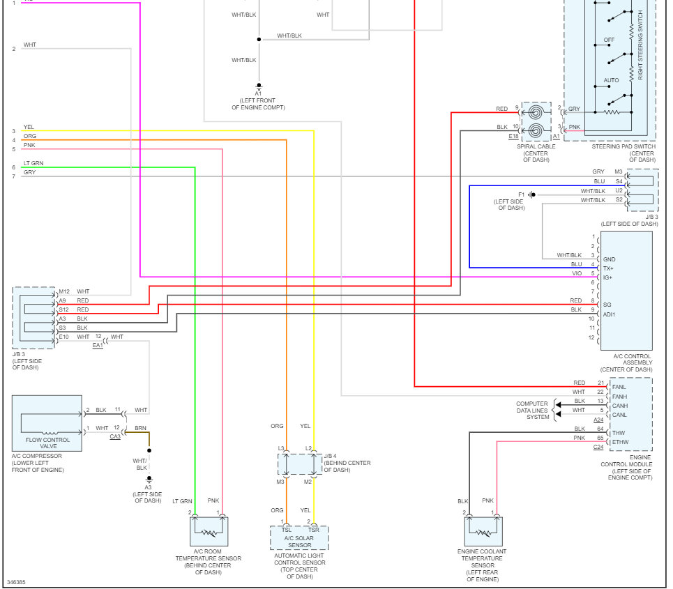
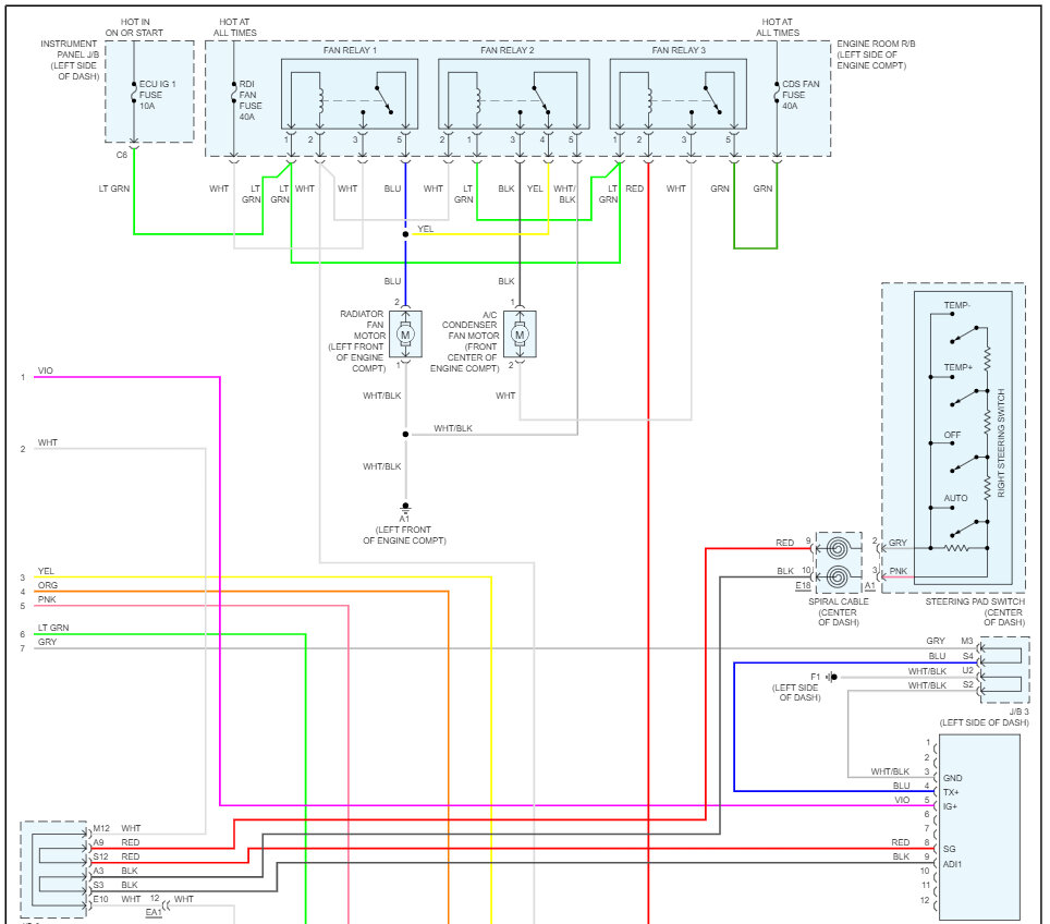
The blower is controlled by a HTR 50-amp fuse under the hood, ground and the AC amplifier. Here are the blower motor wiring diagrams so you can see how the system works.

This guide can help you check for power and ground:

https://www.2carpros.com/articles/blower-fan-motor-works-on-high-speed-only

Here is how to replace the blower motor which usually goes bad and the location of the AC amplifier. Check the connections at the blower motor for heat damage as well. Check out the images (below). Please let us know how it goes.
Was this
answer
helpful?
Yes
No
Saturday, July 1st, 2023 AT 11:26 AM

Please login or register to post a reply.