A/C and heater noise

Tiny
TONYSBABYGIRL
  • MEMBER
  • 1998 HONDA ACCORD
  • 6 CYL
  • 2WD
  • AUTOMATIC
  • 107,000 MILES
At the beginning of the summer when I started using my A/C I noticed a noise coming from the passenger side dashboard. Now that I am using the heater the same thing is happening. I suppose the best way to describe the sound is like a humming sound. It is kind of like the sound the air makes when it is coming out of the vents, just louder and coming from the glove compartment area. The higher I have the blower going the louder the noise gets. Both the A/C and the heater work fine. It is just this noise that I am wondering about.
Tuesday, October 30th, 2018 AT 10:34 PM

1 Reply

Tiny
ASEMASTER6371
  • MECHANIC
  • 52,796 POSTS
Good morning.

It sounds like the blower motor bearings are worn out giving you the noise. It sounds like you need to replace the blower motor.

The procedure says to remove the dash. Look under the unit under the dash. You should be able to access it without removing the case.

Roy

SRS components are located in this area. Review the SRS components locations, precautions, and procedures before performing repairs or service.

1. Make sure you have the anti-theft code for the radio, then write down the frequencies for the radio's preset buttons.
2. Disconnect the negative cable from the battery.
3. Remove the dashboard.
4. With air conditioning; remove the evaporator.

ImageOpen In New TabZoom/Print

5. Without air conditioning; remove the self-tapping screws, the mounting nut, the mounting bolts and the heater duct.

ImageOpen In New TabZoom/Print

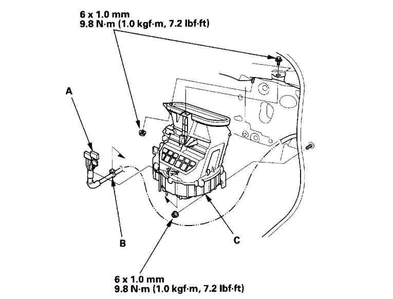
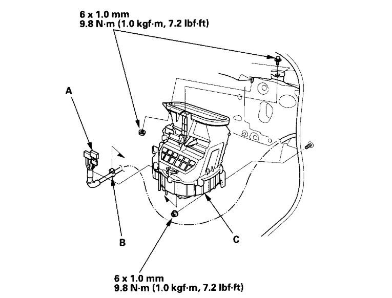
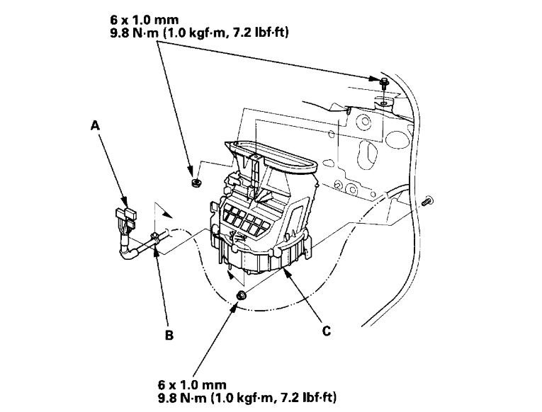
6. Disconnect the connectors (A) from the blower motor, the blower resistor and the recirculation control motor, then remove the wire harness clip (B). Remove the mounting nuts, the mounting bolt and the blower unit (C).
7. Install in the reverse order of removal, and note these items:

- Make sure that there is no air leaking out of the blower and duct joints.
- Enter the anti-theft code for radio, then enter the customer's radio station presets.
Was this
answer
helpful?
Yes
No
Wednesday, October 31st, 2018 AT 1:57 AM

Please login or register to post a reply.