Change my brakes?

Tiny
K_BARGO
  • MEMBER
  • 2009 CHRYSLER PT CRUISER
  • 2.4L
  • 4 CYL
  • 2WD
  • AUTOMATIC
  • 190,000 MILES
I need to know how to change my brakes? Thank you.
Sunday, May 26th, 2019 AT 6:28 AM

16 Replies

Tiny
JACOBANDNICKOLAS
  • MECHANIC
  • 110,194 POSTS
Replacing front brake pads really isn't too hard. When you do it, make sure to get lifetime pads so you never have to pay for them again. This video shows the job being done.

https://youtu.be/9S0im10Z2T0

You can expect front pads to last approximately 25,000 miles. However, that can change based on driving habits and terrain.

To get you started, here is a link that shows how it is done in general. You can use this as a guide.

https://www.2carpros.com/articles/how-to-replace-front-brake-pads-and-rotors-fwd

If you look at the attachments, they include the directions and pictures specific to your vehicle for replacement. Use these directions for the procedure.

I hope this helps. Let me know if you have other questions. See pics below
Was this
answer
helpful?
Yes
No
Thursday, April 1st, 2021 AT 10:54 PM
Tiny
STEVETHROOP
  • MEMBER
  • 1 POST
  • 2008 CHRYSLER PT CRUISER
  • 4 CYL
  • 2WD
  • AUTOMATIC
  • 42,000 MILES
When car is running between 30 and 40 mph, there is what sounds like braking noise and vibration can be felt through the brake pedal.
Was this
answer
helpful?
Yes
No
+1
Wednesday, April 14th, 2021 AT 12:10 PM (Merged)
Tiny
DANNY L
  • MECHANIC
  • 5,648 POSTS
Hello, I'm Danny.

Here is the information you requested. This is a tutorial showing what is involved on how to change front brake pads and brake rotors:

https://youtu.be/9S0im10Z2T0

and

https://www.2carpros.com/articles/how-to-replace-front-brake-pads-and-rotors-fwd

I've attached picture steps below on how to change the front brake pads and rotors on your car. Hope this helps and thanks for using 2CarPros.
Was this
answer
helpful?
Yes
No
Wednesday, April 14th, 2021 AT 12:10 PM (Merged)
Tiny
CANDACEISBIZARRE
  • MEMBER
  • 7 POSTS
  • 2007 CHRYSLER PT CRUISER
  • 4.2L
  • 2WD
  • AUTOMATIC
  • 196,000 MILES
I need help with the car listed above that someone said I could have some parts off of to take off and put on my 2006 pt cruiser. But I need to know how to take the front brake calipers and rotors off of the 2007 one and I also need to know what all tools I need to take them off with? And also what all tools and sizes I will need to take off the radiator too? Also do you know why. My power steering reservoir would have fluid all over the outside of the reservoir for?
Was this
answer
helpful?
Yes
No
Wednesday, April 14th, 2021 AT 12:12 PM (Merged)
Tiny
JACOBANDNICKOLAS
  • MECHANIC
  • 110,194 POSTS
Welcome to 2CarPros.

Here are the directions for calipers. Remember to make sure they are the correct ones you are getting. As far as the other questions, I need them each on a separate thread. We are trying to keep the threads to one specific topic so it is more helpful to others. I hope you understand. Check out the diagrams (Below).

First, here is a link that explains in general how it's done. It makes things easier to understand. After the link are the directions for the 2007.

https://www.2carpros.com/articles/brake-caliper-replacement

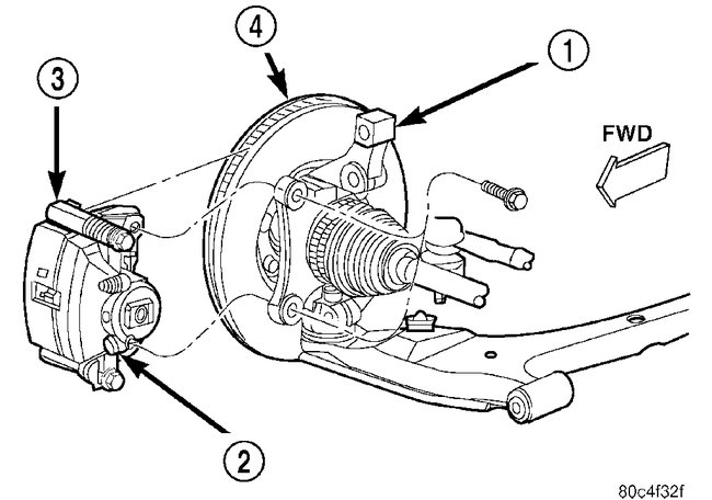
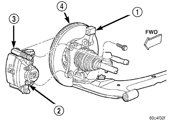
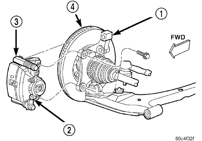
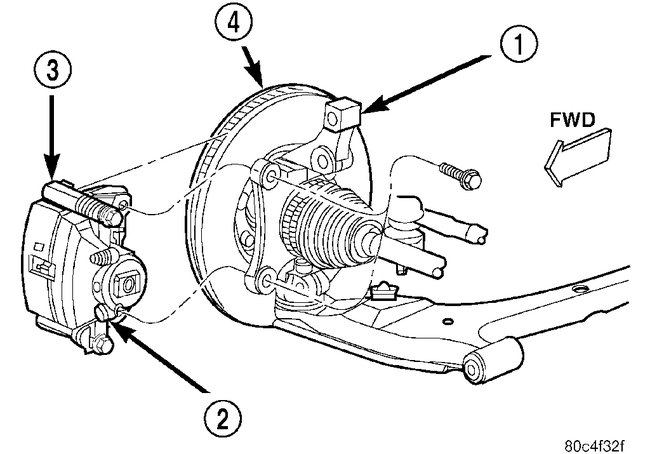
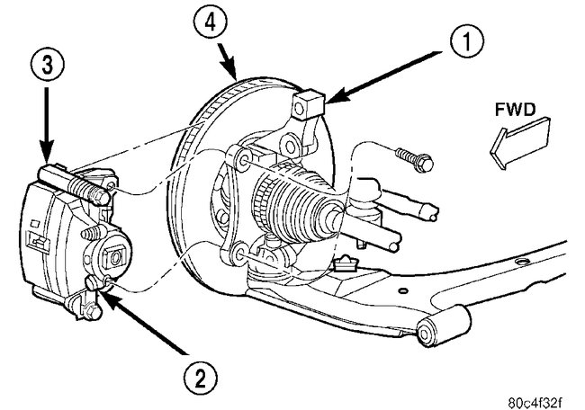
1. Raise and support the vehicle.
2. Remove the wheel mounting nuts (3), then the tire and wheel assembly.
3. Remove the two brake caliper guide pin bolts (4).
4. Remove the brake caliper from the adapter. Hang the caliper out of the way using wire or a bungee cord. Use care not to overextend the brake hose (1) when doing this.
5. Remove the brake pads (2, 3) from the brake caliper adapter (4).
6. Remove the abutment shims (5) from the adapter (4).
7. Remove the two bolts (2) securing the disc brake caliper adapter to the steering knuckle.
8. Remove the disc brake caliper adapter.

Installation

CAUTION: When installing new brake components, be sure to use correct parts. Parts designed for BR4 Performance Brake System must not be mixed with other brake systems. These parts, similar in appearance, can be easily identified.

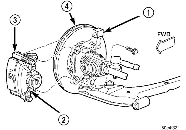
1. Install the disc brake caliper adapter on the steering knuckle.
2. Install the two bolts (2) securing the disc brake caliper adapter to the steering knuckle. Tighten the bolts to 104 Nm (77 ft. lbs.).

3. Attach the two abutment shims (5) to the adapter (4) fitting the contour of each shim to the adapter's contour.
4. Place the inboard (2) and outboard (3) brake pads into the abutment shims clipped into the disc brake caliper adapter as shown. The pad with the wear indicator attached is the inboard.

CAUTION: Use care when installing the caliper onto the disc brake adapter to avoid damaging the boots on the caliper guide pins.

5. Install the disc brake caliper over the brake pads on the brake caliper adapter. Make sure the springs on the pads do not get caught in the hole formed into the center of the caliper housing.
6. Align the caliper guide pin bolt holes with the guide pins. Install the caliper guide pin bolts (4). Tighten the bolts to 35 Nm (26 ft. lbs.).

7. Install the tire and wheel assembly (1). Install and tighten the wheel mounting nuts (3) to 135 Nm (100 ft. lbs.).
8. Lower the vehicle.
9. Road test the vehicle and make several stops to wear off any foreign material on the brakes and to seat the brake pads.

Check out the diagrams (Below). Please let us know what happens.
Was this
answer
helpful?
Yes
No
Wednesday, April 14th, 2021 AT 12:12 PM (Merged)
Tiny
JACOBANDNICKOLAS
  • MECHANIC
  • 110,194 POSTS
Welcome to 2CarPros.

Here are the directions for calipers. Remember to make sure they are the correct ones you are getting. As far as the other questions, I need them each on a separate thread. We are trying to keep the threads to one specific topic so it is more helpful to others. I hope you understand.

First, here is a link that explains in general how it's done. It makes things easier to understand. After the link are the directions for the 2007.

https://www.2carpros.com/articles/brake-caliper-replacement
____________________

2007 Chrysler Truck PT Cruiser L4-2.4L VIN B
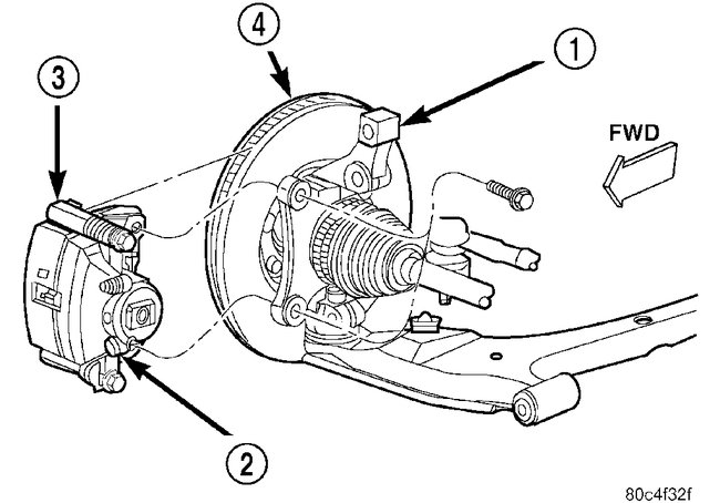
Removal
Vehicle Brakes and Traction Control Hydraulic System Brake Caliper Service and Repair Removal and Replacement Bracket- Front Brake Caliper Adapter Removal
REMOVAL
REMOVAL

NOTE: Refer to Warnings and Cautions

1. Raise and support the vehicle.

pic 1

2. Remove the wheel mounting nuts (3), then the tire and wheel assembly.

pic 2

3. Remove the two brake caliper guide pin bolts (4).
4. Remove the brake caliper from the adapter. Hang the caliper out of the way using wire or a bungee cord. Use care not to overextend the brake hose (1) when doing this.

pic 3

5. Remove the brake pads (2, 3) from the brake caliper adapter (4).
6. Remove the abutment shims (5) from the adapter (4).

pic 4

7. Remove the two bolts (2) securing the disc brake caliper adapter to the steering knuckle.
8. Remove the disc brake caliper adapter.

__________________________

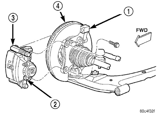
Installation
Vehicle Brakes and Traction Control Hydraulic System Brake Caliper Service and Repair Removal and Replacement Bracket- Front Brake Caliper Adapter Installation
INSTALLATION
INSTALLATION

CAUTION: When installing new brake components, be sure to use correct parts. Parts designed for BR4 Performance Brake System must not be mixed with other brake systems. These parts, similar in appearance, can be easily identified.

pic 5

1. Install the disc brake caliper adapter on the steering knuckle.
2. Install the two bolts (2) securing the disc brake caliper adapter to the steering knuckle. Tighten the bolts to 104 Nm (77 ft. lbs.).

pic 6

3. Attach the two abutment shims (5) to the adapter (4) fitting the contour of each shim to the adapter's contour.
4. Place the inboard (2) and outboard (3) brake pads into the abutment shims clipped into the disc brake caliper adapter as shown. The pad with the wear indicator attached is the inboard.

pic 7

CAUTION: Use care when installing the caliper onto the disc brake adapter to avoid damaging the boots on the caliper guide pins.

5. Install the disc brake caliper over the brake pads on the brake caliper adapter. Make sure the springs on the pads do not get caught in the hole formed into the center of the caliper housing.
6. Align the caliper guide pin bolt holes with the guide pins. Install the caliper guide pin bolts (4). Tighten the bolts to 35 Nm (26 ft. lbs.).

pic 8

7. Install the tire and wheel assembly (1). Install and tighten the wheel mounting nuts (3) to 135 Nm (100 ft. lbs.).
8. Lower the vehicle.
9. Road test the vehicle and make several stops to wear off any foreign material on the brakes and to seat the brake pads.

_______________________________

I hope this helps. I will watch for your other questions.

Take care,
Joe
Was this
answer
helpful?
Yes
No
Wednesday, April 14th, 2021 AT 12:12 PM (Merged)
Tiny
ZEMORZEMOR
  • MEMBER
  • 486 POSTS
  • 2006 CHRYSLER PT CRUISER
  • 2.4L
  • 4 CYL
  • FWD
  • AUTOMATIC
  • 96,000 MILES
I checked the pads the manual says I should have the brakes done but I want to save money can you help me do the job myself?
Was this
answer
helpful?
Yes
No
Wednesday, April 14th, 2021 AT 12:13 PM (Merged)
Tiny
JACOBANDNICKOLAS
  • MECHANIC
  • 110,194 POSTS
Hi,

Front brake pads and rotors really aren't too hard to do. If you do it yourself, make sure to purchase lifetime parts so you'll never have to pay for the parts again.You can expect brake pads to last approximately 25,000 miles. However, that can change based on terrain and driving habits. To start, here is a link that shows in general how it's done. You can use this as a guide: Check out the diagrams (Below).

https://www.2carpros.com/articles/how-to-replace-front-brake-pads-and-rotors-fwd

Here are the directions specific to your vehicle. The pics below correlate with the directions.

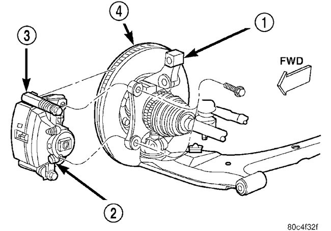
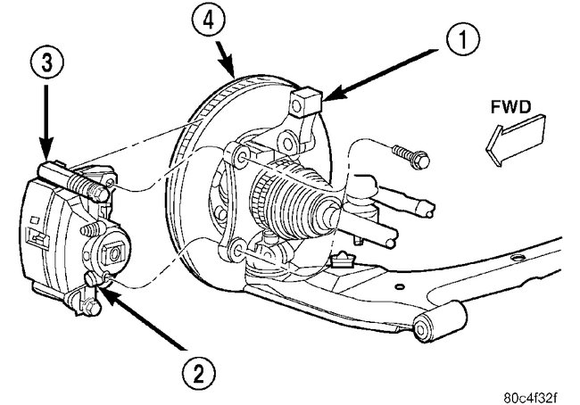
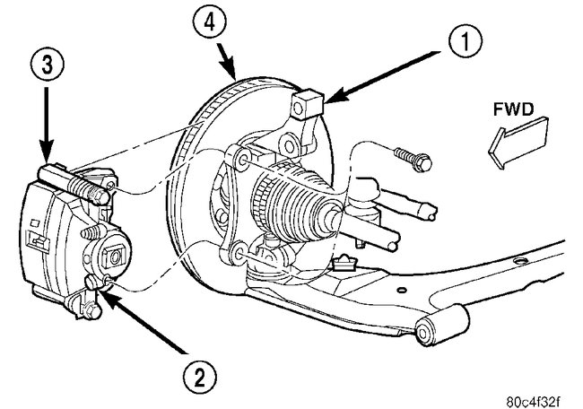
REMOVAL

NOTE: Before proceeding, Refer to Service Precautions.

1. Raise and support the vehicle.

NOTE: Perform Step 2 through Step 5 on each side of the vehicle to complete pad set removal.
2. Remove the wheel mounting nuts (3), then the tire and wheel assembly (1).
3. Remove the two brake caliper guide pin bolts (4).
4. Remove the disc brake caliper from the disc brake adapter and hang it out of the way using wire or a bungee cord. Use care not to overextend the brake hose (1) when doing this.
5. Remove the brake pads (2, 3) from the disc brake caliper adapter (4).

CLEANING

WARNING: Dust and dirt accumulating on brake parts during normal use may contain asbestos fibers from production or aftermarket brake linings. Breathing excessive concentrations of asbestos fibers can cause serious bodily harm. Exercise care when servicing brake parts. Do not sand or grind brake lining unless equipment used is designed to contain the dust residue. Do not clean brake parts with compressed air or by dry brushing. Cleaning should be done by dampening the brake components with a fine mist of water, then wiping the brake components clean with a dampened cloth. Dispose of cloth and all residue containing asbestos fibers in an impermeable container with the appropriate label. Follow practices prescribed by the Occupational Safety And Health Administration (OSHA) and the Environmental Protection Agency (EPA) for the handling, processing, and disposing of dust or debris that may contain asbestos fibers.

INSPECTION
Visually inspect brake pads for uneven lining wear. Also inspect for excessive lining deterioration. Check the clearance between the tips of the wear indicators (if equipped) on the pads and the brake rotors.

If a visual inspection does not adequately determine the condition of the lining, a physical check will be necessary. To check the amount of lining wear, remove the disc brake pads from the calipers.

Measure each brake pad. The combined brake pad and its lining material thickness should be measured at its thinnest point. For front disc brake pads, when a set of brake pads are worn to a thickness of approximately 7.95 mm (5/16 inch), they should be replaced.

NOTE: It is important to inspect both front and rear brake pads during the same inspection. Typically, front and rear brake pads wear out at the same time.

Replace both disc brake pads (inboard and outboard) on each caliper. It is necessary to replace the pads on the opposite side of the vehicle as well as the pads failing inspection.

If the brake pad assemblies do not require replacement, be sure to reinstall the brake pads in the original position they were remove from.

INSTALLATION

NOTE: Perform Step 1 through Step 5 on each side of the vehicle to complete pad set installation, then proceed to Step 6.

NOTE: Inboard brake pads are not identical side-to-side. This is due to placement of the audible wear indicator on the end of each inboard pad. Make sure that the audible wear indicators are placed toward the top when the inboard pads are installed on each side of the vehicle.
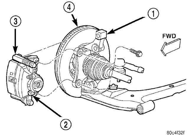
1. Place the brake pads (2, 3) in the abutment shims (5) clipped into the disc brake caliper adapter (4) as shown. Place the pad with the wear indicator attached on the inboard side (2).
2. Completely retract the caliper piston back into the bore of the caliper.

CAUTION: Use care when installing the caliper onto the disc brake adapter to avoid damaging the boots on the caliper guide pins.

3. Install the disc brake caliper over the brake pads on the brake caliper adapter. Make sure the springs (1) on the pads do not get caught in the hole formed into the center of the caliper housing.
4. Align the caliper guide pin bolt holes with the guide pins. Install the caliper guide pin bolts (4) and tighten them to 35 Nm (26 ft. lbs.).
5. Install tire and wheel assembly (1). Install and tighten wheel mounting nuts (3) to 135 Nm (100 ft. lbs.).
6. Lower the vehicle.
7. Pump the brake pedal several times before moving the vehicle to set the pads to the brake rotor.
8. Check and adjust the brake fluid level as necessary
9. Road test the vehicle and make several stops to wear off any foreign material on the brakes and to seat the brake pads.

Check out the diagrams (Below). Please let us know what happens.
Was this
answer
helpful?
Yes
No
Wednesday, April 14th, 2021 AT 12:13 PM (Merged)
Tiny
ZAPDOG
  • MEMBER
  • 1 POST
  • 2004 CHRYSLER PT CRUISER
How do I change front brakes?
Was this
answer
helpful?
Yes
No
Wednesday, April 14th, 2021 AT 12:13 PM (Merged)
Tiny
DANNY L
  • MECHANIC
  • 5,648 POSTS
Hello, I'm Danny.

Here is the information you requested. This is a tutorial showing what is involved on how to change front brake pads and brake rotors:

https://www.2carpros.com/articles/how-to-replace-front-brake-pads-and-rotors-fwd

I've attached picture steps below on how to change the front brake pads and rotors on your car. Hope this helps and thanks for using 2CarPros.
Was this
answer
helpful?
Yes
No
Wednesday, April 14th, 2021 AT 12:13 PM (Merged)
Tiny
BOBBIR
  • MEMBER
  • 1 POST
  • 2003 CHRYSLER PT CRUISER
  • 4 CYL
  • 2WD
  • AUTOMATIC
  • 64,000 MILES
I need directions on how to change brake pads and rotors
Was this
answer
helpful?
Yes
No
Wednesday, April 14th, 2021 AT 12:13 PM (Merged)
Tiny
JACOBANDNICKOLAS
  • MECHANIC
  • 110,194 POSTS
You really should get a manual because of the type of job this is, but here are the general steps.

Remove the tire and wheel. Locate the two mounting bolts behind the caliper and remove. With the caliper still in place, carefully depress the piston using a pry bar and allow excess brake fluid to exit through the bleeder valve, but close it before air gets in it.

Now remove the caliper and pads, replace pads on caliper. With the caliper off, the rotor will come off. Replace it and reverse the sequence.

Again, I recommend a manual with pictures to identify parts and step by step instructions.

Joe
Was this
answer
helpful?
Yes
No
Wednesday, April 14th, 2021 AT 12:13 PM (Merged)
Tiny
HUB771
  • MEMBER
  • 1 POST
  • 2001 CHRYSLER PT CRUISER
  • 3.0L
  • 4 CYL
  • FWD
  • AUTOMATIC
  • 150,000 MILES
The lower bracket sliding pin and boot that the bolt goes into is frozen solid how do I loosen that pin to reset the caliper in place
Was this
answer
helpful?
Yes
No
Wednesday, April 14th, 2021 AT 12:13 PM (Merged)
Tiny
HMAC300
  • MECHANIC
  • 48,601 POSTS
Youi'll have to get some penetrating oil in boot and try to wiggle the pin out It should unbolt from the bracket otherwise youll need to remove bracket so you can remove caliper assembly and see if you can get it that way or take to a mechanic so he can get it out.
Was this
answer
helpful?
Yes
No
Wednesday, April 14th, 2021 AT 12:13 PM (Merged)
Tiny
RICH MOLSTER
  • MEMBER
  • 1 POST
  • 2001 CHRYSLER PT CRUISER
  • 4 CYL
  • FWD
  • AUTOMATIC
  • 14,000 MILES
Why left side brake pads wears down and right side still has 50% meat left on it when pads were needed!
Was this
answer
helpful?
Yes
No
Wednesday, April 14th, 2021 AT 12:13 PM (Merged)
Tiny
JACOBANDNICKOLAS
  • MECHANIC
  • 110,194 POSTS
Hi:
It sounds like the caliper is sticking. When you depress the piston, it should be a smooth process. It it sticks, replace the caliper. Also, make sure the slides are clean and lubericated on the caliper. That can cause it to hang up too. If you feel that is the case, keep the caliper, purchase new hardware for it, clean and lube it, and it should be fine.

Joe
Was this
answer
helpful?
Yes
No
Wednesday, April 14th, 2021 AT 12:13 PM (Merged)

Please login or register to post a reply.