Cranks will not start

Tiny
SAMMY JOHN
  • MEMBER
  • 1997 NISSAN PATHFINDER
  • 3.0L
  • 6 CYL
  • 4WD
  • AUTOMATIC
  • 28,000 MILES
Began shutting off sometimes at idle once the weather heated up, within a week of that it began shutting off even when under load. It would just drop to 0 rpm's and shut off. For about forty times it would restart then. No more of that!
It has a new distributor, plugs, plug wires, battery.
Compression test is good, timing is good, fuel pump is working, catalytic converters are fine.
It has a strong crank just will not make that final leap to actually starting.
Someone mentioned the ECCS sensor. I am not having any luck finding out what or where that is. I have ECCS fuses (2) but do not see an ECCS sensor marked. Now there are three sensors in the fuse box in the passenger compartment but none of those are marked and I have been unsuccessful finding any documentation that states what they are.
Monday, June 11th, 2018 AT 11:11 AM

10 Replies

Tiny
STEVE W.
  • MECHANIC
  • 15,700 POSTS
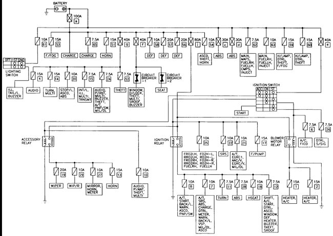
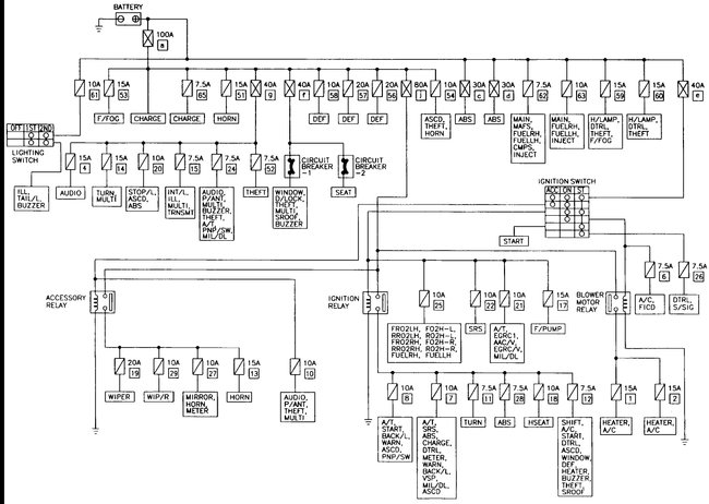
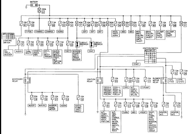
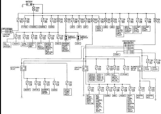
I would check fuses 62 and 63 in the under-hood fuse/relay box on the right fender well. The ECCS relay is in there as well, it is the one farthest to the left in the box, out in the extension area. Inside there is fuse 25 and the ignition relay. Easy way to test the relay, turn on the key and turn on a turn signal, if it works the relay is okay
If the fuses and relays all are okay the next thing would be to spray some engine starting fluid into the intake. If it tries to run on that then you have a fuel problem. Either low pressure or no flow. I have listened to pumps work but not actually be pumping due to a broken line in the tank or the pump is barely able to push fuel through the filter or regulator.
In your case you test the pressure by disconnecting the line between the engine and the filter and installing the gauge in between. Turn on the key and you should see around 35-40 PSI if the pump is operating okay.
Also, pull the vacuum line off the regulator and see if there is liquid fuel in the hose or port. If it leaks it could be creating a very rich mixture that will not ignite.
Was this
answer
helpful?
Yes
No
Wednesday, June 13th, 2018 AT 5:40 PM
Tiny
SAMMY JOHN
  • MEMBER
  • 7 POSTS
When you say right fender well, are you referencing that from inside the vehicle or outside facing the front? Basically, is it the fuse box on the drivers side or the passengers side.

I did pull and visually inspect all fuses and there are none open.

As for starter fluid spray, did that, no difference.

Fuel is making it to the injectors no problem.
Was this
answer
helpful?
Yes
No
Wednesday, June 13th, 2018 AT 5:58 PM
Tiny
SAMMY JOHN
  • MEMBER
  • 7 POSTS
Just checked the ECCS relay per your instructions, turn signals working fine.
Curious though, how does that work? How does verifying you have turn signals tell you that the ECCS is operating properly? I had not heard of that test before to check this relay, but I like it! Easiest thing I have done thus far. :)
Was this
answer
helpful?
Yes
No
Wednesday, June 13th, 2018 AT 6:03 PM
Tiny
STEVE W.
  • MECHANIC
  • 15,700 POSTS
Directions in vehicles. To avoid confusion most are given from the position of the drivers seat. So it would be the right side looking out the windshield. That way it does not matter if the vehicle is left or right hand drive. Where saying drivers side could be either one depending on the country the vehicle was built in.

The test for that relay is simple. If it turns on it also feeds other circuits. In this case the same power source feeds the fuel pump, the O2 sensor heaters, the airbags and the MIL indicator. Plus the switched side of the relay powers six other circuits. One being the turn signals. If those turn on the power and ground to the ignition relay are working and the internal switch is also working. Fuse 25 is also fed on that circuit. If it is good then there should be power to the ECU on that leg. The other two fuses also power the ECU.

As you tried the spray with no luck it is very likely you do not have good spark. Being it was starting but exhibiting heat related failure and you checked the fuel side. My next test would be to use a spark tester to verify spark. If you have spark and fuel the only thing left would be if there was a valve problem but good compression should rule that out.
Was this
answer
helpful?
Yes
No
Wednesday, June 13th, 2018 AT 8:29 PM
Tiny
SAMMY JOHN
  • MEMBER
  • 7 POSTS
Does anyone know the location of the cam position sensor on this vehicle?
I have tried browser searches and come up with 1,000 pages for the crankshaft position sensor and only two for the cam and neither are for my year or model vehicle.
Was this
answer
helpful?
Yes
No
Saturday, June 16th, 2018 AT 10:51 AM
Tiny
STEVE W.
  • MECHANIC
  • 15,700 POSTS
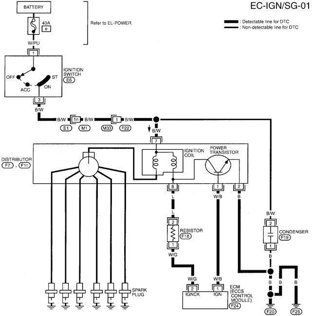
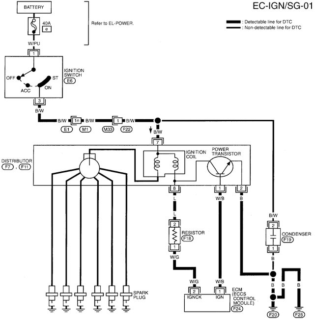
It is inside the distributor. That is it on the lower left. Reads the cam position using the diode and a rotor plate with special notches.
The crank sensor is mounted in the rear and reads the teeth on the flex-plate, but is only used for determining misfire events. If they did not list that it would be the first thing I would look at. You could unplug it and see if possibly it was shorted but that should set a code if it is only use is misfire counting.
Was this
answer
helpful?
Yes
No
Saturday, June 16th, 2018 AT 1:28 PM
Tiny
SAMMY JOHN
  • MEMBER
  • 7 POSTS
Excuse my verbiage but, darn.
Okay, so while waiting to see if there would be a reply here, I phoned several parts stores to ask if they had one on hand - I thought it odd that not only didn't they, but I was told by all "we don't even have a part number for one and can't even order one", I finally broke down and called a Nissan dealer, they don't have one on hand, not a single dealer in the entire flipping state, but did tell me they could order one from Arizona on monday. Before placing that order I asked where the cam sensor was located and was told that it was to the back of the block near the firewall.
I was told this same information from at least a dozen other people, and then there's been 8 people, yourself one of them, that tells me it's housed and part of the distributor. The cam sensor is in the distributor on the '96 3, but according to the Nissan dealer NOT on the 97 3.3. So my first mystery to solve is WHY is there consistent but varying information regarding its actual location - so I'd like to clarify exactly what I have and see if you still believe it's in the distributor, I would be happy if it were that easy, but as you'll see at the end of this reply, that in itself raises a question.

1997 Nissan Pathfinder 3.3L / 4WD / car was actually BUILT in a town in Japan, so I have found that dealers don't always know much fact about it when they run the vin number. For example, the vin number when run by a dealer, shows that it is supposed to have 4 cats - this is false. Even the manufacturer original labeling clearly states TWO cats, but for some reason dealers have misinformation about this particular vehicle when information is sought using the vin number. So more questions are raised as to the validity of their info.

Now to complicate matters more.
I put a new distributor, cap, rotor, spark plugs and wires on it when this happened. I did that because this happened before 2+ years ago and I had a shop deal with it because I couldn't figure out what was wrong with the damned thing - they tell me it's the distributor, okay, fine - fix it. They put in FIVE distributors, NEW distributors (I know because I went and picked them up and delivered them) before they found one that "worked", they kept insisting that the car "didn't like the oem parts that I needed to get one from a nissan dealer, an actual nissan distributor". To the tune of almost $500 for the part alone. I asked them to try one more distributor from an auto parts store first, they did, it worked.
Now the thing is, the shop told me they tested the distributors after putting them in and them not working and they tested bad, but the store tested each one when I returned it and they claimed they tested good.
Whatever the deal was, the 5th distributor (by the same manufacturer as the first 4 mind you) did the trick and I've had no problems with it until I got this fun repeat performance 2 weeks ago.

So. If by some fluke it is the case that the cam sensor is in the distributor and by some chance that the shop (the weren't charging me for putting in repeated distributors so it's not as though they were ripping me off or making more money from me, I was only charged for the one where parts and labor were concerned, so they really had no motivation to be dishonest) was right and the parts store either wrong or getting irritated at having to replace a bad part 5 times, could it be that I bought a new distributor (different parts store) that actually has a bad cam sensor in it.

This vehicle is becoming an enigma.
Was this
answer
helpful?
Yes
No
Saturday, June 16th, 2018 AT 2:51 PM
Tiny
STEVE W.
  • MECHANIC
  • 15,700 POSTS
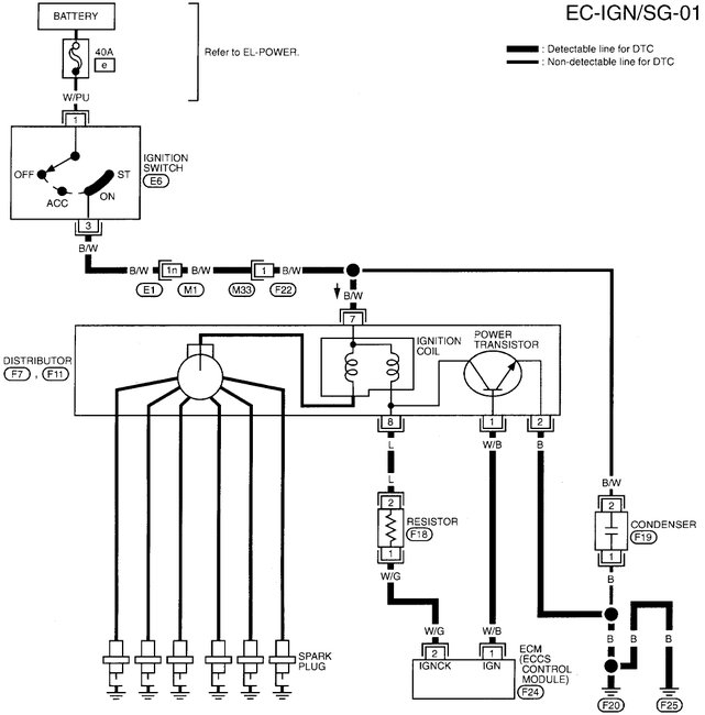
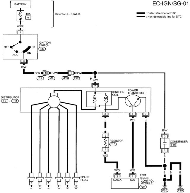
Every reference I have shows that engine taking a Nissan # 22100-1W601RE distributor. Which fits the 1996 - 2000 Pathfinder with the 3.3 VG33E engine.

From Nissan
The camshaft position sensor is a basic component of the ECCS. It monitors engine speed and piston position. These input signals to the ECM are used to control fuel injection, ignition timing and other functions.
The camshaft position sensor has a rotor plate and a wave-forming circuit. The rotor plate has 360 slits for a 1°(POS) signal and 6 slits for a 120°(REF) signal. The wave-forming circuit consists of Light Emitting Diodes (LED) and photo diodes.
The rotor plate is positioned between the LED and the photo diode. The LED transmits light to the photo diode. As the rotor plate turns, the slits cut the light to generate rough-shaped pulses. These pulses are converted into on-off signals by the wave-forming circuit and sent to the ECM.
The distributor is not repairable and must be replaced as an assembly except distributor cap.

Service testing of cam sensor - Images 1&2
Check voltage between camshaft position sensor terminals (3), (4) and ground with AC volts range. If NG, replace distributor assembly with camshaft position sensor.

Image 3
Remove distributor cap. Visually check signal plate for damage or dust.
After this inspection, DTC P0340 (0101) might be displayed with camshaft position sensor functioning properly. Erase the stored memory.

Could it be another bad sensor. Yes, on most imports I have found that for ignition parts dealer parts are the way to go.
Was this
answer
helpful?
Yes
No
+1
Saturday, June 16th, 2018 AT 6:35 PM
Tiny
SAMMY JOHN
  • MEMBER
  • 7 POSTS
Thank you. So then I am assuming (possibly incorrectly) that with this being the case it is not the cam sensor that is bad since I just put in a new distributor and possibly it was not the cam sensor/distributor previously when the shop put one in two years ago and somehow, someway the car was magically repaired and it happened to coincide with that fifth distributor going in.

I do not have the slightest clue what the issue is with this car and the fact that it is a repeat issue that I was told prior was the distributor and a new one does not appear to be resolving the matter it may be time to put it out of my misery!
It has been a great little vehicle but it is just a car and fifteen days of this is driving me nuts, another fifteen is unacceptable.

I thank you for all of your help, you have been more knowledgeable and helpful than anywhere I have gone for help, but everything that has been suggested as a likely issue has been checked out and comes out as 'ok' so whatever the issue is it is not one that is to be found apparently.
Was this
answer
helpful?
Yes
No
Saturday, June 16th, 2018 AT 7:09 PM
Tiny
STEVE W.
  • MECHANIC
  • 15,700 POSTS
It can be found, it just is not one of the obvious problems. I have seen cars brought to a halt by one bad wire in a harness under the carpet! How about a BMW that refused to run because of a bad door handle!

If they put that many replacements in and they were all "bad" I am going to suggest taking a really close look at the wiring to the distributor. Look for pin fitment issues, corrosion or wires broken inside the insulation. If that is what repaired it the last time it should be an issue right near it.
Was this
answer
helpful?
Yes
No
+1
Saturday, June 16th, 2018 AT 9:43 PM

Please login or register to post a reply.