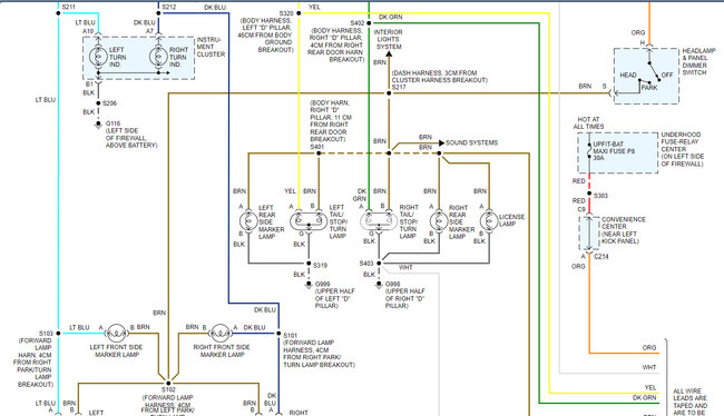
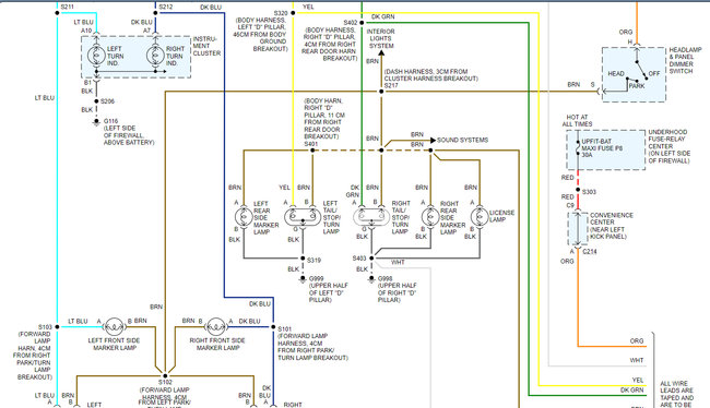
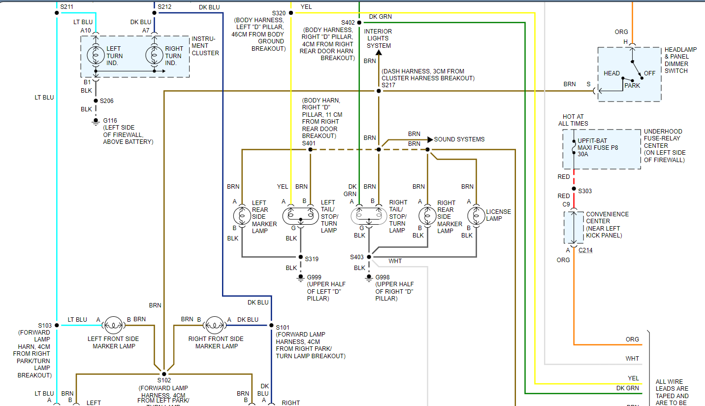
Sunday, November 1st, 2020 AT 11:00 AM
I have a ohmmeter on the stop hazard fuse and checking for continuity. There is a short when pushing the brake pedal only when the ignition is on. The turn signals don't work either.



