Wednesday, July 8th, 2020 AT 12:36 PM
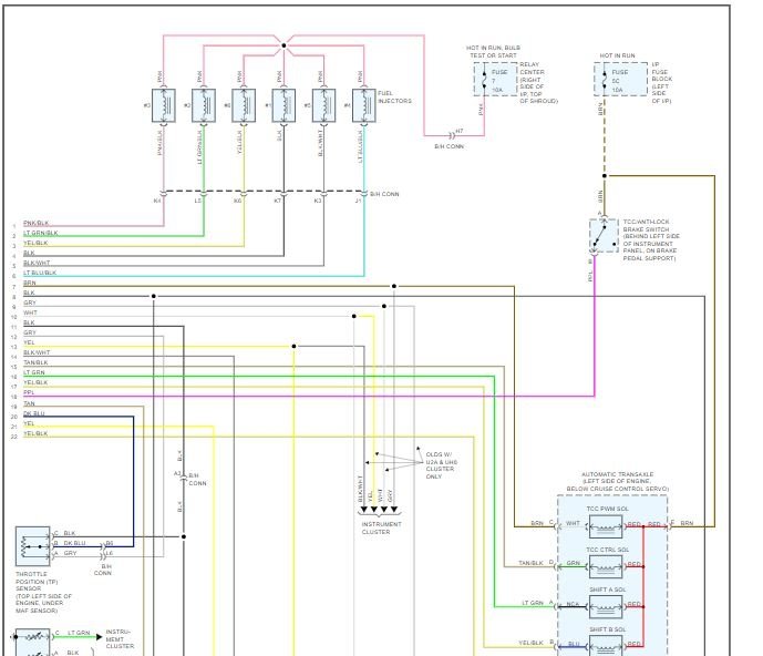
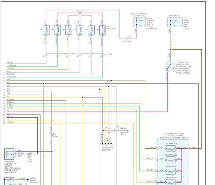
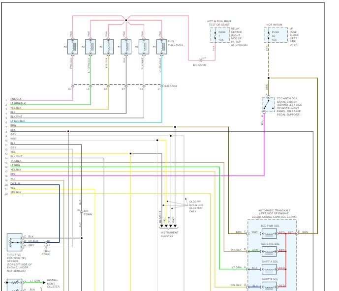
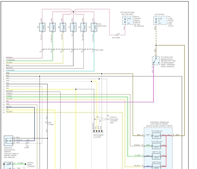
3800 mk2 stalled and shut off at idle. Since then have changed crank and cam sensors, all intake gaskets, and temperature sensors. Plugs are soaked in fuel, plugged in scan tool. Injector pulse is at 66ms for cold start. All other data (ambient temperature, water temperature, O2 sensors, TPS) is exact in range. What's happening here?








