High beams blinking

Tiny
MARY VAUGHAN ORR
  • MEMBER
  • 1993 DODGE RAM
  • 6.2L
  • 2WD
  • AUTOMATIC
  • 70,000 MILES
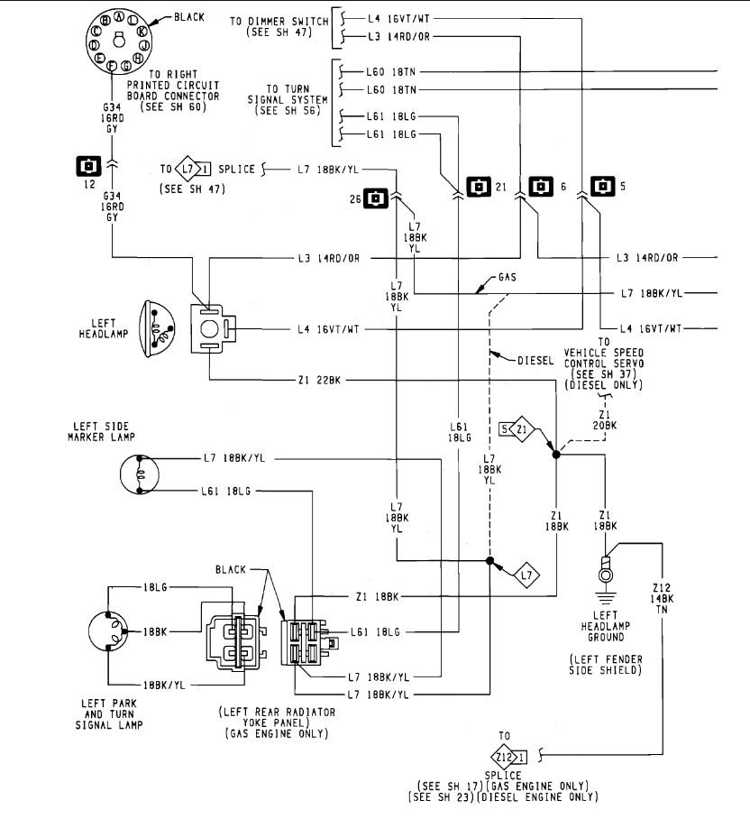
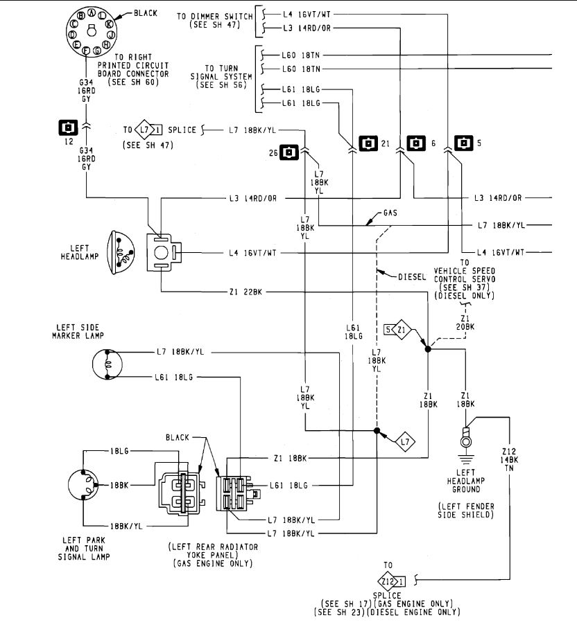
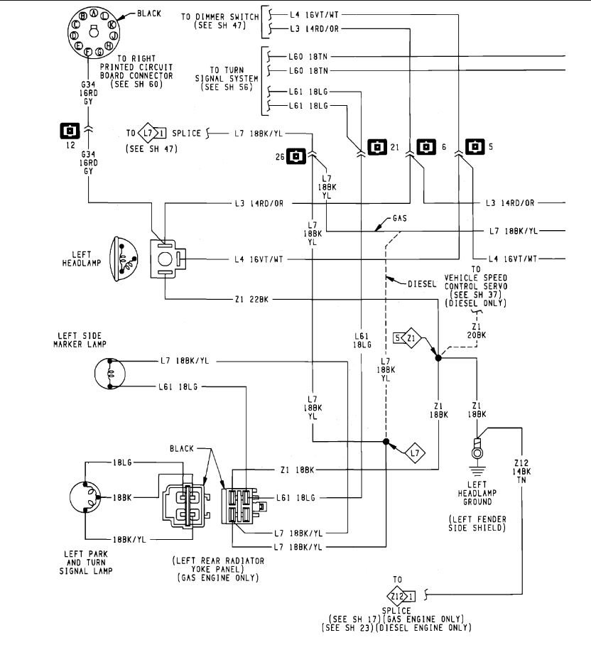
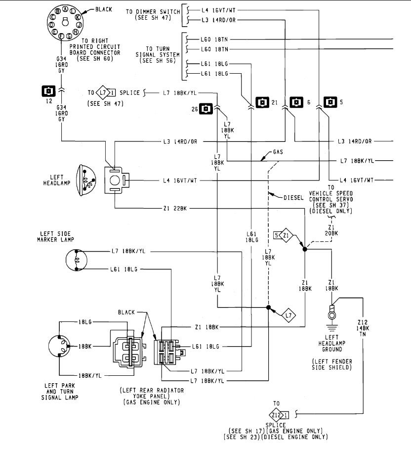
Truck listed above is a D3500. It was asked in another thread back few years ago. Replaced headlamp switch no help. It's as if drawing too much amperage. It's like it's drawing too much amperage as wiring gets hot. Please help.
Wednesday, January 20th, 2021 AT 5:47 PM

2 Replies

Tiny
STEVE W.
  • MECHANIC
  • 15,632 POSTS
Your description sounds like there is a partial short in the wiring to the high beams or a ground is bad and they are grounding through the other lamps, both can cause excessive current draw. To check if it is a ground issue the easy way would be to remove both of the headlights from their respective sockets. Now on each one there is a black wire that is the ground for the lights. Simply run a jumper wire from each one to a good ground, then turn on the high beams and see if they still have the issue, I suspect they will but if it has suddenly stopped start inspecting the wiring where it went through the housing to the wiring harness, you are looking for damage or chaffing that would show it rubbing through. If they are still an issue and you find no damage, start tracing the red wires as those are the high beam lamp feeds, one goes back into the dash to light the high beam indicator, any of them could be the issue though. You may want to get a short finder and use it to trace the wiring. The simple version uses a small meter and a circuit breaker to pulse the power in the wiring and you use the meter to follow the wire and watch for the needle to stop or change direction. These are sometimes available as loaner tools at some parts stores as well as the nicer electronic units. Once you find the area of the short you would simply repair the wire or wires.
Was this
answer
helpful?
Yes
No
Wednesday, January 20th, 2021 AT 7:15 PM
Tiny
MARY VAUGHAN ORR
  • MEMBER
  • 2 POSTS
Thanks, will try these out tomorrow and see what happens. Thanks for the quick reply. I will let you know.
Was this
answer
helpful?
Yes
No
Wednesday, January 20th, 2021 AT 8:59 PM

Please login or register to post a reply.