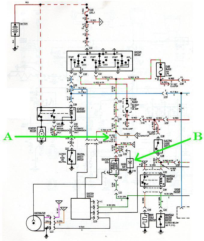
NOTICE "A" IN MY DIAGRAM
"A" IS A RESISTANCE WIRE - USED FROM 1979 ON UP WITH MOTORCRAFT IGNITION- IT -"IS"- YOUR RESISTOR TO LOWER THE VOLTAGE TO THE IGN SYSTEM. IT LOOKS LIKE A PLAIN JANE WIRE, AND SHOULD NEVER BE CUT OR TIED INTO FOR ACCESSORIES!
ALONG WITH THIS YOU MUST USE THE CORRECT COIL- PIC 2 IS WHAT YOU SHOULD HAVE - YES, YOUR RESISTOR (THE RESISTOR WIRE) IS EXTERNAL! MANY TIME THE PARTS STORE GUY WILL ASK YOU "INTERNAL OR EXTERNAL RESISTOR"? IF THEY ASK AT ALL, SO BE ALERT TO WHAT YOU NEED!
"B" IN THE 1ST PIC IS A "NOISE SUPPRESSOR - IT'S MOUNTED ON THE COIL BRACKET - THIS MAKES MR. RADIO LESS STATIC-EE ! FOLKS MISTAKE THIS FOR A BALLAST RESISTOR
MY '77 HAD PRESTOLITE IGNITION, THE SYSTEM WAS CRAPPY, MODULE AND DISTRIBUTOR. I UPGRADED TO "MOTORCRAFT". THE PRESTOLITE SYSTEM DID NOT HAVE A RESISTANCE WIRE RUN TO IT, JUST A PLAIN OLE WIRE W/ 12 VOLTS. I HAD TO REDUCE MY VOLTAGE TO THE COIL USING A BALLAST RESISTOR - IN PIC 3 IS WHAT IT LOOKS LIKE, AND IN PIC 4 YOU CAN SORTA SEE IT MOUNTED CENTER AT THE TOP OF MY FIREWALL OVER THE VALVE COVER.
THE MEDIC
Was this helpful?
Yes
No
Wednesday, June 11th, 2014 AT 6:21 PM








