Four wheel drive lights not working

Tiny
BARNESREBECCA
  • MEMBER
  • 2004 CHEVROLET SILVERADO
  • 4WD
  • 175,000 MILES
4 wheel drive indicator lights not working when truck is running. Truck stays in 2 wheel drive.
Thursday, February 18th, 2021 AT 12:53 PM

1 Reply

Tiny
KASEKENNY
  • MECHANIC
  • 18,907 POSTS
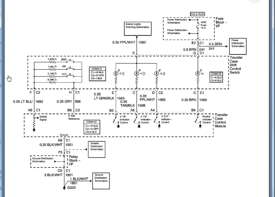
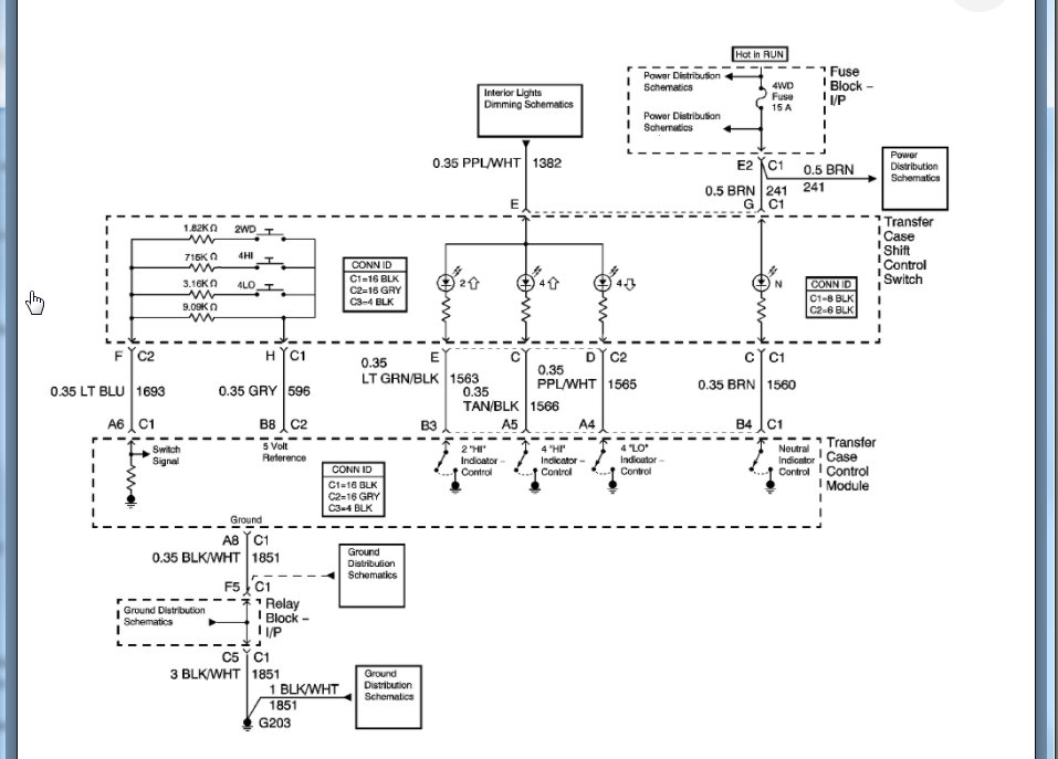
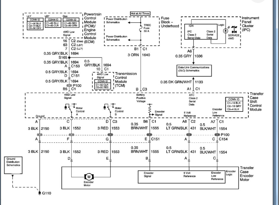
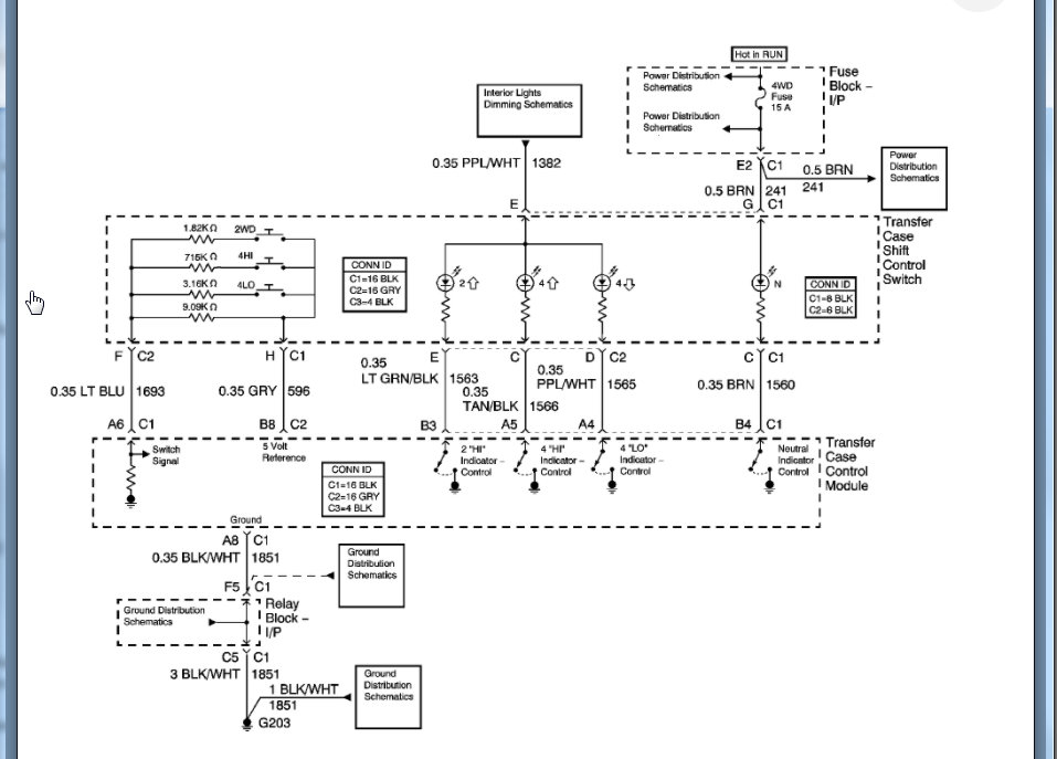
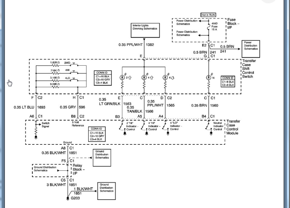
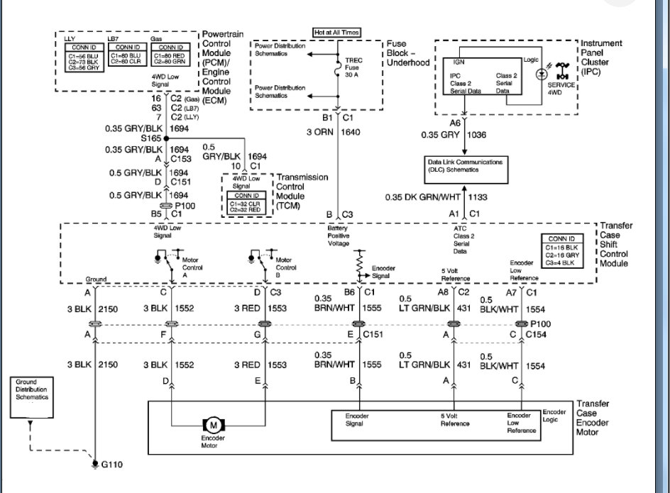
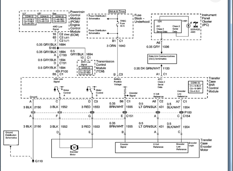
More then likely this is a switch issue or the control module. The way this works is the module sends a 5 volt reference signal to the switch and when you press the button on the switch for each position, it increases the resistance for the return voltage (switch signal) back to the module. So this will decrease the voltage coming back and that will tell the module what you have selected and then the module tells the motor to engage that position.

So we need to use the wiring diagram below and check the voltage coming from the module to the switch and then what the voltage is returning the module.

Here is a guide that will help with this:

https://www.2carpros.com/articles/how-to-check-wiring

If you don't have the proper 5 volt going to the switch then the module is the issue. If you don't have anything coming back from the switch then that is the issue.

Let us know what you find with this and we can go from there. Thanks
Was this
answer
helpful?
Yes
No
Saturday, February 20th, 2021 AT 2:47 PM

Please login or register to post a reply.