Tuesday, August 29th, 2017 AT 10:42 PM
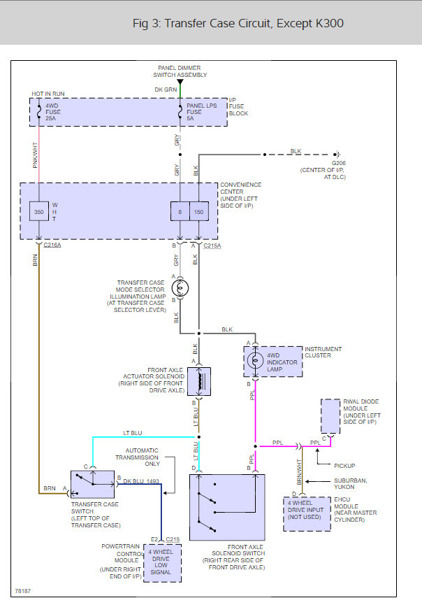
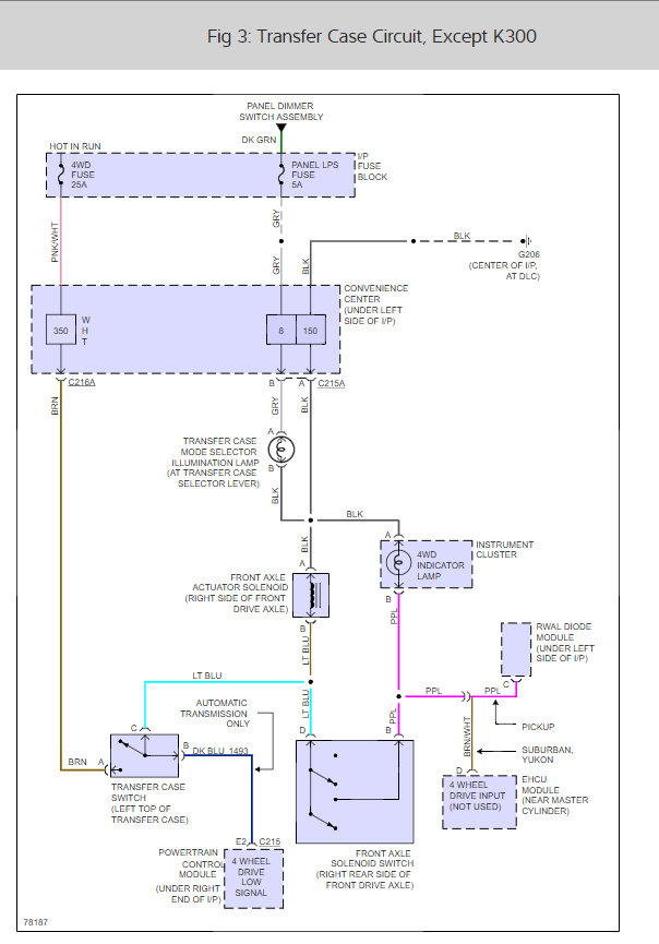
Hi, I have a 4L60e automatic transmission and manual four wheel drive on floorboard on truck. I recently got stuck in mud with no wheel drive and so I came home and did research and found my actuator was bad. So I changed it and a seal on my differential and before that actuator went bad I had both wheel high and wheel low. Now all I have is wheel low, I use wheel drive a lot. My fuses are all good and so are my wires. I recently had the entire transmission wiring harness redone and they did not mess up. Can anyone please help me figure out what is wrong?


