Saturday, February 18th, 2023 AT 12:46 PM
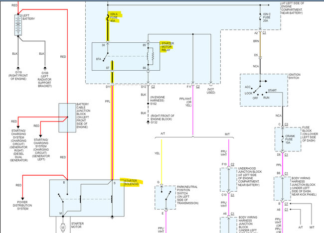
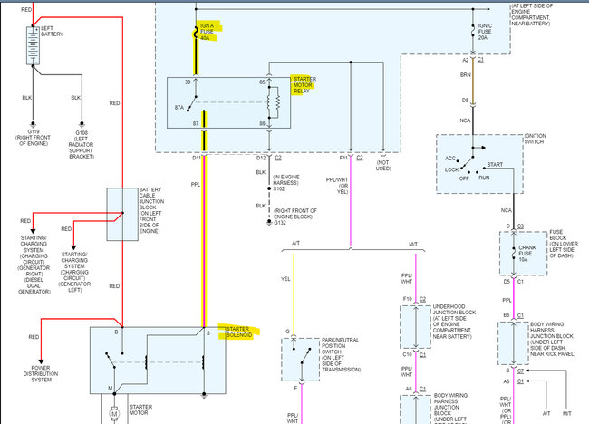
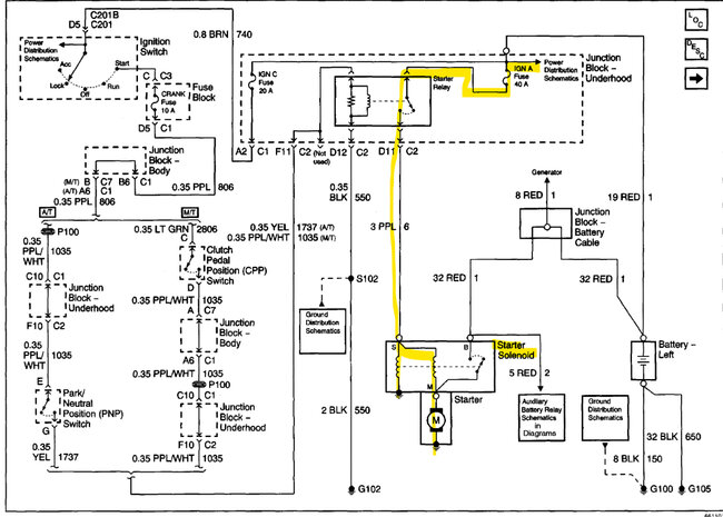
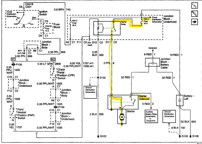
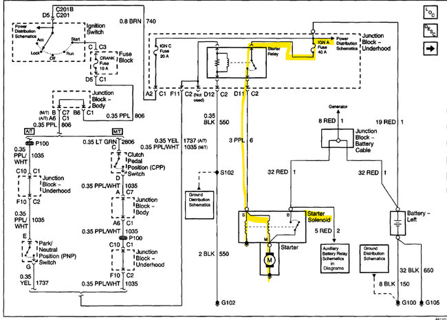
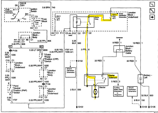
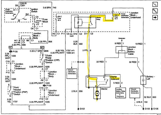
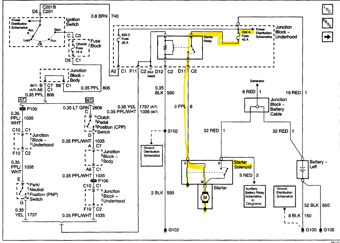
I have the truck listed above 1500. When I attempt to start it, the 40a ign fuse blows. I removed the starter and tested the signal wire and 12v+ cable for path to ground. The signal wire had no path to ground, the 12v+ DID have path to ground. I removed the 12v+ cable from the battery and fuse box. There is no damage to the insulation on the cable. There is no path to ground from the terminal in the fuse box. What could be causing the 40a ign fuse to blow as soon as I turn the key from On to Start?









