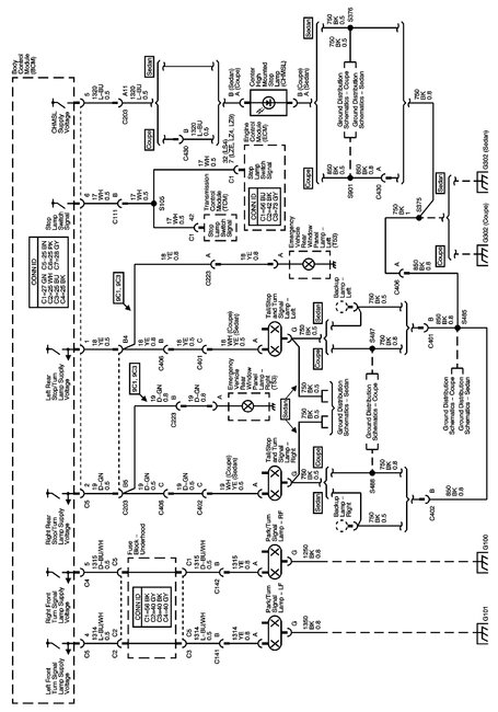
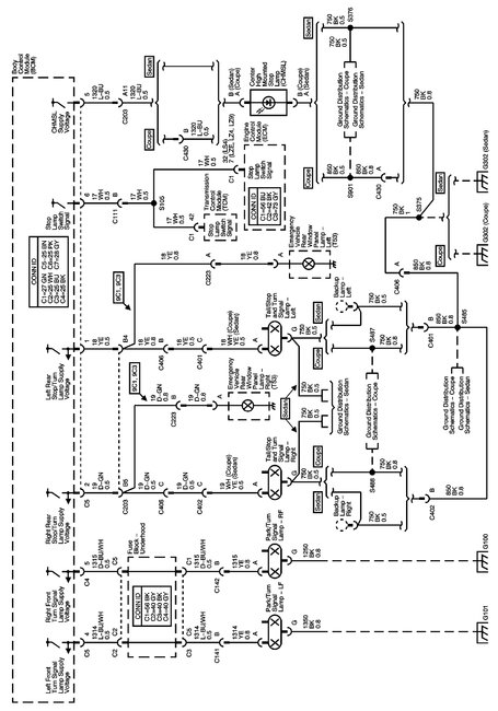
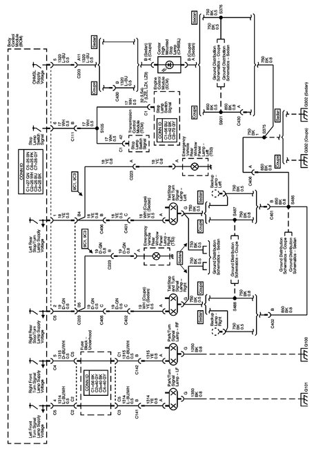
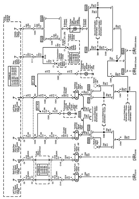
Monday, November 27th, 2017 AT 8:35 PM
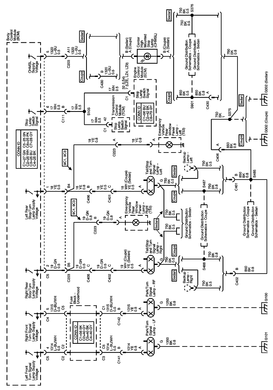
Third stop light on trunk inoperative. It has 5.6 volts to board for LED's, but they do not even light up with tail lights or brake lights.


