My brake lights stay on and my tag lights not working

Tiny
WOOKIE6200
  • MEMBER
  • 2015 CHEVROLET SILVERADO
  • 5.3L
  • V8
  • 2WD
  • AUTOMATIC
  • 68,000 MILES
Truck is a crew-cab 1500. My brake lights stay on and my tag lights not working.
Sunday, August 11th, 2019 AT 4:02 PM

20 Replies

Tiny
KASEKENNY
  • MECHANIC
  • 18,907 POSTS
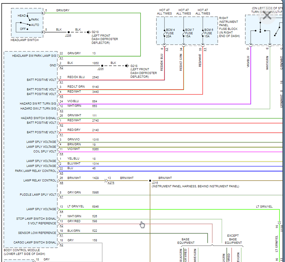
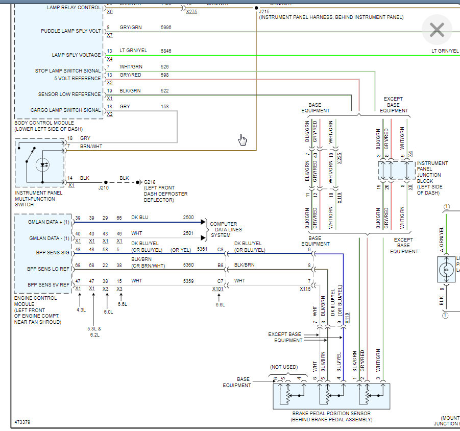
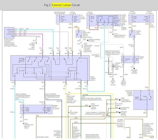
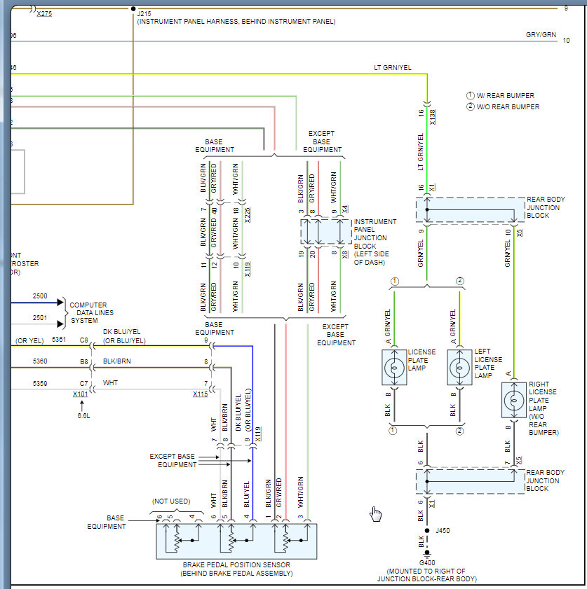
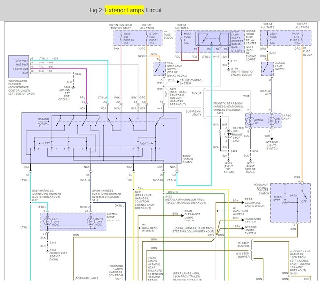
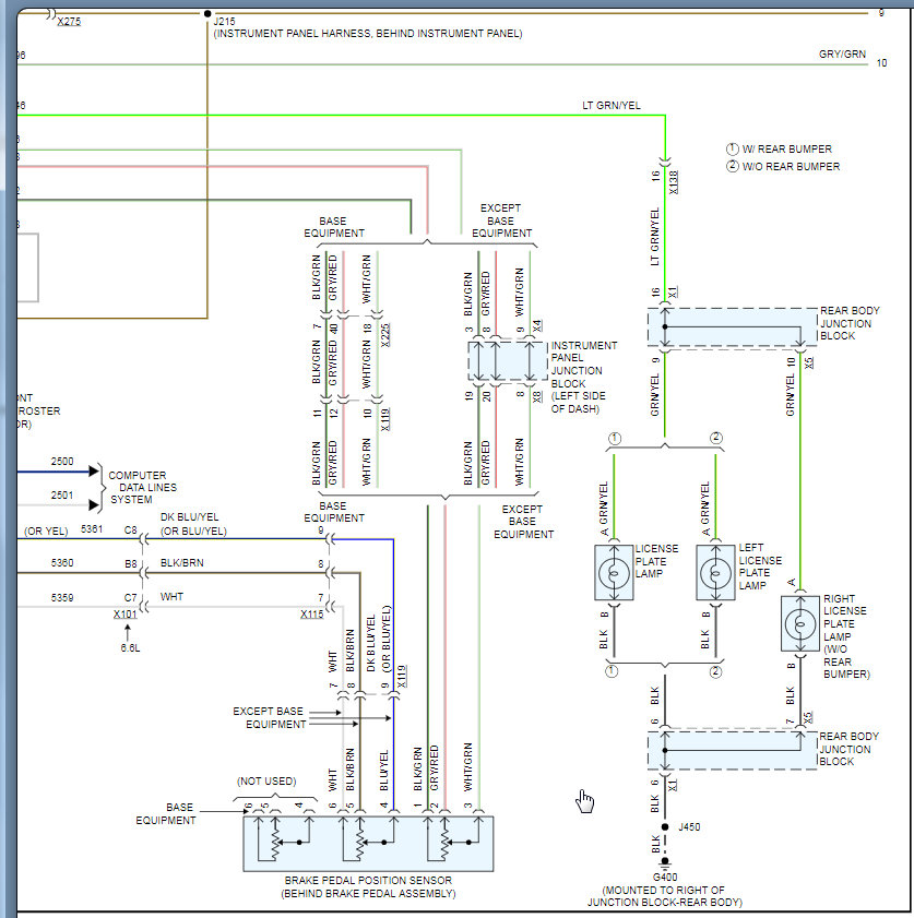
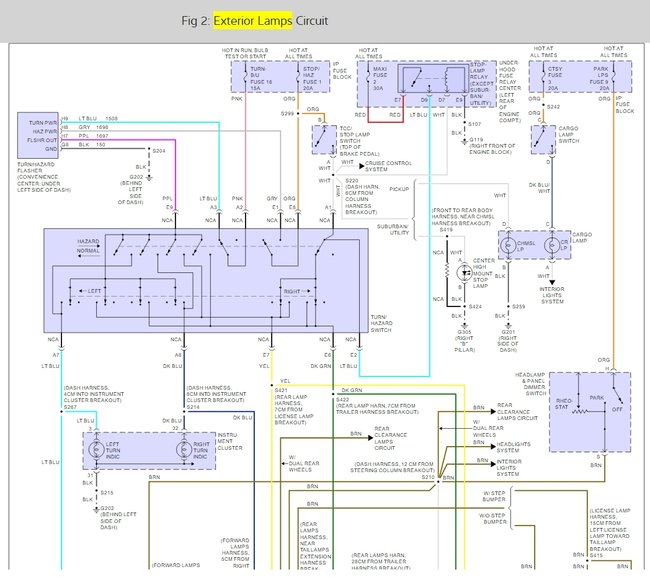
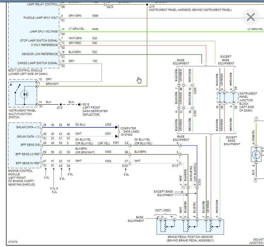
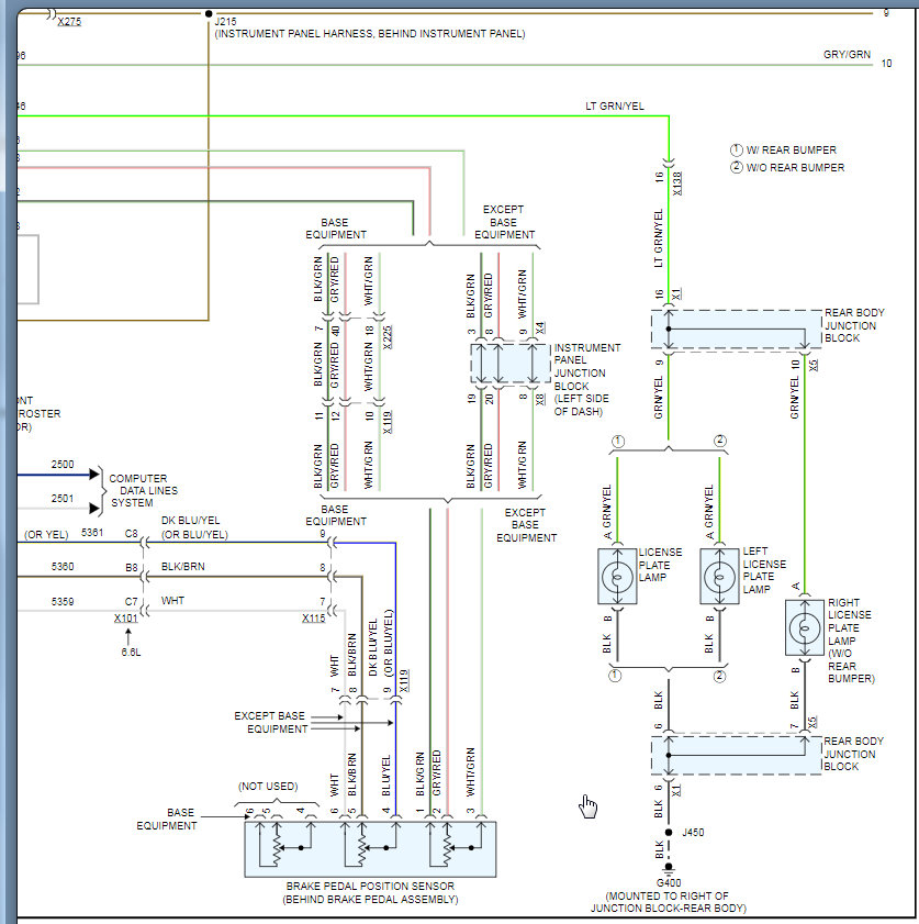
If this is connected then the most likely issue is the BCM. However, we can confirm this by testing power coming out of the BCM on the brake light circuit and the tag light.

Here is a guide that can help with this:

https://www.2carpros.com/articles/how-to-check-wiring

https://www.2carpros.com/articles/how-to-use-a-voltmeter

Let's check for power on the wiring diagram below on these circuits and then we can go from there. I attached the BCM replacement instructions if this proves out.

Let me know what question we have and we can go from there.
Was this
answer
helpful?
Yes
No
-1
Thursday, February 25th, 2021 AT 5:53 PM
Tiny
BEACHBUM98
  • MEMBER
  • 1 POST
  • 2008 CHEVROLET SILVERADO
The brake light on the top of my cab stays on all the time. Why Thank You Tom
Was this
answer
helpful?
Yes
No
+1
Friday, February 26th, 2021 AT 9:59 AM (Merged)
Tiny
JDL
  • MECHANIC
  • 16,098 POSTS
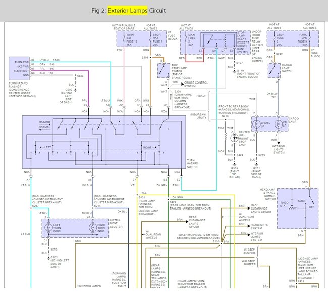
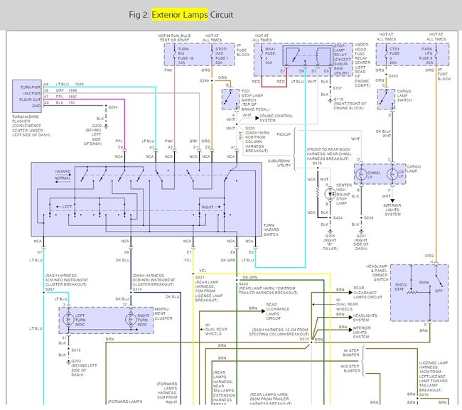
Welcome to the forum. Do the lower brake lites stay on, also? There is a high mount relay in the underhood fuse box, maybe a faulty relay? Voltage to the load side of relay is hot all the time. The coil side of relay gets voltage from BCM in order to energize. You can check for voltage, use a digital voltmeter, that should be safe, I'm not sure how much voltage would be on the bcm circuit. In the picture, chmsl is, center high mount stop lamp.


https://www.2carpros.com/forum/automotive_pictures/170934_08_silverado_brake_1.jpg

Was this
answer
helpful?
Yes
No
+1
Friday, February 26th, 2021 AT 9:59 AM (Merged)
Tiny
IDAHOBOAT
  • MEMBER
  • 1 POST
So that relay is part of the brake lighting system so I got replacement and that fixed it Thanks
Was this
answer
helpful?
Yes
No
-1
Friday, February 26th, 2021 AT 9:59 AM (Merged)
Tiny
MHERTICH
  • MEMBER
  • 2 POSTS
  • 2005 CHEVROLET SILVERADO
  • 5.3L
  • V8
  • 4WD
  • AUTOMATIC
  • 250,000 MILES
The right hand trailer brake light always has power to it.
Tested 7 pin receptacle on truck and everything works as advertised other than the right hand signal and brake pin which has 12 volts always, even with key in the off position. With right hand blinker on you get off/on 12 volts as you should. Brake lights on truck work fine.
Was this
answer
helpful?
Yes
No
Friday, February 26th, 2021 AT 9:59 AM (Merged)
Tiny
KEN L
  • MASTER CERTIFIED MECHANIC
  • 55,488 POSTS
Hello,

It sounds like you have a flasher module out. Here is the location of the unit so you can change it out. Check out the diagrams (below). Please let us know what happens.
Was this
answer
helpful?
Yes
No
Friday, February 26th, 2021 AT 9:59 AM (Merged)
Tiny
MHERTICH
  • MEMBER
  • 2 POSTS
Thanks, that was the culprit.
Was this
answer
helpful?
Yes
No
Friday, February 26th, 2021 AT 9:59 AM (Merged)
Tiny
KEN L
  • MASTER CERTIFIED MECHANIC
  • 55,488 POSTS
Good to hear, please use 2CarPros anytime we are here to help.
Was this
answer
helpful?
Yes
No
Friday, February 26th, 2021 AT 9:59 AM (Merged)
Tiny
DASH142
  • MEMBER
  • 1 POST
  • 1998 CHEVROLET SILVERADO
Truck has daylight running lights but my brake lights stay on all the time only when I step on the pedal the lights brake lights go off, oh and the 4 way flashers work when ignition key is off but when I turn the ignition key on they stop working because brake lights are on all the time but when I step on the brake peddle the brake lights go off and then the 4 way hazard lights flash also. Any help will be greatly appreciated as it is my wife's pickup and she uses it to drive our handicapped son to school and I want to keep them safe

replaced the switch but before I put the new switch in I checked the brake lights and it was still on put the new one is and they were still on. Found the DRL fuse removed that thinking it could have been a cross in the wires, Traced the wires back and unplugged the wires going back to the tail lights( brake lights) and the lights went out. Now the silverado has the full package ie multifunction control ie directional cruise control and wiper controls and high and low beam control. I did pull the brake light fuse and the lights still stayed on. Then pulled the brake light relay under the hood and the brake lights went off. Put in a new relay and the brake lights came back on. Somewhere there is power going to the backlight relay under the hood but when the ignition key is off there is no power going to it.

Any ideas? Thanks Dash142
Was this
answer
helpful?
Yes
No
Friday, February 26th, 2021 AT 9:59 AM (Merged)
Tiny
KEN L
  • MASTER CERTIFIED MECHANIC
  • 55,488 POSTS
Hey Guys,

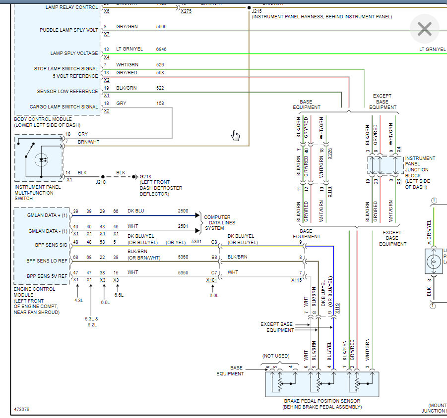
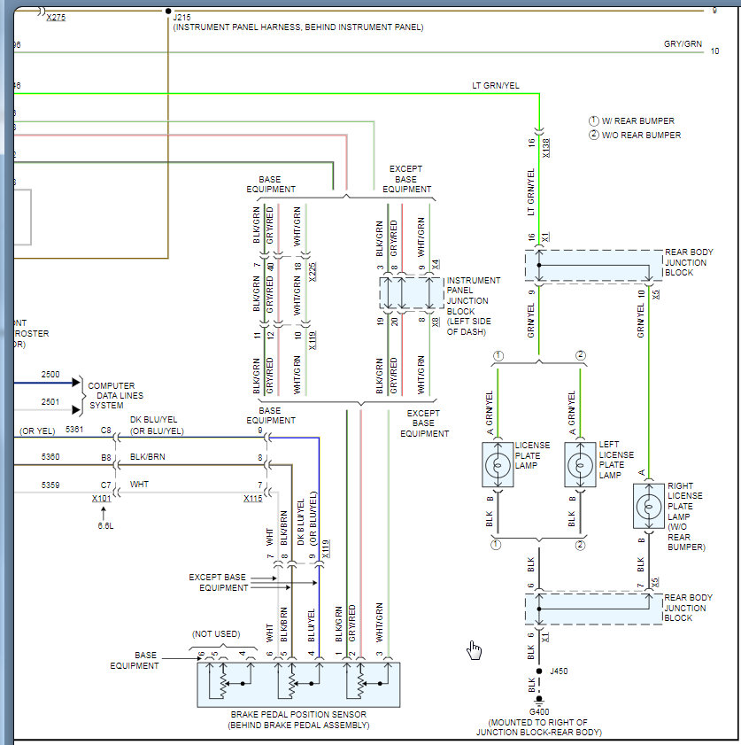
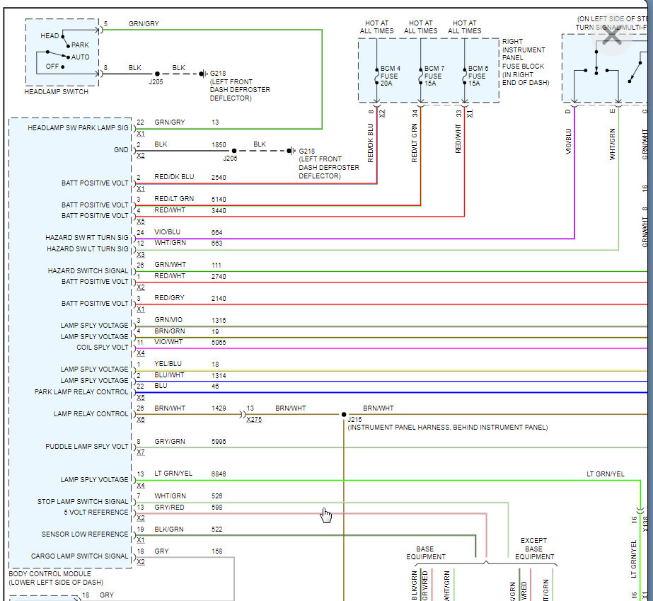
It sounds like the turn/hazard switch is shorted and needs to be replaced but to be sure let's check the wiring to make sure here is a guide and the brake light wiring diagrams.

https://www.2carpros.com/articles/how-to-check-wiring

Check out the diagrams (Below). Please let us know what you find. We are interested to see what it is.

Cheers, Ken
Was this
answer
helpful?
Yes
No
Friday, February 26th, 2021 AT 9:59 AM (Merged)
Tiny
REY-GTS
  • MEMBER
  • 1 POST
Thank you for this post I replace the turn signal switch and the system started working cost me $76.00 for the part.
Was this
answer
helpful?
Yes
No
+2
Friday, February 26th, 2021 AT 9:59 AM (Merged)
Tiny
MUNCLE
  • MEMBER
  • 2 POSTS
  • 1996 CHEVROLET SILVERADO
  • V8
  • 4WD
  • AUTOMATIC
  • 140,000 MILES
All 3 of my brake lights are stuck on.I replaced the break switch it didn't work, there even on when its disconnected.I tried disconnecting the headlight/dimmer switch and each brake light one at a time, they still stay on. The only time they go off is if I remove the relay under the hood.I tried a new relay but they were still on. When I remove the relay they tailgate lights go out but the 3rd light on the cab stays on.I tried unplugging the 3rd brake light and the back 2 were still stuck on.I have a remote star but I disconnected it and it didn't help but the brake wire its connected to has +12v's it should be -12v's. Its like there is a bad relay somewhere thats stuck but I can't find any others. HELP !
Was this
answer
helpful?
Yes
No
Friday, February 26th, 2021 AT 10:00 AM (Merged)
Tiny
JDL
  • MECHANIC
  • 16,098 POSTS
Welcome to the forum, thanks for the donation. If the brake lites are on with the switch disconnected and the connector is ok, and nothing shorted to voltage, You may need to check for backfeed from the multifunction switch.
Was this
answer
helpful?
Yes
No
+1
Friday, February 26th, 2021 AT 10:00 AM (Merged)
Tiny
MUNCLE
  • MEMBER
  • 2 POSTS
Multifunction switch? Could ya be more specific? Theres no "multifunction" switch in the book. And maybe where its located? Like under the hood? Under the dash?
Was this
answer
helpful?
Yes
No
Friday, February 26th, 2021 AT 10:00 AM (Merged)
Tiny
RFULTZ
  • MEMBER
  • 5 POSTS
Hey your multifunction switch is the lever that works your turn signals, wipers, washer, and cruise control. Hope this helps.


https://www.2carpros.com/forum/automotive_pictures/441156_multifunction_switch_1.jpg

Was this
answer
helpful?
Yes
No
+3
Friday, February 26th, 2021 AT 10:00 AM (Merged)
Tiny
WILL MAUSER
  • MEMBER
  • 1 POST
  • 1995 CHEVROLET SILVERADO
  • 5.7L
  • V8
  • 4WD
  • AUTOMATIC
  • 98,000 MILES
When I step on the brake pedal the brake lights stay on except for the high third brake light goes out. When I tap the pedal a few times they usually go out. It does not happen every single time but more than not. I changed the brake switch and the tail light circut boards. I am getting very fustrated because I need the truck and cannot drive it like that. Please, if you have any ideas let me know as soon as possible. Thank you, Will
Was this
answer
helpful?
Yes
No
Friday, February 26th, 2021 AT 10:00 AM (Merged)
Tiny
HMAC300
  • MECHANIC
  • 48,601 POSTS
Check the stop lamp relay in under hood fuse panel see pic. It may be sticking causing the problem. Also check the ground on RH front wheel housing for relay
Was this
answer
helpful?
Yes
No
+1
Friday, February 26th, 2021 AT 10:01 AM (Merged)
Tiny
KEN L
  • MASTER CERTIFIED MECHANIC
  • 55,488 POSTS
Will Mauser wrote:

Ok almost same question. I have a 1995 silverado. The brake lights stay on when not pushing the pedal. I replaced both rear light circuit boards, brake switch, flasher relay, tighten a loose wire going to fuse box under the hood. They don't always stay on just most of the time. Could it be the brake light relay in the engine compartment? Would that relay cause the brake lights to stay on?

I do believe it worked! The bolt on the red wire was loose. Thank you so very much as I was going absolutely crazy trying to find the problem! ! Thank you!
Was this
answer
helpful?
Yes
No
+2
Friday, February 26th, 2021 AT 10:01 AM (Merged)
Tiny
CHRISTOPHER60
  • MEMBER
  • 1 POST
  • 1990 CHEVROLET SILVERADO
  • 220 MILES
Even after a new brake light switch same problem
Was this
answer
helpful?
Yes
No
Friday, February 26th, 2021 AT 10:01 AM (Merged)
Tiny
CARADIODOC
  • MECHANIC
  • 34,489 POSTS
Do the lights turn off when you press the button on the switch by hand? If so, look for a missing rubber bumper the switch is supposed to hit. Also check that the switch is adjusted properly.
Was this
answer
helpful?
Yes
No
Friday, February 26th, 2021 AT 10:01 AM (Merged)

Please login or register to post a reply.