No start no crank and security light on?

Tiny
GRASSCUTTER1
  • MEMBER
  • 2015 TOYOTA RAV4
  • 4 CYL
  • 4WD
  • AUTOMATIC
  • 100 MILES
The vehicle will start with remote starter and original key fobs (2) both work to lock and unlock doors. It is a push button start and when pushed the dash lights up like it normally does but will not start and the steering wheel remains locked but will go in D or N. Security Lock remains slow flashing on dash. I have tried all the immobilizer tricks, new batteries in fobs and holding it on the push button start, locking and unlocking, used manual key to unlock and lock doors for 30 seconds holding the panic button down then lock and unlock. Still nothing works. Put the scanner (maxi) on with no codes shown. The car has proper battery charge and starts with remote starter. I also jacked up the front end to take the pressure off the steering in case it was preventing the steering wheel from unlocking. Checked all the fuses with ohm meter. Disconnected the battery for 10min. Still has lock flashing on the dash and will not start.
Any suggestions would help.
Sunday, March 26th, 2023 AT 6:09 AM

11 Replies

Tiny
KEN L
  • MASTER CERTIFIED MECHANIC
  • 55,488 POSTS
It sounds like the main body ECU has gone out or the instrument cluster CPU, but I need to ask the scan for codes was that a realgar engine scanner or a CAN scanner. Because of a problem like this you need a CAN scan which is easy to do. You can get a CAN scanner (Controller Area Network) from Amazon.

Here is a video to show you how:

https://youtu.be/u-4syLc-ifQ

and

https://www.2carpros.com/articles/can-scan-controller-area-network-easy

You can try a hard reboot which is done by removing the negative side of the battery, with the cable loose from the negative side of the battery, hold it to the positive terminal for 1 minute this will discharge the memory capacitors in the BCM and PCM allowing the system to reboot. Please let us know what you find. We are interested to see what it is.
Was this
answer
helpful?
Yes
No
Sunday, March 26th, 2023 AT 7:49 PM
Tiny
GRASSCUTTER1
  • MEMBER
  • 6 POSTS
Hi there, thank you for your reply but as I stated I used a maxi scanner for a complete reading of the cars systems with no codes showing. I will try the hard reboot see if that helps.
Was this
answer
helpful?
Yes
No
Monday, March 27th, 2023 AT 5:42 AM
Tiny
KEN L
  • MASTER CERTIFIED MECHANIC
  • 55,488 POSTS
Here is how the system works:

Push-button start function
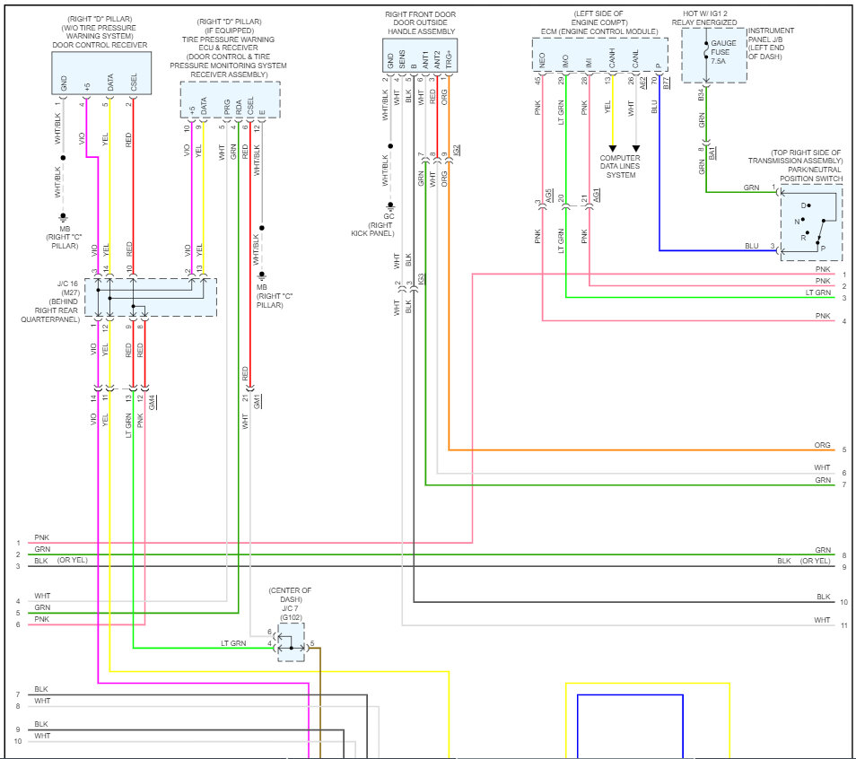
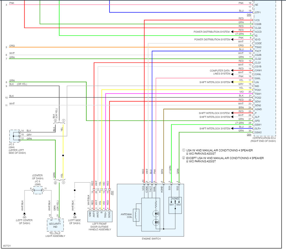
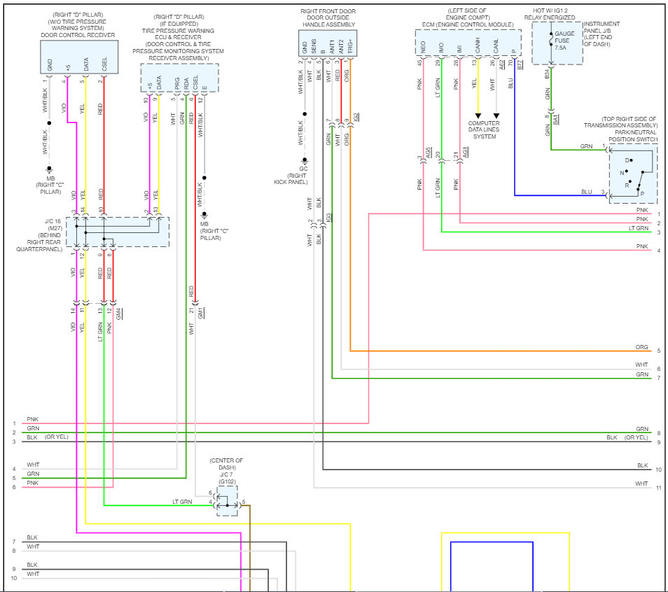
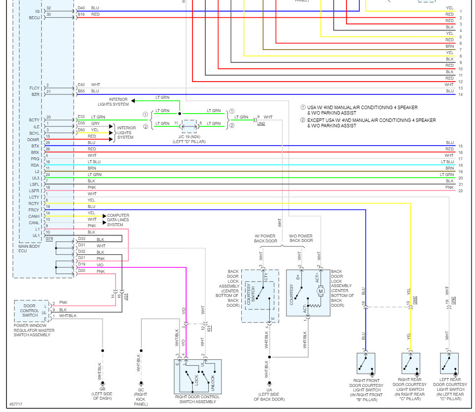
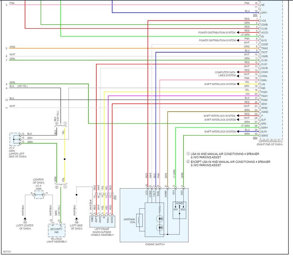
When the driver (or an occupant) gets in the vehicle and depresses the brake pedal while carrying the electrical key transmitter sub-assembly, the certification ECU (smart key ECU assembly) generates a request signal and sends it to the indoor electrical key oscillator. When the request signal is received, the indoor electrical key oscillator sends another request signal in order to detect whether the electrical key transmitter sub-assembly is in the cabin. When the electrical key transmitter sub-assembly receives this request signal, it sends back an ID code which includes a response code. The ID code sent from the electrical key transmitter sub-assembly is sent to the certification ECU (smart key ECU assembly) via the door control receiver. When the ID code is received, the certification ECU (smart key ECU assembly) analyzes the code.

If the certification result is normal, the smart warning light on the combination meter assembly illuminates in green. When the smart warning light illuminates in green, and the driver presses the engine switch, the certification ECU (smart key ECU assembly) recognizes the engine start signal, turns the ACC relay on and turns the IG1 and IG2 relays on in that order after 0.025 seconds. At this time, the certification ECU (smart key ECU assembly) confirms that the power source mode has changed and supplies the steering lock actuator with power. Then the steering lock ECU (steering lock actuator assembly) confirms that the certification ECU (smart key ECU assembly) is the proper ECU and operates the steering lock actuator motor until the steering lock is unlocked. After the steering lock is unlocked, the steering lock ECU (steering lock actuator assembly) sends an unlock completion signal to the certification ECU (smart key ECU assembly). When this signal is received, the certification ECU (smart key ECU assembly) sends an immobilizer unset command signal to the SFI system after confirming that the certification ECU (smart key ECU assembly) is the proper ECU. Then the certification ECU (smart key ECU assembly) sends a security indicator light off signal to the security indicator light (telltale light assembly).

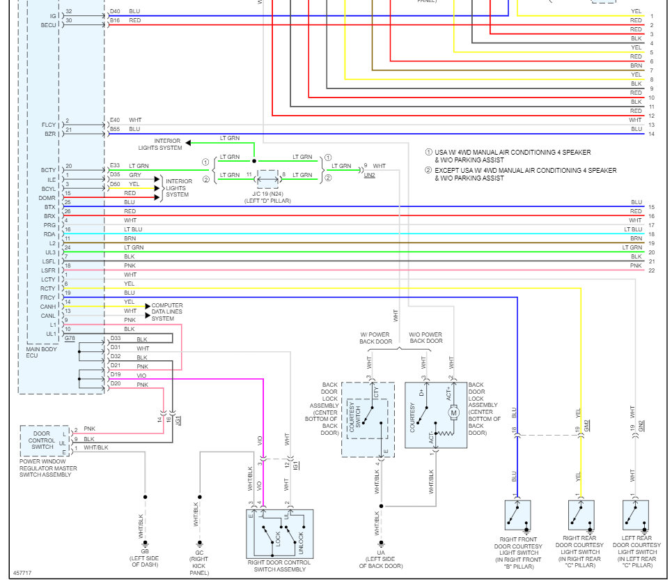
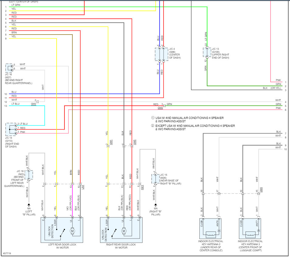
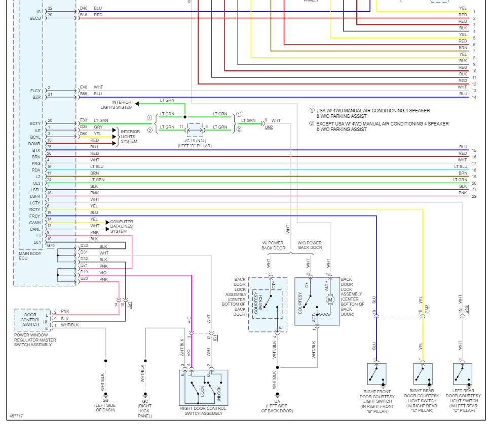
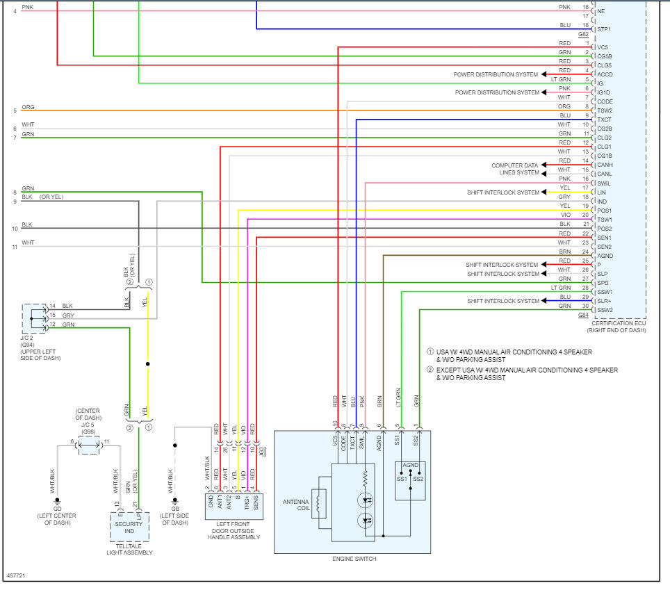
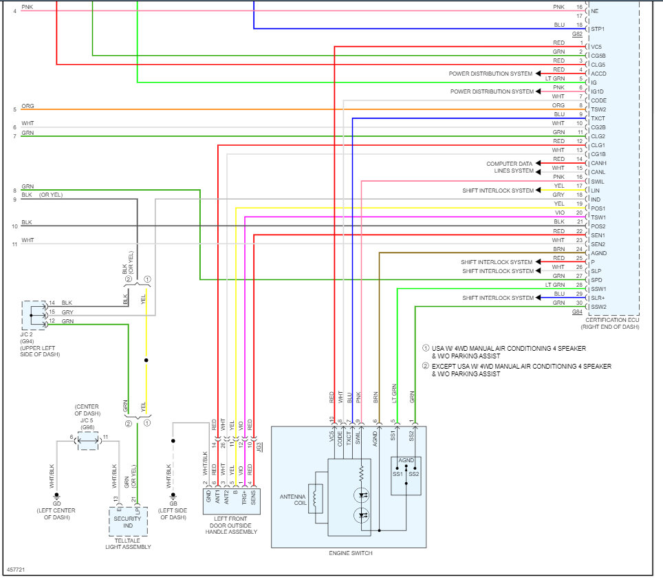
So, you may have a bad door control receiver. I was hoping the CAN scan would pick it up. Here is how to replace it and its location so you can check it out.
Was this
answer
helpful?
Yes
No
Monday, March 27th, 2023 AT 12:33 PM
Tiny
GRASSCUTTER1
  • MEMBER
  • 6 POSTS
I will have to borrow another scanner to see if it will show a code, I can't just start replacing parts to see if they are the problem. The key fobs open and lock the door with no issue and all the dash lights work and shifter release works. The smart key warning light does illuminate green when in the car and brake pressed so it is see the smart key one question if I do decide to remove the electric key transmitter sub assembly in the door can it be tested?
Was this
answer
helpful?
Yes
No
Monday, March 27th, 2023 AT 1:31 PM
Tiny
KEN L
  • MASTER CERTIFIED MECHANIC
  • 55,488 POSTS
Did the hard reboot change anything? Also as far as checking the functionality of the key transmitter sub assembly the vehicle is set up to do that within the CAN system which is why you need the scanner. It would be difficult to test it outside of the car.
Was this
answer
helpful?
Yes
No
Wednesday, March 29th, 2023 AT 12:05 PM
Tiny
GRASSCUTTER1
  • MEMBER
  • 6 POSTS
Hard boot did nothing and can scanner showed nothing wrong. Looks like the steering lock actuator is not operating which would cause the car not to start in the process of removing to test. But it is weird that no codes are being thrown.
Was this
answer
helpful?
Yes
No
Wednesday, March 29th, 2023 AT 1:30 PM
Tiny
KEN L
  • MASTER CERTIFIED MECHANIC
  • 55,488 POSTS
It may not show a code because it is a mechanical error. Here is how to change the ignition key and tumbler out. Check out the images (below). Please let us know what happens.
Was this
answer
helpful?
Yes
No
Thursday, March 30th, 2023 AT 1:18 PM
Tiny
GRASSCUTTER1
  • MEMBER
  • 6 POSTS
Yes, it is a mechanical error but a no start issues due to faulty actuator should show a code as it is needed to tell the smart key all is good so it would allow the ECU to process the start. If this is the cause, then it is a serious issue who is to say that my wife and kids pulled over in a snowstorm -20 to clean off the window and were left stranded on the highway with no way to steer or start the car.
Was this
answer
helpful?
Yes
No
Thursday, March 30th, 2023 AT 3:40 PM
Tiny
KEN L
  • MASTER CERTIFIED MECHANIC
  • 55,488 POSTS
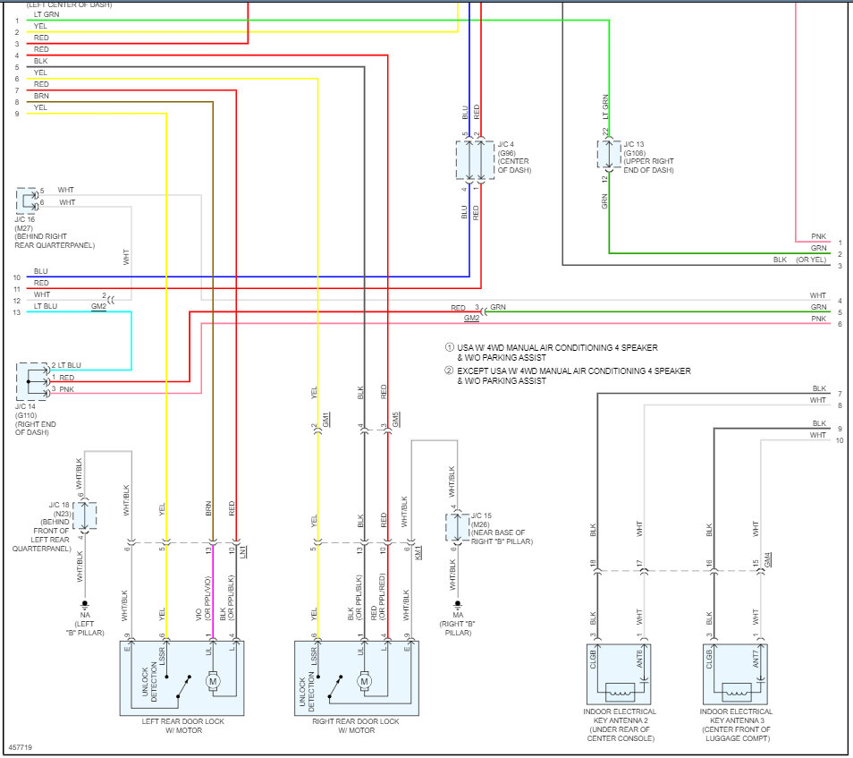
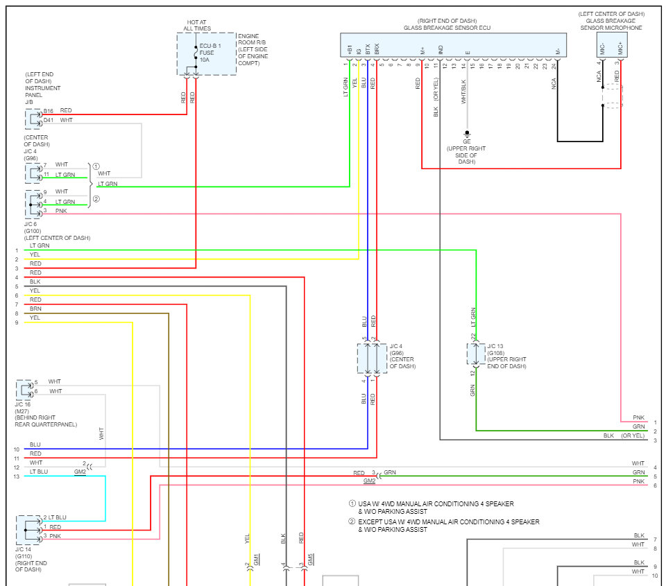
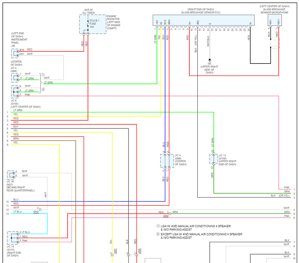
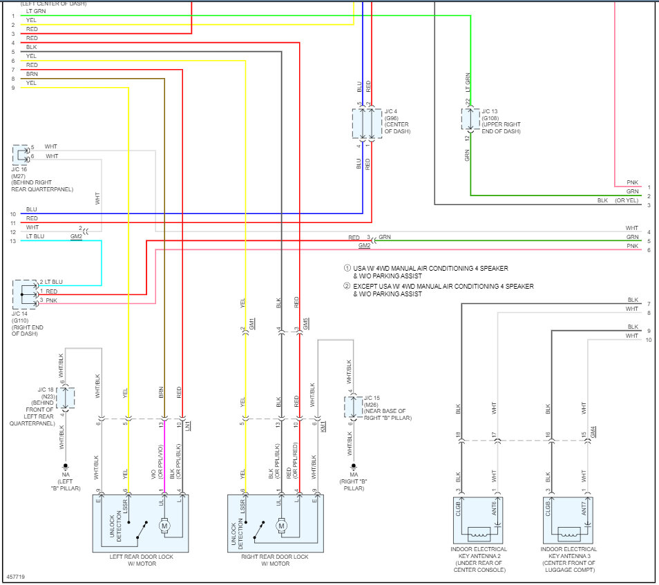
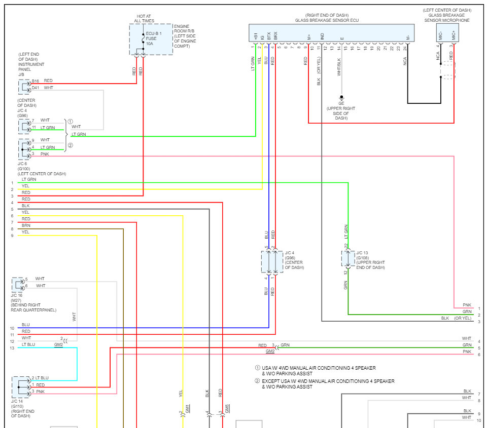
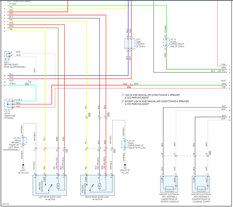
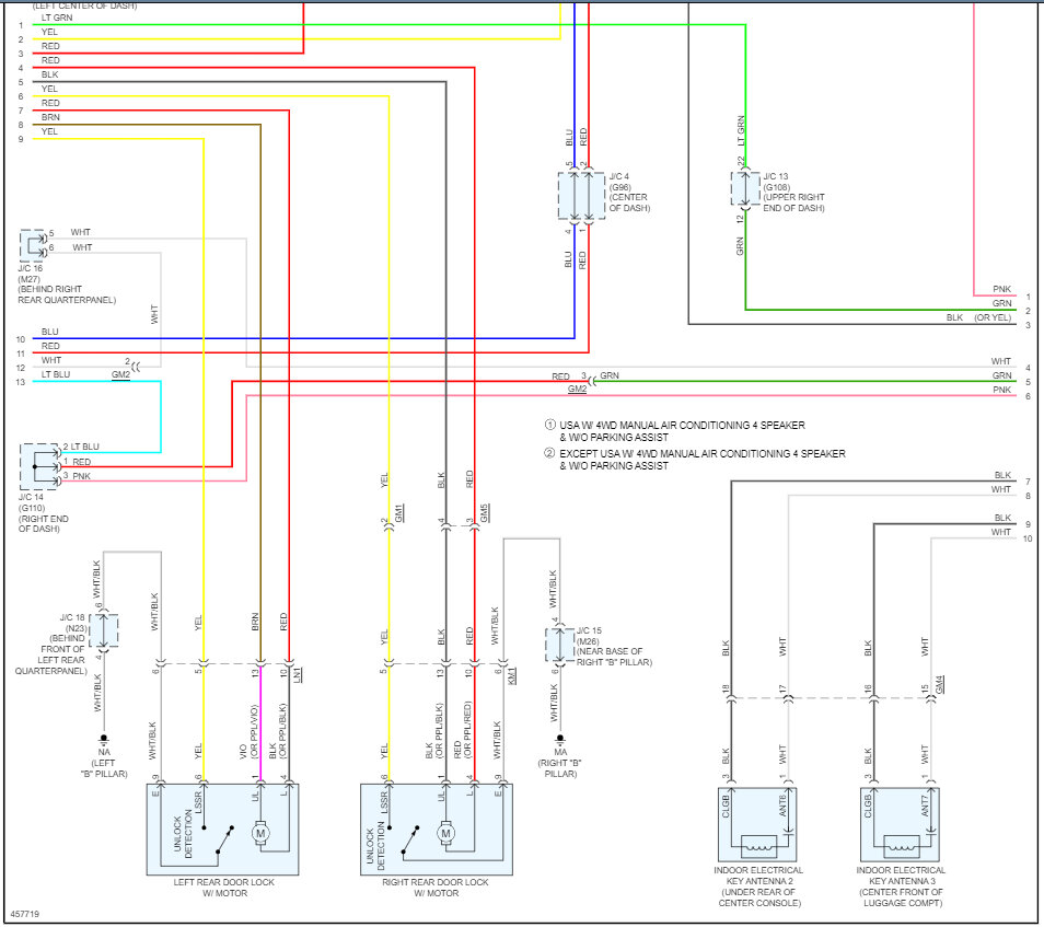
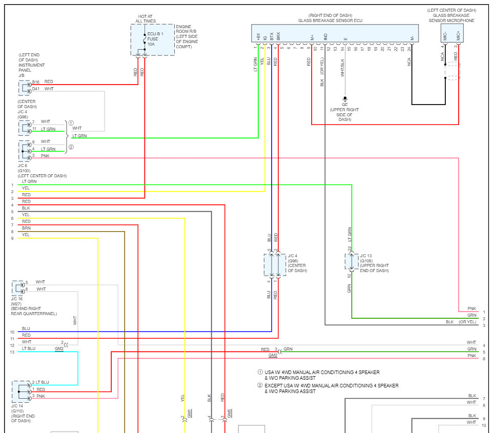
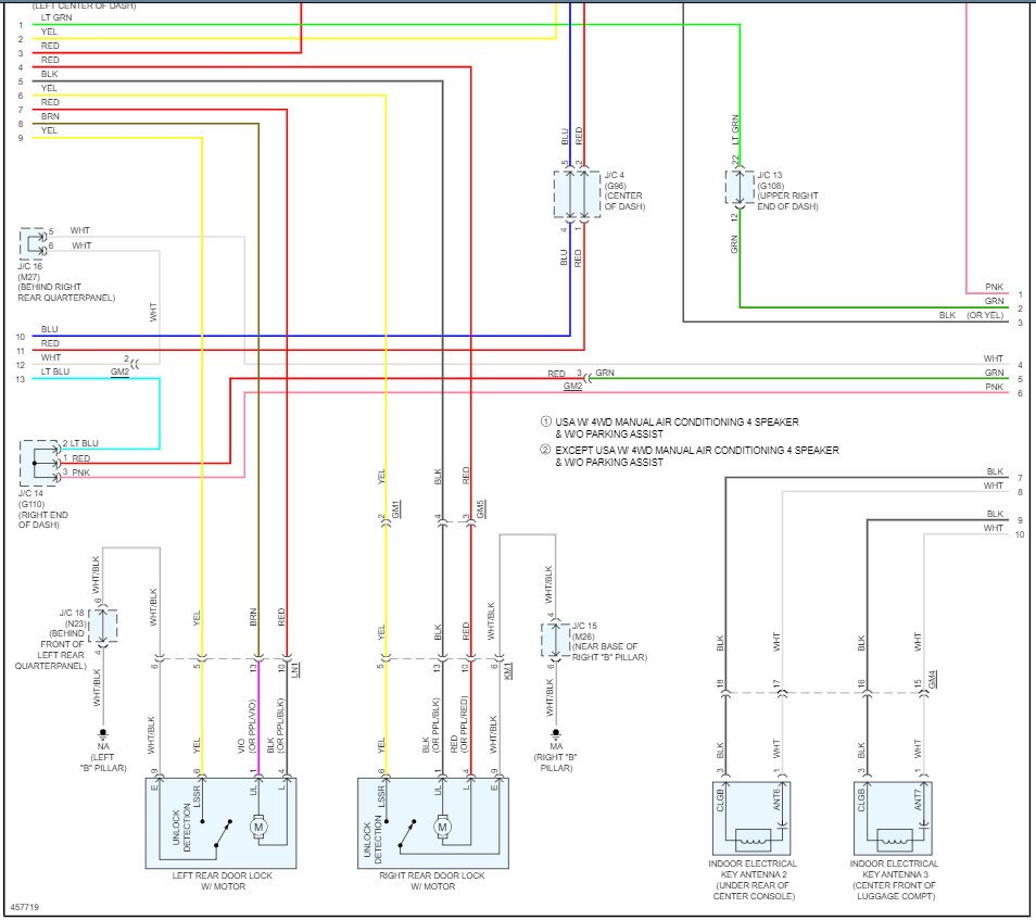
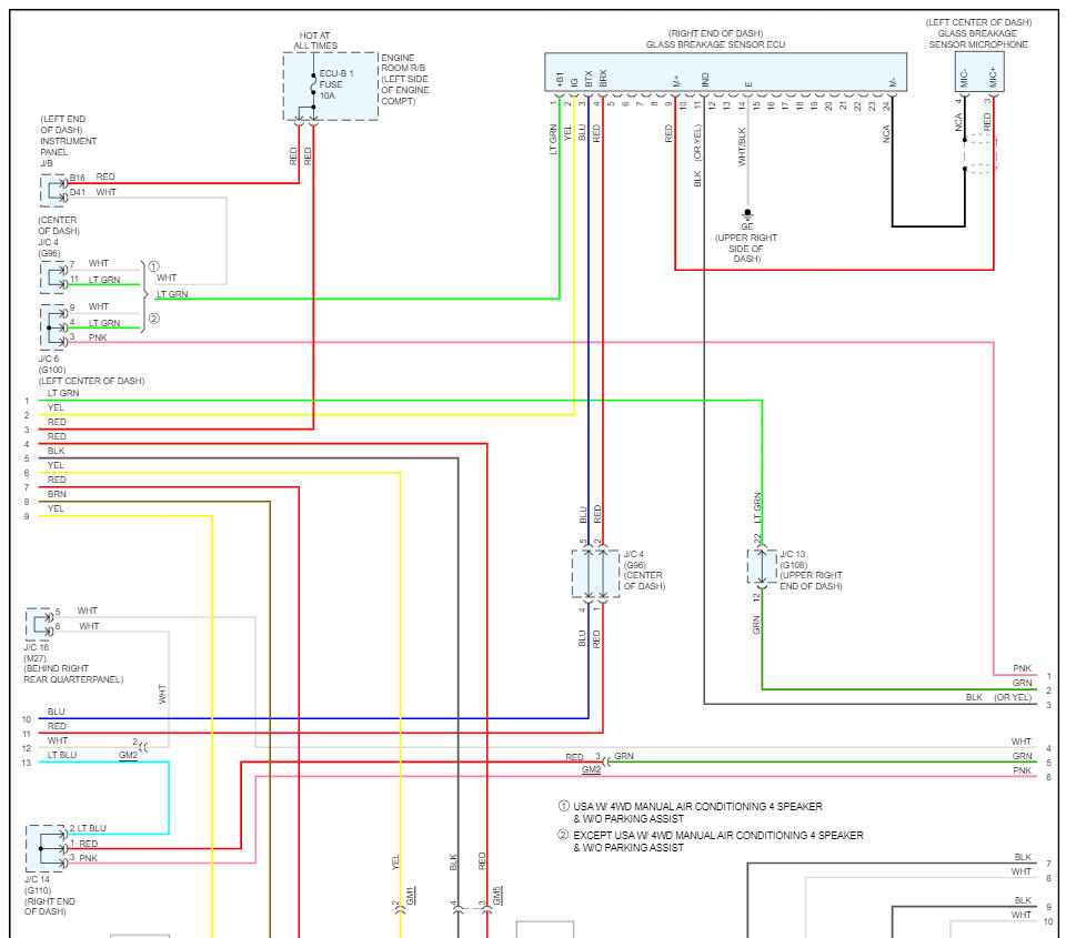
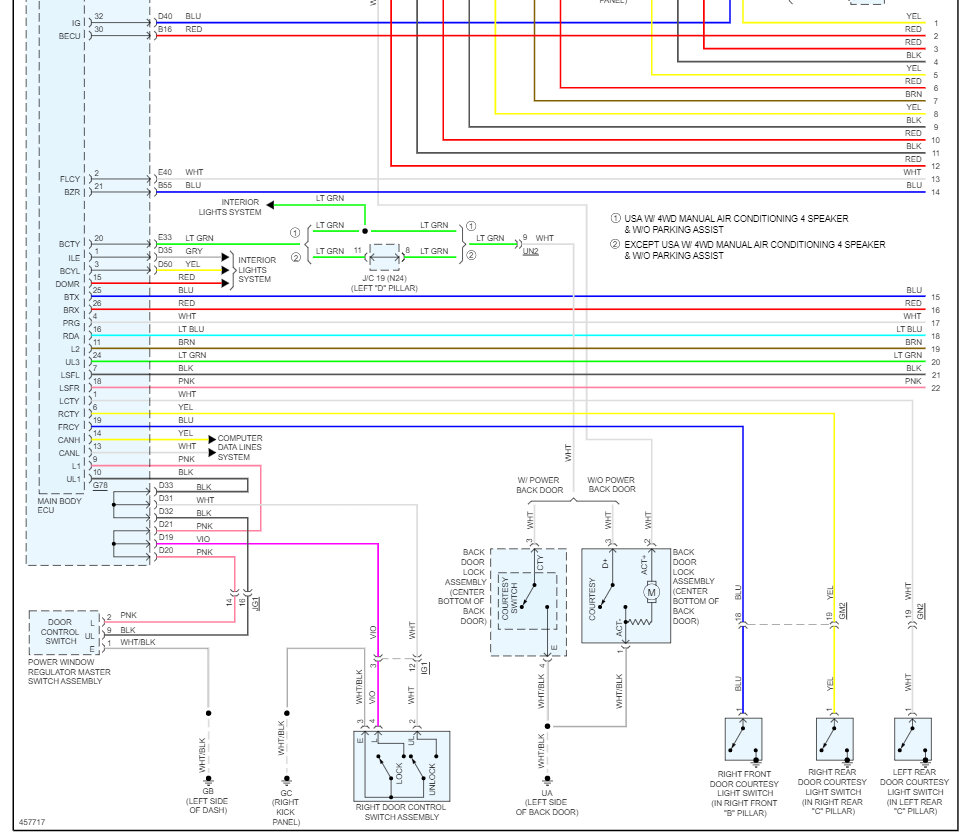
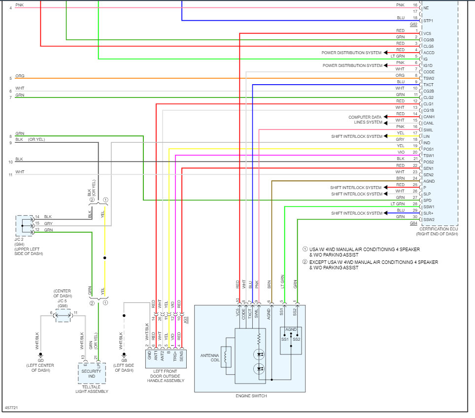
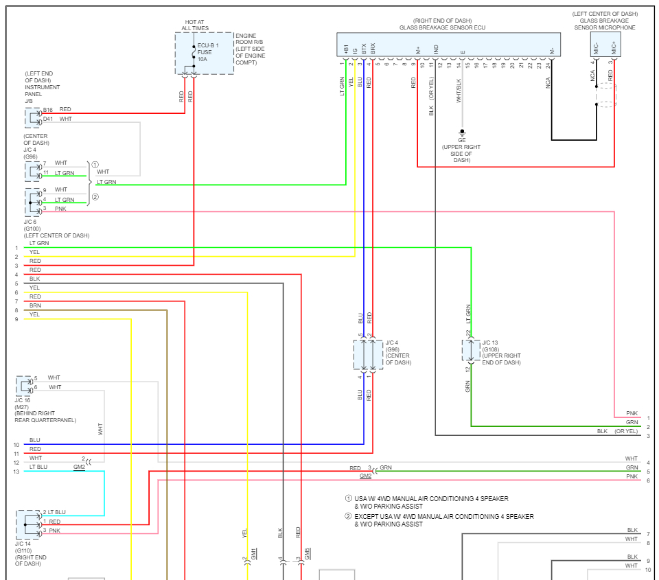
Yep sorry, it is a push to start. I would call the dealer to see if there is a software update that will fix the problem. A CAN scan should have pulled something up. I would recheck all fuses with the system on and I have included the wiring diagrams for the smart key system so you can see how the system works. Check out the images (below). Please let us know what you find. We are interested to see what it is.
Was this
answer
helpful?
Yes
No
Friday, March 31st, 2023 AT 11:05 AM
Tiny
GRASSCUTTER1
  • MEMBER
  • 6 POSTS
Changed out the steering actuator with no success, traced all steering brake wires back to source and ohm tested and found one connector that was loose. One would think that because no contact was being made that a code would show up, but not 9 hours of labor later found the issue. Now for some reason the electric hatch back will not open. It clicks and beeps with remote and with dash button at the dash and hatch lock but won't open, you can open it manually but is quite heavy and the shocks have to be stretched apart with quite a bit of force (not easy for the wife) trace that down another day. There has to be an easier way.
Was this
answer
helpful?
Yes
No
Tuesday, April 11th, 2023 AT 4:51 AM
Tiny
KEN L
  • MASTER CERTIFIED MECHANIC
  • 55,488 POSTS
Thanks for letting us know, we are here to help, please use 2CarPros anytime. Please start a new question for the hatch lock. Please post your new question here, you must be logged in:

https://www.2carpros.com/questions/new

Cheers, Ken
Was this
answer
helpful?
Yes
No
Thursday, April 13th, 2023 AT 9:33 AM

Please login or register to post a reply.