Radio will not work

2013 FORD FOCUS
49,084 MILES • 2.0L • 4 CYL • TURBO • FWD • AUTOMATIC
Avatar
JESSICAANDJUSTIN
  • MEMBER
  • 1 POST
My radio quit working. The screen works and will show the time date and temperature but it will not pull up the radio. How do I reset the radio to actually play the radio? Is there a code?
Jul 4, 2015 at 4:16 PM
Advertisement
Avatar
STRAILER
  • CAR REPAIR CONTRIBUTOR
  • 54,233 POSTS
Hello,

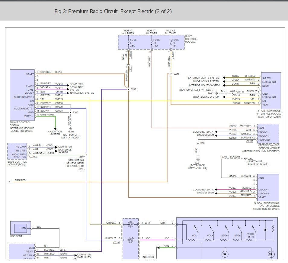
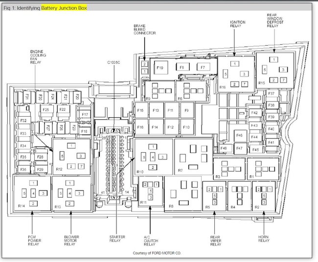
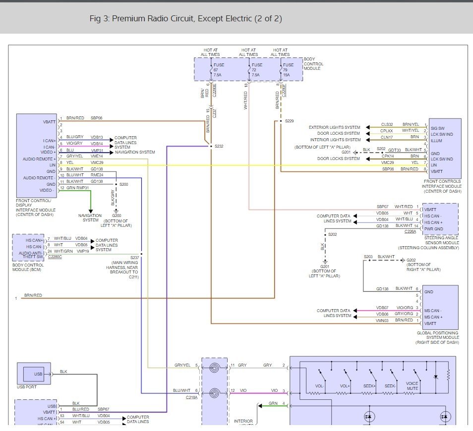
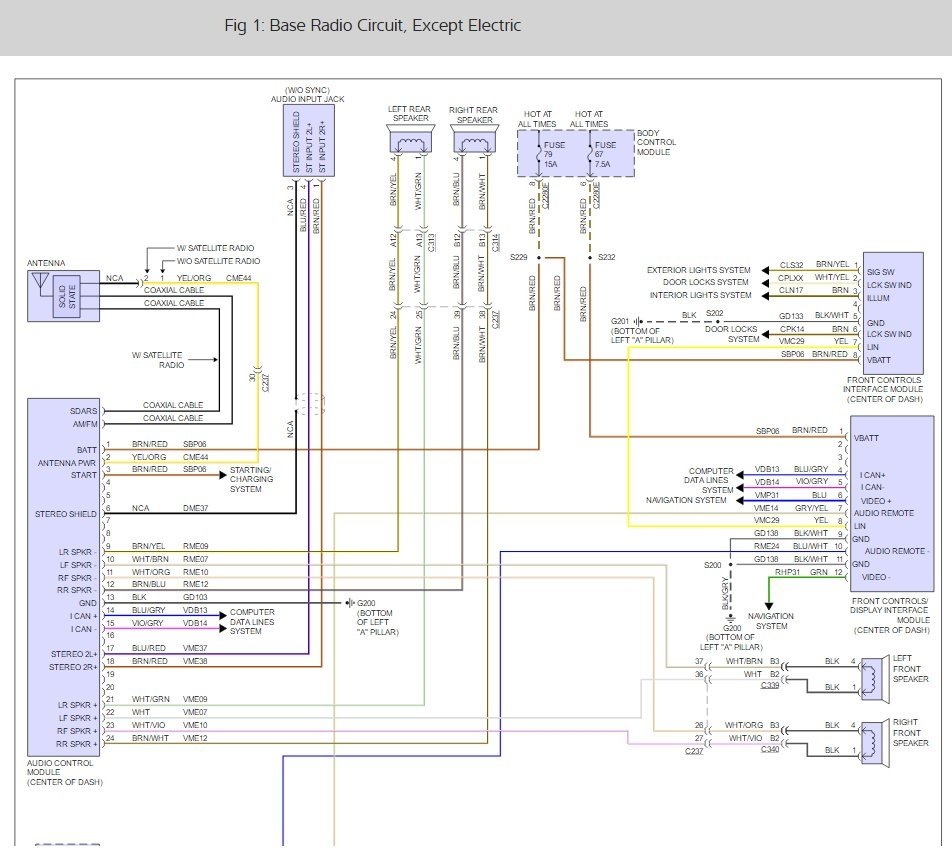
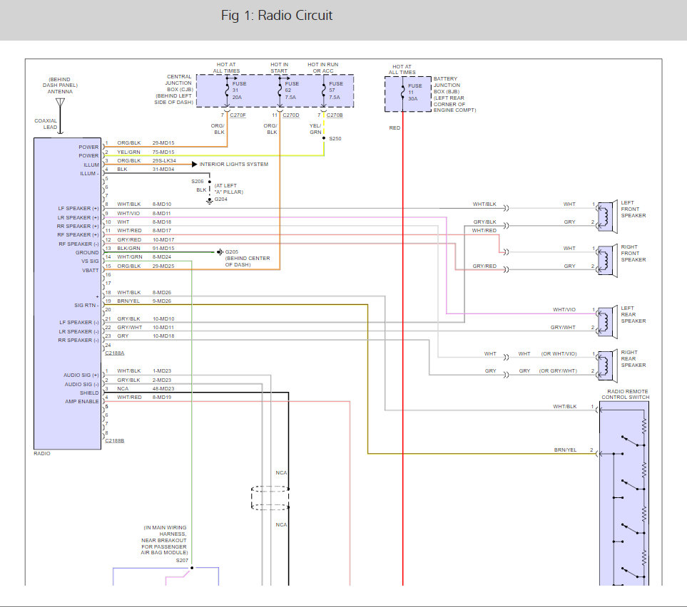
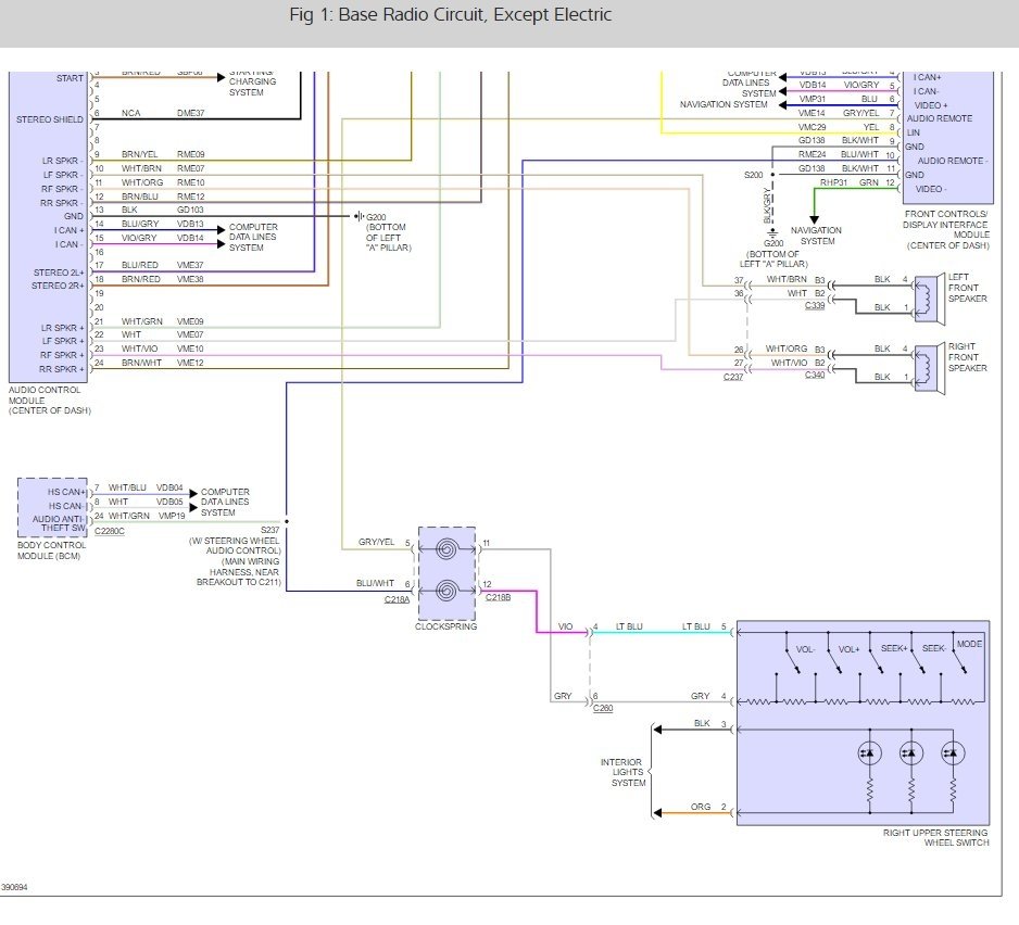
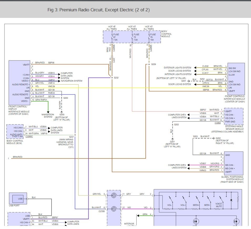
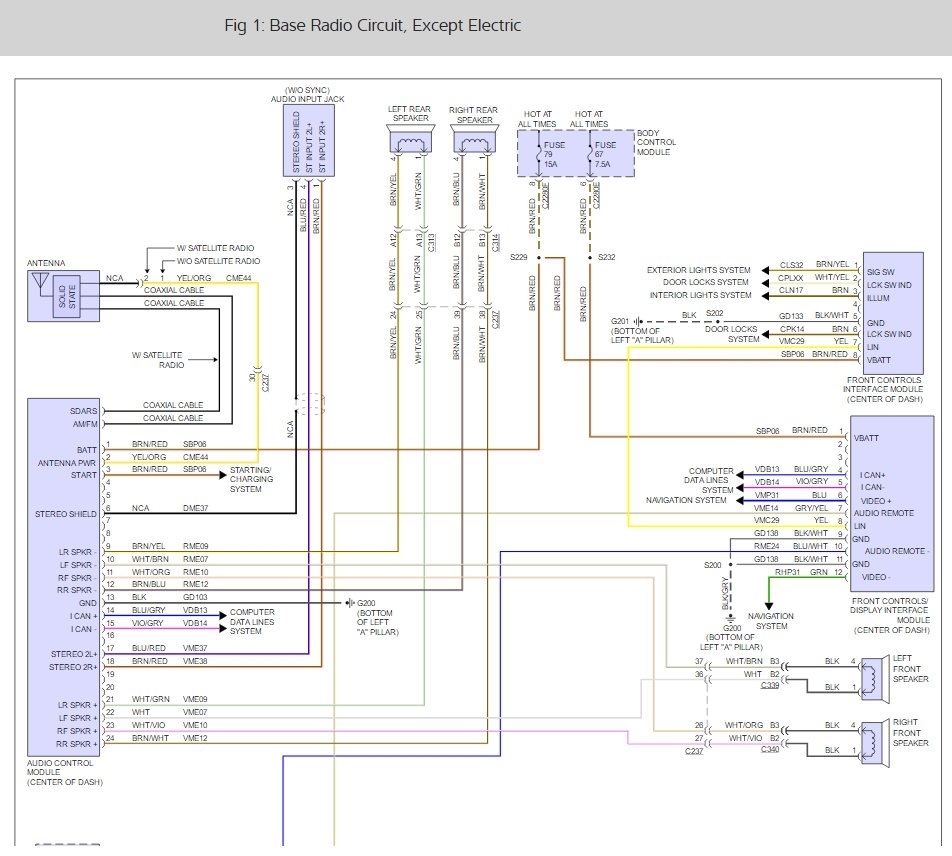
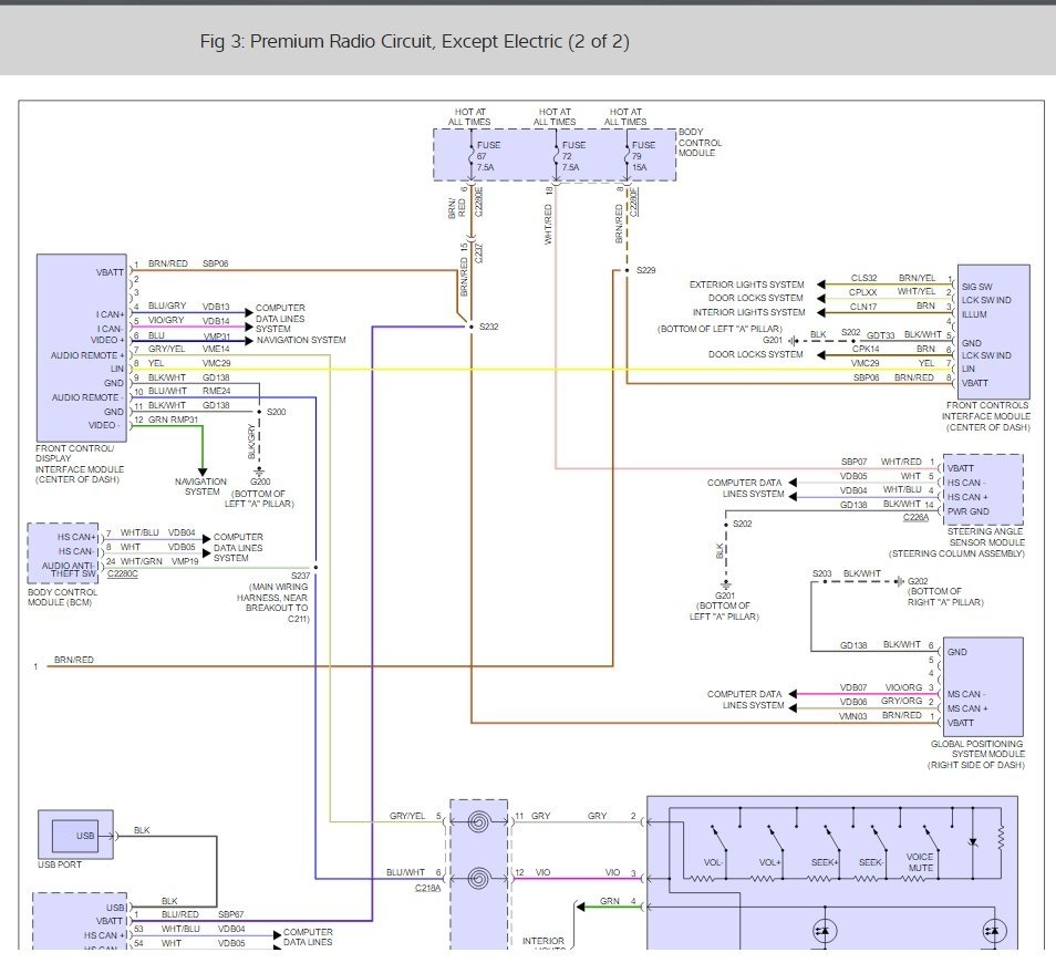
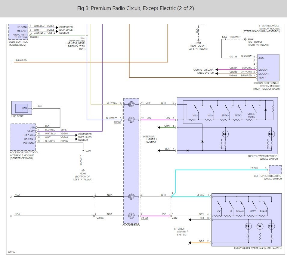
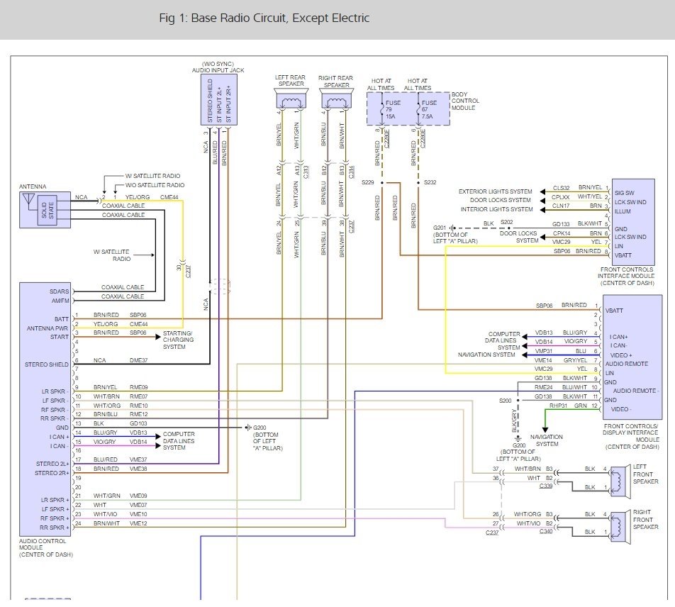
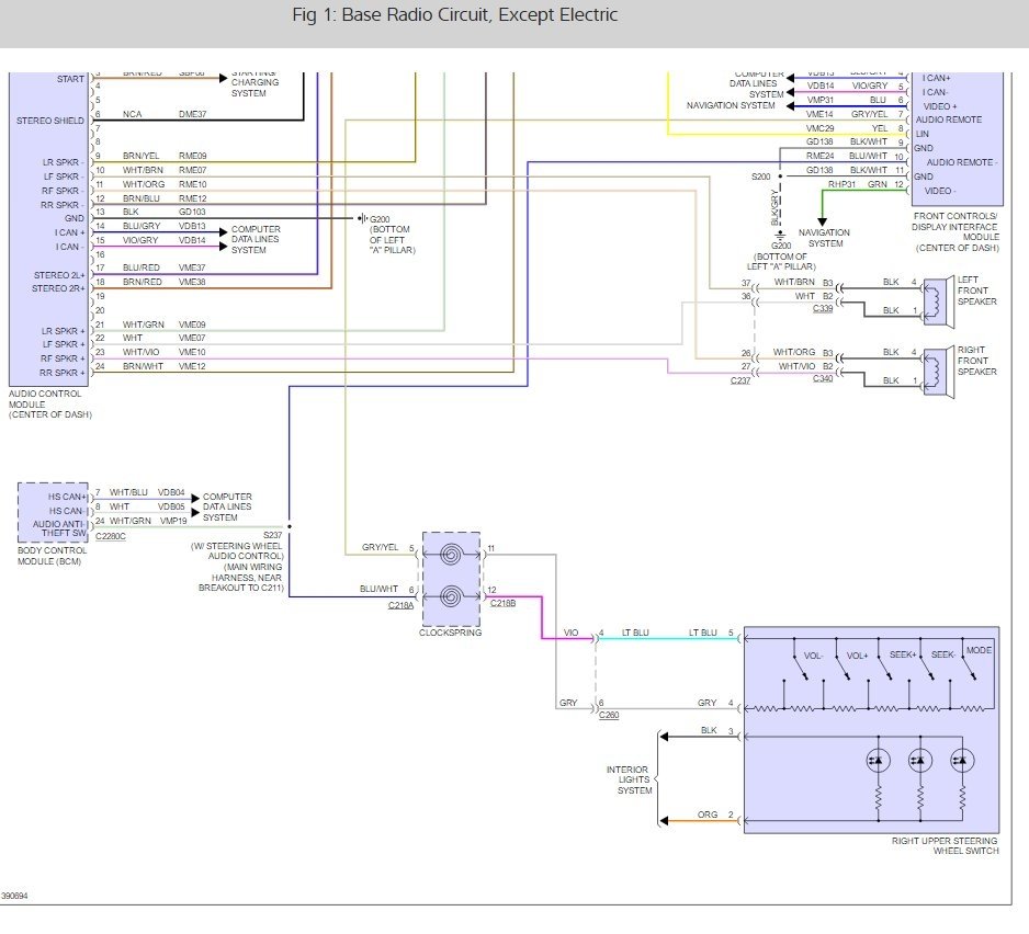
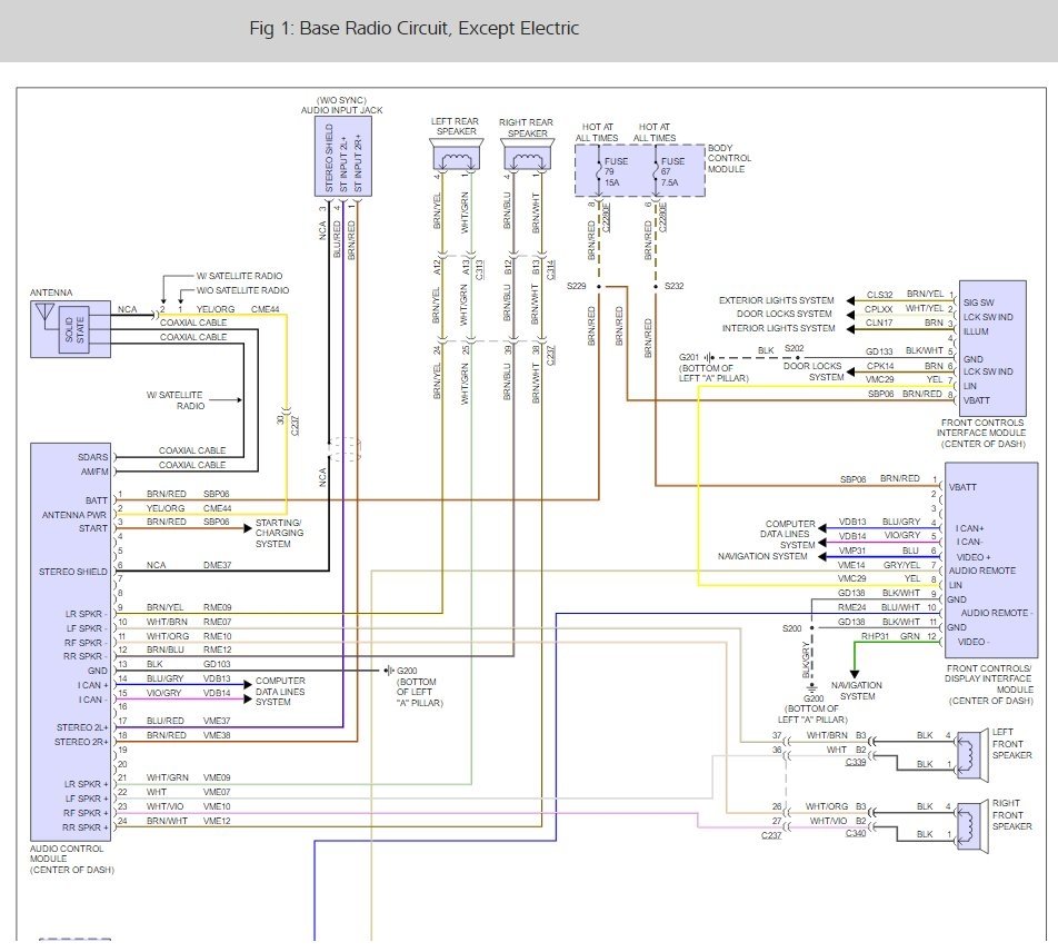
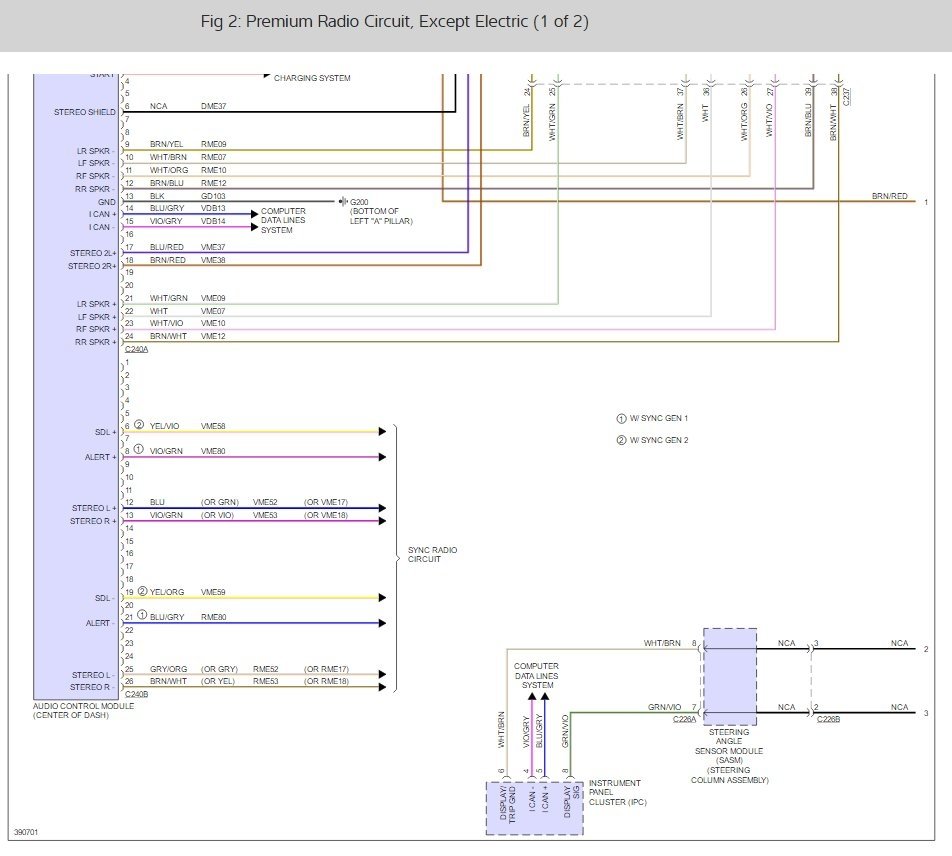
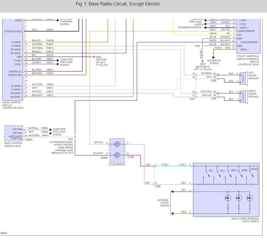
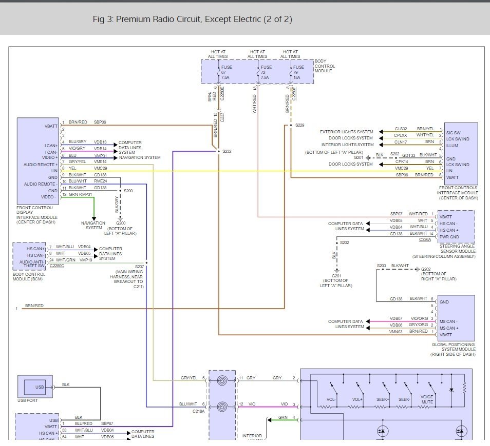
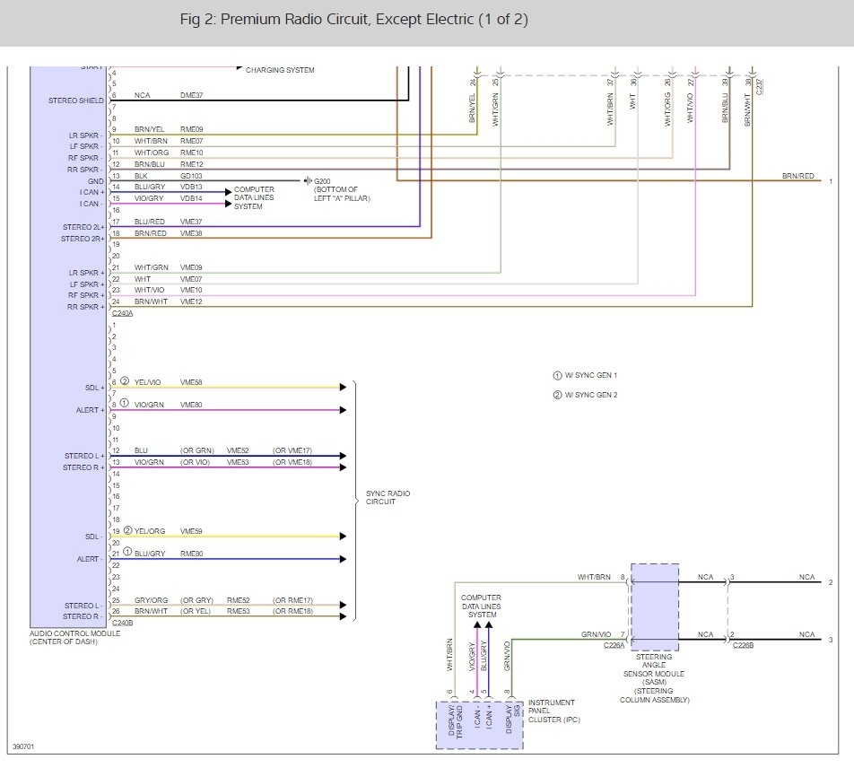
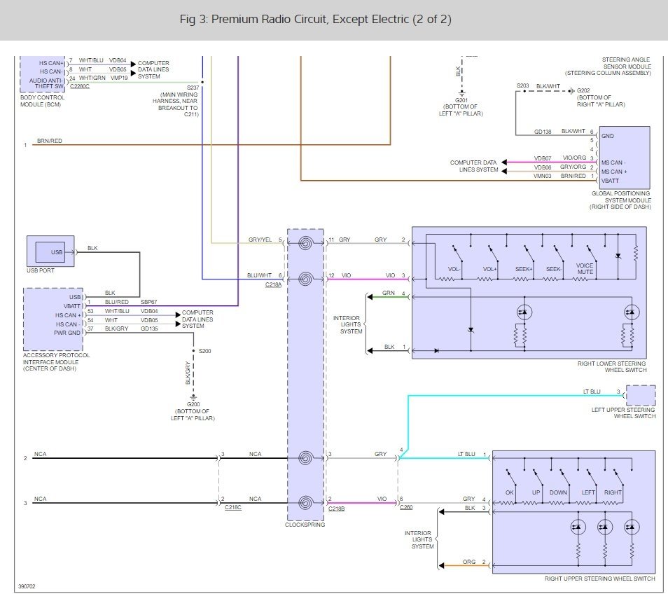
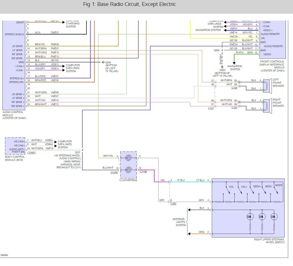
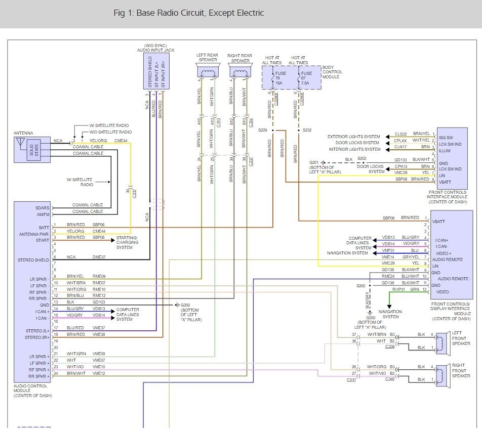
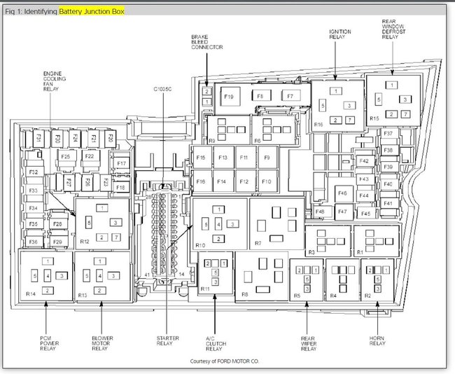
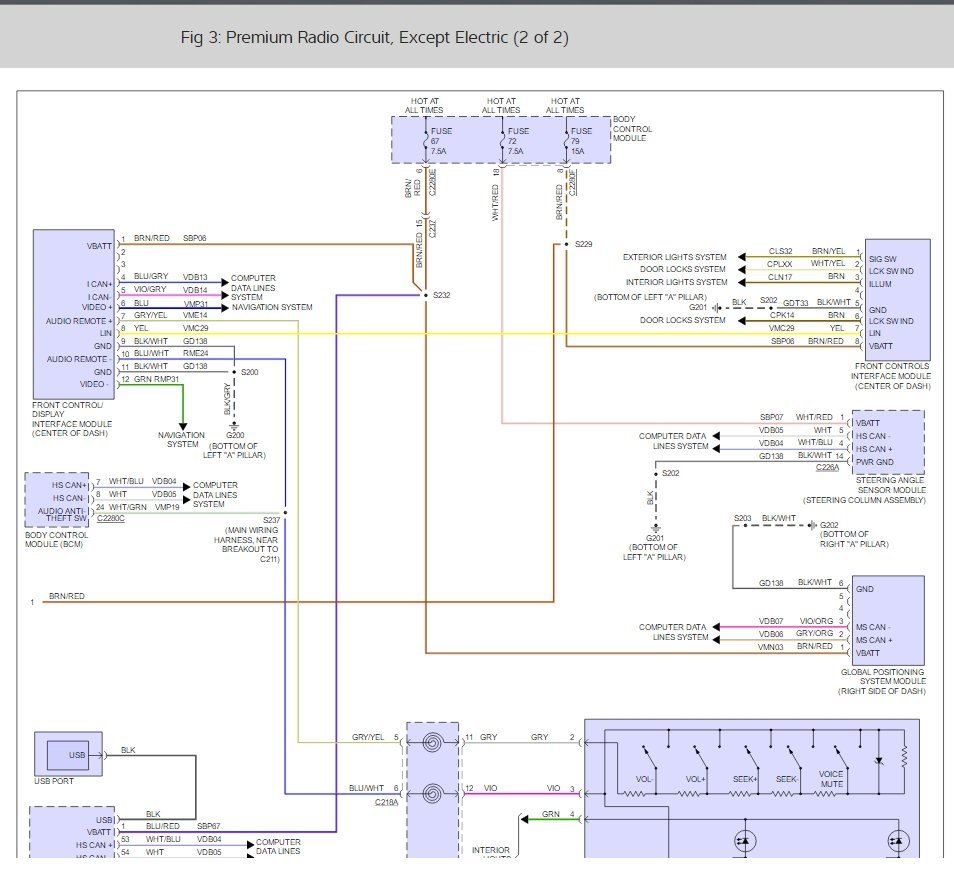
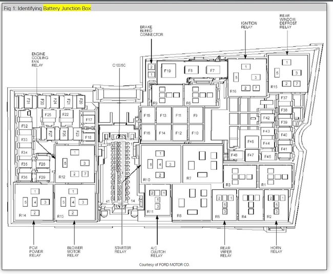
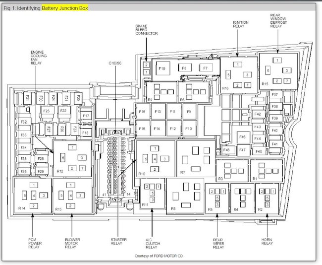
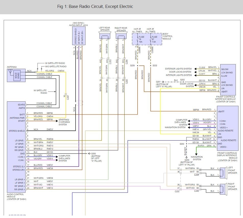
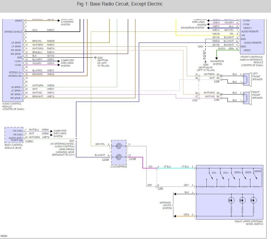
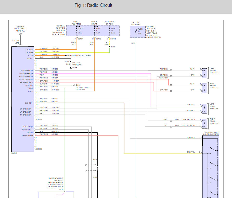
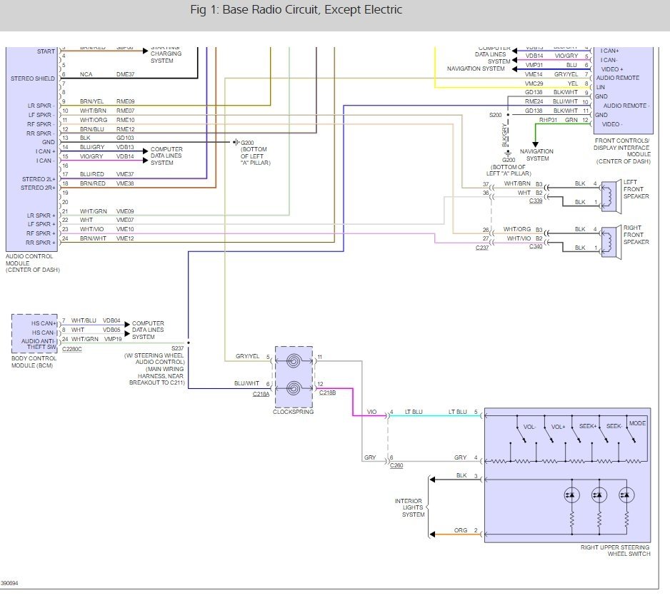
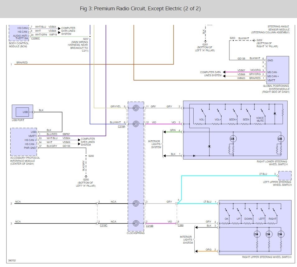
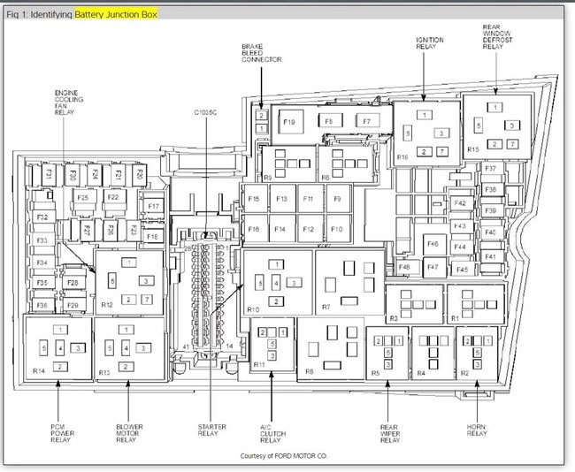
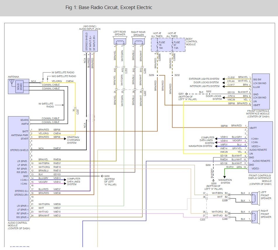
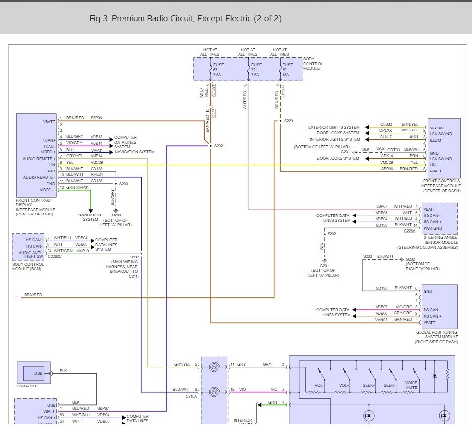
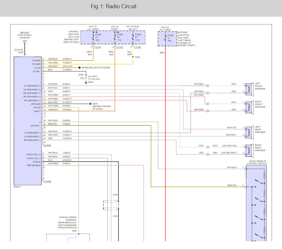
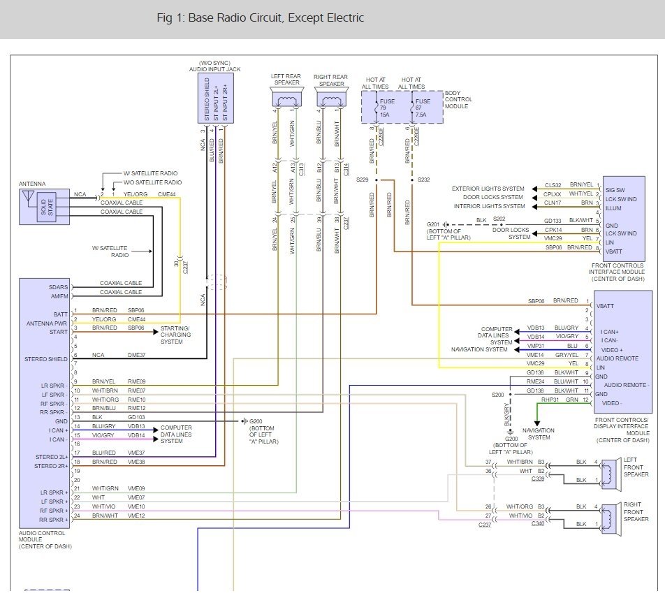
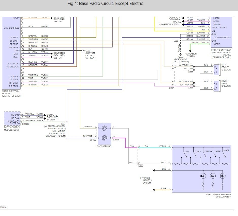
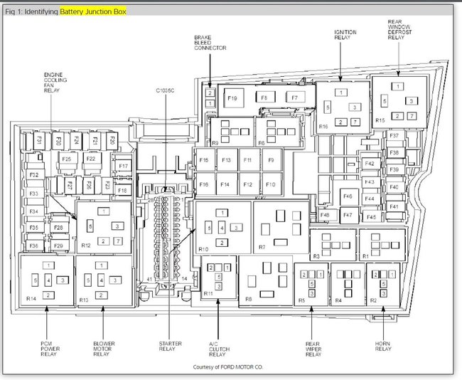
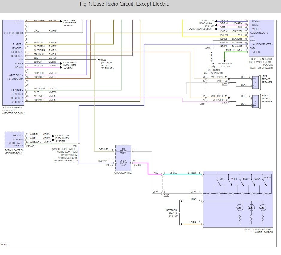
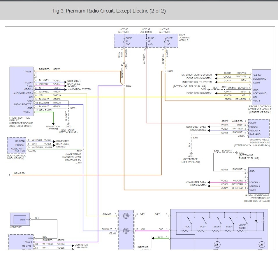
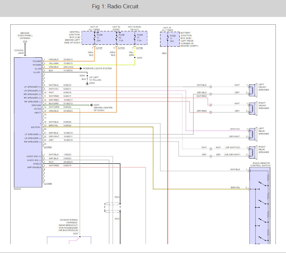
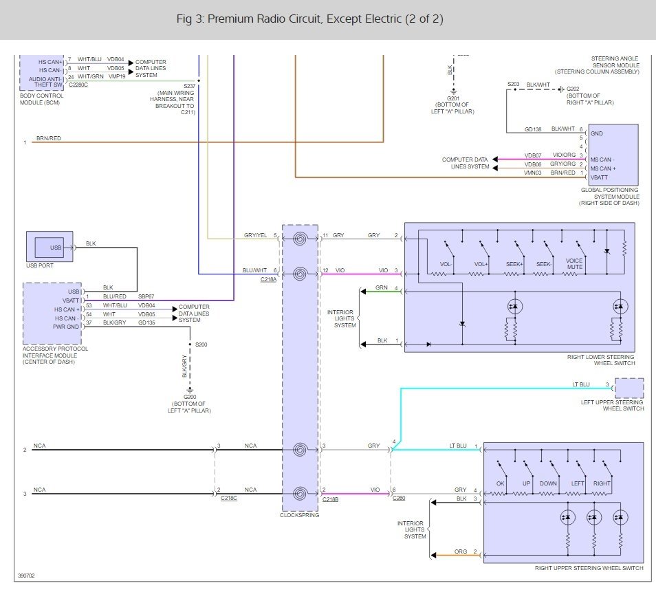
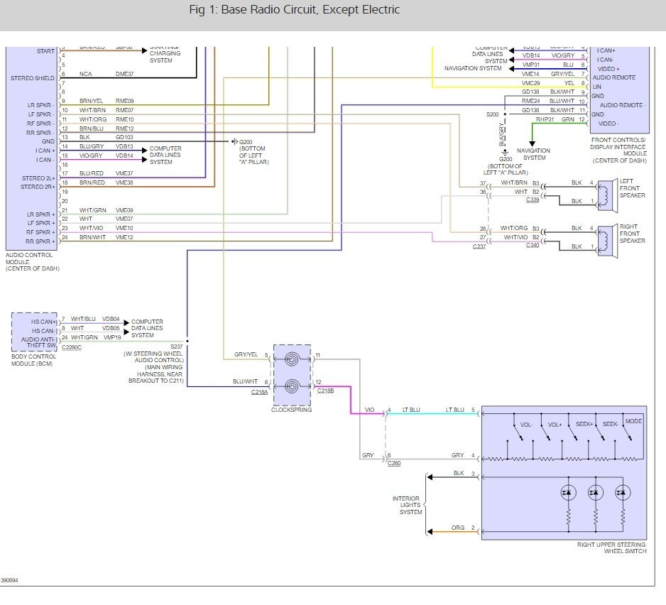
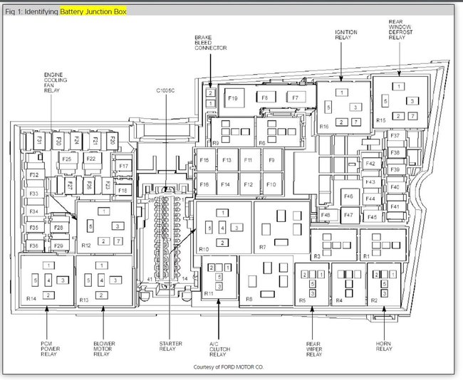
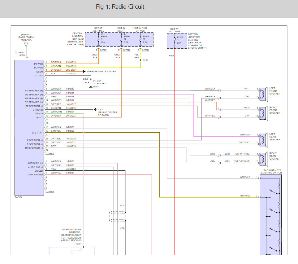
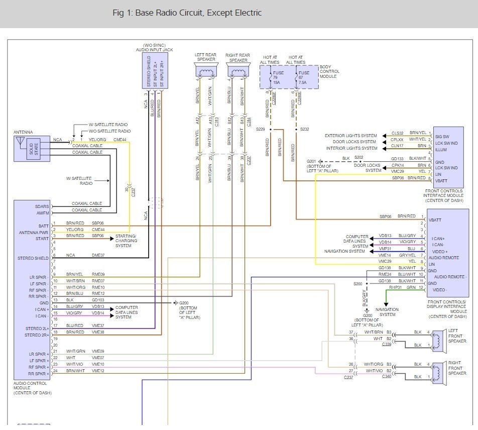
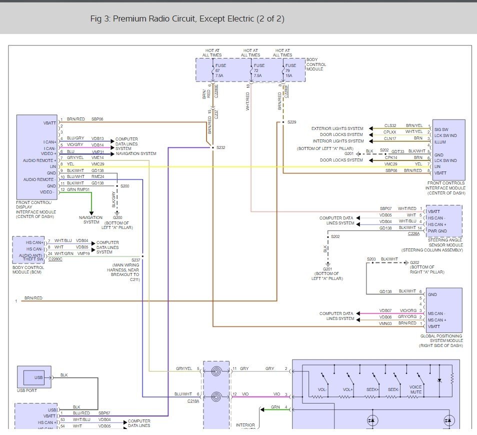
Usually if the radio lights come on but no sound is because the amplifier has gone out inside the radio. There are three fuses that run the system. Here is a guide and a complete set of radio wiring diagrams (below) and fuse locations fuse box so you can do some testing. Please check for power on both sides of the fuse. Make sure the radio is getting power and ground. If everything checks out the radio is bad.

https://www.2carpros.com/articles/how-to-check-a-car-fuse

Check out the diagrams (Below). Please let us know what you find. We are interested to see what it is.
Jun 5, 2017 at 6:24 PM
Advertisement
Avatar
FFROST1961
  • MEMBER
  • 1 POST
My radio does not do anything not even light up no clock I have checked the fuse which looked fine. So what else may I try?
Jun 5, 2017 at 6:25 PM (Merged)
Avatar
RASMATAZ
  • CAR REPAIR CONTRIBUTOR
  • 75,992 POSTS
Check and test the ground circuit of the radio and also look for another fuse behind the radio.
Jun 5, 2017 at 6:25 PM (Merged)
Avatar
SONOPIOGGIA
  • MEMBER
  • 1 POST
Is this something I can fix on my own? If needed, I can provide a picture.
Jun 5, 2017 at 6:25 PM (Merged)
Avatar
FIXITMR
  • CAR REPAIR CONTRIBUTOR
  • 9,990 POSTS
The radio was bad in my car, the guide worked perfect.
Jun 5, 2017 at 6:25 PM (Merged)
Avatar
DJH51190
  • MEMBER
  • 6 POSTS
works when stopped and at five mph and about forty five mph. At any other speed will not work.
Jun 5, 2017 at 6:25 PM (Merged)
Avatar
JACOBANDNICKOLAS
  • CAR REPAIR CONTRIBUTOR
  • 110,190 POSTS
You need to have the vehicle checked for bad grounds.
Jun 5, 2017 at 6:25 PM (Merged)
Avatar
DGALLAWAYSR
  • MEMBER
  • 1 POST
I know this is an old thread but hopefully my information can still help someone. After some extensive research online, the problem with the 2012 Focus radio not turning on (frozen blue squares) is the CD player. When you turn the radio on, it tries to initialize the CD player, when it cannot, it freezes up. My car was doing the same thing, it would show the time, temperature and frozen blue squares. So I removed the radio, just the silver box, not the monitor, I used a small torx screwdriver to remove the bottom panel of the silver box. Once the bottom panel was removed I pulled the gray ribbon cable loose from the connection inside where it attached to the CD player. Once disconnected, I re-assembled the silver box, and put it back in the dash. Turn the key on and it worked, and has worked ever since. I hope this tutorial helps someone out.
May 25, 2018 at 5:52 PM
Avatar
STRAILER
  • CAR REPAIR CONTRIBUTOR
  • 54,233 POSTS
Great addition to this thread! Please feel free to help out whenever you are on the site. :)

Cheers, Ken
May 26, 2018 at 10:35 AM
Avatar
JBLACKM
  • MEMBER
  • 1 POST
I replaced my car battery a few days ago but didn't have any issues with the radio. Now my radio works completely fine but there is absolutely no sound coming out of the speakers. There is no reason for me to think that the speakers are blown out because I don't blast my music and all of the speakers are quiet. I was wondering if this was just a fuse problem or if there is anyway I can reset the speaker system. The center console is fully functional and lit up, the lack of sound is my only problem.
Mar 18, 2019 at 6:14 PM (Merged)
Avatar
RASMATAZ
  • CAR REPAIR CONTRIBUTOR
  • 75,992 POSTS
Fuse could be blown or the unit itself needs further testing
Mar 18, 2019 at 6:14 PM (Merged)
Avatar
KARISSA91
  • MEMBER
  • 1 POST
My car stereo stopped working in my 2006 ford focus after i took out my subs. I checked all of the fuses and wires, and everything is fine. There is almost no power. I can push the menu botton to see the clock for a few seconds but thats all. I even tried hooking up a different head unit, but neither will work. Im not sure how to go about this anymore...??
Mar 18, 2019 at 6:14 PM (Merged)
Avatar
HMAC300
  • CAR REPAIR CONTRIBUTOR
  • 48,601 POSTS
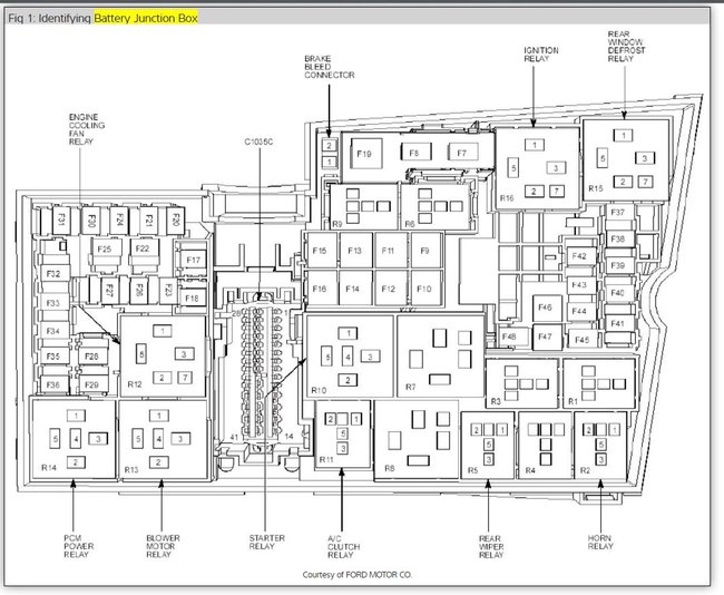
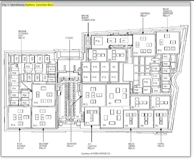
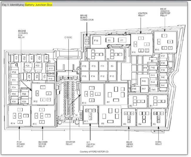
check fuses 31,62and 41 in your central fuse box as they all go to the radio and also check the 30 amp fuse in the battery junction box.then check the plug in our subwoofer amplifier. I may be just something wrong with the radio as well.
Mar 18, 2019 at 6:15 PM (Merged)
Avatar
RDUSTINJONES
  • MEMBER
  • 1 POST
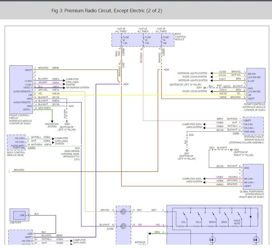
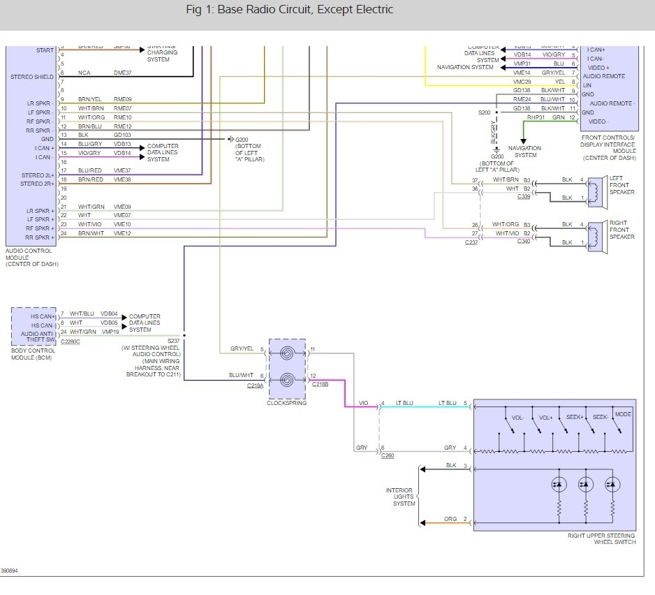
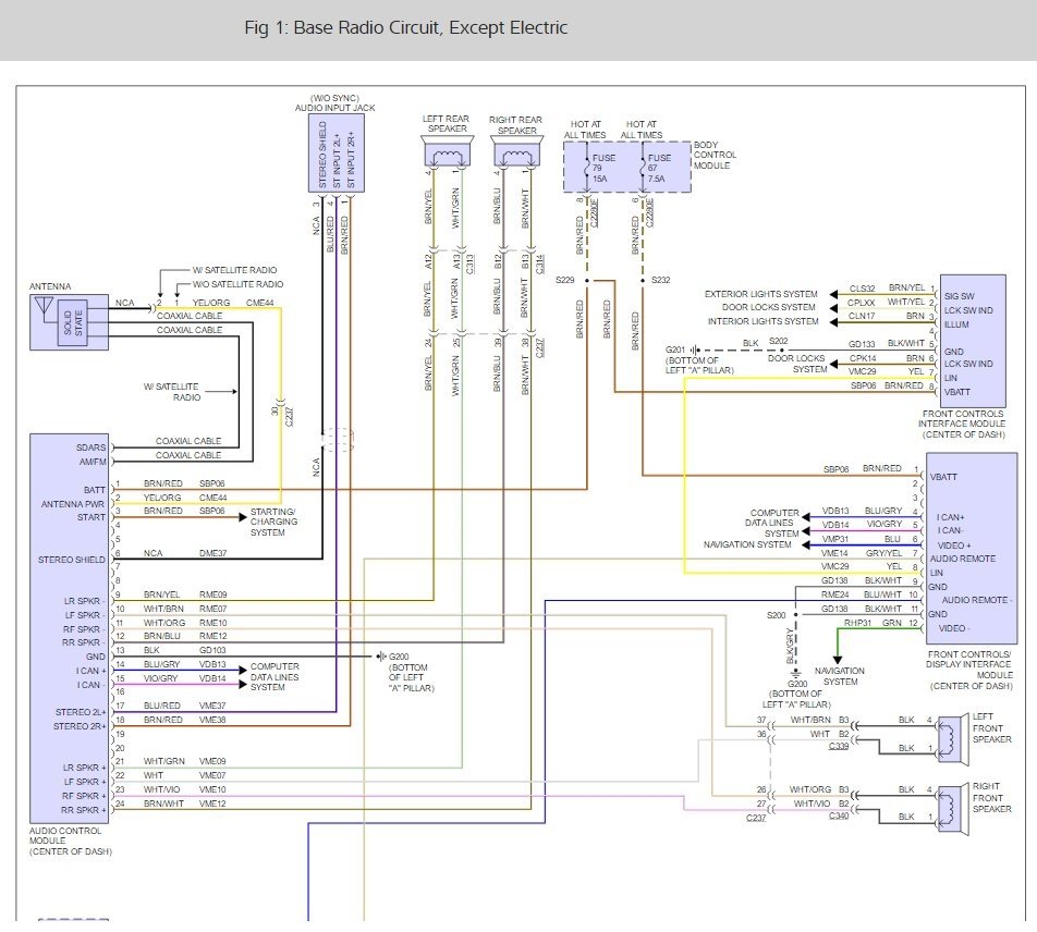
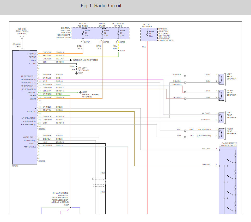
I cut the factory stereo wiring harness to hook up an aftermarket stereo. The harness connector I cut has 24 slots and 17 wires going into the slots. I have several wires that I'm not sure of their purpose. Do you have a wiring diagram for the 24 slot connector?
Mar 18, 2019 at 6:15 PM (Merged)
Avatar
STRAILER
  • CAR REPAIR CONTRIBUTOR
  • 54,233 POSTS
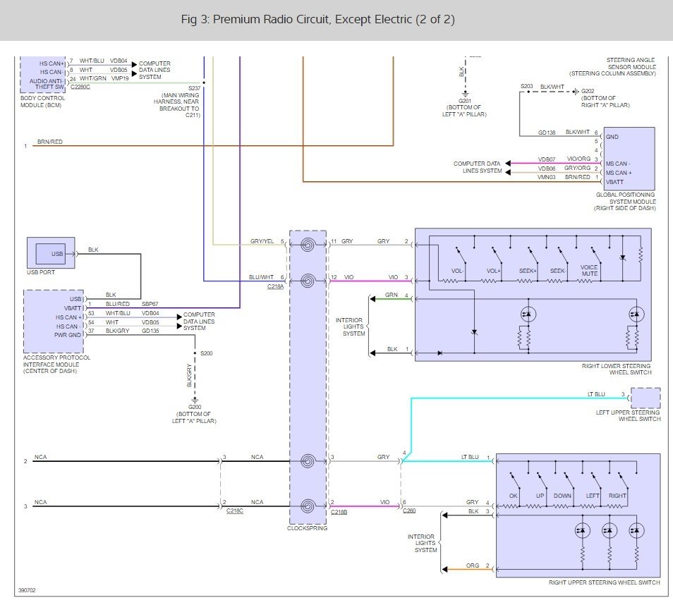
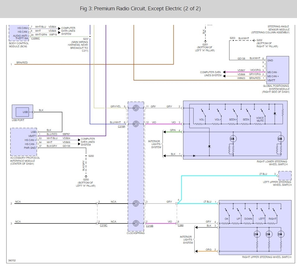
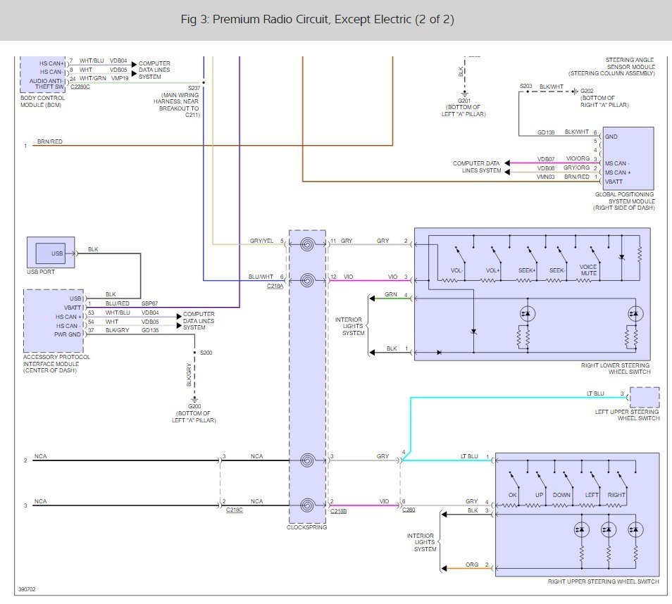
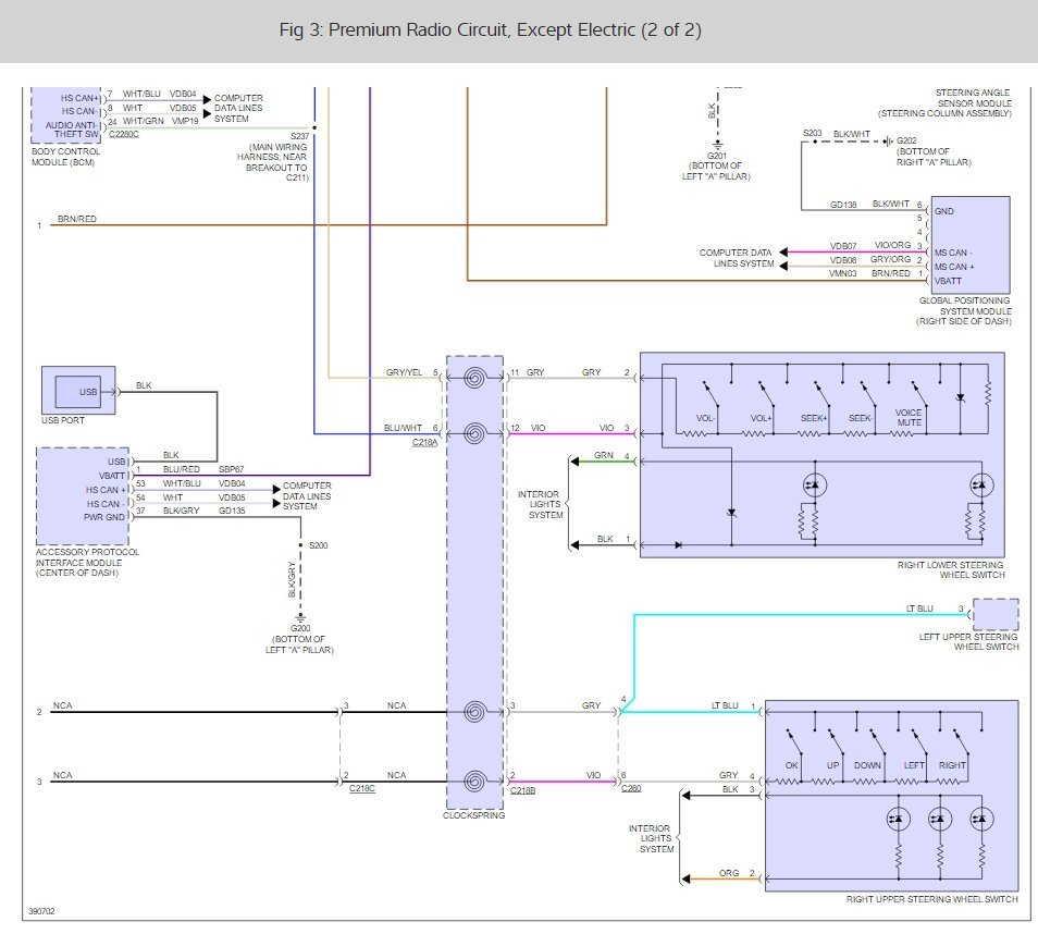
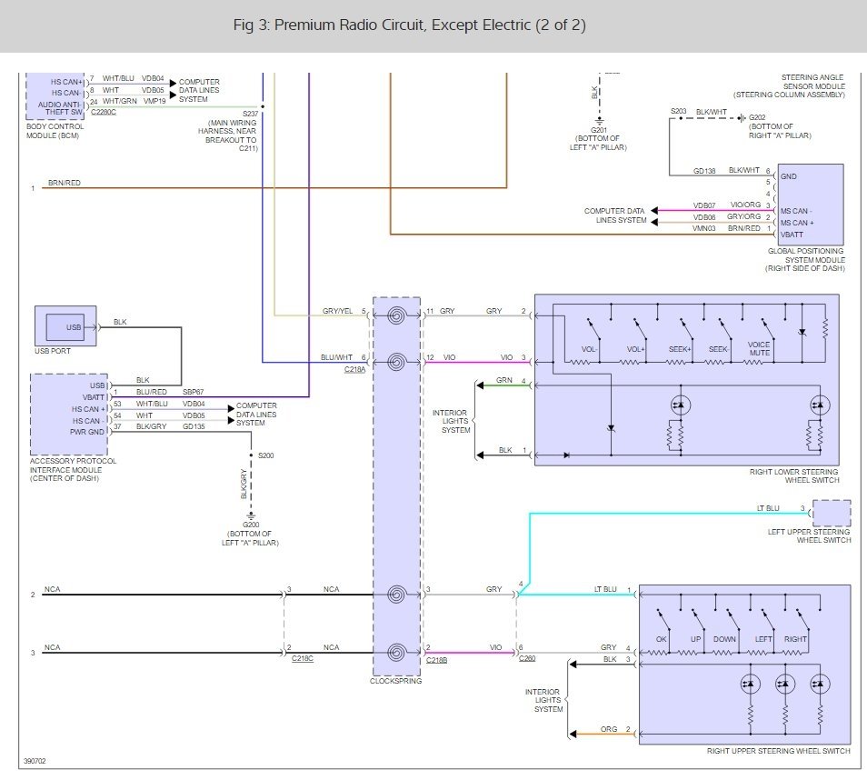
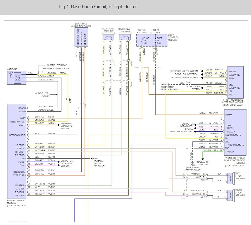
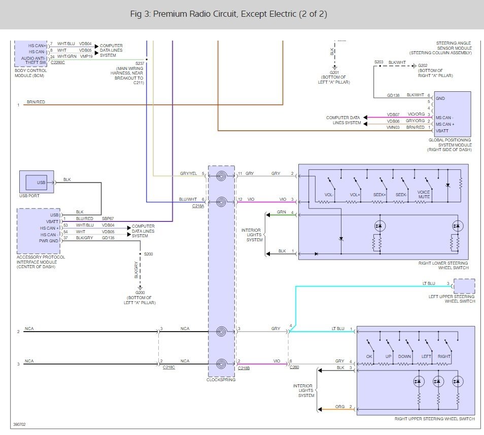
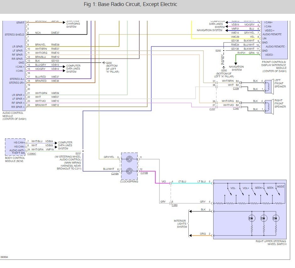
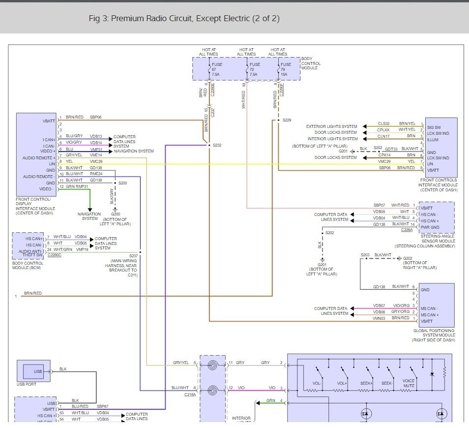
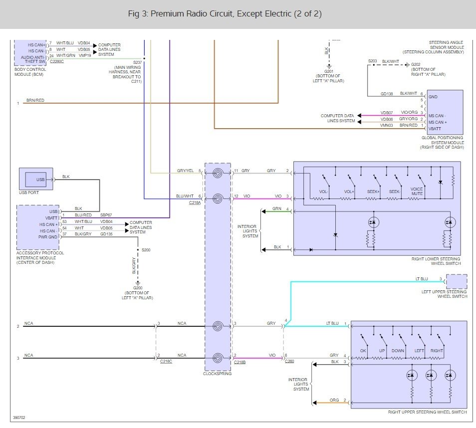
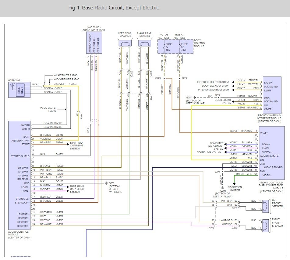
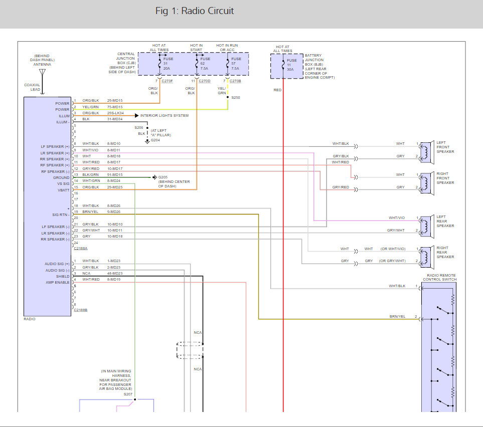
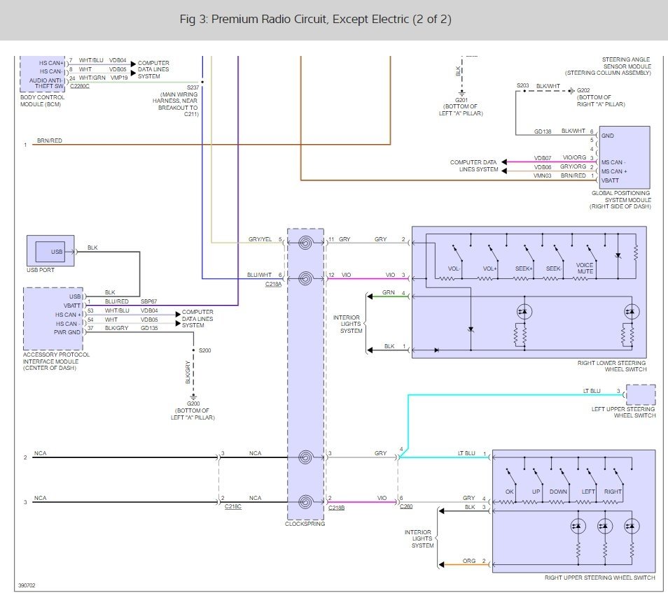
Here are the radio wiring diagrams for your car please click the images to enlarge them below. Check out the diagrams (Below) click to enlarge. Please let us know if you need anything else to get the problem fixed. Cheers, Ken
Mar 18, 2019 at 6:15 PM (Merged)
Avatar
NITEFLOWER
  • MEMBER
  • 1 POST
2003 Ford Focus
----------------------------------------------------------------
Does anyone know how to remove the 6 disc cd player from a 2003 Ford Focus?
Mar 18, 2019 at 6:15 PM (Merged)
Avatar
EHLIN
  • MEMBER
  • 30 POSTS
you can use a coat hanger, rip off to equal size pieces of metal and stick each end into the holes to the right and left of your unit.

jiggle them in there as you would a key.

then pull out left and right a bit (as if you were opening your hands in a small opening after just having them together)

then pull out towards you and the radio should come out.

disconnect the wire harness in the back and you should be good to go.
Mar 18, 2019 at 6:15 PM (Merged)
Avatar
JOZEYTB
  • MEMBER
  • 2 POSTS
Almost exactly as the original post, I’m in a 2013 Ford Focus SE 2.0L. The problem I’m having is exact except I can only see the time and date. Not the temperature. I see a bunch of 4 little squares inside a square. When I press the power button, two full screen squares diagonally pop up and then disappear goes away and returns back to the time, date and squares. Holding the voice control button does the same thing as the power button. No other button does anything except the menu option. How can I get my radio to work again? Please and thanks in advance
May 24, 2019 at 8:16 PM
Avatar
JOZEYTB
  • MEMBER
  • 2 POSTS
Actually, the temperature just popped up.
May 24, 2019 at 11:59 PM
Avatar
STRAILER
  • CAR REPAIR CONTRIBUTOR
  • 54,233 POSTS
Thanks for the video. That can be a radio issue or there is something going on with the CAN. here is a video of what needs to be done to find out whats going on:

https://youtu.be/InIlnsjOVFA

Please let us know what you find. We are interested to see what it is.
May 26, 2019 at 12:54 PM
Avatar
SARAH HANSEN
  • MEMBER
  • 2 POSTS
2013 Ford focus radio reset:
turn off car Remove Keys. open driver door hit lock.
I learned this by calling Ford.
My problem was large static boom in speakers and then no sound , radio still worked. Even, no radio turn on at some points.
Other people online claim they only got it fixed by replacing the whole stereo reciever.
Mine was fine after reset but is now causing problems after continually having to reset... now its not even resetting! Fun!!
I wish Ford would man up on this because soo many/tons of people have this problem.
Jul 2, 2019 at 10:02 PM
Avatar
SARAH HANSEN
  • MEMBER
  • 2 POSTS
AND Matter of fact after letting the car sit... the radio popped up again at start up of car.
Annoying. Happy to have some tunes for who knows how long.
Jul 2, 2019 at 10:05 PM
Avatar
STRAILER
  • CAR REPAIR CONTRIBUTOR
  • 54,233 POSTS
Hello,

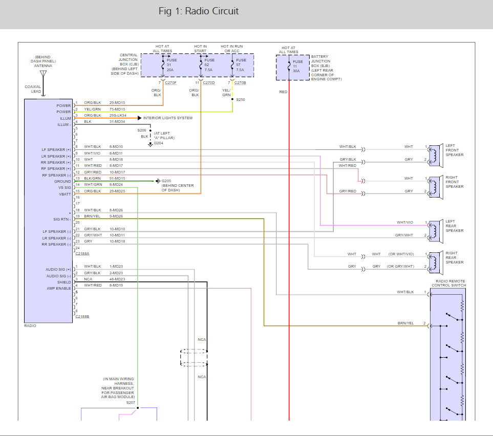
I have seen this problem and they had to replace the touchscreen unit which I have gave instructions for in the diagrams below. The new unit will need to be programmed which should cost about $130.00. Check out the diagrams (Below). Please let us know what happens.

Jul 3, 2019 at 11:31 AM
Avatar
LYDIAMATRIOUS
  • MEMBER
  • 2 POSTS
I have a 2014 Ford Focus Titanium.
The radio does not work. The car was stolen, the wires in the trunk were cut and new wires were spliced and put in. The radio worked before the car was stolen.
The screen works, you can click on different radio stations, see the time and temperature, but no sound comes out. When you try to turn the volume up either on the radio or the steering wheel, it doesn't show up on the display. We checked fuses, those were good. We checked the amp, that was fine. We checked the radio, that was also good. We checked if the wires were spliced wrong, those were fine too.
What could it be?
Sorry for the late response, just confused on what is happening!
Nov 11, 2019 at 1:01 PM
Avatar
STRAILER
  • CAR REPAIR CONTRIBUTOR
  • 54,233 POSTS
When the car was stolen did they wreck the ignition switch? There are two fuses we need to check for power #79 and #67 on the body control module here is a guide to help and the fuse location with the radio wiring diagrams so you can see how the system works.

https://www.2carpros.com/articles/how-to-check-a-car-fuse

I have included all fuse panel identifications just in case. Check out the diagrams (Below). Please let us know what you find. We are interested to see what it is.
Nov 12, 2019 at 10:11 AM
Avatar
LYDIAMATRIOUS
  • MEMBER
  • 2 POSTS
The F10 fuse in the rear junction box keeps blowing, we figure there is a shortage somewhere. Where does the wiring go? F10 is the audio amplifier.
Nov 13, 2019 at 12:26 PM
Avatar
STRAILER
  • CAR REPAIR CONTRIBUTOR
  • 54,233 POSTS
That wires goes straight to the amp here is the wiring diagrams for it and guide on how to test the wire.

https://www.2carpros.com/articles/how-to-check-wiring

Check out the diagrams (Below). Please let us know what you find.
Nov 14, 2019 at 10:10 AM
Advertisement
Repair Safety Notice: This information is for general instructional purposes only. Vehicle repair can be dangerous. Verify all information, follow manufacturer service procedures, use proper tools and safety equipment, and consult a qualified repair shop when needed.