Dash went dark, tachometer, speedometer and other indicator gauges do not Move off of the unpowered position

Tiny
LYRRADNOTNED
  • MEMBER
  • 2012 NISSAN ALTIMA
  • 2.5L
  • 4 CYL
  • 2WD
  • AUTOMATIC
  • 126,000 MILES
Just bought the car. Test drove it, everything looked and worked great. Got the car home and the dash went dark, all gauges stopped working. Turn signals work but indicator on the dash don't show. A couple of lights show up on the startup sequence such as seat belt lamp. The car was sold as a 2013 but the fuse box resembles the 2012 version rather than the 2014 version, so I assume this is an early 2013 L32 car. Descriptions on the fuse boxes don't help me to tell which fuse supplies power to the dash instruments. I expected to find more relays around the fuse area, but they appear to be scarce. I have reserved an instrument dash at a local junk yard if I need it but since this happened suddenly, and all instruments are not working I suspect a fuse or a relay problem.

2013 Nissan Altima 2.5 S
VIN: 1N4AL2EP7DC198079 Coupe
2.5L I4 F DOHC 16V Gasoline
Front-wheel-drive
Saturday, January 1st, 2022 AT 2:37 PM

5 Replies

Tiny
AL514
  • MECHANIC
  • 5,562 POSTS
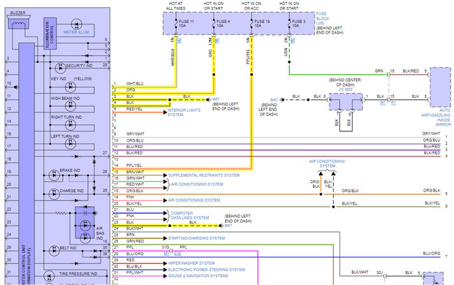
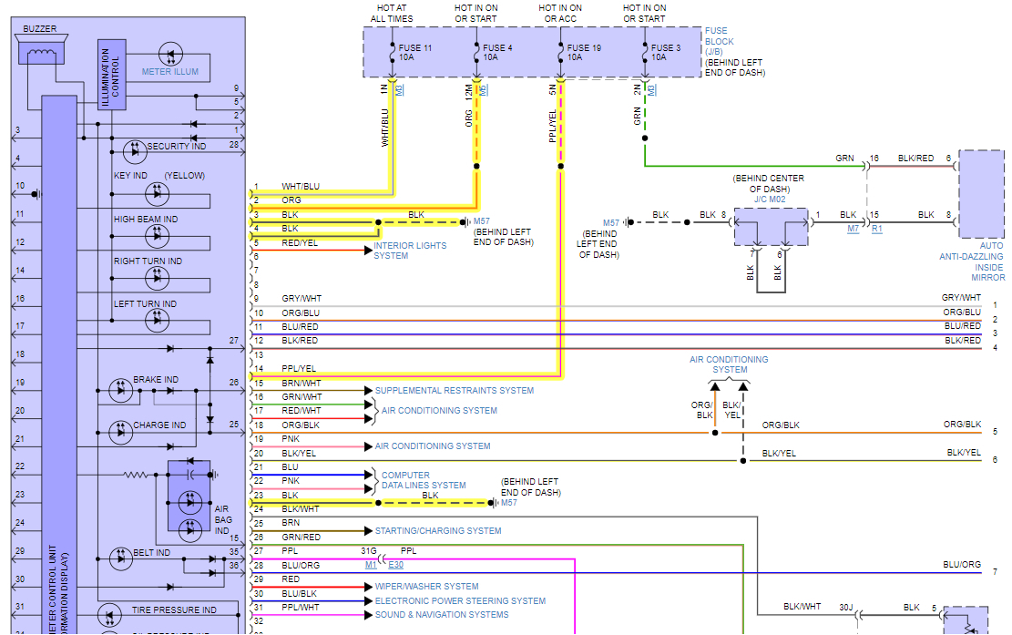
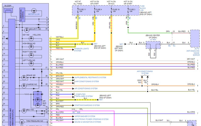
Hello, here are the wiring diagrams for the 2013 Coupe. There's 3 power feeds and a couple of grounds highlighted in yellow. This may be a case where you'll want to check the harness plug on the back of the instrument cluster, sometimes after a while the pins loosen up on connectors. If there is any discoloring on the connector or the back of the instrument cluster, suspect a loose connector. Loose connections will cause heat because of its basically resistance to the circuit, which just makes the problem worse. I didn't see any relays for the clusters power feeds, it seems to be just fuses 11, 4, and 19 in the fuse box under the driver side dash. Checking the Ground connections too is important. Make sure they're tight and not corroded or anything.
You do not need to remove the steering wheel, which is just to show the image better...

There is actually a Technical Service Bulletin on the Combination meter illumination malfunction. So, you may want to call a dealership to see if this is something they need to fix for you. It includes purchases from private parties as well. (Last three diagrams)

https://www.2carpros.com/articles/how-to-check-a-car-fuse

https://www.2carpros.com/articles/how-to-use-a-voltmeter
Was this
answer
helpful?
Yes
No
+1
Saturday, January 1st, 2022 AT 4:17 PM
Tiny
LYRRADNOTNED
  • MEMBER
  • 3 POSTS
I left the car with the battery disconnected overnight. When I reconnected the battery, the problem was not there anymore. I am not sure how long this will last but if it is only a short-term solution, I will act on the information that you supplied. It is interesting that there are three fuses that control the module. I suspect that one is the primary power, and the other two supplies are simply telling the module about specific modes that the car is in.
Was this
answer
helpful?
Yes
No
Sunday, January 2nd, 2022 AT 6:29 PM
Tiny
AL514
  • MECHANIC
  • 5,562 POSTS
The first fuse #11 is a permanent power feed to help keep the memory, the other two are power feeds with the key on. The TSB is on a reprogramming of the Module Cluster for illumination issues.
Was this
answer
helpful?
Yes
No
Monday, January 3rd, 2022 AT 9:52 AM
Tiny
LYRRADNOTNED
  • MEMBER
  • 3 POSTS
Thanks for the information, I will probably need it sometime in the future but for now the reboot by leaving the battery disconnected for several hours worked great. I did this a few days ago and have driven about 100 miles with no sign of the problem recurring. Ultimately it was not a fuse or relay as I had expected but rather a communications problem showing up in a weird way. AL514 thanks for verifying the fuse feed for me.
Was this
answer
helpful?
Yes
No
Thursday, January 6th, 2022 AT 4:38 PM
Tiny
AL514
  • MECHANIC
  • 5,562 POSTS
Interesting, maybe all it needed was for the memory to be cleared out and a few drive cycles to get the readiness monitors up, not sure. Hope you don't have any more issues with it. Communications problems can pop up sometimes, and it seems like there's no reason, not sure where you're from but down here in NC we've had warm days (75f) then snow the next. That causes all kinds of issues to come and go. Any more problems let us know, we like follow ups.
Was this
answer
helpful?
Yes
No
Thursday, January 6th, 2022 AT 5:00 PM

Please login or register to post a reply.