Information display stopped working

Tiny
RGRIEGO98
  • MEMBER
  • 2012 NISSAN ALTIMA
  • 2.5L
  • 4 CYL
  • FWD
  • AUTOMATIC
  • 73,000 MILES
Went through drive through car wash. After exiting the text in the vehicle information display got jumbled then went blank. No other gauges seem to be affected. The V.I.D contains information such as mph/mpg, outside temperature etc.
Sunday, May 31st, 2015 AT 10:02 AM

6 Replies

Tiny
KHLOW2008
  • MECHANIC
  • 41,814 POSTS
Hello,

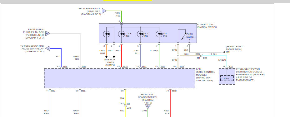
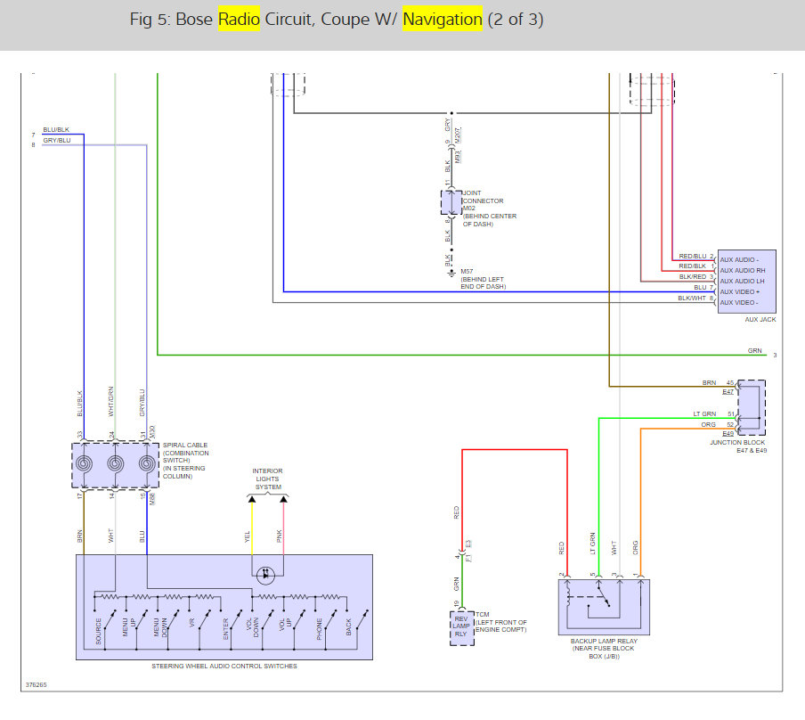
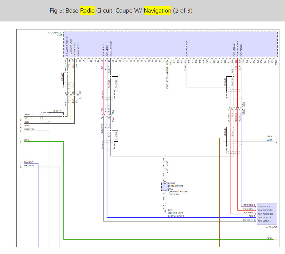
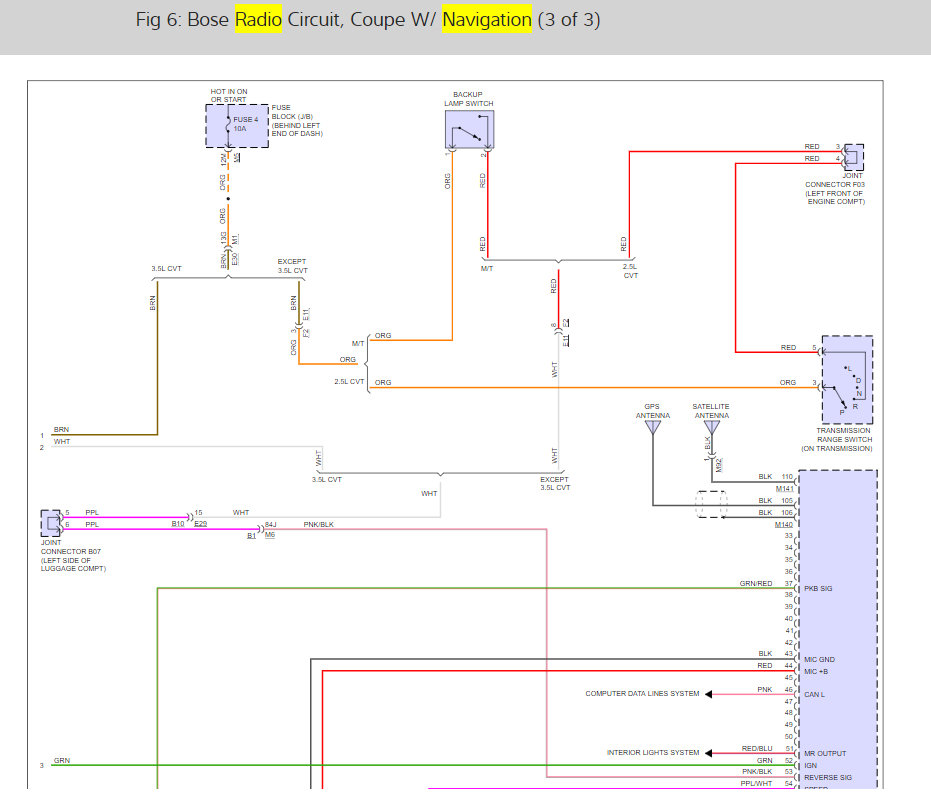
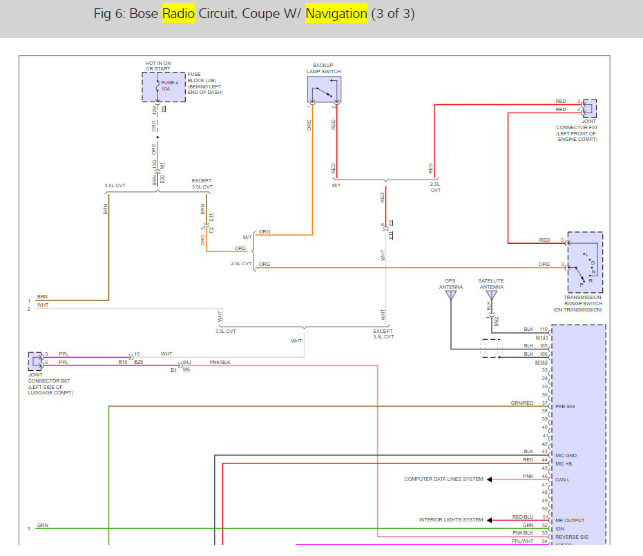
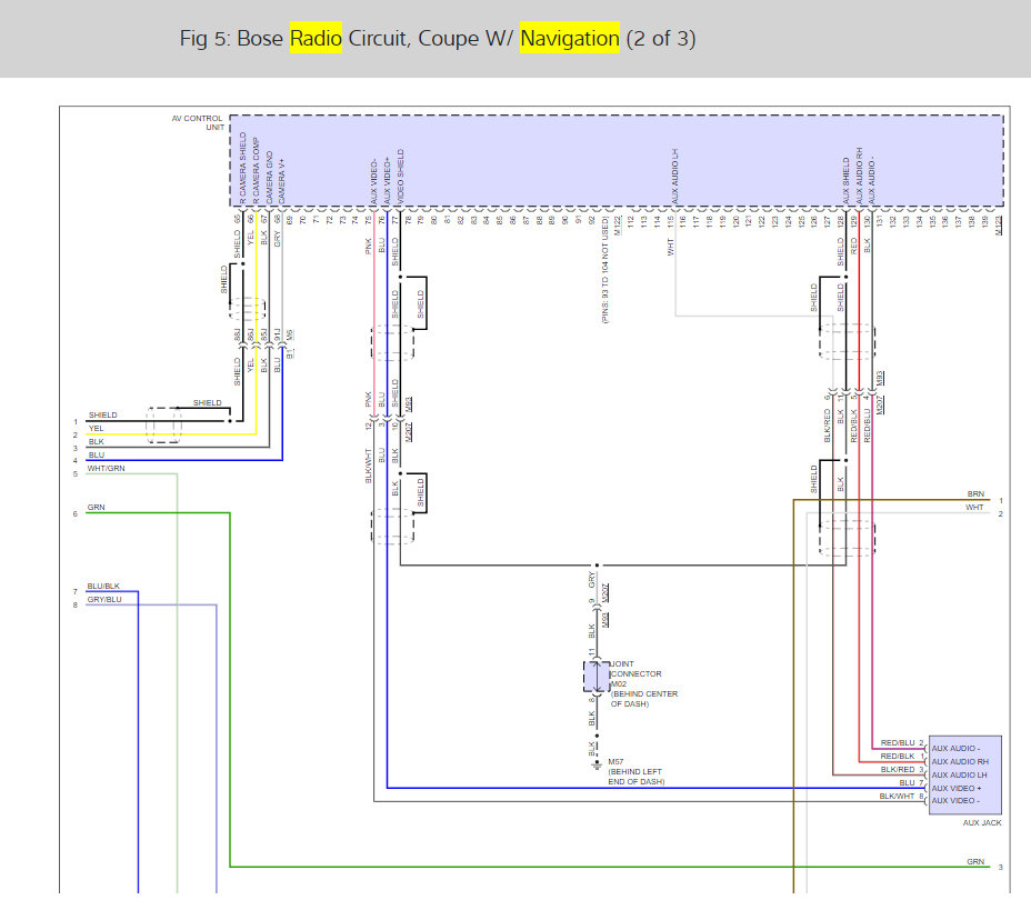
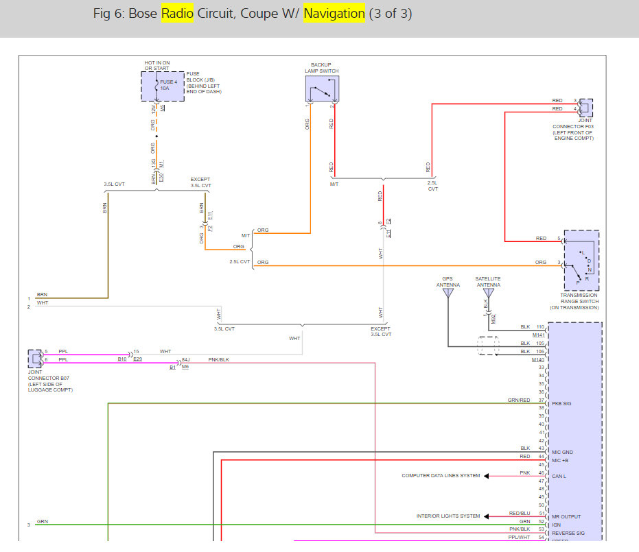
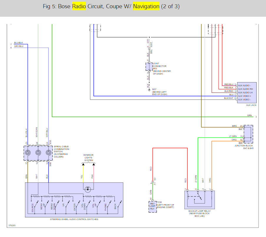
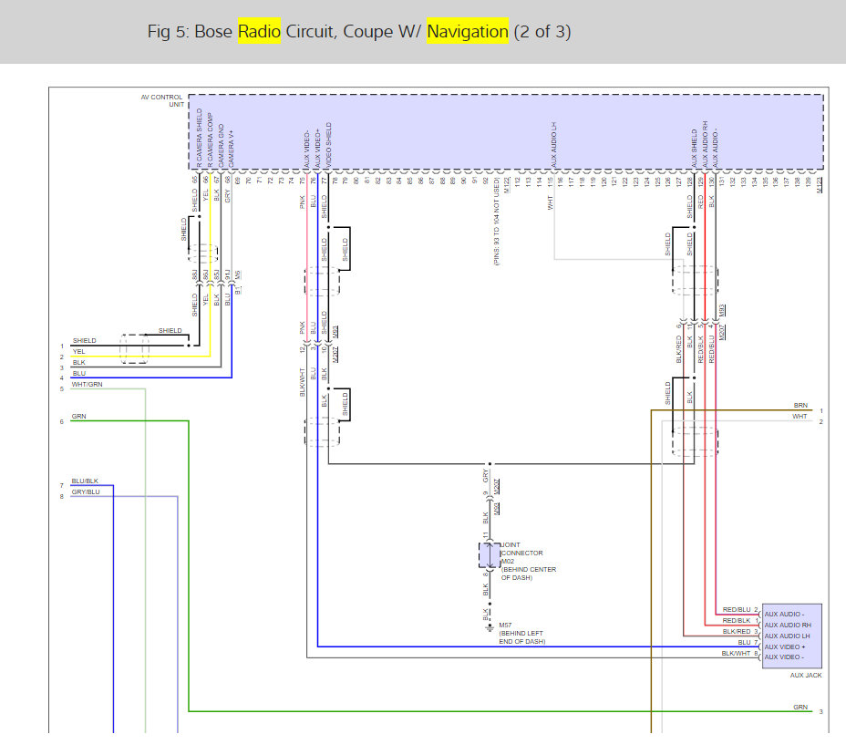
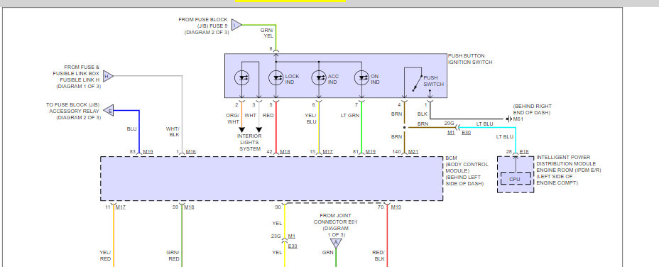
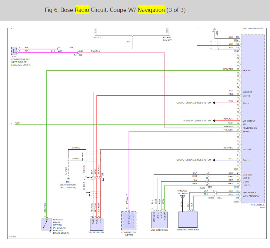
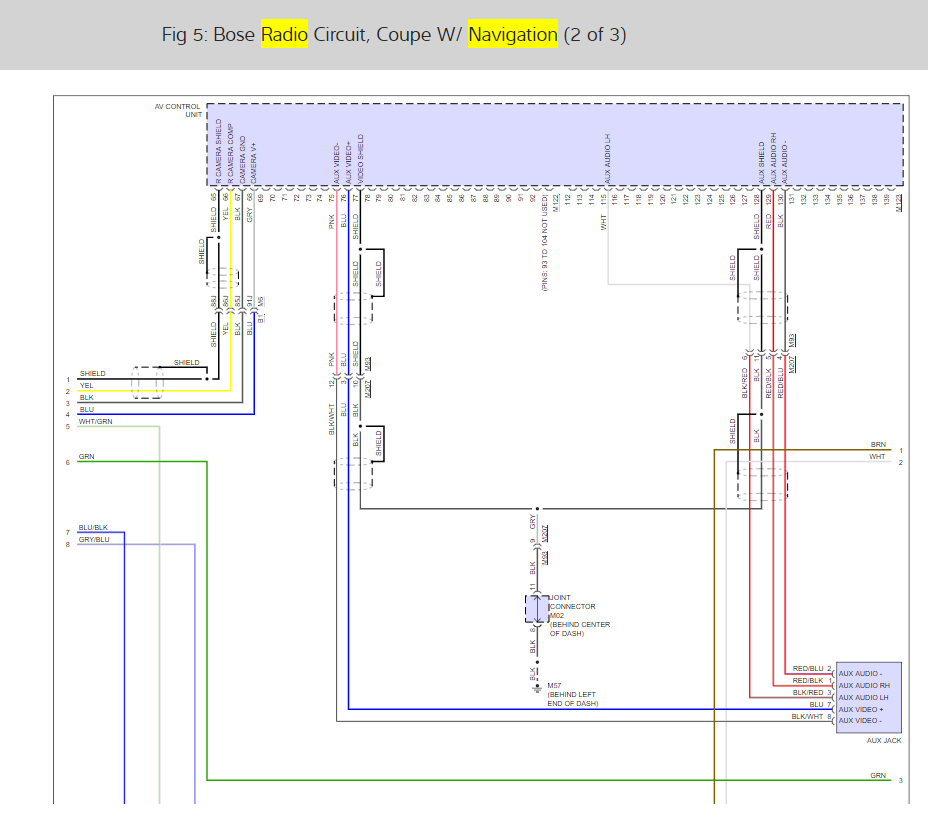
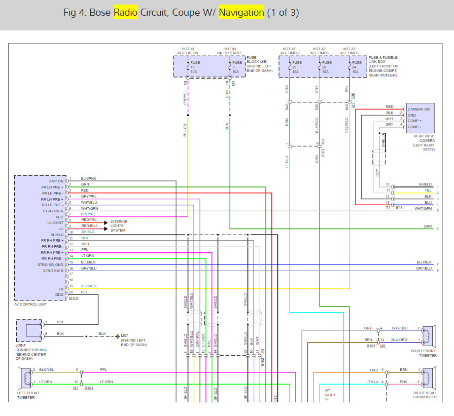
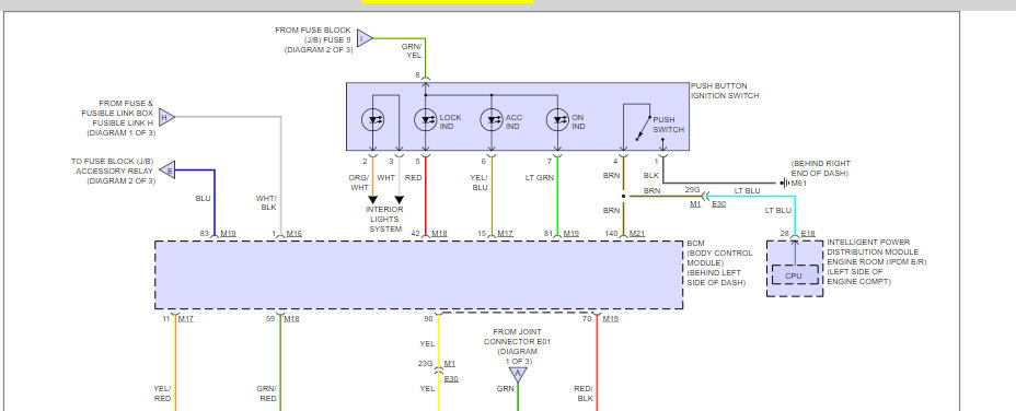
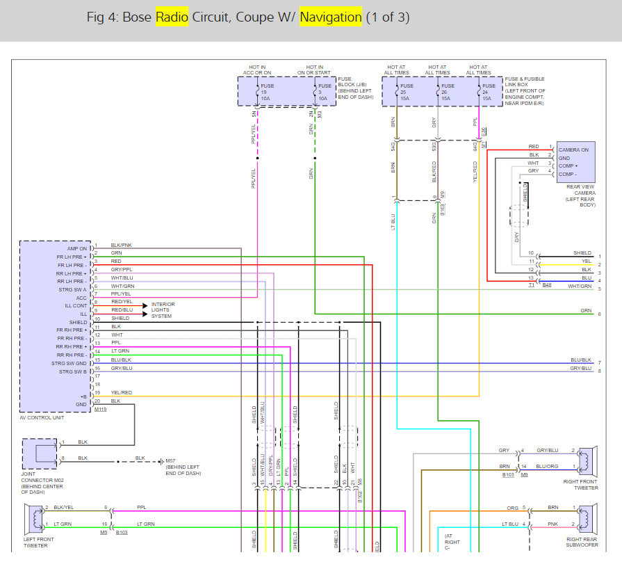
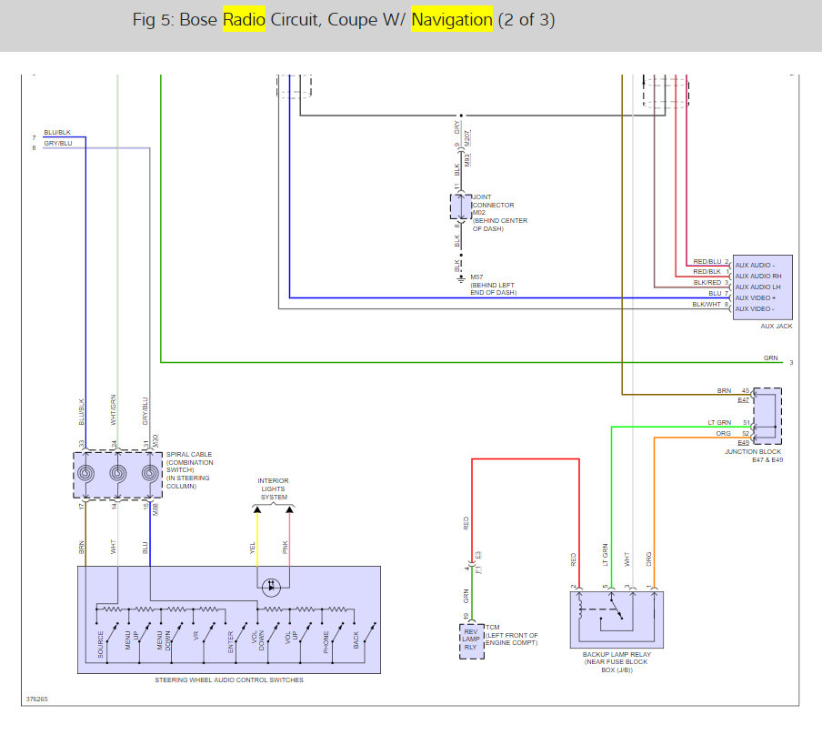
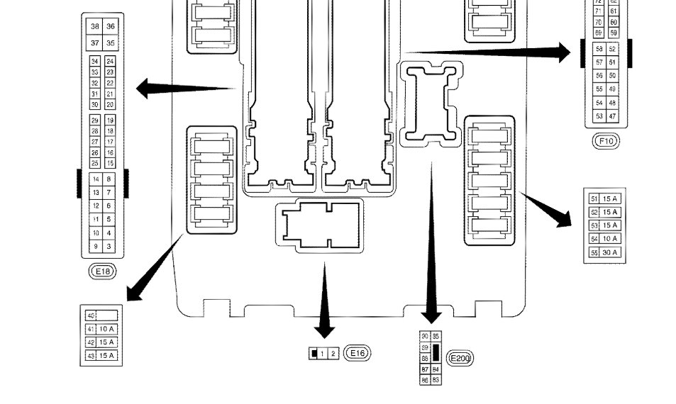
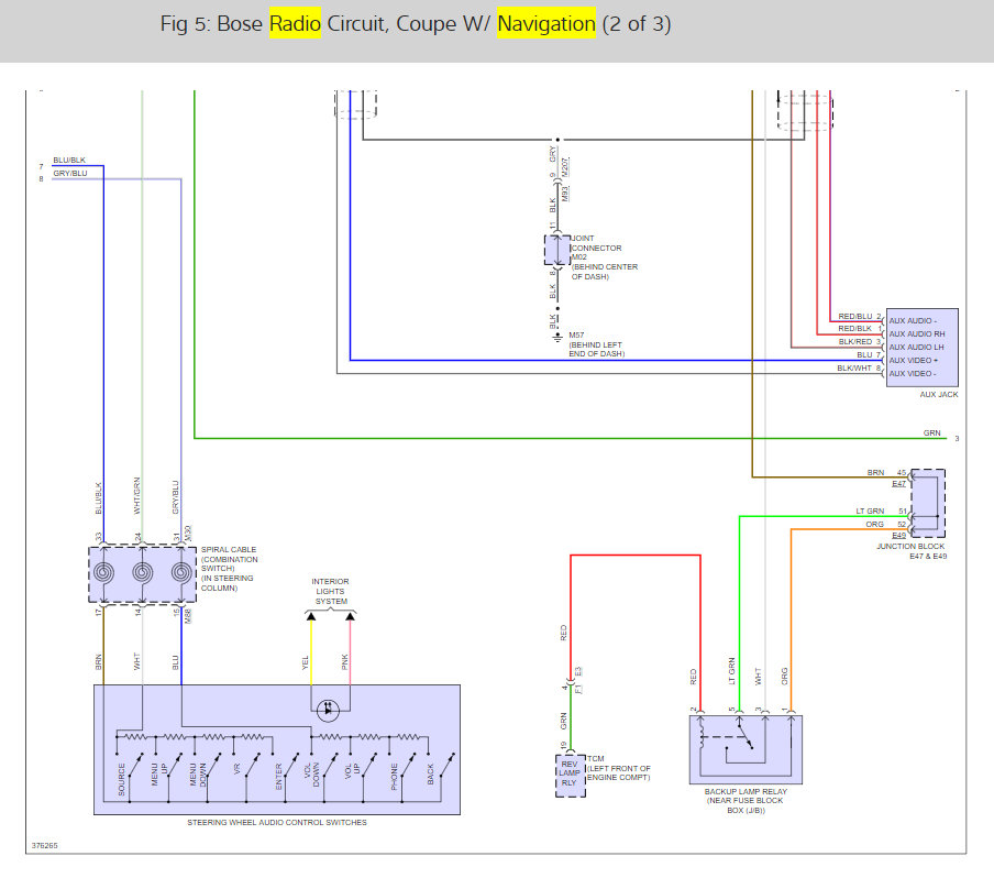
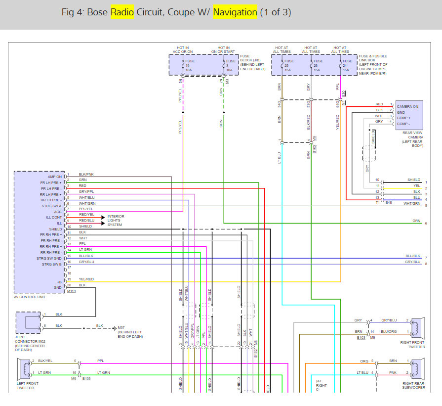
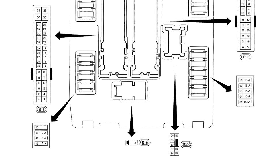
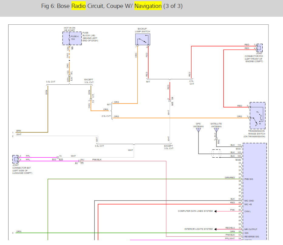
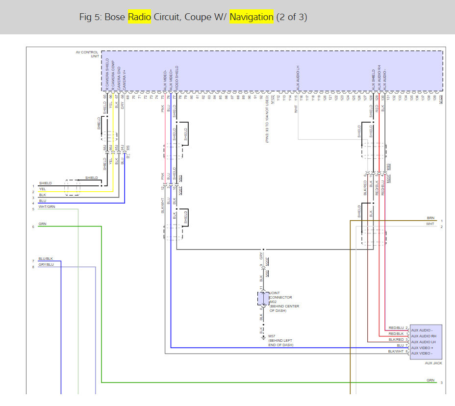
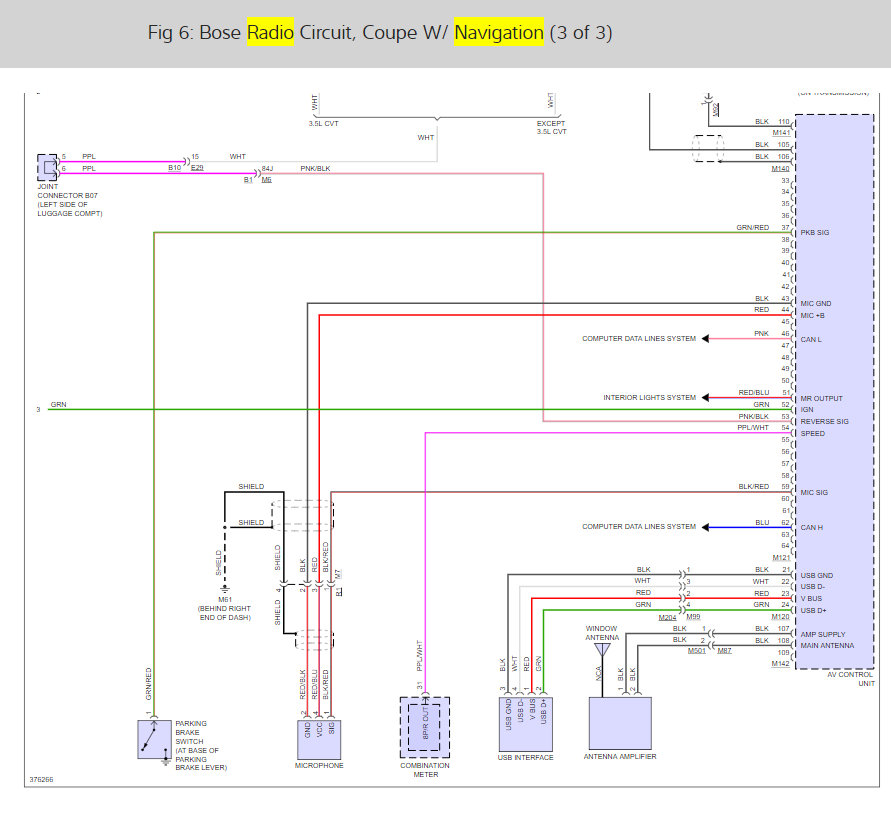
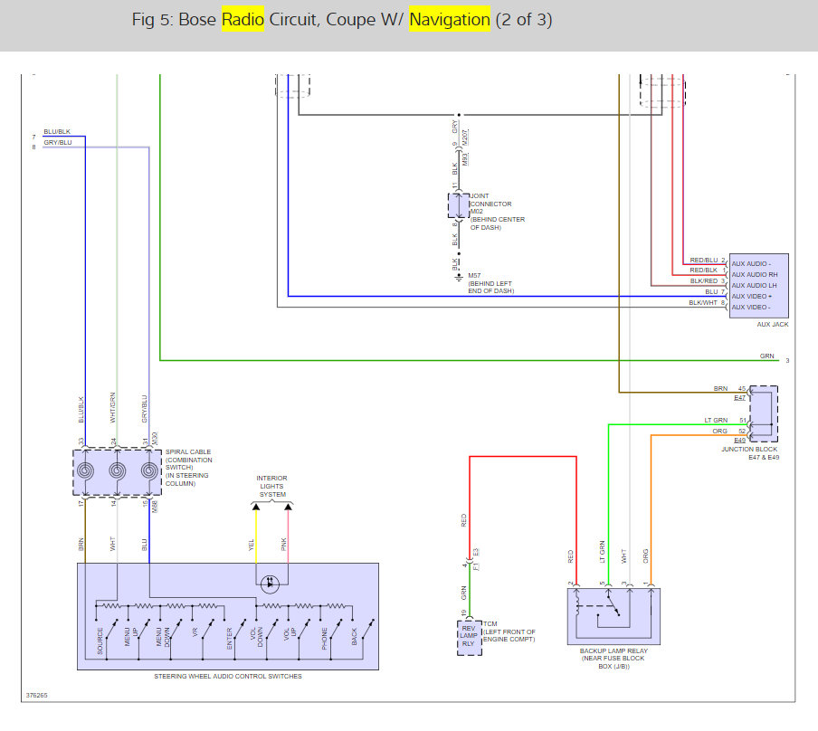
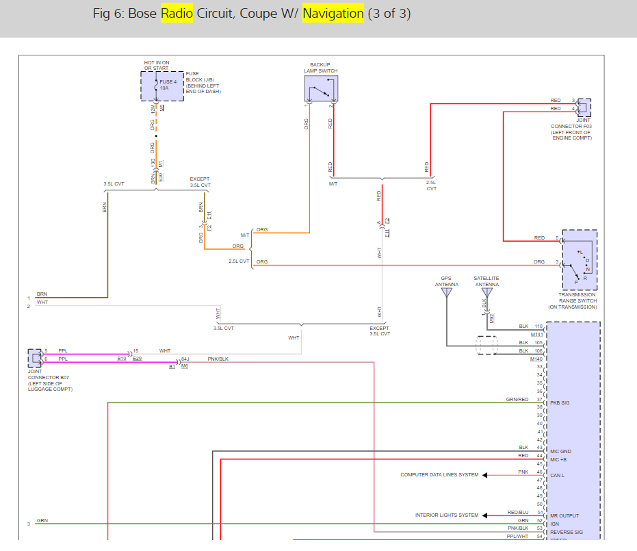
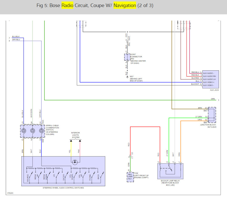
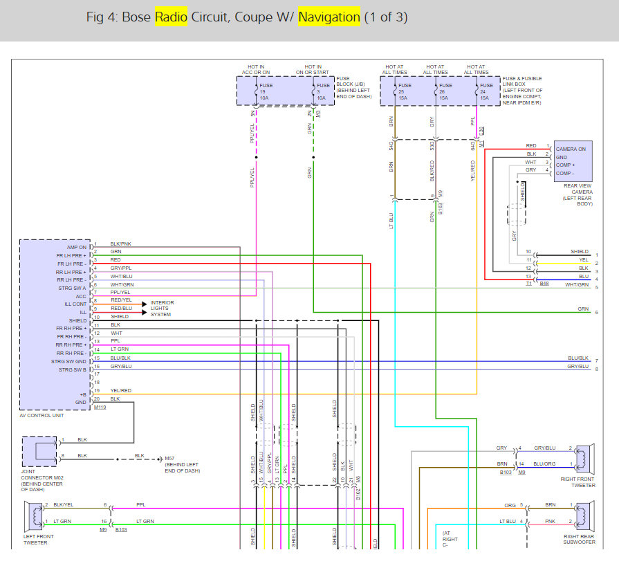
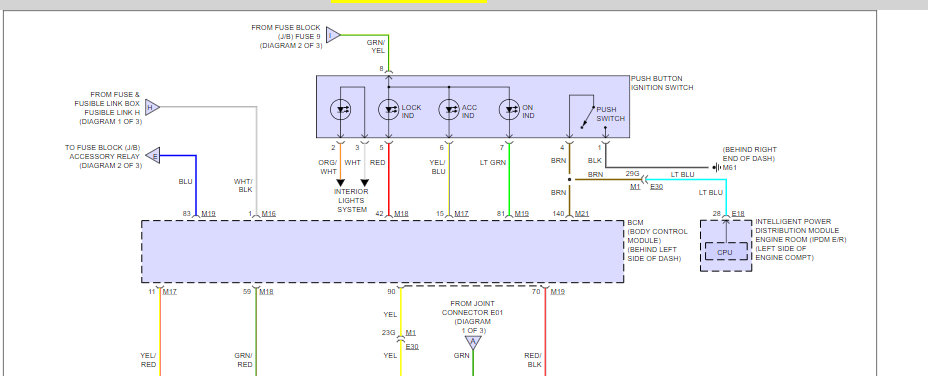
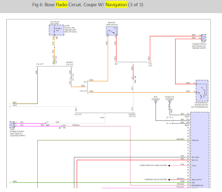
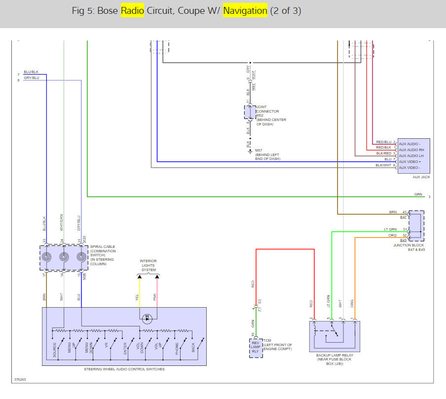
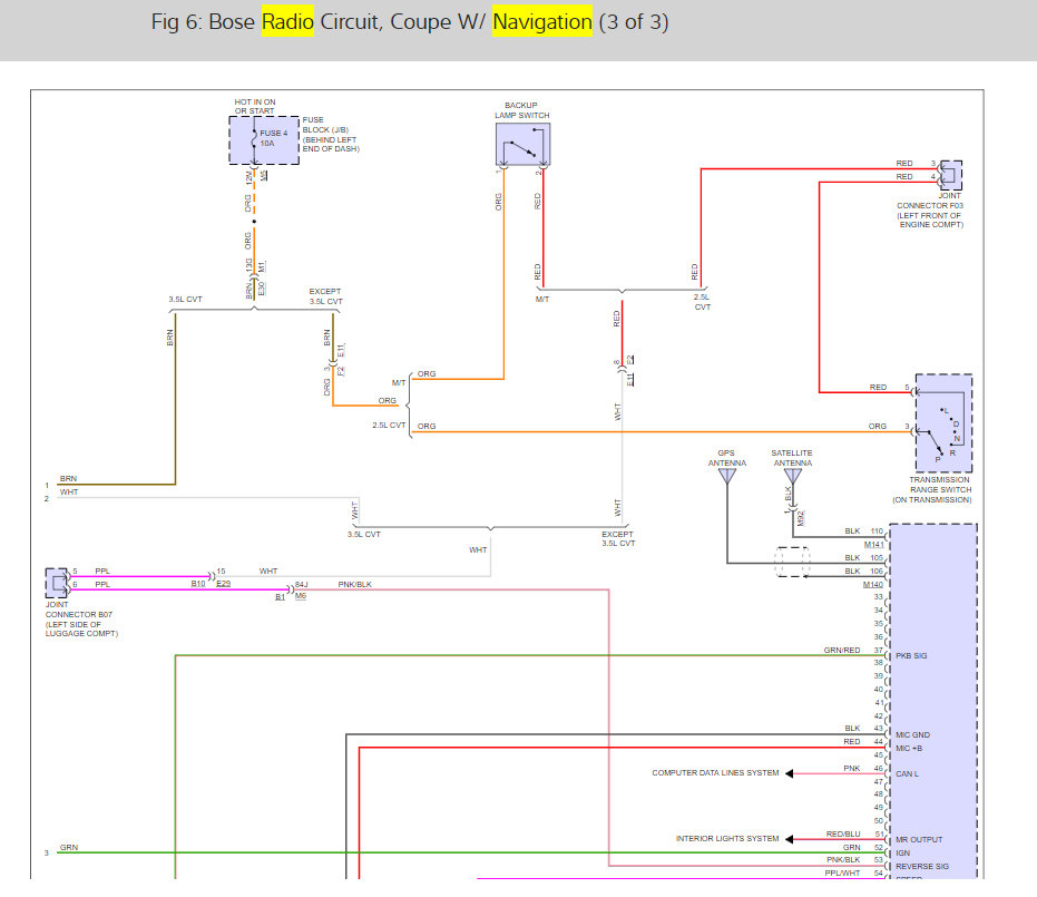
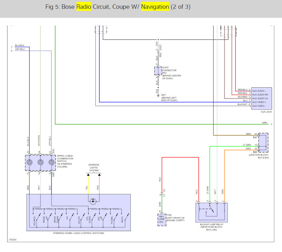
There is a fuse #19 in the dash fuse panel that needs to be checked which powers up the AV display. Here is a guide to help you and the radio and information display wiring diagrams so you can see how the system works. Also, here is the fuse location in the diagrams below.

https://www.2carpros.com/articles/how-to-check-a-car-fuse

The fuse panel ID is a little weird you need to use the fuse panel wiring diagrams to ID the fuses. The radio wiring diagrams are after the fuse panel.

Check out the diagrams (below). Please let us know what you find. We are interested to see what it is.

Cheers
Was this
answer
helpful?
Yes
No
+2
Monday, June 1st, 2015 AT 6:44 AM
Tiny
DENTALFITCHIC
  • MEMBER
  • 0 POST
Thanks for the information on this, I fixed my car by replacing the fuse. :) I love this site BTW.
Was this
answer
helpful?
Yes
No
+3
Tuesday, September 4th, 2018 AT 2:08 PM
Tiny
KEELAN3722
  • MEMBER
  • 2 POSTS
Will this fix the issue on a 2012 Maxima? VID went black out of nowhere.
Was this
answer
helpful?
Yes
No
+4
Saturday, June 6th, 2020 AT 8:28 AM
Tiny
KEN L
  • MASTER CERTIFIED MECHANIC
  • 55,322 POSTS
Please post your new question here, you must be logged in.

https://www.2carpros.com/questions/new

Cheers, Ken
Was this
answer
helpful?
Yes
No
Saturday, June 6th, 2020 AT 11:06 AM
Tiny
RDGOLF1
  • MEMBER
  • 1 POST
I have the same problem with my 2012 Nissan Altima. The VID went jumbled then went out. The #19 fuse is fine, and the radio is still working. Only the VID is out. Any other ideas on what could have caused the VID to go out?
Was this
answer
helpful?
Yes
No
+2
Tuesday, December 21st, 2021 AT 10:14 PM
Tiny
JACOBANDNICKOLAS
  • MECHANIC
  • 110,192 POSTS
Hi,

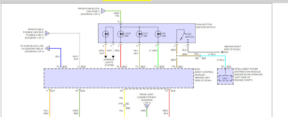
If the radio is still working, then chances are there is an issue in the can-bus system. CAN stands for controller area network. Basically, all the vehicles' computers/modules are tied together via a few wires that communicate with each other.

I attached a pic below so you can have a visual of what I'm trying to explain. Note, the mileage indicator and speedometer receive a signal from the ABS control module via the CAN (can H and can L). I suspect since the VID has gone blank, there is an issue within the can-bus. I say that because the VID provides more information than just speed and distance. It also provides outside temperature and fuel economy and so on. If it was just one module, I suspect it would still be on and one thing would have stopped working.

What does this mean? The best thing to do is have the can bus scanned. A traditional scan tool can read all codes, so one that can communicate with the CAN needs to be used. By doing this, the scanner should be able to retrieve diagnostic trouble codes regardless of the module storing them. That will prevent the replacement of good parts.

Here is a link that explains how to scan the can bus and a video. Note that although most parts stores will scan the computer for free, most don't have a scanner able to do this.

https://www.2carpros.com/articles/can-scan-controller-area-network-easy

https://youtu.be/InIlnsjOVFA

Let me know if you have questions and if there is anything I can do to help.

Take care and I hope you had a great Christmas.

Joe

See pic below.
Was this
answer
helpful?
Yes
No
+2
Saturday, December 25th, 2021 AT 10:02 PM

Please login or register to post a reply.