Sunday, September 10th, 2023 AT 6:02 PM
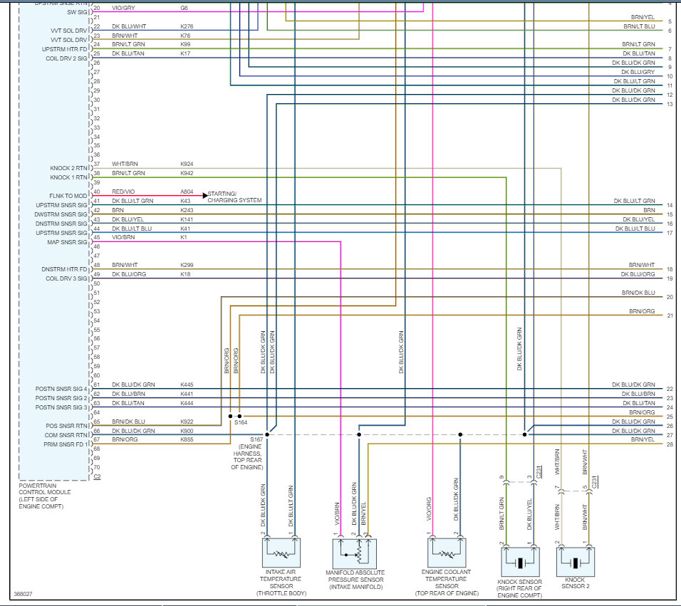
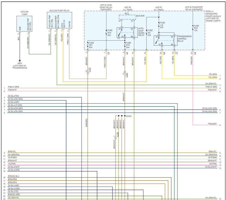
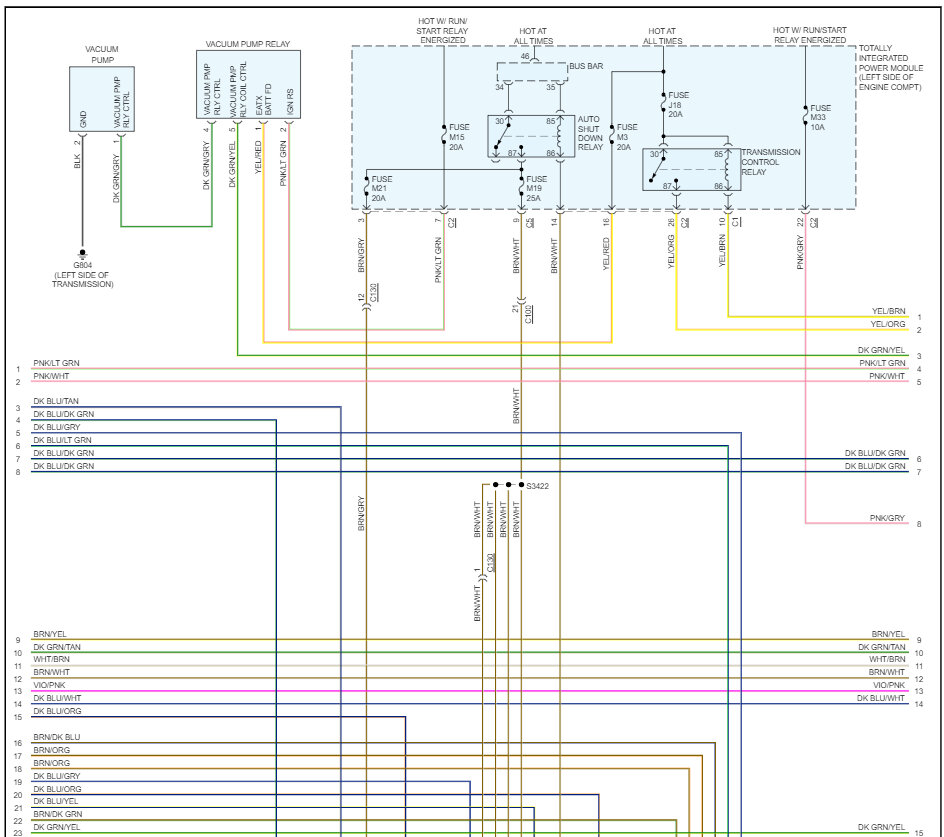
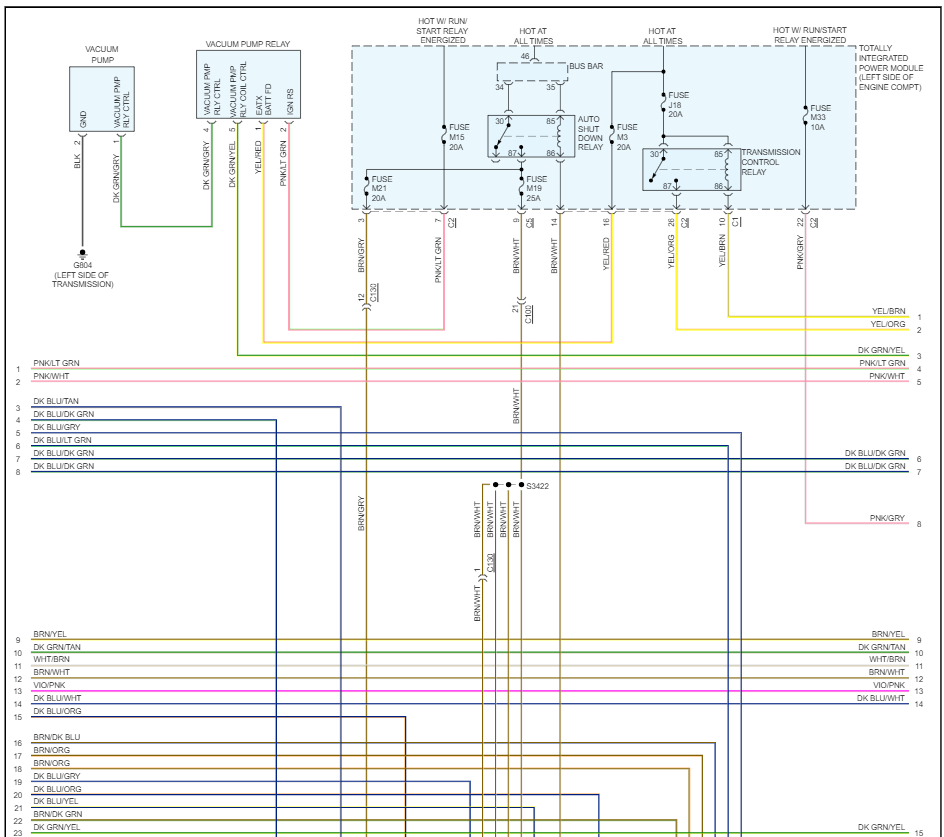
The van listed above is an SXT model. My gas pedal doesn't accelerate when I push down on it, and I changed what I needed to and it's still not working. I have a drive-by-wire which makes it difficult therefore I need a wiring diagram so I can test all the wires.















