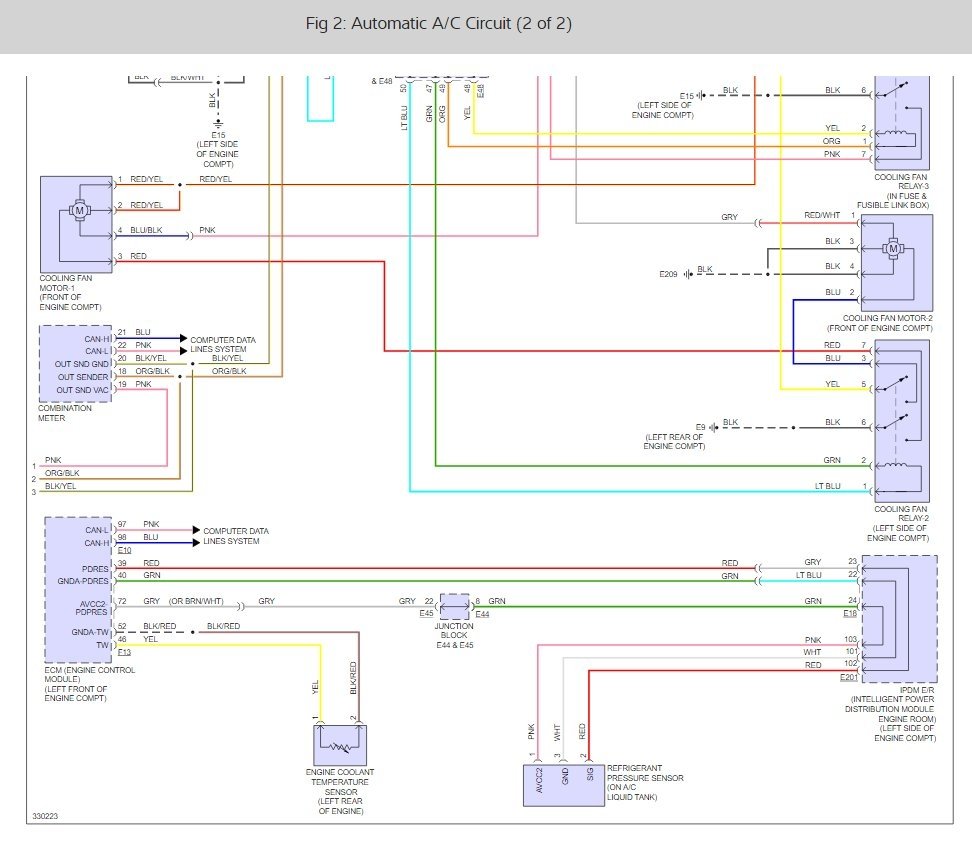
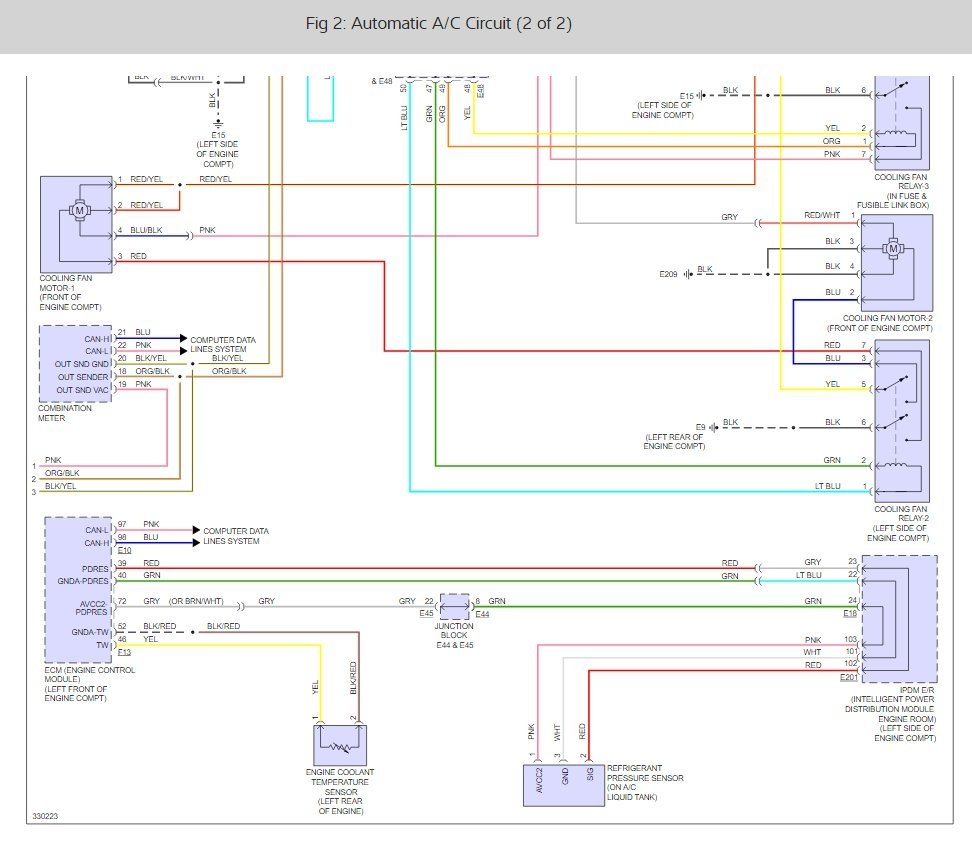
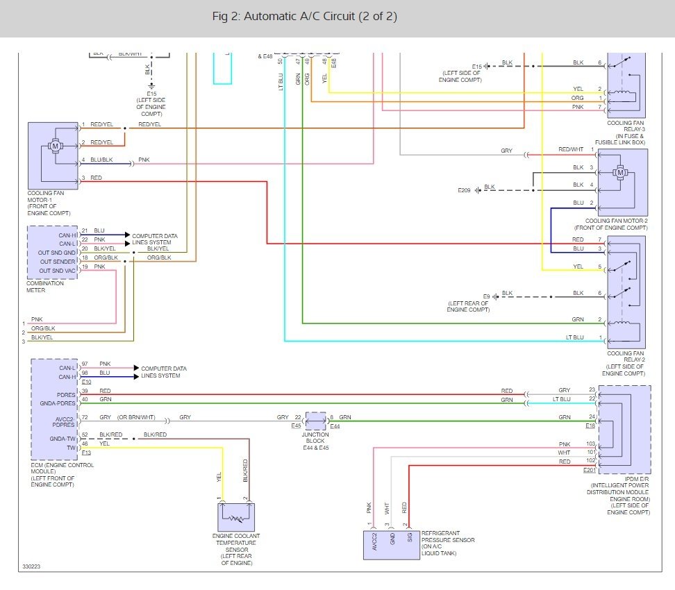
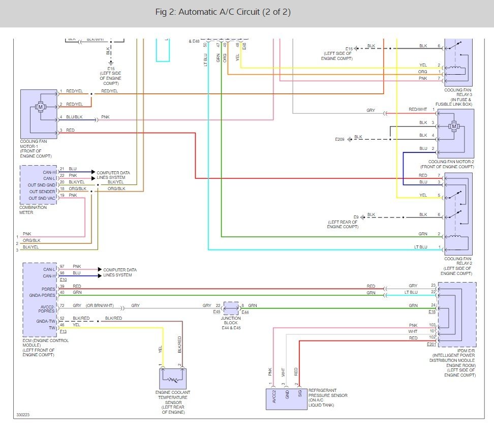
Sunday, April 12th, 2015 AT 1:01 PM
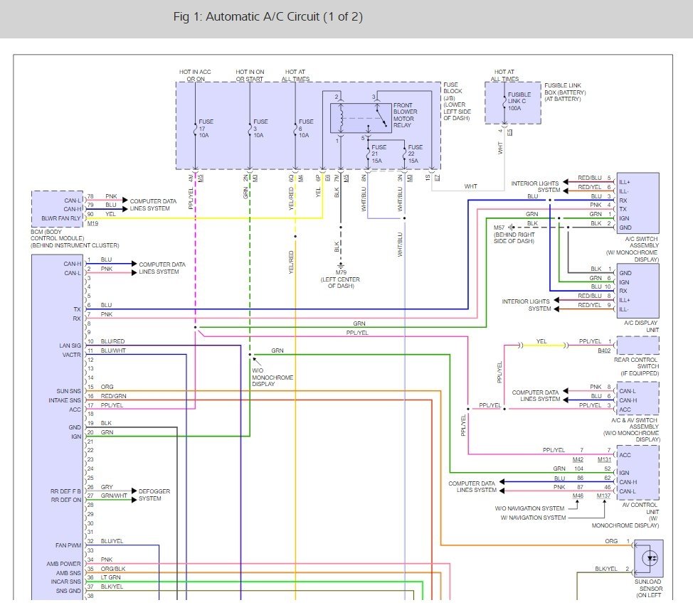
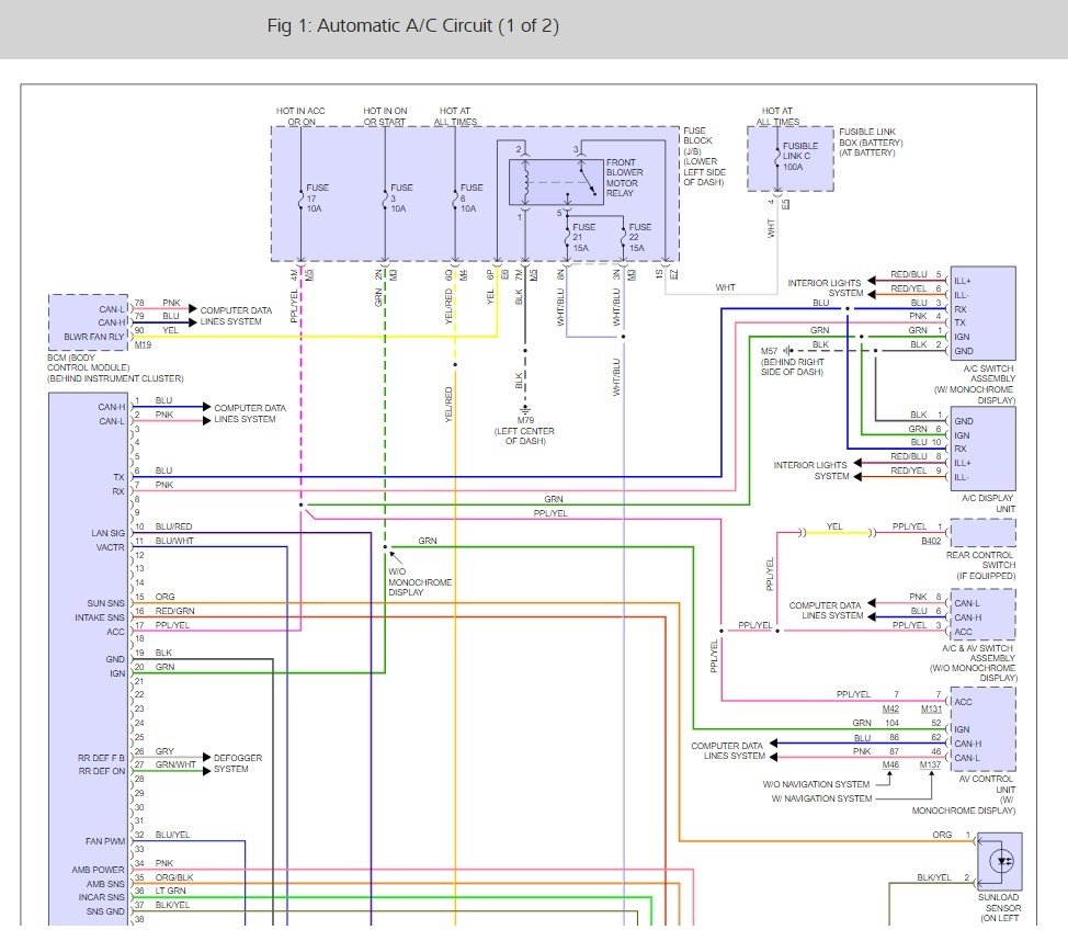
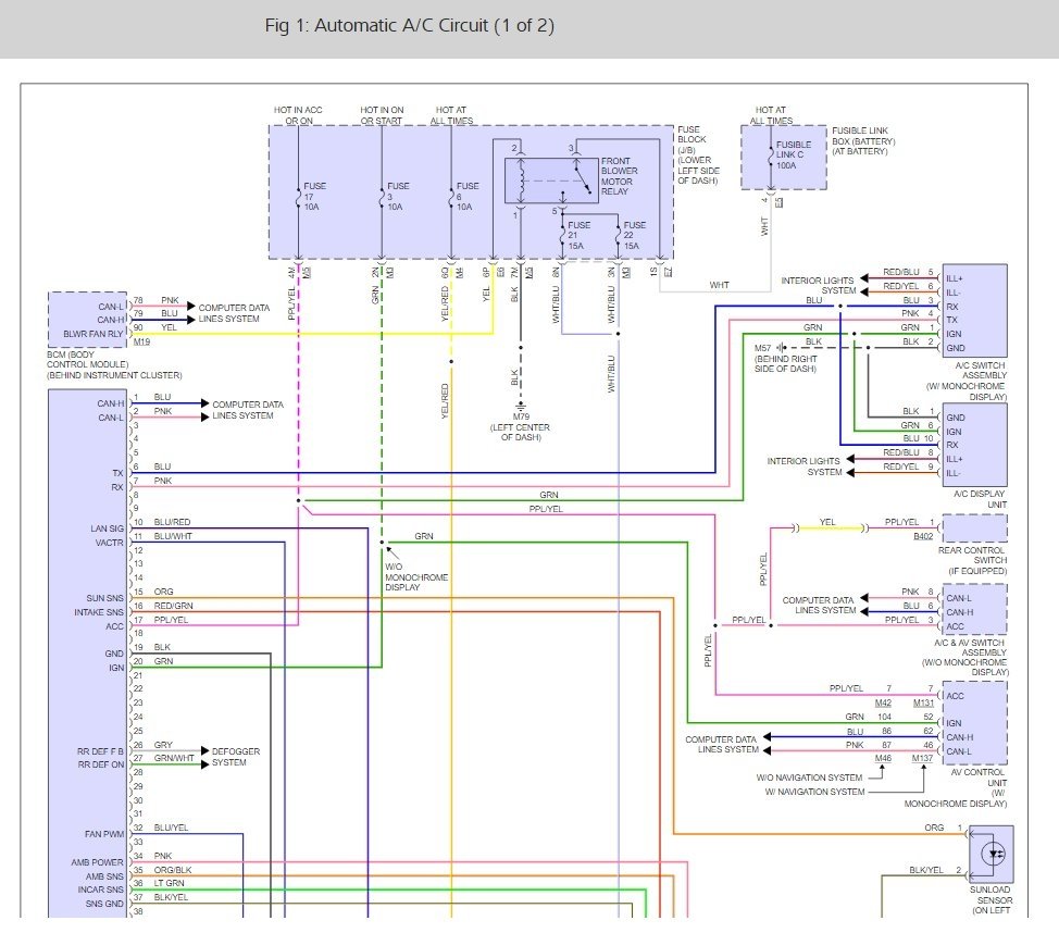
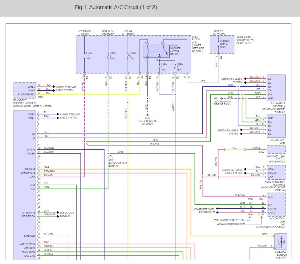
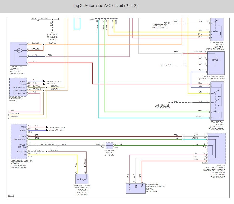
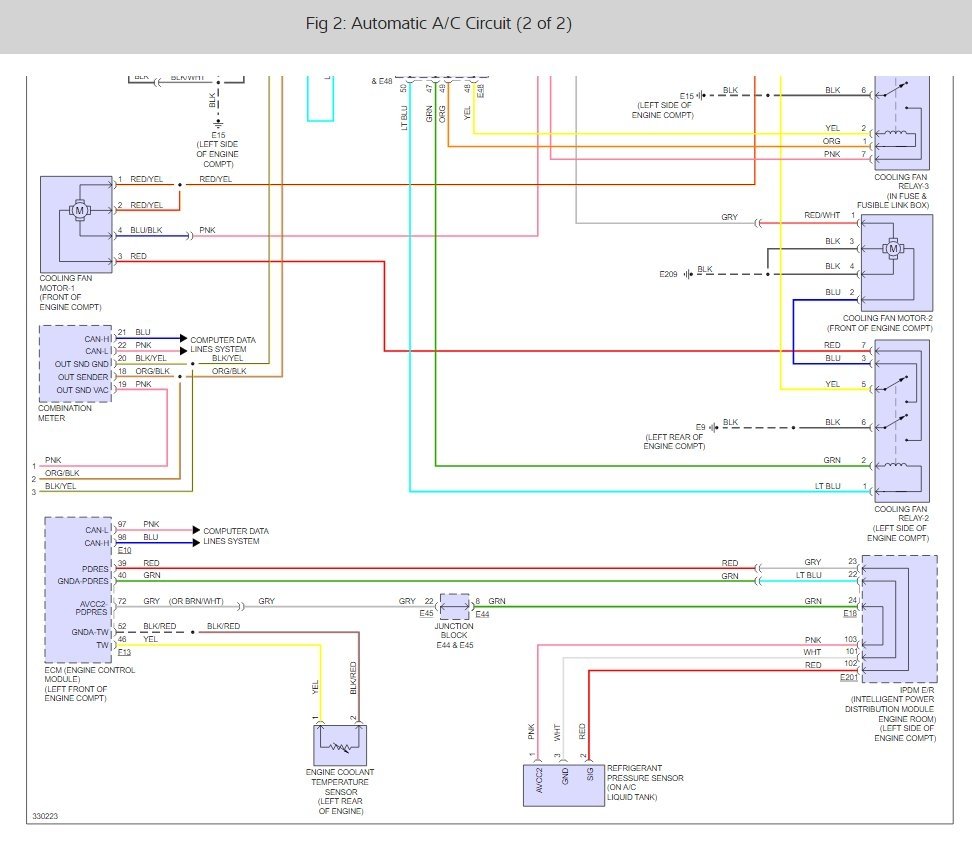
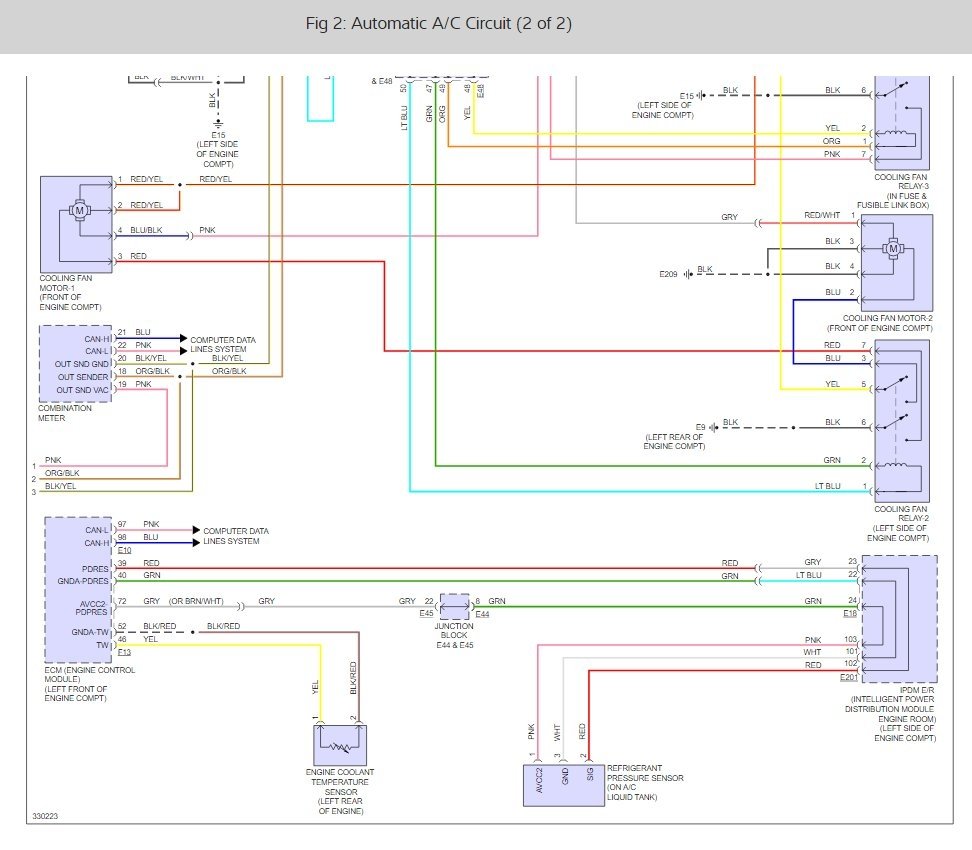
A/C cut out end of last summer. Had it check for leaks and recharged this month. New low pressure switch. Still no clutch activation. Please help! It's getting hot outside. Florida






