Thursday, February 18th, 2021 AT 11:55 AM
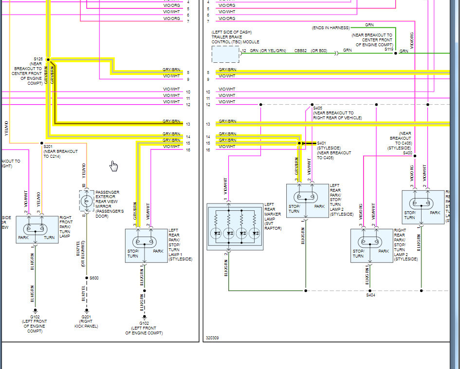
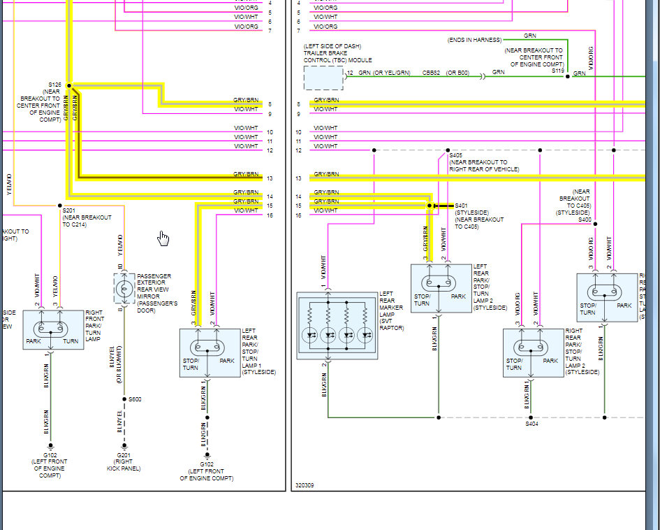
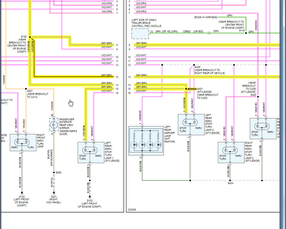
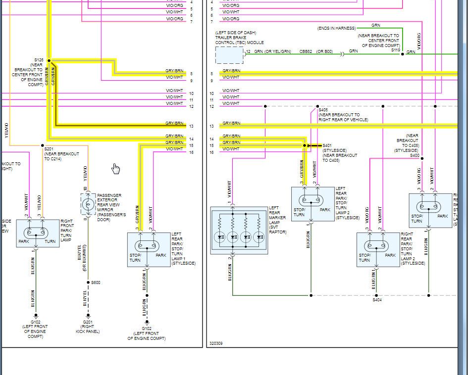
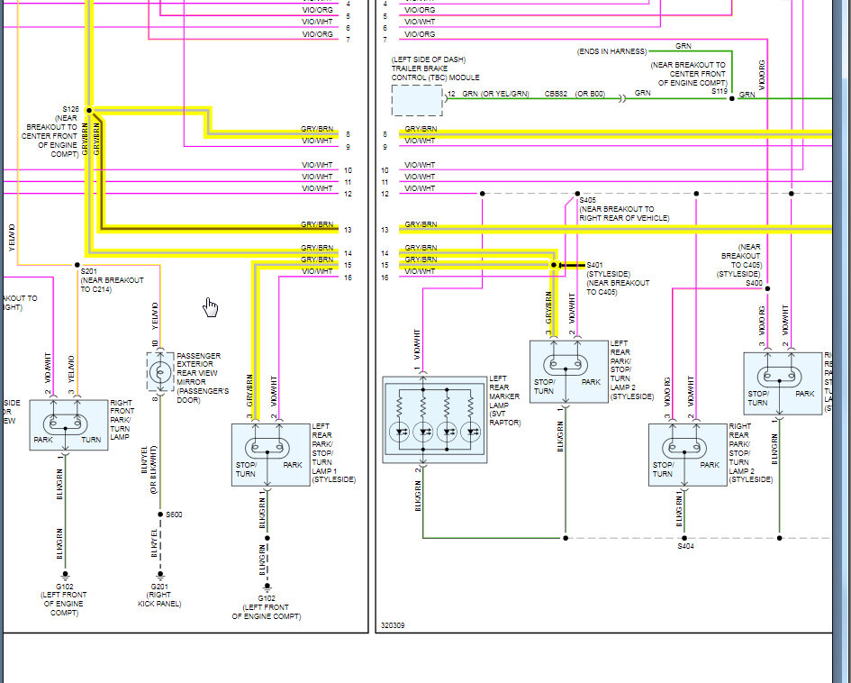
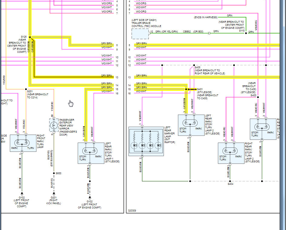
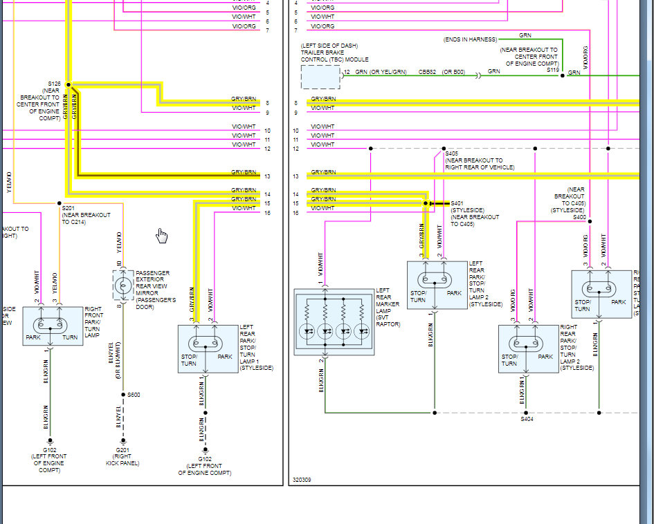
Recently bought, has a brake light and blinker light that does not work. Consequently, the brake and blinker light also doesn’t work on that side if I have a trailer hooked up. I replaced the bulb, checked the fuses and relays and they were all working. But when checking the power going into one of the relay ports. One was working as it should, the other wasn't receiving any volts. (On a side note, after taking the relay out for the working blinker light, it still worked without the relay in. And I don't know why) I later made a discovery, with the running lights on, the nonworking light begins to work but it is very dim, and is out of sync with the rest of the blinkers. This leads me to believe it is a grounding issue, but I can’t seem to find where the faulty ground is at. Any tips or help on fixing this would be greatly appreciated!




