Thank you for the advice.
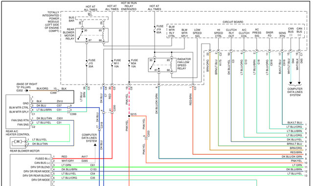
I have a 2010 Grand Caravan, rear A/C, 108? Mileage. The A/C no longer blew cold air when I left work this past evening. I checked the compressor for the clutch engaging and it was not. I've done quite a bit of reading and see that this model does not have a fuse and relay setup but has a TIPM that supplies power to engage the clutch under predetermined conditions. I have not ohmed the clutch coil or verified if power is getting to the clutch yet. Before I did that, I wanted to get this thread started and find out what other components have input in order for the TIMP to supply power to the clutch, i.E, low pressure switch, high pressure switch, blower motor, radiator fan, correct static pressure and so on.
So, my question is, what components have a play (have to be working correctly) in enabling the TIMP to send power to the compressor clutch?
And what resistance should I read when ohming out the clutch coil?
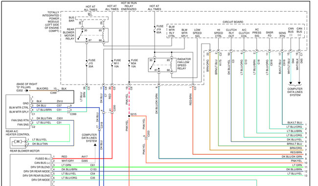
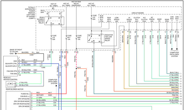
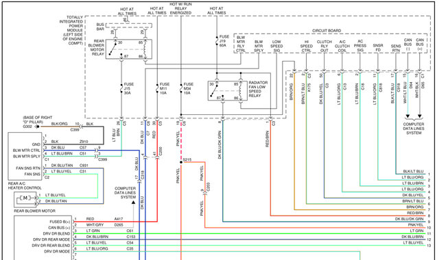
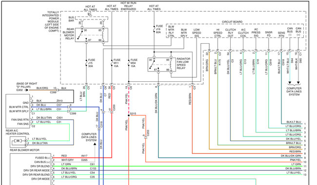
Any wire diagrams or schematics would be much appreciated.
Any other suggestions are welcome.
Thursday, July 28th, 2022 AT 4:18 AM




