Fuel pump relay?

Tiny
CRASE911
  • MEMBER
  • 2009 DODGE RAM
  • 5.7L
  • V8
  • 4WD
  • AUTOMATIC
  • 170,000 MILES
Truck listed above is a 1500, it cranks but no start. On a 2009 can I bypass the TIPM like you would a 2011? Wire from 12V to the Pump Fuse to see if the pump runs. Or is it different for 2009?
Monday, November 21st, 2022 AT 10:26 AM

3 Replies

Tiny
AL514
  • MECHANIC
  • 5,595 POSTS
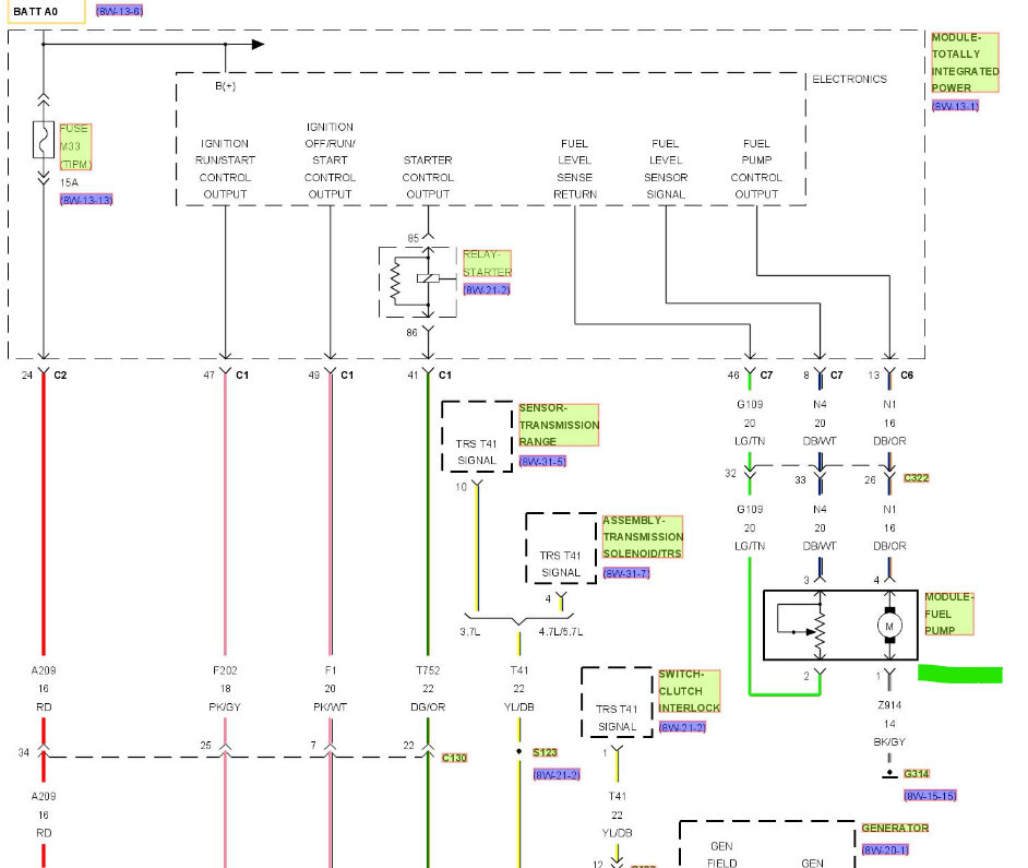
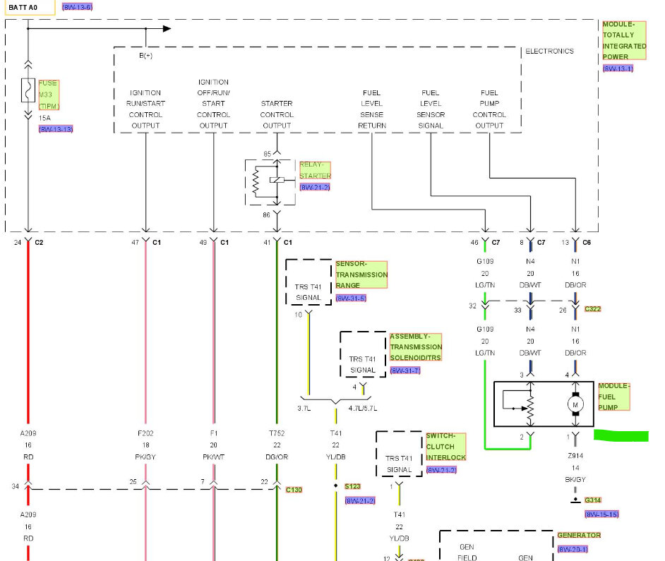
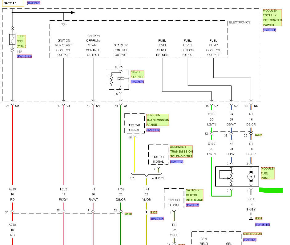
Hello, I don't even see a fuse listed for the Fuel pump, but these diagrams for this year are terrible, even the OEM diagrams are really bad, this is the OEM diagram, not showing any fuse in line with the pump, and I would expect there to be one. The aftermarket diagrams are the same. Do you have a fuse listed Fuel pump on 2009 and is there a number with, i.e. M23 for example?
here's the aftermarket diagram as well. I would also expect a fuel pump relay, but maybe Dodge does things differently. It looks like the ASD relay only powers up the ignition coils and the fuel injectors too.

Here's the C6 connector on the TIPM, pin 13 (dark blue/orange wire) is the pump output from the TIPM, if you want to unplug that connector and go that route.

https://www.2carpros.com/articles/how-to-check-fuel-system-pressure-and-regulator
Was this
answer
helpful?
Yes
No
+1
Monday, November 21st, 2022 AT 11:08 AM
Tiny
CRASE911
  • MEMBER
  • 2 POSTS
Okay. I just wanted to check. I know on 2011 the fuse is after the relay, and you can jump the relay to power the pump. I guess the 2009, 2010 it's before the relay so that doesn't work.
Was this
answer
helpful?
Yes
No
+1
Monday, November 21st, 2022 AT 11:24 AM
Tiny
AL514
  • MECHANIC
  • 5,595 POSTS
Yeah, I wouldn't take a chance of possibly damaging the ECM control by jumping pins out if we're not 100% sure its ok to do. I thought gm and dodge would be semi alike, but they're not, I guess.
Was this
answer
helpful?
Yes
No
Monday, November 21st, 2022 AT 11:47 AM

Please login or register to post a reply.