Headlight relay location

Tiny
ANONYMOUS
  • MEMBER
  • 2009 MAZDA 6
  • 53,000 MILES
I cannot identify the headlight relay, where is it located and which one is it?
Tuesday, February 26th, 2013 AT 11:16 PM

5 Replies

Tiny
BLUELIGHTNIN6
  • MECHANIC
  • 16,542 POSTS
Greetings,

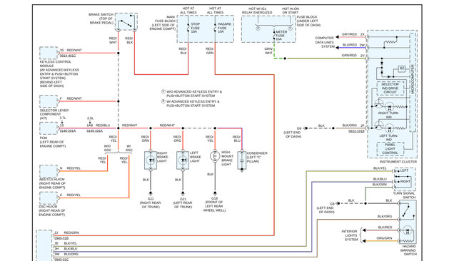
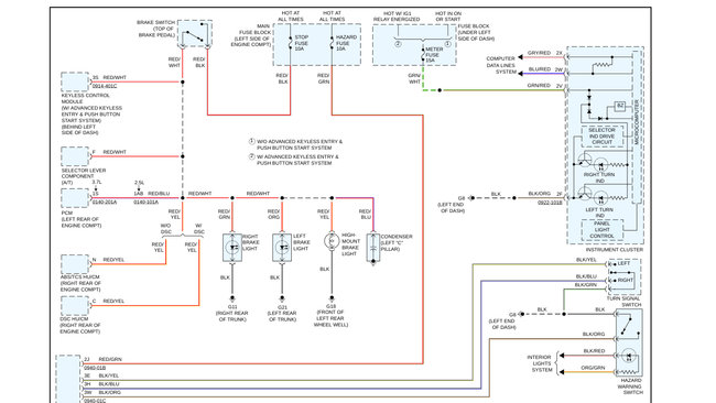
Below is a diagram of your vehicle's headlamp relay location and a guide to check it.

https://www.2carpros.com/articles/how-to-check-an-electrical-relay-and-wiring-control-circuit

Check out the diagrams (below). Please let us know if you need anything else to get the problem fixed.
Was this
answer
helpful?
Yes
No
+5
Wednesday, February 27th, 2013 AT 8:18 AM
Tiny
DEL SOL
  • MEMBER
  • 2 POSTS
I have problem with the turn signal and turn signal lights, which I recommend, we already checked all the fuses and seem to be working well. Thanks it is a Mazda 6 2009 engine 2.5.
Was this
answer
helpful?
Yes
No
+1
Monday, February 17th, 2020 AT 7:17 PM
Tiny
TOUGHDIVER
  • MECHANIC
  • 224 POSTS
Hello,

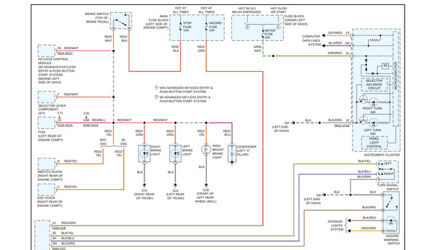
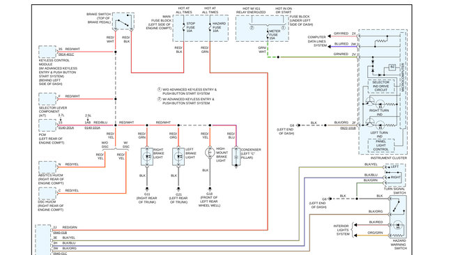
Check for 12 volts at the turn signal bulb connector and sockets. Verify bulbs are good and replace bulbs if faulty. It could be an error in the BCM check for trouble codes and reset the BCM with a scan tool or by unhooking the battery. Check for voltage drop coming in and out of the BCM. Check out the wiring diagram, connector locations and repair guide below:

https://www.2carpros.com/articles/how-to-check-wiring

Thanks
Joe T.

Was this
answer
helpful?
Yes
No
+2
Thursday, February 20th, 2020 AT 12:33 PM
Tiny
DEL SOL
  • MEMBER
  • 2 POSTS
Thank you. I will check and I give the results.
Was this
answer
helpful?
Yes
No
+1
Thursday, February 20th, 2020 AT 12:37 PM
Tiny
TOUGHDIVER
  • MECHANIC
  • 224 POSTS
Siempre estamos aqui` para ayudar.
We are always here to help.
Was this
answer
helpful?
Yes
No
Thursday, February 20th, 2020 AT 1:13 PM

Please login or register to post a reply.