Wednesday, October 17th, 2012 AT 11:03 PM
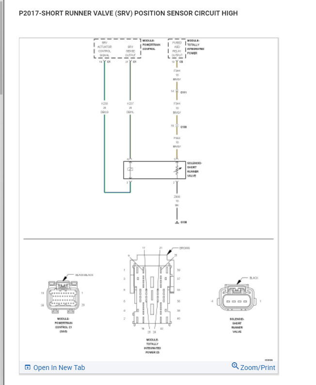
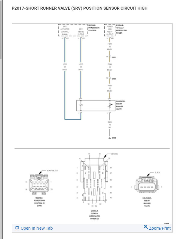
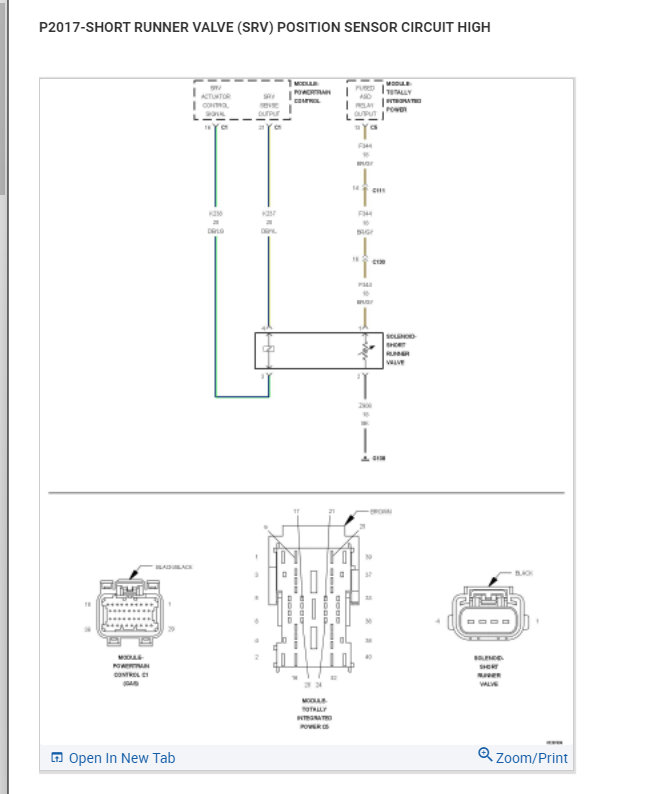
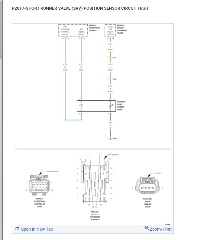
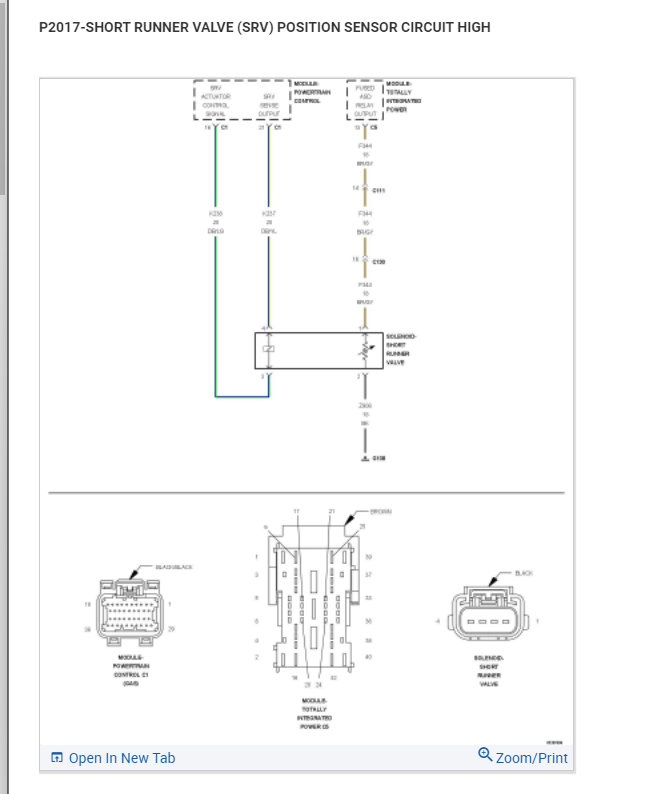
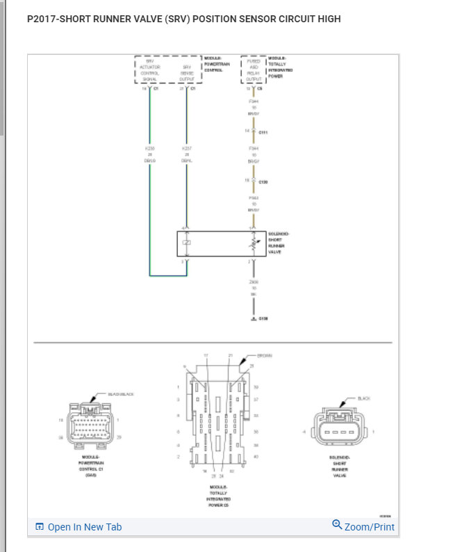
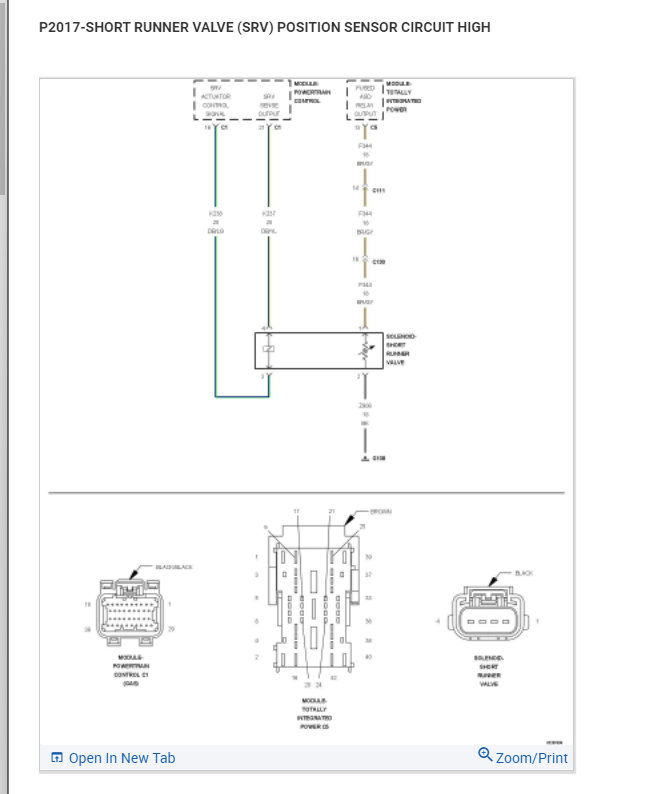
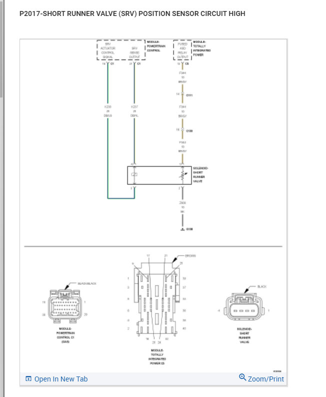
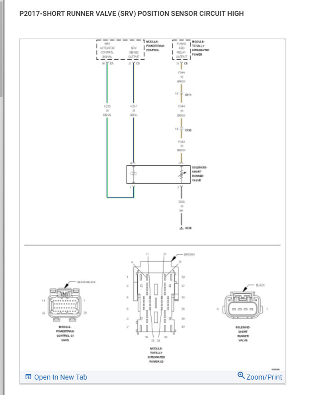
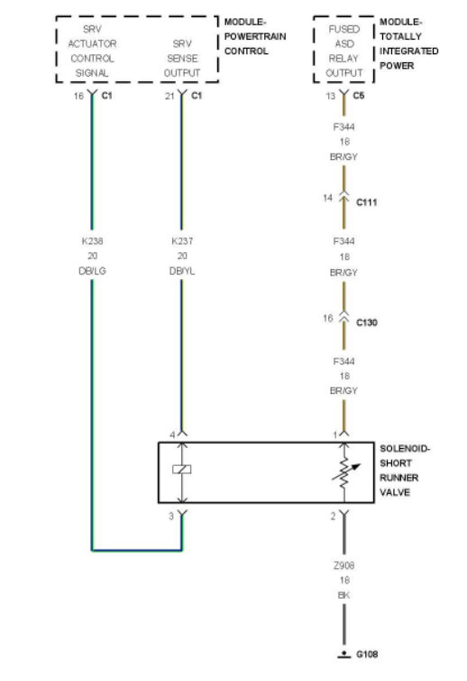
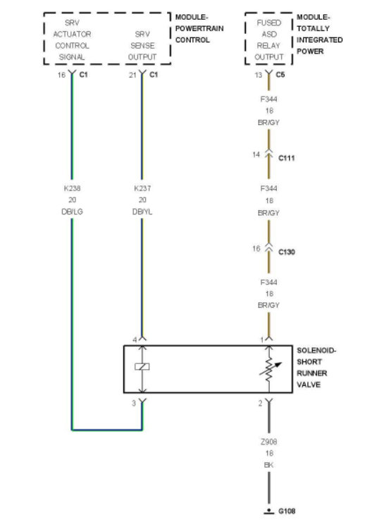
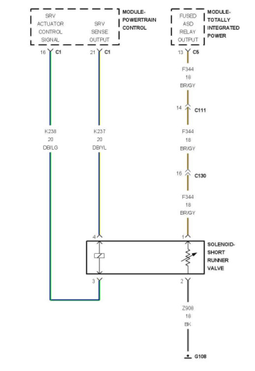
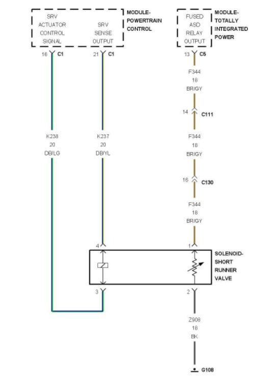
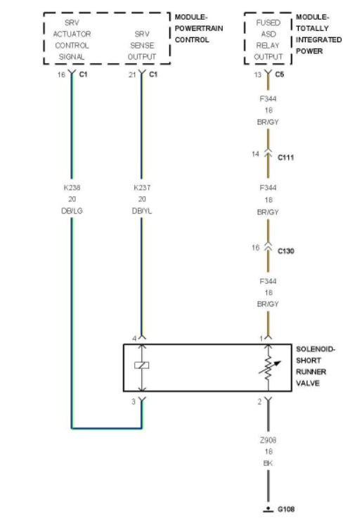
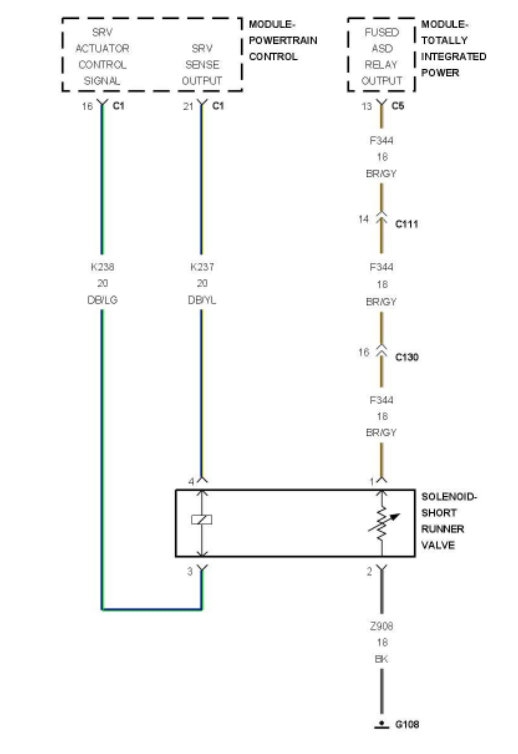
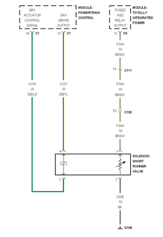
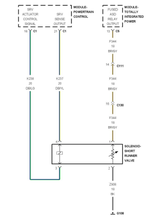
My Dodge truck is giving me a code P2017 which means Intake Manifold Runner Position Sensor Circuit High.I require further information to help me troubleshoot and correct this trouble code.













