Crankshaft position sensor location

Tiny
CHALEBROWN419
  • MEMBER
  • 2009 CHEVROLET MALIBU
  • 2.4L
  • 4 CYL
  • 2WD
  • AUTOMATIC
  • 122,000 MILES
Where is the crankshaft position sensor location, if is a diagram please provide. Thanks in advance.
Monday, September 22nd, 2014 AT 6:35 PM

22 Replies

Tiny
JACOBANDNICKOLAS
  • MECHANIC
  • 110,194 POSTS
Hello,

There are two different locations depending on which engine you have but where is a guide to help you see what you are in for when doing the job with diagrams of how it will be on your car

https://www.2carpros.com/articles/crankshaft-angle-sensor-replacement

Check out the diagrams (Below). Please let us know if you need anything else to get the problem fixed.

Cheers
Was this
answer
helpful?
Yes
No
+3
Monday, April 8th, 2019 AT 12:44 PM
Tiny
AUDI SALDANA
  • MEMBER
  • 1 POST
  • 2009 CHEVROLET MALIBU
  • 84 MILES
I need know where is the crank position censor is located. Cat turns on and works fine it heats up a little but fans turns on cools down. I turn car off and it wont start again for about twenty minutes.
Was this
answer
helpful?
Yes
No
+1
Wednesday, January 27th, 2021 AT 11:04 AM (Merged)
Tiny
HMAC300
  • MECHANIC
  • 48,601 POSTS
It may be a weak fuel pump scan for codes and check fuel pressure when hot and failing to start.

https://www.2carpros.com/articles/how-to-check-fuel-system-pressure-and-regulator

see picture for crank sensor, but get scanned first auto parts does for free.
Was this
answer
helpful?
Yes
No
+1
Wednesday, January 27th, 2021 AT 11:04 AM (Merged)
Tiny
RENEE L
  • ADMIN
  • 1,260 POSTS
Hi AUDI,

If you decide to conduct the scan yourself here is a link to an article that features written step by step instructions and pictures explaining how to do the scan yourself, also I have included a link to our YouTube channel with a how to video on code scanning. Most scanners are inexpensive to purchase, you can purchase one online from sites like Amazon.com

https://www.2carpros.com/articles/checking-a-service-engine-soon-or-check-engine-light-on-or-flashing

https://youtu.be/YV3TRZwer8k

Once you have the codes please get back to us so that we can further assist you. We are always happy to help.

Thank you for visiting 2CarPros.com.

Kindest regards,

Renee
Admin
Was this
answer
helpful?
Yes
No
-2
Wednesday, January 27th, 2021 AT 11:04 AM (Merged)
Tiny
CAP AMERICA
  • MEMBER
  • 1 POST
  • 2005 CHEVROLET MALIBU
  • 3.5L
  • 6 CYL
  • 2WD
  • AUTOMATIC
  • 200,000 MILES
Does USA version allow someone to do a relearn for crankshaft position sensor?
Was this
answer
helpful?
Yes
No
+1
Wednesday, January 27th, 2021 AT 11:07 AM (Merged)
Tiny
ASEMASTER6371
  • MECHANIC
  • 52,796 POSTS
Good morning,

I attached the site for the tool. It looks like it will not do the relearn procedure for any sensors at all including the throttle body.

To get a tool that does all that, you will be spending the better part of $1,500.00 to $2,000.00.

https://www.autel.com/mk2/3223.jhtml

Roy
Was this
answer
helpful?
Yes
No
Wednesday, January 27th, 2021 AT 11:07 AM (Merged)
Tiny
KEN L
  • MASTER CERTIFIED MECHANIC
  • 55,420 POSTS
The scanner we use in this video does the job for 450.00

https://youtu.be/InIlnsjOVFA

Please let us know if you need anything else to get the problem fixed.
Was this
answer
helpful?
Yes
No
Wednesday, January 27th, 2021 AT 11:07 AM (Merged)
Tiny
GUITARCAT
  • MEMBER
  • 1 POST
  • 2004 CHEVROLET MALIBU
  • 4 CYL
  • FWD
  • AUTOMATIC
  • 76,778 MILES
Where is the crank sensor on a 2.2 ecotec malibu classic?
Was this
answer
helpful?
Yes
No
Wednesday, January 27th, 2021 AT 11:07 AM (Merged)
Tiny
RASMATAZ
  • MECHANIC
  • 75,992 POSTS
Here is the location for the crank sensor.


https://www.2carpros.com/forum/automotive_pictures/12900_c_3.jpg



Please let us know what you find.
Was this
answer
helpful?
Yes
No
+1
Wednesday, January 27th, 2021 AT 11:07 AM (Merged)
Tiny
H-TOWN
  • MEMBER
  • 1 POST
  • 1998 CHEVROLET MALIBU
  • 6 CYL
  • FWD
  • AUTOMATIC
  • 168,225 MILES
About how much should the labor be to replace one a camshaft sensor and two replace a crankshaft sensor
Was this
answer
helpful?
Yes
No
Wednesday, January 27th, 2021 AT 11:08 AM (Merged)
Tiny
SERVICE WRITER
  • MECHANIC
  • 9,123 POSTS
According to Mitchell 1, the book time for the camshaft sensor is 1.3 hours.

And the crankshaft sensor is 1.3 for the 24x and.7 for the 7x.

Multiply the hours times the shop rate and you will get an approximate cost. This is a guide only and the cost can vary from shop to shop and any problems incountered will affect the cost.
Was this
answer
helpful?
Yes
No
-1
Wednesday, January 27th, 2021 AT 11:08 AM (Merged)
Tiny
JACKJESSICA
  • MEMBER
  • 1 POST
  • 1997 CHEVROLET MALIBU
  • 4 CYL
  • FWD
  • AUTOMATIC
  • 150,000 MILES
Where can I find crankshaft sensor for a 97 Chevy Malibu?
Was this
answer
helpful?
Yes
No
Wednesday, January 27th, 2021 AT 11:08 AM (Merged)
Tiny
JACOBANDNICKOLAS
  • MECHANIC
  • 110,194 POSTS
Hello,

Here is a guide to show you what you are in fo when changing it and the location for you car in the diagrams below.

https://www.2carpros.com/articles/crankshaft-angle-sensor-replacement

Check out the diagrams (Below) for both engines. Please let us know if you need anything else to get the problem fixed.

Cheers
Was this
answer
helpful?
Yes
No
Wednesday, January 27th, 2021 AT 11:08 AM (Merged)
Tiny
JUNIIR PALACIO PEREZ
  • MEMBER
  • 9 POSTS
  • 1997 CHEVROLET MALIBU
  • 3.1L
  • V6
  • 2WD
  • AUTOMATIC
  • 188,000 MILES
Where is sensor A and where sensor b?
Was this
answer
helpful?
Yes
No
Wednesday, January 27th, 2021 AT 11:09 AM (Merged)
Tiny
KASEKENNY
  • MECHANIC
  • 18,907 POSTS
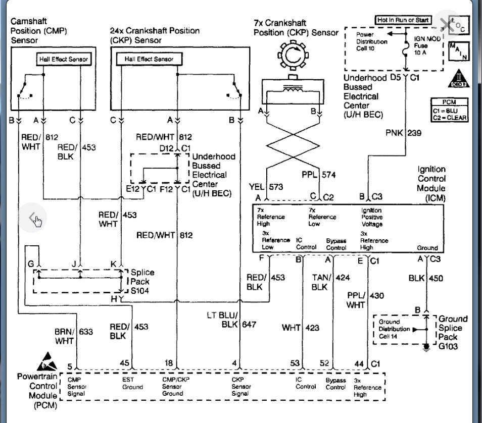
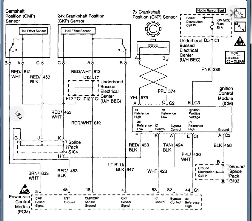
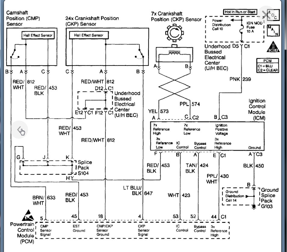
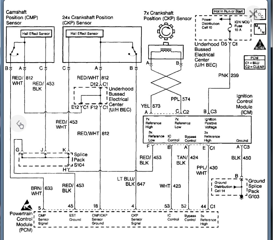
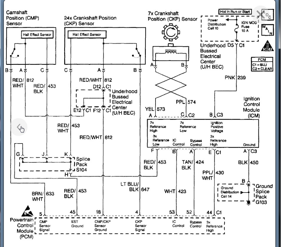
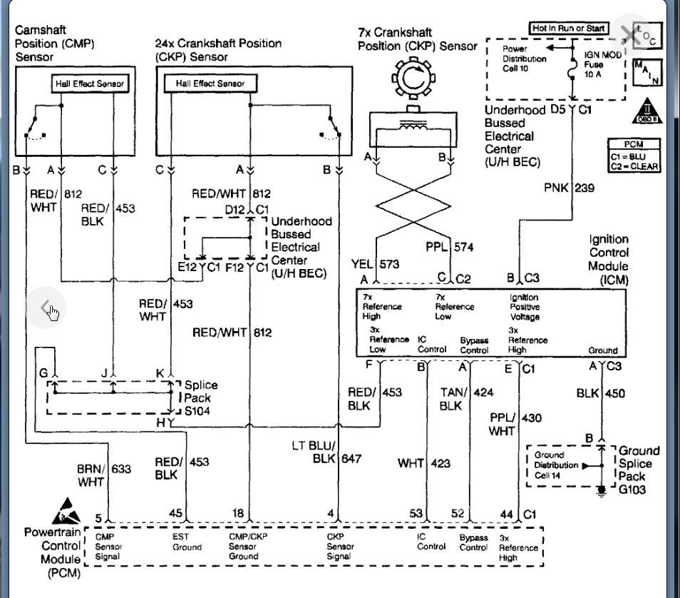
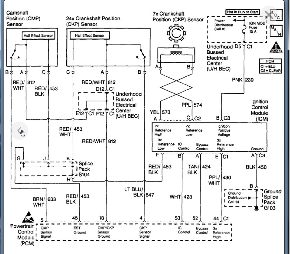
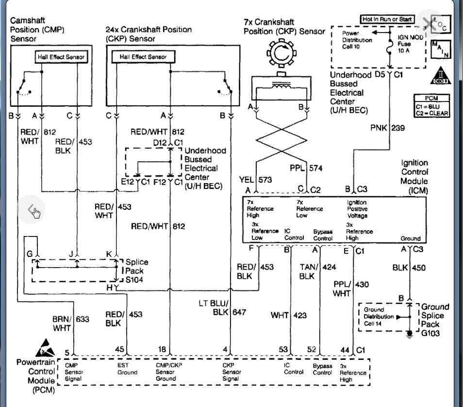
This is a bit of an odd engine in the fact that it has 3 crank sensors. Two external sensors (7x and 24x) and one internal to the PCM.

I have attached all the info about each of these sensors and the locations of the two external sensors.

Let me know if you have more questions. Thanks
Was this
answer
helpful?
Yes
No
+1
Wednesday, January 27th, 2021 AT 11:09 AM (Merged)
Tiny
JUNIIR PALACIO PEREZ
  • MEMBER
  • 9 POSTS
So which is a/b/c?
Was this
answer
helpful?
Yes
No
Wednesday, January 27th, 2021 AT 11:09 AM (Merged)
Tiny
KASEKENNY
  • MECHANIC
  • 18,907 POSTS
They don't list them as A, B, or C. Do you have a code that is pointing you to one of them? If so, what is the DTC and we can figure it out. Thanks
Was this
answer
helpful?
Yes
No
Wednesday, January 27th, 2021 AT 11:09 AM (Merged)
Tiny
JUNIIR PALACIO PEREZ
  • MEMBER
  • 9 POSTS
P0336 Crankshaft Position Sensor A Circuit Range/performance.
Was this
answer
helpful?
Yes
No
+1
Wednesday, January 27th, 2021 AT 11:10 AM (Merged)
Tiny
KASEKENNY
  • MECHANIC
  • 18,907 POSTS
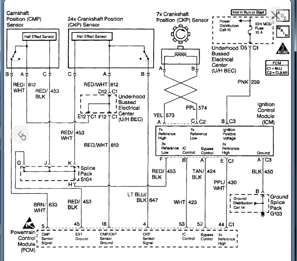
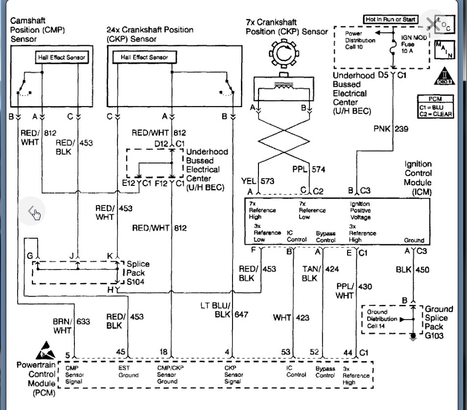
Okay, great. That code is for the 24x sensor. That is the sensor in the traditional position on the crank pulley.

I attached the testing info and location. Let me know if you have questions. Thanks.
Was this
answer
helpful?
Yes
No
Wednesday, January 27th, 2021 AT 11:10 AM (Merged)
Tiny
JUNIIR PALACIO PEREZ
  • MEMBER
  • 9 POSTS
Sweet, thank you. I have one last question concerning small retaining clips to fuel injectors.
Was this
answer
helpful?
Yes
No
Wednesday, January 27th, 2021 AT 11:10 AM (Merged)

Please login or register to post a reply.