Not charging properly?

Tiny
JR PAYNE
  • MEMBER
  • 2008 VOLKSWAGEN GOLF
  • 3.2L
  • V6
  • 2WD
  • AUTOMATIC
  • 150,000 MILES
My car listed above r32, isn't charging correctly. I pulled the alternator and had it tested and it is perfectly putting out 14.7 volts. This all started when the engine compartment got soaked by a coolant leak. Immediately after the battery Ishtar came on and a whole bunch of others. I changed out the battery still no change in voltage. Please help.
Tuesday, July 18th, 2023 AT 7:18 PM

1 Reply

Tiny
BORIS K
  • MECHANIC
  • 836 POSTS
Hello,

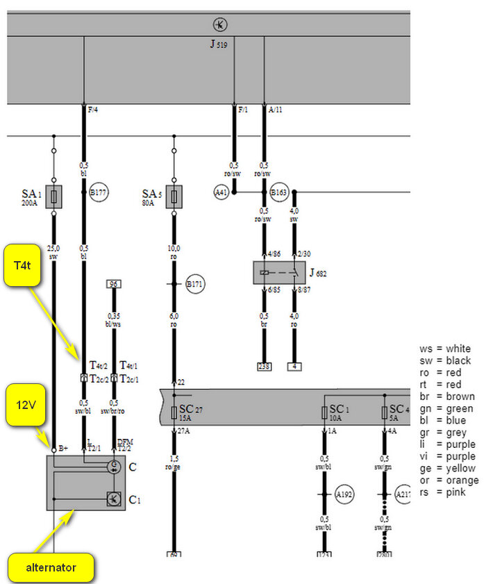
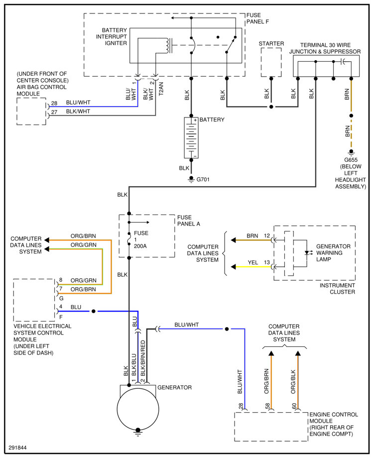
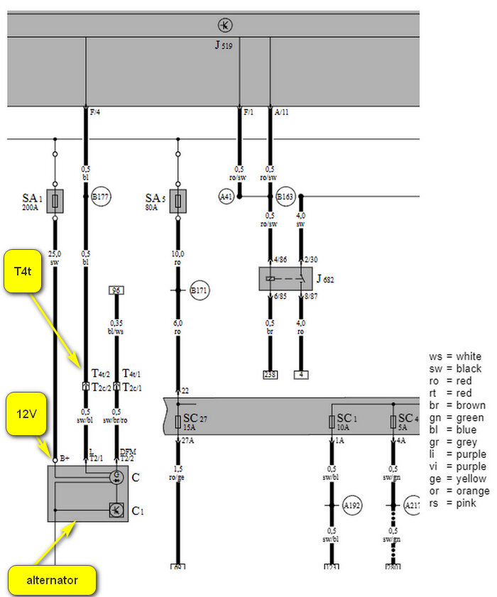
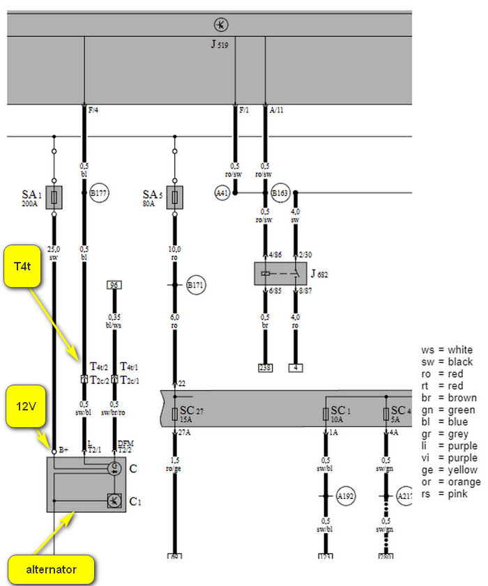
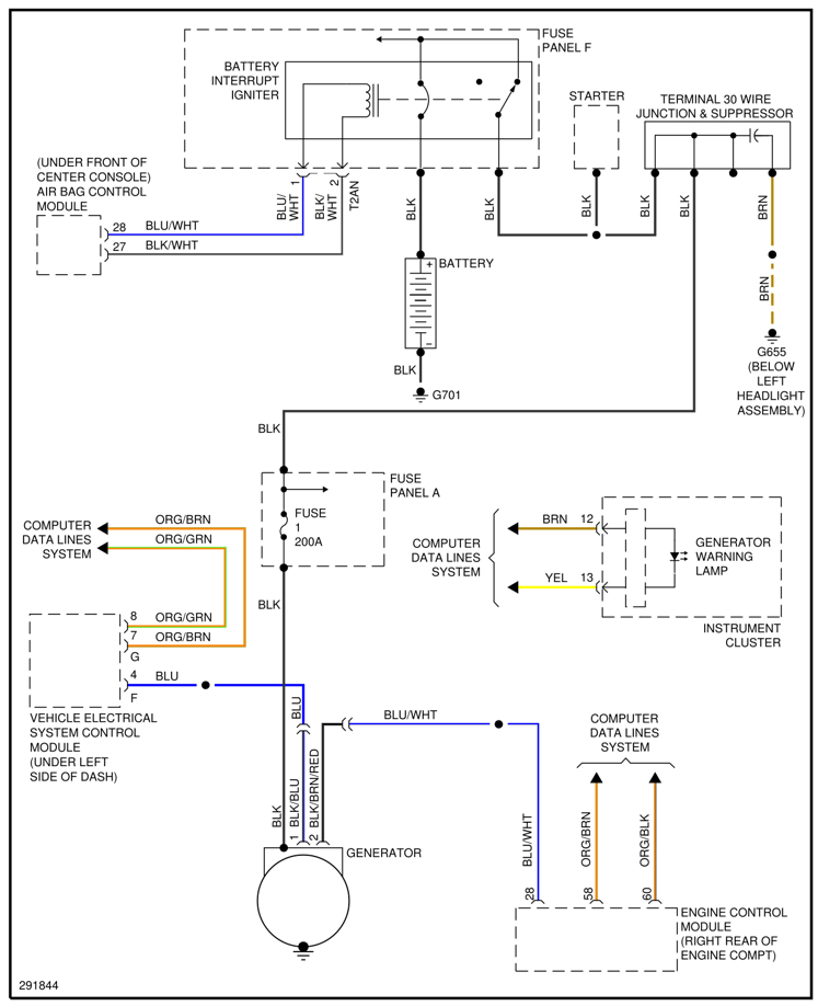
First check that you have battery voltage on the main red wire at alternator. This voltage comes from fuse S1(200A) in fuse panel A. Fuse panel A is located on the driver side engine compartment lower fuse block. Use a voltmeter for that. Also check that you have battery voltage on both sides of fuse S1, see image 4 below.

A good video how to test alternator supply and fuse check:
https://youtu.be/2_varQUD2Z0

If it's okay, next, try and connect a separate ground wire to the alternator housing. Easiest to use a battery jumper cable, connect from alternator housing to battery negative terminal, see if the charging improves.

How to use a voltmeter:
https://www.2carpros.com/articles/how-to-use-a-voltmeter

If no change, next check the 4-pin connector near the starter motor for possible moisture ingress/bad connection. This is connector T4t.
The control wires for the alternator are routed through there.

Pin out from alternator, 2 pin connector, to T4t to ECM and vehicle electrical system module (under left side of dash).

Pin 1, black/blue wire to T4t pin 2, then blue wire to electrical system module pin F4 - warning light.
Pin 2, black/brown/red wire to T4t pin 1, then blue/white wire to ECM pin 28, 121 pin connector - DFM.

How to test wiring:
https://www.2carpros.com/articles/how-to-check-wiring

How to test alternator:
https://www.2carpros.com/articles/how-to-check-a-car-alternator

Please see diagrams attached below.

Hope this helps.

Cheers, Boris
Was this
answer
helpful?
Yes
No
Wednesday, July 19th, 2023 AT 2:06 AM

Please login or register to post a reply.