Sunday, December 16th, 2012 AT 8:24 PM
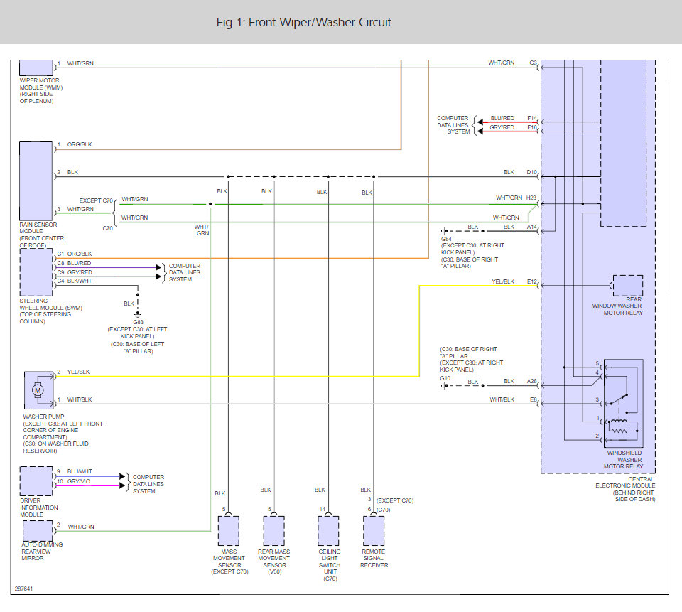
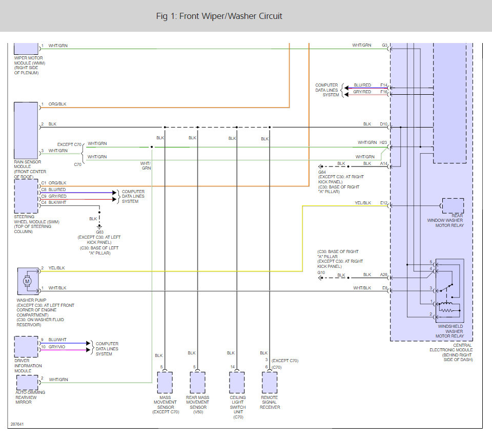
Wipers do not work. What is going on? I went on we did not demand for them and will not work when I need them. This is for the front windshield. 2009 a recall was issued for this issue. Does anyone know what I need to do?










