'08 Mountaineer interior lights

Tiny
GRAYG85
  • MEMBER
  • 2008 MERCURY MOUNTAINEER
  • 35,000 MILES
My interior lights on my '08 Mountaineer won't come on. I've put a new fuse (#23 in the fuse box under the dash) in, but they still don't work. Any suggestions?
Tuesday, July 12th, 2011 AT 11:44 PM

2 Replies

Tiny
CJ MEDEVAC
  • MECHANIC
  • 11,005 POSTS
I do not know your vehicle

But luckily I have a Map!

I'm presently, trying to find a wire diagram that might show all components that are related and may affect the interior lights

Thus far, I have come across one possibility. It would make you happy, and my search would end.

We tell our Grand monster, "If it's not yours.", His response is, "Don't touch it!". Sounds good, But actual application differs!

Leads me on to. Have the Evil ones been playing with your dimmer switch (the interior lights one)?

I will continue my search and post, as I go, until you stop me

Keep me posted

The Medic
Was this
answer
helpful?
Yes
No
Wednesday, July 13th, 2011 AT 2:18 AM
Tiny
CJ MEDEVAC
  • MECHANIC
  • 11,005 POSTS
OK, there are 10 bazillon things that deal with these lights

Any other things that do not work? Might have something to do with "Theft" or I reckon security stuff

I deal with older Jeeps and Fords. This is mega more complicated than that!

On my Jeeps--here's my possibilities for the same problem: Bad bulbs, bad socket/ corrosion, broke wire, headlight/interior dimmer switch, fusible link. Diagnosis time 1 hour if you are slow!

Like I sorta promised myself, I would help you to the best of my ability

Other experts may also join in. Sometimes not

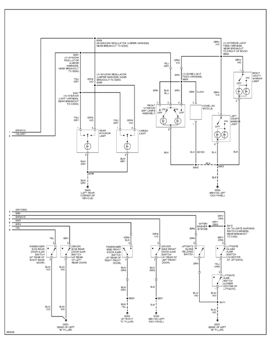
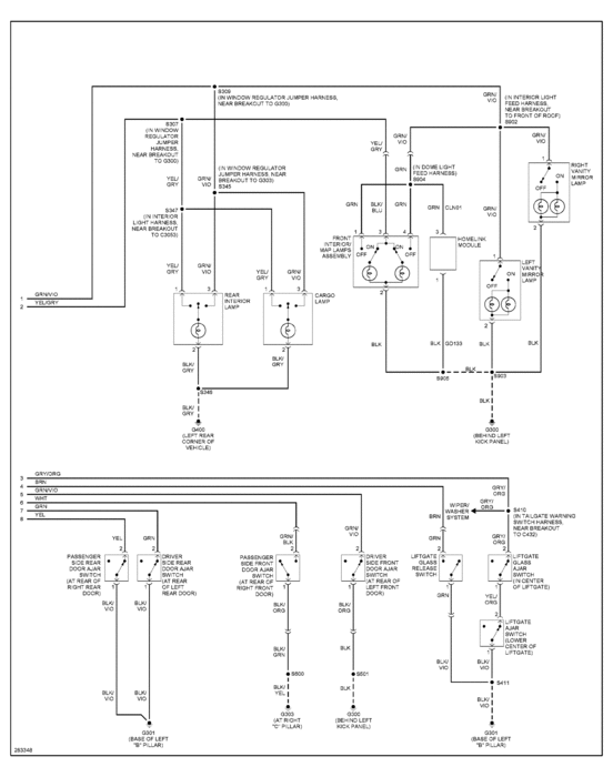
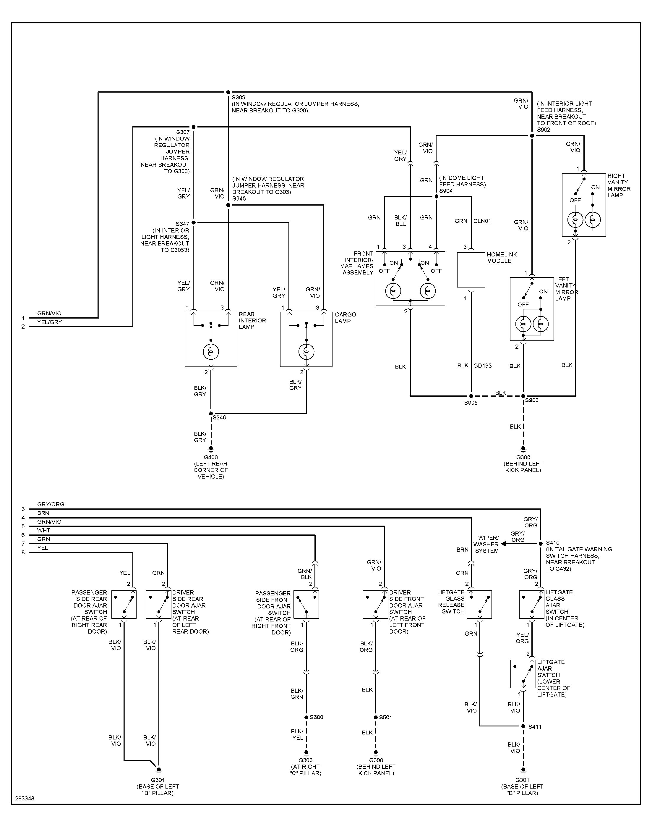
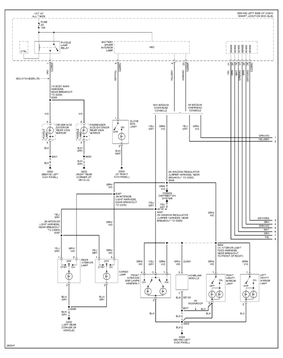
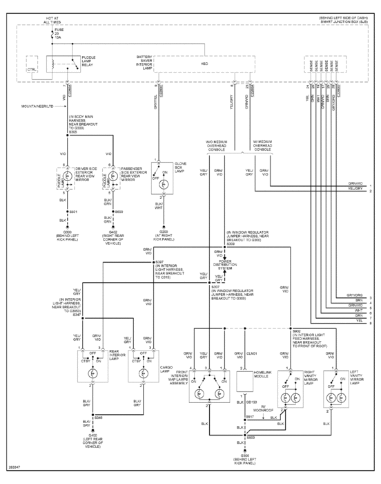
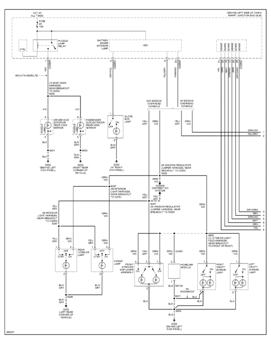
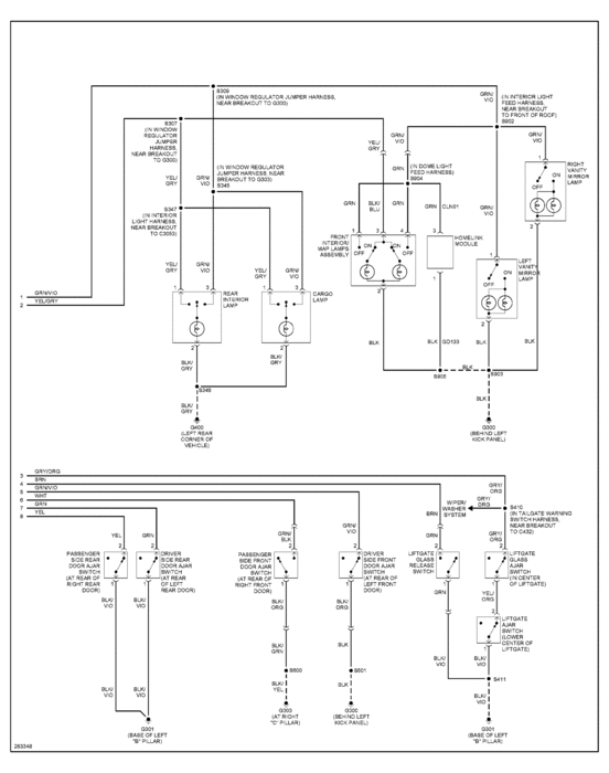
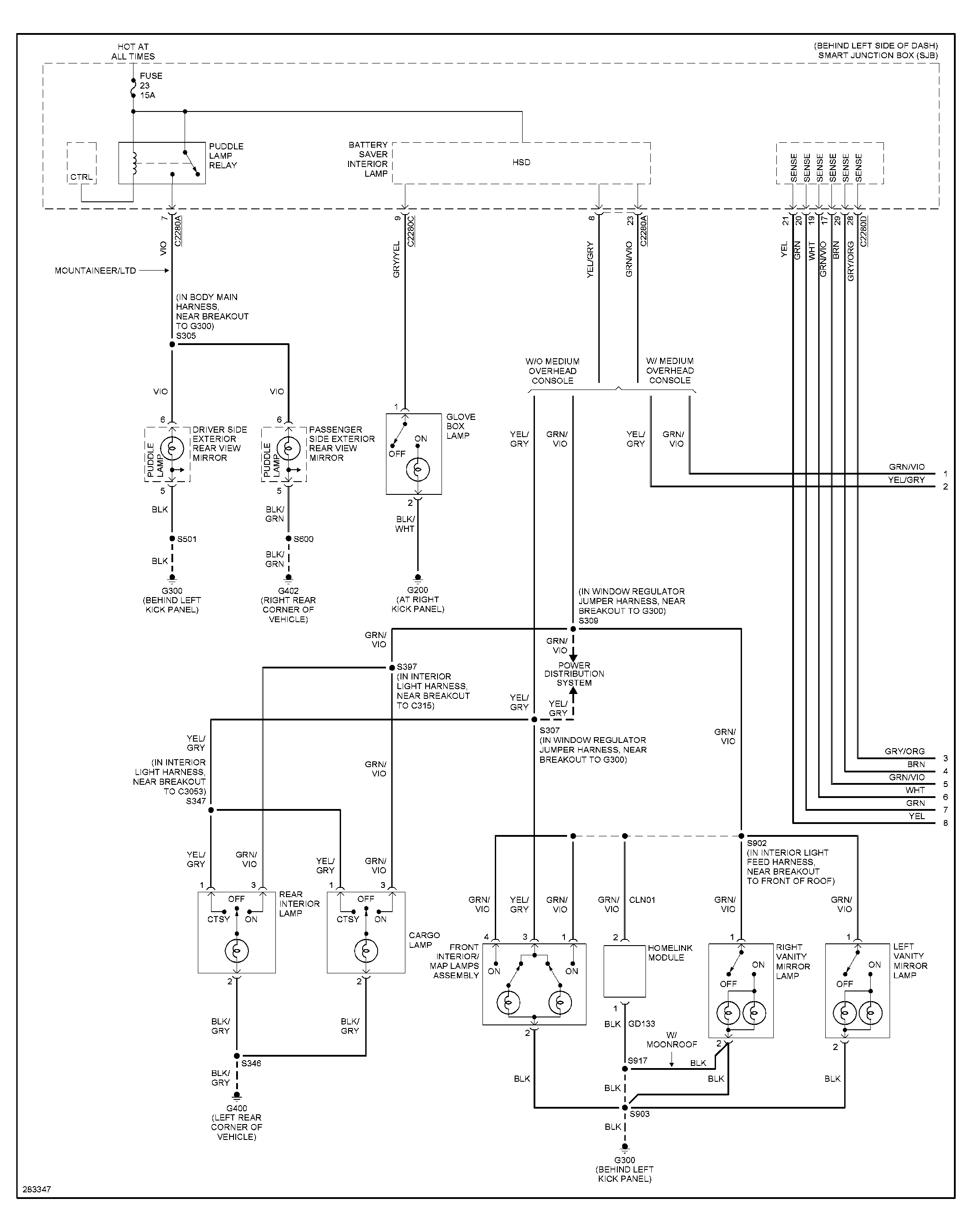
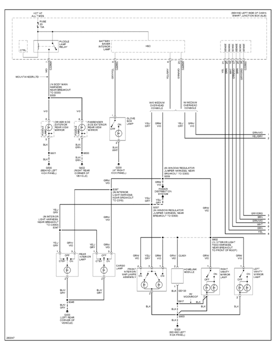
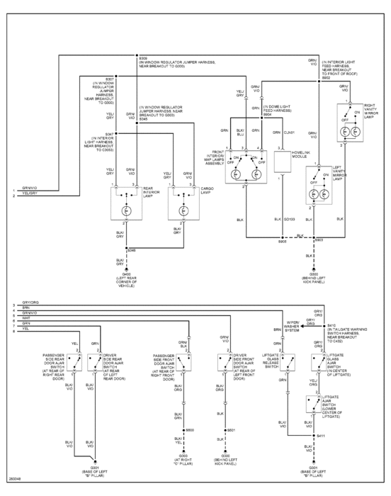
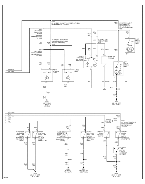
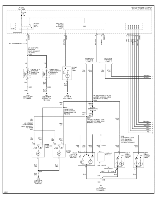
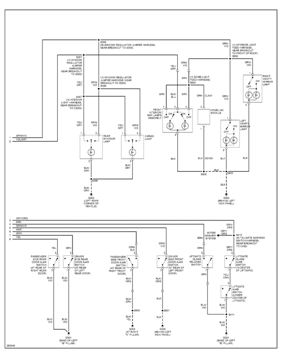
You know you vehicle better than I, so I did find you 2 wiring diagrams amongst the hundreds of pages that concern you vehicle

I hope this turns out to be something EZ and stupidly overlooked, these diagrams (even if you don't know how to read them) may show you a component that you may have missed. Or a relay. Or a switch. Or a override.

Your owners manual may also show you fuse/ relay/ etc locations in/ on other parts of your vehicle (such as under the hood)

Sorry I couldn't sling out a quick fix. If you cannot read these diagrams on site, let me know and I will explain another safe way, I can get them to you.

The Medic
Was this
answer
helpful?
Yes
No
Wednesday, July 13th, 2011 AT 3:10 AM

Please login or register to post a reply.