Battery icon

2008 LINCOLN NAVIGATOR
96,000 MILES • 1.4L • V8 • 2WD • AUTOMATIC
Avatar
DSHOUP
  • MEMBER
  • 1 POST
The battery icon is lit up....what does that mean?
Jul 23, 2015 at 4:12 PM
Advertisement
Avatar
CARADIODOC
  • CAR REPAIR CONTRIBUTOR
  • 34,309 POSTS
That means the battery isn't being recharged by the charging system. Most commonly the alternator/generator has failed, but to be sure, have the charging system tested at a repair shop, not an auto parts store. You can do the same preliminary test by measuring battery voltage with the engine off, then again with it running. That is all they do at auto parts stores, but that is just the first part of the tests. If you find around 12.2 volts, meaning the battery is dead but okay, with the engine off, the next test is with the engine running. Then, you must find between 13.75 and 14.75 volts. If that is low, the charging system isn't working and you'll be able to drive the car for perhaps 20 to 30 minutes if you turn off everything electrical, AND after charging the battery for at least an hour at a slow rate.

Even if you find the battery voltage with the engine running is within that acceptable range, you still need the rest of the professional test results from the shop. They will give you a printout of the results or they should write the important numbers on the repair ticket for you. Don't be satisfied with an "everything is okay", or "you need, . . . " unless they show you the numbers first and explain what has happened.

Even with a new alternator, you should check the fuses/wiring to be sure everything else is OK

See this guide for testing

https://www.2carpros.com/articles/how-to-use-a-test-light-circuit-tester

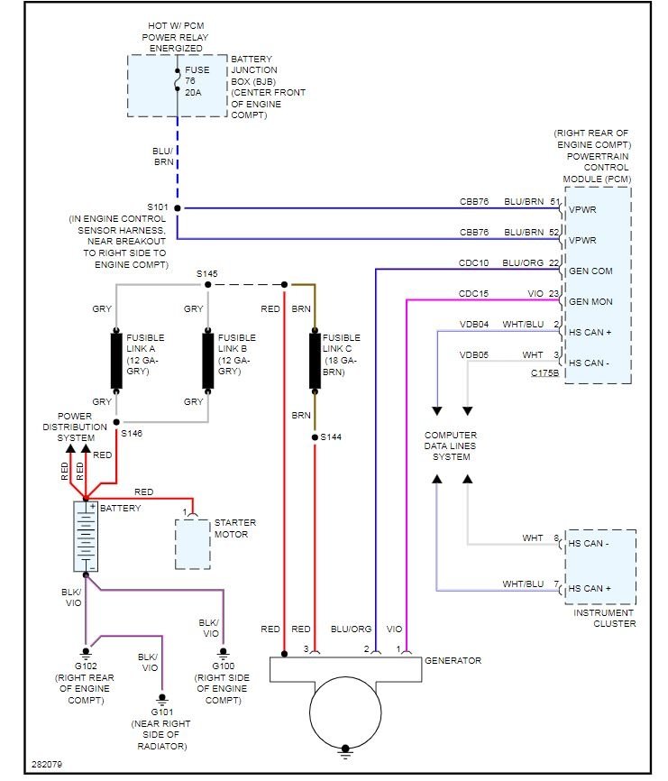
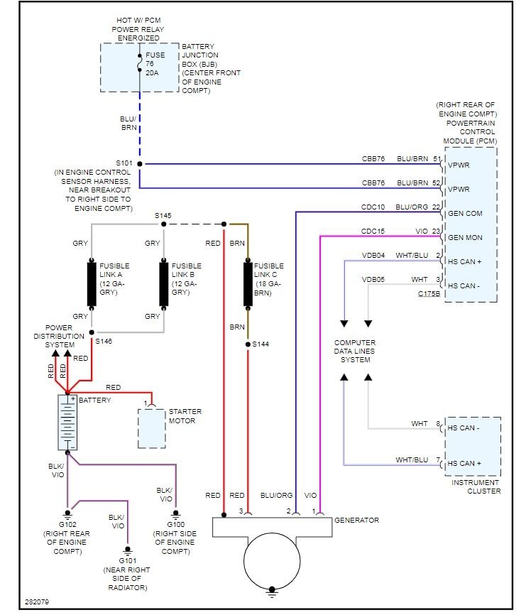
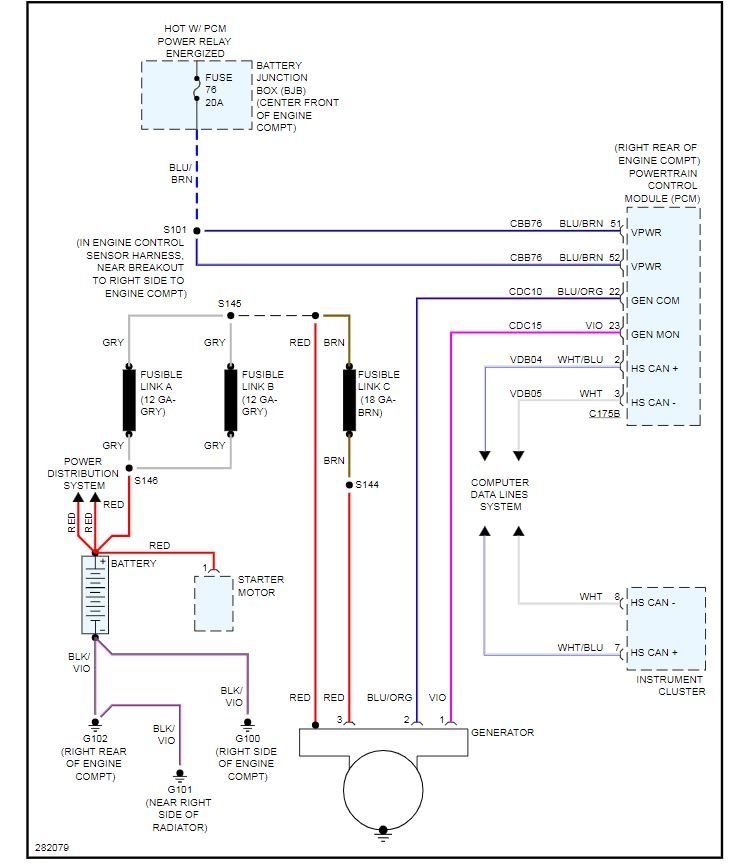
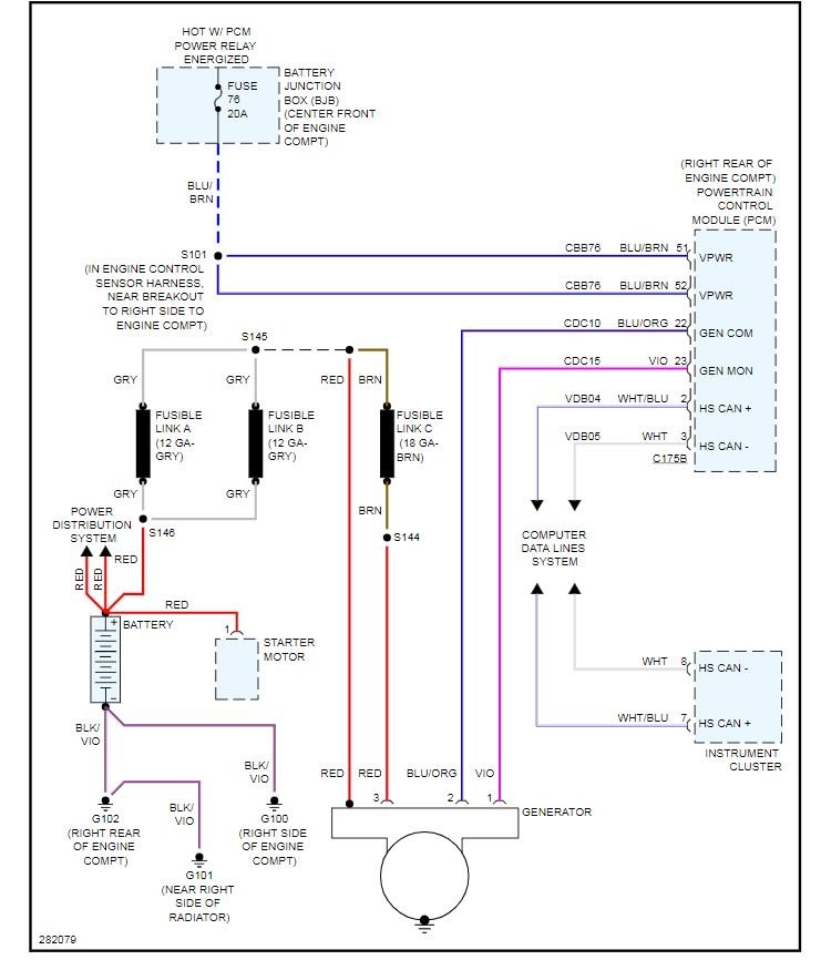
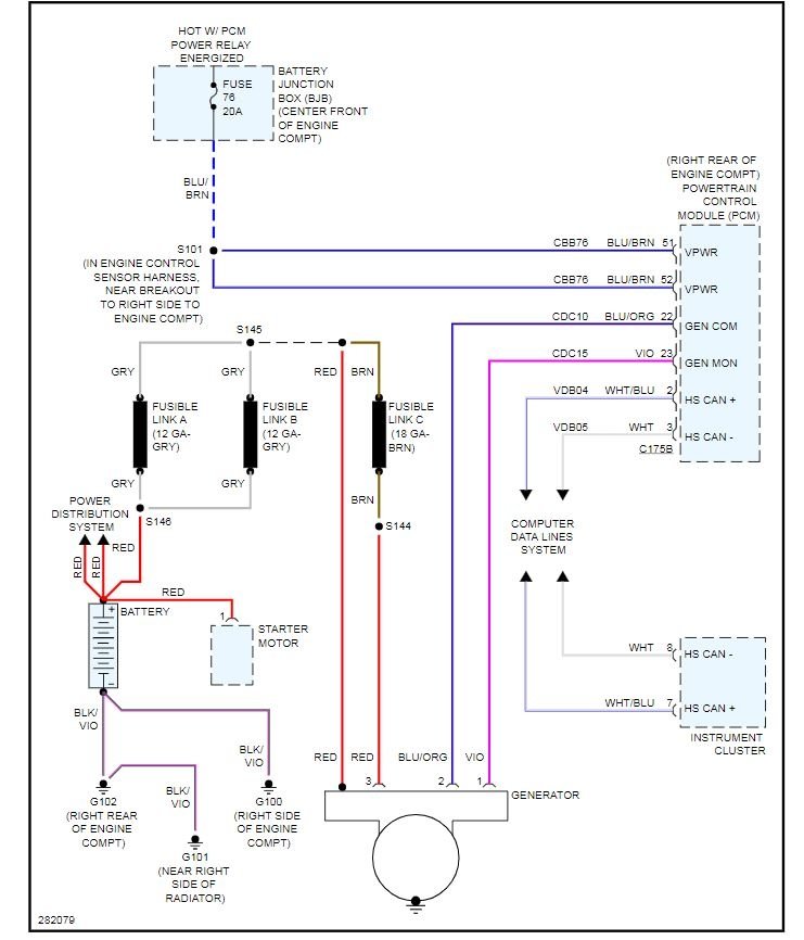
Here's the wiring diagram to give some info on fusing and what goes where
Jul 23, 2015 at 10:52 PM
Advertisement
Repair Safety Notice: This information is for general instructional purposes only. Vehicle repair can be dangerous. Verify all information, follow manufacturer service procedures, use proper tools and safety equipment, and consult a qualified repair shop when needed.